Федеральное государственное бюджетное образовательное учреждение высшего профессионального образования «Оренбургский государственный аграрный университет»
Инженерный факультет
Кафедра «Электротехнологии и
электрооборудование»
КУРСОВАЯ РАБОТА ПО ДИСЦИПЛИНЕ
Электроника
по теме: «Расчет источника вторичного электропитания»
Вариант № 01
Выполнил: студент 31а группы
профиль подготовки:
«Электротехнологии и
электрооборудование»
очной формы обучения
Иманаев Э
Проверил:
Пугачев В.В
Оренбург 2014 г.
Источники вторичного электропитания являются преобразователями электрической энергии, предназначенной для электропитания устройств, выполняющих различные функциональные задачи. С помощью источников вторичного электропитания, в общем случае, энергия от систем электроснабжения промышленной частоты или автономных первичных источников питания преобразуется в необходимые для работы радиоэлектронной аппаратуры питающие напряжения с требуемыми параметрами. Несмотря на относительную простоту принципиальной реализации источников вторичного питания, разработка устройств с высокими энергетической эффективностью, удельными весогабаритными показателями, надежностью и воспроизводимостью является сложной задачей.
Простейшие источники питания малой мощности (до 15-40 Вт), которые иногда называют выпрямителями, содержат трансформатор (низкой частоты 50 Гц), собственно выпрямитель и сглаживающий фильтр. В таких источниках питания выходное выпрямленное или переменное напряжения изменяются при изменении входного напряжения питания или тока нагрузки и потому они используются в устройствах, некритичных по отношению к напряжению питания, что встречается реже.
Более сложные источники вторичного электропитания включают в большинстве практических случаев типичные устройства, которые перечислены ниже.
Одним из обязательных элементов источников питания является трансформатор - статическое устройство, предназначенное для преобразования посредством электромагнитной индукции напряжений переменного тока с одними параметрами в напряжения с другими параметрами. С помощью силового трансформатора источника вторичного электропитания осуществляется гальваническая развязка высоковольтных, опасных для жизни цепей напряжения электросети и вторичных цепей устройств потребителей. Низкочастотные (50 Гц) трансформаторы малой мощности (до 1000 Вт) промышленного изготовления обладают высокой надежностью и энергетической эффективностью.
Выпрямительное устройство источника питания предназначено для преобразования электрической энергии переменного тока в энергию постоянного тока. В источниках вторичного электропитания находят применение нерегулируемые и реже регулируемые выпрямители, выполняемые на полупроводниковых приборах: диодах, тиристорах или транзисторах. В регулируемых выпрямителях одновременно с функцией выпрямления выполняется регулирование выходного напряжения.
Большинство источников вторичного электропитания содержат в своем составе стабилизаторы напряжения и тока, как простейшие параметрические, так и более сложные - компенсационные. Стабилизаторы предназначены для автоматического поддержания напряжения (тока) на выходе с заданной степенью точности.
Источники вторичного электропитания содержат устройства управления и вспомогательные цепи, которые не участвуют в непосредственном преобразовании и передаче энергии от первичного источника в нагрузку. В современных источниках широко используются устройства обеспечения перехода от одних режимов работы источников питания к другим, которые в основных режимах не участвуют в передаче энергии. К таким устройствам относятся, например пускорегулирующие устройства.
Задание № 1. Для приведенной электрической схемы трансформатора
произвести расчет его основных параметров при работе на заданную нагрузку.
Таблица 1-Исходные данные по расчету трансформатора
Первая цифра варианта
, ВСхема
трансформатора, рис. 1
, В
, В
, В
, А
, А
,
АТипоразмер
магнитопроводаМарка
|
стали |
|
|
|
|
|
|
|
|
|
|
|
0 |
220 |
а |
6 |
12 |
_ |
2 |
_ |
0,5 |
ШЛ |
3411 |
Рис. 1- Электрическая схема трансформатора.
Частота
тока питающей сети равна
=50 Гц.
.1 Расчет мощности вторичных обмоток трансформатора
На основании схемы однофазного трансформатора(рис. 1) и значений выходных
напряжений и токов определяется максимальное значение габаритной мощности
вторичных обмоток:
где:
,
-
действующие значения напряжений (В) и токов (А) в отдельных вторичных обмотках;
,
- действующие значения напряжений и токов в обмотках
(вторичных) с выводом средней точки.
.2 Определение расчетной мощности трансформатора.
В качестве расчетной мощности трансформатора принимается полусумма электромагнитных мощностей первичной и вторичной обмоток трансформатора.
Для
определения расчетной мощности трансформатора необходимо найти приближенное
значение коэффициента полезного действия η.
где:
- частота питающей сети,
<5000 Гц; Р21, мощность вторичных обмоток
трансформатора, ВА.
Расчетную
мощность трансформатора с вторичными обмотками, работающими в течение одного
полупериода рассчитаем по формуле:
.3
Выбор конструкции трансформатора
Конструкция
трансформатора выбирается согласно исходным данным.
Таблица 2 - Конструкция ленточного сердечника.
|
Конструкция сердечника |
Маркировка |
Конструктивная характеристика сердечника |
|
Броневая конструкция(БТ) |
ШЛ |
Ш-образные ленточные |
1.4 Определение расчетного габаритного параметра трансформатора
Типоразмер магнитопровода (размеры сердечника) определяется мощностью
трансформатора и находится с помощью формулы:
здесь:
,
-
сечение соответственно сердечника и окна магнитопровода, см4; Ррас - расчетная
мощность трансформатора, ВА;
-
максимальное значение индукции в сердечнике, Тл; j - плотность
тока в проводах обмоток, А/мм2;
-
коэффициент заполнения сталью сердечника;
-
коэффициент заполнения окна проводом обмоток;
-
коэффициент формы, который для синусоидального напряжения равен 1,1.
Максимальное значение индукции определим с помощью графика на рис. 1. (Bm=1.5 Тл при выходной мощности трансформатора P2=35.892 ВА).
Рис.1
-Зависимость магнитной индукции B=f(Pрасч) в магнитопроводе от выходной мощности
трансформатора; 1-для броневого трансформатора с магнитопроводом из стали 3411,
частотой напряжения fc=50Гц.
Значение
плотности тока в проводах j A/mm определим с
помощью графика на рис.2. (Выходной мощности трансформатора P2=
35.892 ВА соответствует плотность тока в обмотках j=2,5 А/мм2)

Коэффициент
заполнения
окна определим с помощью графика на рис. 3(
=0.25 при выходной мощности трансформатора равной
35,892 ВА)
Рис.
3 - Зависимость коэффициента заполнения окна ко=f(Pрасч)
от выходной мощности трансформатора; 2-для трансформаторов с броневым
сердечником с напряжением до 300 В, 50 Гц.
-
коэффициент заполнения сталью сердечника выписываем из таблицы 2.4 [1, c.
36]. (Коэффициент заполнения сталью сердечника кс= 0,93 соответствует толщине
пластины δс=0,35 мм).
.5 Выбор типоразмера магнитопровода.
трансформатор напряжение мощность обмотка
Конструктивные данные выписываем из справочного материала
[3, c. 113].
Табличное
значение произведение площадей сечений сердечника и окна магнитопровода ![]()
выбираем
больше соответствующего расчетного.
.
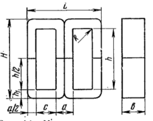
Рис.
4 -Магнитопровод для трансформаторов
броневой (Ш-образной) конструкции.
Таблица 3. Конструктивный размер броневого ленточного магнитопровода.
|
Тип магнитопровода |
ШЛ 20×20 |
|
а , мм |
20 |
|
h, мм |
50 |
|
c , мм |
20 |
|
L , мм |
80 |
|
b, мм |
20 |
|
Н, мм |
70 |
|
h1, мм |
10 |
|
Средняя длина на магнитной силовой линии Lср.ст , см |
17,1 |
|
Средняя длина витка Lсм.м ,см |
13,7 |
|
Активная площадь сечения магнитопровода |
|
|
Площадь окна |
|
|
Площадь сечения стали умноженная на площадь окна |
|
|
Масса магнитопровода G, г |
460 |
1.6 Расчет количества витков трансформатора
Определим число витков трансформатора на один вольт:
Определим
число витков первичной обмотки трансформатора:
Определим
число витков вторичной обмотки трансформатора:
Определим
число витков вторичной обмотки трансформатора со средней точкой:
Относительное падение напряжения (ориентировочное значение) в обмотках выбираем по графику на рис. 5.
(UΔ=0,12 при Ррасч=35,892ВА)
Рисунок
5 Зависимость относительного падения напряжения UΔ= f(Pрасч) на выходе, соответствующее изменению тока от
нуля до номинального для трансформатора.: 1-броневые ленточные из стали 3411.
.7
Оценка потерь энергии в магнитопроводе
Определим
потери РС в магнитопроводе:
где
- масса магнитопровода в кг;
- удельные потери в магнитопроводе (массой 1 кг),
Вт/кг.
Приближенное
значение удельных потерь определим с помощью графика на рис. 5. ( Pуд=1.8Вт/кг
при максимальной индукции Вm=1.5 Тл.).
Рис. 5. Зависимость удельной мощности Руд потерь в сердечниках от
максимальной индукции Вm;
2-из стали 3411, δ=0,35мм.
.8 Расчет действующего значения тока холостого хода первичной обмотки
трансформатора
Рассчитаем активную составляющую тока холостого хода:
где РС - потери в стали, Вт; U11 - напряжение первичной обмотки трансформатора (действующее значение), В; UΔ - относительное падение напряжения.
Рассчитаем
реактивную составляющую тока холостого хода трансформатора:
·
· nз - число зазоров для броневого трансформатора nз=2,
· lз - длина немагнитного зазора, обусловленного не идеальностью сопряжения поверхностей половинок разъемного магнитопровода, приблизительно lз=0,002 см
· lС - средняя длина магнитной силовой линии.
· Приближенное значение напряженности магнитного поля Нm (А/м) определим с помощью графика
рис. 6. (Максимальной магнитной индукции Вм=1.5 Тл, соответствует напряженность
магнитного поля Нm=300 А/м.)
Рис. 6. Зависимость индукции в сердечнике от напряженности поля: 1-для стали 3411.
.9 Расчет действующих значений токов обмоток трансформатора и выбор марки
провода
Определим действующее значение тока первичной обмотки (полуобмотки
трансформатора):
где: р=1 - без вывода первичной обмотки трансформатора; l=1,2,…L - количество вторичных обмоток с выводом средней точки; k=1,2,…K - количество вторичных обмоток без выводов; w21, w3l, w11 - число витков обмоток.