Материал: Расчет электрической передачи тепловоза

Внимание! Если размещение файла нарушает Ваши авторские права, то обязательно сообщите нам

Расчет электрической передачи тепловоза

Исходные данные для выполнения курсового проекта


Назначение и род работы тепловоза - грузовой;

Nе = 2900 кВт - эффективная мощность дизеля;

n= 850 об/мин - номинальная частота вращения коленчатого вала дизеля;

Pсц = 1500 кН - сцепной вес тепловоза;

Dк = 1,25 м - диаметр движущих колес;

С = 6 - число тяговых электродвигателей;

V = 120 км/ч - максимальная (конструкционная) скорость тепловоза.

Введение


Передачей называется совокупность устройств, передающих вращающий момент от силовой установки к движущим колесам. Любой локомотив имеет силовую установку - дизель, бензиновый двигатель, газотурбинную установку и др., которая обладают своими специфическими характеристиками. Эти характеристиками далеко не всегда отвечают условиям реализации требуемой тяговой характеристики.

На тепловозах, в основном, применяются три вида передач: электрическая, гидравлическая и механическая.

Наибольшее распространение на тепловозах получила электрическая передача. Она бывает нескольких видов:

–        электромеханическая.

–        электрическая передача постоянно-постоянного тока.

–        электрическая передача переменно-постоянного тока.

–        электрическая передача переменно-переменного тока.

Электрическая передача постоянно-постоянного тока состоит из тягового генератора, приводимого во вращение дизелем, тяговых электродвигателей, расположенных на движущих колёсных парах тепловоза, а также ряда вспомогательных машин и аппаратов, связанных электрической схемой.

Несмотря на высокую стоимость, значительную массу, большой расход дефицитных материалов, около 80% мирового парка автономных локомотивов составляют тепловозы с электропередачей постоянного тока. Такое широкое применение электропередачи постоянного тока обусловлено особенностью ее характеристик, способностью при постоянных значениях момента и частоты вращения на входном валу изменять непрерывно в широком диапазоне момент и частоту на выходном валу, т. е. на осях движущих колесных пар.

Электрическая передача обеспечивает сочленённую работу нескольких секций (по системе многих единиц), управляемых с одного поста.

Характерной особенностью электрических передач, создаваемых в настоящее время, является увеличение их мощности и надежности при снижении удельных масс, габаритных размеров и стоимости механических элементов. В данном курсовом проекте изложен проект электрической передачи переменного тока с двумя ступенями ослабления возбуждения поля тягового генератора грузового тепловоза, конструкционная скорость которого равна 100 км/ч.

1. Определение основных параметров электрической передачи

скоростной магнитный тормозной тепловоз

Расчётная сила тяги определяется из условия реализации для тепловозов коэффициентов тяги на расчётном подъёме:

Fкр=Pсц yкр                                                                                    (1)

где Pсц - сцепной вес тепловоза, кН;

yкр - коэффициент тяги на расчётном подъёме.

Для тепловозов с электрической передачей расчётная сила тяги принимается равной длительной:

Fкр=Fк дл или yкр=yк дл.                                                             (2)

Таким образом, на расчётном подъёме перегрузочная способность электрических машин не используется, и тепловоз может двигаться в данном режиме неограниченное время.

В ряде случаев, например при разгоне поезда, или при движении по короткому участку с подъемом, превышающим расчетный, тепловоз развивает силу тяги, большую, чем длительную. Реализация такой силы тяги возможна за счет использования перегрузочной способности электрических машин, учитывая, что такие режимы непродолжительны и ограничение по нагреванию, вследствие тепловой инерции не успевает наступить.

Расчетный коэффициент тяги для грузовых тепловозов, в связи с непрерывным увеличением их удельной мощности и соответственно стремлением возить более тяжелые поезда, с достаточно высокими скоростями на расчетном подъеме имеет тенденцию к росту.

Для грузовых тепловозов мощностью более 2250 кВт величина расчётного коэффициента тяги принимается в пределах:

yкр=0,2-0,24.

Принимаем yкр=0,22.

Тогда расчетная сила тяги будет:

Fкр=1,5×0,22 =0,33 МН.

Длительная сила тяги определяется из выражения:

                                                                                        (3)

где Кпр - коэффициент перегрузки по силе тяги на расчетном подъеме,

Кпр =1,05...1,2.

Длительная сила тяги тепловоза будет:

 МН

Скорость тепловоза на расчетном подъеме определяется по формуле:

                                                                              (4)

где Nдг - мощность дизеля, передаваемая генератору, МВт;

hп - КПД электрической передачи.

hп=hг hд hз ηву                                                                               (5)

где hг - КПД тягового генератора при расчетном режиме принимаем 0,96;

hд - КПД тяговых электродвигателей при расчетном режиме принимаем 0,89 [1];

hз - КПД зубчатой передачи тягового редуктора, принимаем 0,99 [1];

ηву - КПД выпрямительной установки принимаем 0,98 [1];

Свободная мощность дизеля, МВт;

Nдг= Nе - Nвсп                                                                                 (6)

где Nвсп - мощность, потребляемая вспомогательными агрегатами тепловоза, МВт.

Nвсп = (0,08¸0,11) Nе                                                                       (7)

Таким образом,

Nдг= 2,9 - 0,09×2,9 = 2,639 МВт,

hп = 0,96×0,89×0,99·0,98 = 0,84

Мощность на зажимах тягового генератора (мощность, отдаваемая генератором тяговым электродвигателям), МВт,

                                                                                       (8)

Подставляя численные значения, получим

Максимальная мощность тепловозного генератора постоянного тока определяется коммутационными условиями и зависит от номинальной угловой скорости якоря; она ориентировочно может быть определена из соотношения

Ргн nд £ 2×106 кВт×об/мин                                                                (9)

где nд - частота вращения коленчатого вала дизеля, об/мин.

Таким образом,

,533·850×103 = 2,153×106 кВт·об/мин.

Так как полученное значение 2,153×106 > 2×106, то из всех видов электрических передач для проектируемого тепловоза выбираем передачу переменно тока.

Мощность на выходе из выпрямительной установки

                                                                              (10)

где ηсг - КПД синхронного генератора принимаем 0,96.

Мощность на зажимах тягового двигателя, МВт,

                                                                                    (11)

где С - число тяговых электродвигателей.

Таким образом

Мощность на валу тягового электродвигателя, МВт

Pд= Pпд hд                                                                                       (12)

Pд= 0,414×0,89=0,368 МВт.

2. Выбор схемы соединения тяговых электродвигателей


Основными факторами, определяющими выбор схемы соединения двигателей, являются схема управления их работой, коэффициент регулирования генератора Кг и максимальная скорость тепловоза при которой еще используется полная мощность его дизель-генератора V¢max .

Кг = (1,4¸1,6)                                                                                    (13)

Скорость максимального использования мощности современных тепловозов для грузового движения

V¢max= Vmax

откуда

V¢max= 120 км/ч.

.1 Постоянная схема соединения тяговых электродвигателей без ослабления поля


Если пренебречь падением напряжения в обмотках тягового электродвигателя, скорость движения тепловоза при постоянной схеме соединения тяговых электродвигателей без ослабления поля определяется по формуле

V`max=Vp∙Кр2/Кппн max                                                                 (14)

где Кппн max - степень насыщения магнитной системы электродвигателя при длительном (номинальном) режиме по отношению к режиму максимальной скорости V`max.

Значение Кппн max определяем из универсальной магнитной характеристики [1] следующим образом.

Задаваясь коэффициентом регулирования генератора для Кг токов Iппв min=100% / Кг и Iн=100%, проводят вертикальные линии до пересечения с кривой намагничивания (точки В и С на рисунке 1). Затем из начала координат ведут лучи ОВ и ОС до пересечения с горизонтальной линией АD.

Степень насыщения

Кппн max=tg∙γдл/ tg∙γппmin=AC/AB                                       (15)

Кппн max=100/78=1,282

Тогда, исходя из формулы (12) имеем

V`max=23,864∙1,62/1,282=47,652 км/ч.

2.2 Постоянная схема соединения тяговых электродвигателей с ослаблением поля


Максимальную скорость полного использования мощности тепловоза в этом случае определяют по формуле

V`max= Vp∙Кр2/(α∙Копн max)                                                          (16)

где α - коэффициент ослабления возбуждения;

Копн max - степень насыщения магнитной системы электродвигателя при длительном (номинальном) режиме по отношению к режиму ослабления поля при скорости V`max.

Степень насыщения определяют с помощью кривой намагничивания (см. рисунок 1)

Копн max= tg∙γдл/ tg∙γопmin=AC/AE                                                (17)

Копн max=100/49=2.041.

Минимальный ток возбуждения при ослаблении поля

Iопв min=α∙(100%/Кг)                                                                       (18)

Iопв min=0,25∙(100/1,6) =15.625%.

Тогда, исходя из формулы (14) имеем

V`max=23.864∙1,62/0,25∙2.041=119.724 км/ч.

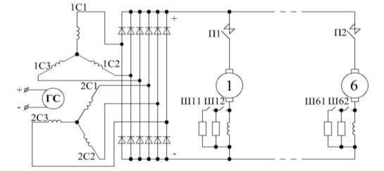
На рисунке 1 изображена схема соединения тяговых электродвигателей.

Рисунок - 1 Схема соединения тяговых электродвигателей

Обозначение на рисунке 1: ГС - тяговый синхронный генератор; 1-6 - тяговые электродвигатели; П1-П6 - силовые контакторы; Ш11-Ш61 и Ш12-Ш62 - контакторы ослабления возбуждения соответственно первой и второй ступени

В передаче мощности переменно-постоянного тока тяговый синхронный генератор ГС и тяговая выпрямительная установка образуют систему, напряжение которой подводится к тяговым электродвигателям постоянного тока 1-6. Выпрямленное напряжение имеет, кроме постоянной составляющей, спектр высших гармонических, частота и амплитуда которых определяются свойствами этой системы.

Пульсации тока на выходе выпрямительной установки неблагоприятно сказываются на коммутации тяговых электродвигателей и на КПД передачи мощности, поэтому целесообразно, насколько это возможно, уменьшать их амплитуду и увеличивать частоту.


3. Определение основных параметров электрических машин


Максимальное напряжение в силовой цепи принимают ниже установленного максимума, учитывая возможные перенапряжения в переходных процессах. Для тепловозов с параллельным соединением тяговых электродвигателей к генератору и большой мощностью

Uг max = 700 ¸ 750 В                                                                        (19)

Принимаем максимальное напряжение главного генератора проектируемой передачи Uг max = 725 В.

Определяем напряжение и ток тягового генератора в продолжительном режиме.

Напряжение и ток при длительном режиме

                                                                                      (20)


                                                                                    (21)

где Р гн - мощность генератора при номинальном (длительном) токе, кВт;

                                                                                     (22)

Таким образом,

Ргн = 2.39·0,96 = 2.533 МВт,

Максимальный пусковой ток принимают, исходя из перегрузочной способности электрических машин

Iг max = (1,3¸1,5)Iг н                                                                        (24)

Принимаем

Iг max = 1,4×5191= 7827 А.

Минимальное напряжение и ток генератора

                                                                            (25)

                                                                             (26)

где P²г - мощность генератора при максимальном токе, кВт,

P²г = Nдг h²max                                                                               (27)

P²г = 2639×0,96 = 2533 кВт,

Максимально допустимый ток по условиям коммутации А,

Iг ком » 2×Iг н                                                                                   (28)

Iг ком = 2×5591=11180 А.

Длительная мощность, соответствующая номинальному режиму работы электродвигателя, кВт



4. Построение внешней характеристики тягового генератора


Внешняя характеристика генератора Uг = f(Iг) имеет вид гиперболы и строиться по трем точкам с координатами (Iг.min, Uг.max); (Iг.дл, Uг.дл); (Iг.max, Uг.min). Справа и сверху она ограничивается отрезками, соответствующими ограничениями по максимальному току и напряжению генератора. Внешняя характеристика генератора показана на рисунке 2.

Рисунок 2 - Внешняя характеристика тягового генератора

5. Построение регулировочных характеристик передачи