Материал: Расчёт электрических фильтров по рабочим параметрам

Внимание! Если размещение файла нарушает Ваши авторские права, то обязательно сообщите нам

Расчёт электрических фильтров по рабочим параметрам













"Расчёт электрических фильтров по рабочим параметрам"

Оглавление

1. Постановка задачи синтеза электрического фильтра

2. Переход к ФНЧ - прототипу и нормирование по частоте

3. Аппроксимация частотной характеристики рабочего ослабления фильтра

4. Реализация схемы фильтра ФНЧ

5. Переход от схемы ФНЧ-прототипа к нормированной схеме заданного фильтра

6. Денормирование и расчёт элементов схемы фильтра

7. Расчёт частотных характеристик фильтра

8. Расчёт частотных характеристик фильтра на ЭВМ

9. Расчет спектра последовательности прямоугольных импульсов на входе и на выходе фильтра

10. Расчет переходной характеристики фильтра h(t)

Вывод

Список литературы

электрический фильтр частота спектр

1. Задание к курсовой работе

Согласно варианту требуется рассчитать фильтр верхних частот (ФВЧ), удовлетворяющий следующим техническим требованиям:

·   граничная частота полосы пропускания (ПП) =21900 (Гц);

·   граничная частота полосы непропускания (ПН) (Гц);

·   коэффициент отражения =36%;

·   минимально-допустимое значение рабочего ослабления в ПН =20 (дБ);

·   сопротивление нагрузки  =450 (Ом).

Аппроксимацию требуется выполнить по Чебышеву, а реализацию - по Дарлингтону. (Значения взяты из старой методички с вариантами заданий)

2. Постановка задачи синтеза электрического фильтра


Синтез электрического фильтра по рабочим параметрам (рабочему ослаблению или рабочей фазовой постоянной) состоит из двух этапов: аппроксимации и реализации.

На этапе аппроксимации необходимо получить аналитическое выражение рабочей передаточной функции H(р) фильтра, удовлетворяющей условиям физической реализуемости по заданным требованиям.

На этапе реализации по найденной рабочей передаточной функции определяется схема фильтра и величины составляющих ее элементов.

В синтезе фильтров используется преобразование частоты и нормирование сопротивлений и частот.

Использование преобразования частоты позволяет свести расчет всех классов фильтров к расчету фильтра нижних частот (ФНЧ) и производить синтез любого фильтра в следующем порядке: сначала преобразовать заданную характеристику рабочего ослабления в низкочастотную, потом синтезировать ФНЧ, далее обратным частотным преобразованием перейти от элементов схемы ФНЧ к элементам (или комбинациям элементов) заданного фильтра. Нормирование заключается в том, что вместо абсолютных значений частот и сопротивлений элементов цепи ФНЧ берутся их относительные величины. Нормирование осуществляется по отношению к нагрузочному сопротивлению и граничной частоте полосы пропускания для ФНЧ и ФВЧ (или среднегеометрической частоте полосы пропускания для ПФ).

Техническими требованиями к фильтру являются:

·   граничные частоты полосы пропускания (ПП)  или  , ;

·   граничные частоты полосы непропускания (ПН)  или  , ;

·   максимально-допустимое значение рабочего ослабления в ПП ΔА (дБ) или коэффициент отражения , которые связаны соотношением:


·   минимально-допустимое значение рабочего ослабления в ПН (дБ);

·   сопротивление нагрузки  (Ом).

Синтез фильтра производится в следующем порядке:

1. Переход к ФНЧ-прототипу и нормирование частот;

2. Аппроксимация рабочей передаточной функции Т(р) и характеристики рабочего ослабления фильтра ;

3. Реализация схемы ФНЧ (ФНЧ-прототипа);

4. Переход от схемы ФНЧ к схеме заданного фильтра и денормирование ее элементов;

5. Расчет и построение денормированных частотных характеристик рабочего ослабления А(f) и рабочей фазы В(f) фильтра.

3. Переход к ФНЧ - прототипу и нормирование по частоте


Рис. 1 Частотные характеристики фильтра верхних частот и фильтра нижних частот прототипа

При расчете ФВЧ переходим к требованиям для ФНЧ - прототипа. Частотная характеристика ФВЧ переходит в частотную характеристику ФНЧ - прототипа при использовании преобразования частоты вида:

, , , .

, , ,  - нормированные граничные частоты ФНЧП.

=,= ,= , =

4. Аппроксимация частотной характеристики рабочего ослабления фильтра


На данном этапе по заданным техническим требованиям к ФНЧ - прототипу необходимо получить математические выражения рабочей передаточной функции H(р) и рабочего ослабления фильтра А(). Известно, что частотное свойство фильтров определяется функцией фильтрации φ.

Следовательно, задача сводится к выбору аналитического выражения этой функции и расчету ее коэффициентов. В качестве аппроксимирующих удобно использовать полиномиальные функции, среди которых наибольшее распространение имеют полиномы Баттерворта и Чебышева.

При выборе полинома Чебышева в качестве аппроксимирующего функция фильтрации определяется выражением:

, где .

Для расчёта коэффициента неравномерности рабочего ослабления ,мне понадобится рассчитать максимально-допустимое значение рабочего ослабления в ПП ΔA [дБ], с помощью коэффициента отражения  [%], который был задан, по формуле:


 - коэффициент неравномерности рабочего ослабления в полосе пропускания.

Рабочее ослабление определяется как: . - полином Чебышева, определяемый рекуррентной формулой , n- порядок фильтра:


Итак, n=3.943. Округляя в большую сторону, возьмем n=4, тогда



Аппроксимация по Чебышеву получила название равноволновой.

Сформируем рабочую передаточную функцию:

.

С другой стороны модуль рабочей передаточной функции можно представить как:

.

Таким образом:

,т.е.

,

 - полином Гурвица.

Решая уравнение , определим корни полинома Гурвица:

, .

Имеем:


Рис. 2 Изображение корней уравнения  на комплексной плоскости

Формируем рабочую операторную передаточную функцию :


Подставляя , определим рабочее ослабление как:

.



Выполним проверку функции  на частотах: , ,.


Аппроксимированное рабочее ослабление удовлетворяет техническим требованиям.

5. Реализация схемы фильтра ФНЧ


На данном этапе по найденной ранее функции H(р) необходимо получить схему ФНЧ .

Реализация по Дарлингтону основана на формировании функции  по . Тогда получение схемы нагруженного фильтра можно свести к реализации двухполюсника путем разложения функции Zвх(р) в цепную дробь (по Кауэру).

, где  - коэффициент отражения

, где

 определяется по рекуррентной формуле  заменой , при этом все слагаемые берутся со знаком "+".

,

Составим Zвх(р), выбирая знак " - " у функции ρ(р):


Нормированное значение входного сопротивления в этом случае выражено в виде цепной дроби:


.

Нормированные значения ёмкостей и индуктивностей будут равны:

, , , , , .

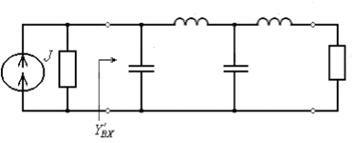
Схема фильтра начинается с последовательно включенного элемента.

Схема. 1 Нормированная схема ФНЧ-прототипа

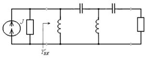
Если выбрать знак "+" у функции ρ(р), то получим дуальную схему фильтра:


Нормированные значения ёмкостей и индуктивностей будут равны:

, , , , .

Схема фильтра начинается с параллельно включенного элемента.

Схема. 2 Дуальная нормированная схема ФНЧ-прототипа

В дальнейшем выбираем схему 2, так как через 1 схему при замене, ток течь не будет .

6. Переход от схемы ФНЧ-прототипа к нормированной схеме заданного фильтра


Осуществим переход от нормированной схемы ФНЧ-прототипа к схеме ФВЧ по таблице 1, согласно которой нормированные элементы схемы ФНЧ-прототипа заменяются на нормированные элементы схемы ФВЧ.

Таблица 1


, , ,  .

7. Денормирование и расчёт элементов схемы фильтра


Для перехода от нормированной схемы к денормированной схеме с заданными нагрузочным сопротивлением  и граничной частотой  осуществляем изменение уровня сопротивления и масштаба частоты с помощью следующих множителей:

а) преобразующий множитель сопротивления:

.

б) преобразующий множитель частоты


Коэффициенты денормирования индуктивности и емкости определяем по формуле:

, .

Таким образом, истинные значения элементов фильтра можно определить как:

, , , , , .

Окончательно получим схему: