Материал: Производство херни

Внимание! Если размещение файла нарушает Ваши авторские права, то обязательно сообщите нам

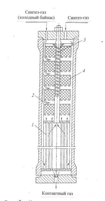
теплообменника, расположенного в нижней части колонны (рис.13). В

теплообменнике 1 (рис.13) газ нагревается до 330-3400 С и по центральной трубе, в

которой размещен электроподогреватель 3 (рис.13), поступает в верхнюю часть колонны и проходит последовательно пять слоев катализатора 4 (рис.13).

После каждого слоя катализатора, кроме последнего, в колонну синтеза вводят определенное количество холодного циркуляционного газа (холодный байпас) 2

(рис.13)для поддержания необходимой температуры (проведение процесса синтеза метанола по ЛОТ).

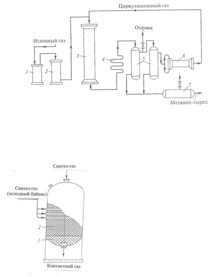
После пятого слоя катализатора контактный газ направляется в теплообменник,

где охлаждается до 300-385 0С 130 0С, а затем в холодильник-конденсатор типа

«труба в трубе» 4 (рис.11). Здесь газ охлаждается до 30-35 0С и продукты синтеза конденсируются.

Метанол-сырец отделяют в сепараторе 5 и направляют в сборник 7, после чего выводят на ректификацию.

Газ проходит второй сепаратор 5 для выделения капель метанола,

компримируется до давления синтеза турбоциркуляционным компрессором 6 и

возвращается на синтез.

Продувочные газы выводят перед компрессором и вместе с танковыми газами используют в качестве топлива.

16

Рис.11. Технологическая схема получения метанола при давлении 32 МПа:

1, 2 – фильтры (масляный и угольный), 3 – колонна синтеза, 4 – холодильникконденсатор, 5 – сепараторы, 6 – компрессор, 7 – сборник метанола-сырца.

Колонны синтеза метанола

Рис. 12. Колонна синтеза метанола при 5 МПа: 1- фарфоровые шары; 2 - катализатор

17

Рис.13. Колонна синтеза метанола при 32 МПа:

1 – теплообменник; 2 – холодный байпас; 3 –электроподогреватель; 4 - катализатор

18

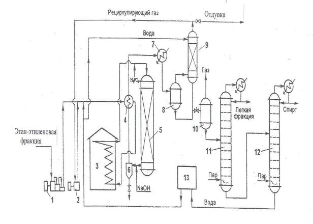
5. Производство этанола

Свежий и оборотный этилен сжимаются в компрессорах 1,2 от до 8 МПа,

смешиваются с водяным паром, подогреваются в теплообменнике 4 теплом отходящей от реактора смеси и перегреваются в трубчатой печи 3 до 2750С, после чего подаются в реактор-гидрататор 5. Перед входом в реактор в поток вбрызгивается фосфорная кислота для подпитки катализатора.

Реактор представляет собой полую колонну высотой 10 м и диаметром 1,5 м,

работающую в режиме идеального вытеснения. Для исключения влияния коррозии от фосфорной кислоты изнутри он выложен листами красной меди.

Реакционные газы содержат пары унесенной фосфорной кислоты, которая нейтрализуется гидроксидом натрия, а образующиеся соли выделяются в солеотделителе 6. Унос фосфорной кислоты составляет 0,4 – 0,5 т/час с 1 м3

катализатора.

Теплота отходящих реакционных газов регенерируется в теплообменнике 4

для нагрева входящей смеси. В холодильнике 7 происходит конденсация продуктов реакции, а в сепараторе 8 разделяются жидкие и газовые потоки. Вода, как менее летучий компонент, конденсируется с большей полнотой. Для дополнительного выделения спирта из газ производится его отмывка водой в абсорбере 9. Не прореагировавший газ, содержащий 90 – 92% этилена, рециркулируют компрессором 2, а часть его сбрасывают, чтобы избежать накопления примесей в системе. Величина отдувки составляет примерно 20% от введенного этилена и направляется на установку газоразделения для выделения этилена.

Водный конденсат после сепаратора 8 и жидкость из абсорбера 9

дросселируют (сбрасывают давление), в результате чего выделяются растворенные газы, отделяемые в сепараторе низкого давления 10 и направляемые в топливную линию.

Жидкая фаза из сепаратора 10 представляет собой 15% -ный водный раствор этанола, содержащий примеси диэтилового эфира, ацетальдегида и низкомолекулярных полимеров этилена. Этот раствор подвергают ректификации в ректификационных колоннах 11 и 12. В первой отгоняют наиболее летучий

19

диэтиловый эфир и ацетальдегид, а во второй – этиловый спирт в виде азеотропной смеси, содержащей 95% этанола и 5% воды. Обогрев колонны осуществляется острым паром. В кубе колонны 12 остается вода, которую очищают от соли в ионообменной установке 13 и возвращают на гидратацию. При этом реализуется замкнутый цикл по технологической воде, что позволяет значительно снизить расход свежей воды, исключить сброс отработанной воды в стоки и сократить потери этилового спирта.

При необходимости получения безводного этилового спирта ректификат направляют в дегидрататор.

Рис. 14. Технологическая схема получения этанола:

1,2- компрессоры; 3 – трубчатая печь; 4 – теплообменник; 5 – реактор; 6 – солеотделитель; 7 – холодильник; 8,10 – сепараторы; 9 – абсорбер;

11 – ректификационная колонна отгонки легкой фракции; 12 – «этанольная» ректификационная колонна; 13 – установка ионообменниой очистки воды.

20