Материал: Программное обеспечение узла телефонной связи

Внимание! Если размещение файла нарушает Ваши авторские права, то обязательно сообщите нам

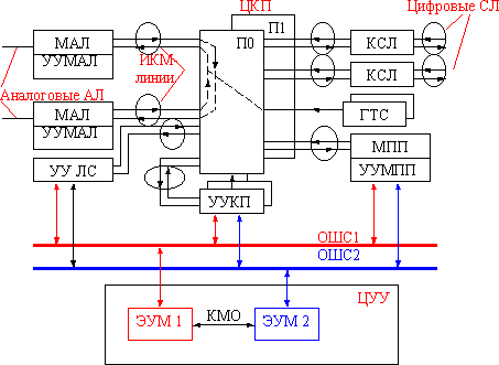
Рассмотрим основные принципы построения иерархических ЭУС электронных цифровых УК. Структурная схема такого УК приведена на рис.15, где показаны основные виды входящего в его состав оборудования. Узел коммутации иерархической ЭУС состоит из: МАЛ - модуль абонентских линий, ЦКП - цифровое коммутационное поле, КСЛ - комплект цифровых соединительных линий, ГТС - общестанционный генератор тональных сигналов, МПП - модуль приёмника - передатчиков, периферийных УУ и ЦУУ.

Рис.15 Структурная схема электронного узла коммутации с иерархической ЭУС

Аналоговые АЛ подключаются к ЦКП через МАЛ, в которых аналоговые речевые сигналы, поступающие по АЛ, преобразуются в цифровые. Кроме того, в МАЛ концентрируется абонентская нагрузка от большого числа (64,128) физических АЛ, включенных в МАЛ, к одной ИКМ-линии, соединяющей его с ЦКП. При этом для образования группового ИКМ - тракта в отечественных электронных цифровых УК используется система ИКМ-30\32, позволяющая создать на базе одной четырёхпроводной линии 30 разговорных каналов, один (16) для сигнализации и один (0) для синхронизации. Каждый МАЛ содержит абонентские комплекты, преобразующее, коммутационное и управляющее оборудование, а также схемы подключения к АЛ измерительных устройств и генератора вызывных сигналов.

Модули АЛ размещаются непосредственно на УК или выносятся в места сосредоточения абонентов с целью уменьшения расходов на линейные сооружения. В последнем случае МАЛ называется удалённым и соединяется с ЦКП через КСЛ, которые осуществляют приём и передачу сигналов цифровой синхронизации и аварийных сообщений о неисправностях линии по 0-му каналу внутристанционной ИКМ - линии в сторону ЦКП и по 0-му каналу ЦСЛ в сторону встречного УК.

Генератор тональных сигналов предназначен для формирования и выдачи в цифровом виде акустических сигналов "ответ станции", "Занято" и др. (всего до 16 сигналов). Для подключения ГТС к ЦКП используется односторонняя ИКМ - линия, каналы которой жёстко закреплены за определёнными видами сигналов. Поскольку ГТС является общестанционным устройством и выход его из строя приводит к невозможности организации нормального взаимодействия с абонентами в процессе установления соединений, для обеспечения требуемого качества обслуживания вызовов узлом коммутации производится дублирование ГТС.

Модуль приёмников и передатчиков представляет собой совокупность функциональных блоков, обеспечивающих приём номерной информации от абонентов, передаваемой по АЛ многочастотным способом в коде "2 из 8" и приём - передачу многочастотных сигналов управления и взаимодействия в коде "2 из 6" по ЦСЛ.

Каждый МПП подключается к ЦКП с помощью одной ИКМ - линии и, следовательно, может принимать и передавать многочастотные сигналы одновременно по 32 каналам. Число МПП рассчитывается исходя из поступающей нагрузки и установленных норм на качество обслуживания вызовов. Для обеспечения необходимой надёжности МПП резервируются по принципу "n + 1".

Коммутационное поле рассматриваемого УК является цифровым. Оно использует в общем случае пространственно - временной принцип деления каналов и имеет блочное строение. Для обеспечения требуемой надёжности ЦКП дублируется и соединение может быть независимо установлено через поле как П 0, так и П 1.

Иерархическая ЭУС электронного цифрового УК имеет в большинстве случаев два иерархических уровня: на нижнем уровне находятся ПУУ, непосредственно связанные с устройствами исполнительной системы; на верхнем уровне - ЦУУ.

ПУУ строятся в основном на базе микроЭВМ с невысокой производительностью, снабжённой необходимым для выполнения заданных функций комплексом программ, хранящихся в её собственном ЗУ.

Центральное УУ состоит, как правило, из двух ЭУМ, каждая из которых обладает достаточной производительностью для обеспечения обработки в реальном режиме времени сообщений (заявок), поступающих от всех ПУУ.

В зависимости от требований к надёжности и производительности ЦУУ, а также к достоверности обработки информации совместная работа обеих ЭУМ может быть организована в различных режимах. В процессе совместной работы ЭУМ обмениваются между собой информацией о занимаемых для обслуживания вызовов каналах внутренних ИКМ - линий и ЦСЛ, соединительных путях в ЦКП, абонентских линиях и др. через канал межмашинного обмена.

Обмен сообщениями между ЦУУ и ПУУ производится через системный интерфейс, который может быть реализован либо в виде дублированных общих шин, либо с помощью общего ЦКП узла коммутации.

8. Контрольные вопросы


) Перечислите языки программирования, составляющие основу ПО СКПУ?

) Что такое внутреннее ПО?

) Что такое внешнее ПО?

) Перечислите группы внутреннего ПО

) Перечислите группы внешнего ПО

) Какие программы используются при установление внутристанционного соединения?

) Какие программы входят в состав системы СКП?

) Перечислите подпрограммы СКП

) Какова задача системы автоматизации отладки программ?

) Какие программы включает в себя генератор внутреннего ПО?

) Что такое ПО ЭУМ?

) Для чего предназначены коммутационные программы?