Материал: Проектирование устройства изменения голоса для средств связи

Внимание! Если размещение файла нарушает Ваши авторские права, то обязательно сообщите нам

Проектирование устройства изменения голоса для средств связи

СОДЕРЖАНИЕ

ВВЕДЕНИЕ

. АНАЛИТИЧЕСКАЯ ЧАСТЬ

1.1 Характеристика объекта проектирования

1.2 Выбор и обоснование принципиальной схемы

1.3 Выбор элементной базы

2. ПРОЕКТНАЯ ЧАСТЬ

2.1 Конструкторские расчеты

2.1.1 Расчет габаритов печатной платы устройства

2.1.2 Расчет печатного монтажа платы устройства

2.1.3 Расчет показателей надежности и качества устройства

2.1.4 Расчет ударопрочности печатной платы электронного узла

2.1.5 Расчет потребляемой мощности устройства

2.2 Проектирование устройства с использованием средств и методов автоматизированного проектирования

3. ТЕХНИКО-ЭКОНОМИЧЕСКОЕ ОБОСНОВАНИЕ ПРОЕКТА

. МЕРОПРИЯТИЯ ПО ТЕХНИКЕ БЕЗОПАСНОСТИ И ОХРАНЕ ТРУДА

ЗАКЛЮЧЕНИЕ

СПИСОК ИСПОЛЬЗОВАННЫХ ИСТОЧНИКОВ

ПРИЛОЖЕНИЕ А

ВВЕДЕНИЕ

Голос каждого человека трансформируется на протяжении всей его жизни. Физиологические и возрастные изменения всего организма сказываются и на голосе, но, не смотря на это непостоянство, многие люди часто задумываются о том, как изменить голос, данный им природой.

Кто-то хочет казаться солиднее, кто-то - моложе, но естественный тембр не позволяет этого. Конечно, подобная проблема имеет решение, так как изменить голос можно благодаря специальным тренировкам. Ну, а те, кто не желает тратить время на выполнение сложных упражнений, пользуются достижениями современных электронных технологий.

Если говорить о развлечениях, то почему бы не вспомнить о детских шалостях и телефонных розыгрышах вполне взрослых людей? Создатели современных шпионских игрушек точно знают, как изменить голос по телефону, не прикладывая к трубке платок или лист бумаги. Существуют более совершенные методы электронной обработки звука при разговоре по стационарному или мобильному телефону.

Среди особой категории товаров для розыгрышей большой популярностью пользуются шифраторы речи, представляющие собой миниатюрные электронные устройства. Телефон, оснащенный такой приставкой, легко решает проблему - как изменить голос до полной неузнаваемости?

Шифраторы речи снабжены переключателем, позволяющим регулировать тональность голоса, а дополнительный усиливающий элемент обеспечивает идеальную слышимость. Прибор очень прост в обращении - перед тем, как изменить голос по телефону, нужно просто выбрать желаемую настройку. Телефон будет передавать только эмоциональную окраску речи, а тембр голоса будет полностью изменен.

Воспользовавшись дополнительной функцией шифратора - синтезатором звуков - можно усилить эффект от розыгрыша. До того, как изменить голос по телефону, необходимо придумать ситуацию, в которой уместен будет детский плач или лай собаки. Таким образом, можно сбить с толку своего собеседника.

Целью дипломного проекта является проектирование устройства изменения голоса для средств связи.

Задачи дипломного проекта:

1. Изучить конструкцию и принцип работы устройства;

2.      Рассчитать параметры устройства;

.        Изучить технику безопасности при пайке и монтаже печатных плат;

.        Рассчитать себестоимость устройства.

В первой главе будет рассмотрена конструкция, характеристика объекта проектирования.

Во второй главе будут произведены расчёты следующих параметров устройства: габаритов печатной платы, надёжности, ударопрочности и потребляемой мощности. Проектирование устройства с использованием средств и методов автоматизированного проектирования.

В экономической части рассчитана себестоимость работ по проектированию и разработке электронного устройства.

В разделе «Техника безопасности» описаны правила техники безопасности при пайке и монтаже печатных плат.

1.    
АНАЛИТИЧЕСКАЯ ЧАСТЬ

1.1   Характеристика объекта проектирования

Шифраторы речи представляют отдельные устройства или обычные программы для персональных компьютеров или телефонов и позволяют изменять голос налету (для телефонов) или обрабатывать записанную речь как обычный аудиофайл на компьютере. Они не слишком сложны в изготовлении, и потому не сильно дороги.

Устройство располагается в виде отдельной печатной платы с использованием различных радиодеталей и предназначено для изменения голоса. То есть он поднимает тон вашего голоса, превращая его в детский, или, наоборот, опускает, превращая его в мужской бас. Дополнительная настройка придаст металлический окрас вашему голосу, и он станет похож на голос робота.

1.2   Выбор и обоснование принципиальной схемы

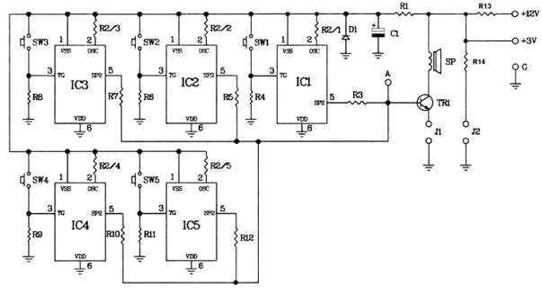
Устройство собрано на двух микросхемах: D1-LM386 и D2-RTS0072B. LM386 - усилитель низкой частоты. RTS0072B <#"863768.files/image001.gif">

Рисунок 1.1 - Принципиальная схема устройства

Рисунок 1.2 - Схема электрическая принципиальная

Выбирая среди 2 устройств, выбор остановился на голосовой маске из-за его упрощенного монтажа и доступного нахождения элементной базы.

1.3   Выбор элементной базы

Для реализации шифратора речи на печатной плате были выбраны следующие элементы: резисторы типа МЛТ-0,125 Вт, конденсаторы К50-6, стабилитрон 1N4731A.113, операционный усилитель LM386, микросхема цифрового синтезатора RTS0072B, переключатель SWD3-6, микрофон EM9767P-20C- 44DB.

Выбирая тип резисторов примененных в плате проанализировав их условия работы, рассеиваемую мощность, температуру окружающей среды, а также требования предъявляемые к характеристикам резисторов. Следует учитывать, что мощность рассеиваемая в резисторе существенно влияет на его надежность. Номинальную мощность резистора следует выбирать такой чтобы она была в 1.5 раза больше фактической. Учитывая все вышеперечисленные факторы и величину токов в цепях выбираем резисторы с номинальной мощностью 0.125-0.5 Вт. Тип резисторов берем ОМЛТ и СА, так как они удовлетворяют всем требованиям надежности, имеют низкую стоимость и имеют широкое распространение .

Резисторы МЛТ-0,125 0,125Вт 18 кОм±5% постоянные металлопленочные лакированные теплостойкие. Металлодиэлектрические с металлоэлектрическим проводящим слоем неизолированные, для навесного монтажа. Предназначены для работы в электрических цепях постоянного, переменного и импульсного токов. Номинальная мощность 0,125 Вт. Номинальное сопротивление 18 кОм. Диаметр выводов 0.6мм (рисунок 1.2).

Основные технические характеристики резисторов МЛТ-0,125:

-    диапазон номинальных сопротивлений: 1 Ом... 10 мОм;

-       номинальная мощность: 0,125 Вт;

-       предельное напряжение: 200 В;

-       допускаемые отклонения сопротивлений: ±1; ±2; ±5; ±10 %;

-       диапазон температур: -60... +70 °С;

-       минимальная наработка: 30000 ч;

-       срок сохраняемости: 25 лет.

Мы выбираем эти резисторы, так как они обладают нужным для монтажа сопротивлениям.

Рисунок 1.2 - Корпус резистора МЛТ-0,125

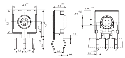
Резисторы, у которых сопротивление можно менять только при помощи отвертки или шестигранного ключа, называются подстроечными переменными резисторами.

Подстроечный резистор - переменный резистор, предназначенный для тонкой настройки радиоэлектронного устройства в процессе его монтажа или ремонта. Эти компоненты устанавливаются внутри корпуса устройства и недоступны для пользователя при нормальной эксплуатации. Исходя из этого мы выделили 2 подстроечных резистора: CA6V (рисунок 1.3) и SH-R115SR (рисунок 1.4).

Технические параметры CA6V

- тип:

подстроечный;

- модель:

CA6V;

- тип проводника:

металлокерамический;

- номинальное сопротивление:

100;

- единица измерения:

Ом;

- функциональная характеристика:

A;

- количество оборотов:

<1;

- номинальная мощность,Вт:

0.5;

- максимальное рабочее напряжение,В:

900;

- рабочая температура,С:

-55...125;

- количество оборотов:

<1;

- угол поворота движка:

240;

- способ монтажа:

печатный;


-    габаритные размеры: 6,5х6,5х3,6мм.

Рисунок 1.3 - Корпус резистора CA6V

Основные характеристики резистора SH-R115SR:

-    тип: подстроечный;

-       модель: sh-r115sr;

-       тип проводника: углерод;

-       номинальное сопротивление: 100;

-       единица измерения: кОм;

-       точность,%: 20;

-       номин.мощность,Вт: 0.25;

-       максимальное рабочее

напряжение,В: 250;

-    рабочая температура,С: -10…70;

-       количество оборотов «менее»: 1;

-       способ монтажа: печатный;

-       длина движка: 10;

-       угол поворота движка: 250.

Рисунок 1.4 - Корпус резистора SH-R115SR

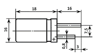
При выборе конденсаторов необходимо учитывать напряжение в цепи и, что особенно важно, - условия окружающей среды. Проанализировав условия эксплуатации выбираем керамические и электролиические конденсаторы, так как они обладают хорошей термостабильностью и малым разбросом номинальной емкости, что значительно уменьшает время на регулировку устройства. Электролитические и керамические конденсаторы выбираем исходя из напряжения питания в цепи и необходимой емкости.

Основные параметры конденсаторов К10У-5:

-    емкость: 0,01-0,068 мкф;

-       номинальное напряжение: 3-25 В

основные параметры конденсаторов к50-6:;

-    номинальное напряжение: 6,3... 200 В;

-       диапазон номинальных емкостей: 1... 10000 мкф;

-       допускаемые отклонения емкости: ±80...-20 %;

-       интервал рабочих температур: -10...+70 °С.

Мы выбираем конденсаторы,керамический К10У-5(рисунок 1.5), электролитический К50-6 (рисунок 1.6) так как они подходят для нашей платы по номинальному напряжению и массе.

При выборе стабилитрона, главным образом, учитывалось напряжение стабилизации. Параметрический стабилизатор применяют в случаях, когда требуется получить стабильное напряжение при относительно малой электрической мощности рассеяния в сопротивлении нагрузки. В качестве нелинейного элемента, обеспечивающего стабилизацию выходного напряжения, применяют стабилитроны (рисунок 1.7).

Рисунок 1.5 -Корпус керамического конденсатораК10У-5

Рисунок 1.6 -Корпус электролитического конденсатора К50-6

При этом данный стабилитрон 1n4731a.113удовлетворяет и остальным требованиям.

Основные параметры стабилитрона 1n4731a.113:

-    номинальное напряжение стабилизации,в: 4.3;

-       минимальное напряжение стабилизации,в: 4.1;

-       максимальное напряжение стабилизации,в: 4.5;

-       номинальный ток стабилизации,ма : 58;

-       максимальный ток стабилизации

I стабилизации максимума: 217;

-    мощность рассеяния,вт : 1;

-       статическое сопротивление ,Ом : 9;

-       рабочая температура,с: -55...200;

-       корпус: do-41.

Рисунок 1.7 - Стабилитрон 1n4731a.113

Выбор операционного усилителя, прежде всего, обусловлен техническим заданием и массогабаритными параметрами. Операционный усилитель LM386 соответствует всем показателям. Близкие аналоги- TBA820M, MC1306P, KA2201, GL386.

Этот усилитель очень легко сделать, к тому же он очень компактный, работает только с одним источником питания небольшого напряжения, значение которого может быть между 4 и 12 вольт. Схема основана на использовании микросхемы типа LM386 - операционного усилителя, способного в одиночку выдать мощность несколько сотен милливатт в нагрузку 8 ом, потребляя при этом лишь несколько мА в состоянии покоя (рисунок 1.8).

Основные характеристики микросхемы LM386:

-    напряжение питания от 4 до 12В.;

-       максимальная выходная мощность 0,7Вт (при питании 9В);

-       коэффициент усиления до 200Дб (зависит от схемы, читаем ниже);

-       коэффициент гармоник 0,2% (при питании 6В и нагрузке 8Ом);

-       ток в режиме покоя составляет 4мА.

В качестве цифрового синтезатора частоты выбрана микросхема RTS0072B.Это цифровая микросхема содержащая модуль АЦП, модуль цифровой обработки и модуль ЦАП (рисунок 1.9).

Рисунок 1.8-Операционный усилитель LM386

Рисунок 1.9 - Микросхема цифрового синтезатора RTS0072B

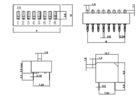
Походящим стали переключатель DP-06 (SWD3-6). DIP (DualIn-linePackage, также DIL) - тип корпуса микросхем, микросборок и некоторых других электронных компонентов. Имеет прямоугольную форму с двумя рядами выводов по длинным сторонам. Может быть выполнен из пластика (PDIP) или керамики (CDIP). Обычно в обозначении также указывается число выводов.

В корпусе DIP могут выпускаться различные полупроводниковые или пассивные компоненты - микросхемы, сборки диодов, транзисторов, резисторов, малогабаритные переключатели. Компоненты могут непосредственно впаиваться в печатную плату, также могут использоваться недорогие разъёмы для снижения риска повреждения компонента при пайке (рисунок 1.10).

Технические параметры:

-    тип: вдм1;

-       количество контактных групп: 6;

-       шаг,мм: 2.54;

-       электрическая надежность(количество переключений при рабочей нагрузке): 5000;

-       усилие при переключении не более,гс: 400;

-       сопротивление контактов,ом: 0.1;

-       материал контактов: фосфористая бронза;

-       рабочее напряжение,в: 24;

-       рабочий ток,ма: 50;

-       материал корпуса: термопластик;

-       рабочая температура,с: -40…85;

-       корпус: dip;

-       движок: сбоку.

Выбирая микрофон для печатной платы. Мы обратили внимание на электретный тип. Микрофон EM9767P-20C- 44DB с принципом действия сходным с микрофонами конденсаторного типа, использующий в качестве неподвижной обкладки конденсатора и источника постоянного напряжения пластину из электрета. Используется способность этих материалов сохранять поверхностный заряд в течение длительного времени.

Рисунок 1.10 - Переключатель DP-06 (SWD3-6)

В отличие от динамических микрофонов, имеющих низкое электрическое сопротивление катушки (~50 Ом ÷ 1 кОм <https://ru.wikipedia.org/wiki/%D0%9E%D0%BC>), электретный микрофон имеет чрезвычайно высокий импеданс(имеющий емкостный характер, конденсатор ёмкостью порядка десятков пФ), что вынуждает подключать их к усилителям с высоким входным сопротивлением. В конструкцию практически всех электретных микрофонов входит предусилитель («преобразователь сопротивления», «согласователь импеданса») на полевых транзисторах, реже на миниатюрныхрадиолампахс входным сопротивлением порядка 1 ГОми выходным сопротивлением в сотниОм, находящийся в непосредственной близости от капсюля (рисунок 1.11).