Эквивалентные сопротивления для низких частот:
Эквивалентные сопротивления для низких частот:
Величины каждого из конденсаторов рассчитываются по формулам:
Амплитудно-частотная характеристика каскада в области верхних частот
определяется из выражения:
где К - значение коэффициента коррекции, которое определяется из
выражения:
Расчет амплитудно-частотной характеристики на низких частотах ведется по
формуле:
АЧХ промежуточного каскада на нижних частотах изображен на рисунке 3.1,
на верхних - на рисунке 3.2.
Величина внешнего резистора в цепи обратной связи рассчитывается по
формуле:
Схема промежуточного каскада электрическая принципиальная изображена на рисунке 3.3.
Рисунок 3.3 Схема промежуточного каскада электрическая принципиальная
4. Расчет входного каскада
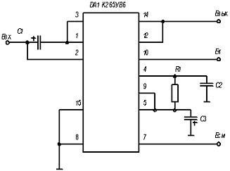
Схема рассчитываемого каскада приведена на рисунке 4.1, схема электрическая принципиальная ИС К265УВ6 на рисунке 4.2.
Сопротивление нагрузки каскада для расчета коэффициента усиления:
где Rбсл=2021 Ом сопротивление базового делителя промежуточного каскада.
Сопротивление нагрузки каскада для расчета площади усиления:
где Rвхтрсл=3029 Ом входное сопротивление транзистора выходного каскада.
Сопротивление генератора:
где Rвыхип - выходное сопротивление повторителя;
Уточнив емкость нагрузки:
оценивается достижимая площадь усиления:
Поскольку достижимая площадь усиления больше требуемой, требования к частотным свойствам выполнены.
Входное сопротивление транзистора с учетом обратной связи:
величина сопротивления эмиттерной обратной связи
Выбрав большее из относительных приращений коэффициентов передачи по
току:
оценивается нестабильность усиления каскада:
Полученная нестабильность удовлетворяет условию.
Для расчета емкости коррекции оцениваются постоянные времени каскада:
и корректируемого звена:
Оптимальный коэффициент коррекции:
при ранее выбранном Кк/Кopt = 0.9 выражение для корректирующей
емкости:
Для разделительной и блокировочной емкостей aвх=2, aбл=0.5.
Эквивалентная постоянная времени каскада на низких частотах:
Постоянные времени каждой из емкостей:
Эквивалентные сопротивления для низких частот:
Величины каждого из конденсаторов:
Амплитудно-частотная характеристика каскада в области верхних частот
определяется из выражения:
где К - значение коэффициента коррекции, которое определяется из
выражения:
Расчет амплитудно-частотной характеристики на низких частотах ведется по
формуле:

АЧХ промежуточного каскада(2) на нижних частотах изображен на рисунке
4.1, на верхних - на рисунке 4.2.
Рисунок 4.1 АЧХ входного каскада на нижних частотах.
Величина внешнего резистора в цепи обратной связи рассчитывается по
формуле:
Схема промежуточного каскада(2) электрическая принципиальная изображена
на рисунке 4.3.
Рисунок 4.3 Схема входного каскада электрическая принципиальная.
5. Расчет истокового повторителя
Для расчета истокового повторителя воспользуемся литературой [2] ч.2.
Схема электрическая принципиальная истокового повторителя изображена на
рис. 5.1.
Рис.5.1 Схема электрическая принципиальная истокового повторителя.
Некоторые справочные данные канального транзистора КП305Ж:
Параметры транзистора КП305Ж:

Коэффициент усиления:
Выходное сопротивление повторителя:
Входная емкость:
Постоянная времени на верхних частотах:
Расчет термостабильности режима проводить не будем. Для истокового повторителя нестабильность чрезвычайно мала и определяется лишь технологическим разбросом.
Определим сопротивление затвора из соотношения:
Рассчитаем разделительную емкость на входе.
Амплитудно-частотная характеристика каскада в области верхних частот
определяется из выражения:
Расчет амплитудно-частотной характеристики на низких частотах ведется по
формуле:
![]()
АЧХ входного каскада на нижних частотах изображен на рисунке 7.2, на
верхних - на рисунке 7.3.
Рисунок 5.2 АЧХ истокового повторителя на нижних частотах.
. Расчет результирующих характеристик усилителя
Результирующий коэффициент усиления:
Следовательно, усилитель обеспечивает напряжение на выходе, при заданном входном, не меньше требуемого.
АЧХ усилителя находится как произведение АЧХ каскадов на соответствующих
частотах. АЧХ усилителя на нижних частотах изображена на рисунке 6.1, на
верхних - рисунок 6.2.
Рисунок 6.1 АЧХ входного каскада на нижних частотах
Рисунок 6.2 АЧХ входного каскада на верхних частотах
По полученным АЧХ находится коэффициент усиления на граничных частотах:
Yн(40)=0.846
Yв(18*106)=0.947
Соблюдены условия задания и в частотной области. Мнi и Мвi должны быть меньше заранее заданных (Мнi = 1.059, Мвi = 1.075).
Мн4=1.053, Мн3 = 1.057, Мн2 = 1.049, Мн1 = 1.013
Мв4=1.017, Мв3 = 1.025, Мв2 = 1.002, Мв1 =1.012
Температурная нестабильность соответствует заданию(δК = 3.33% на каскад).
δК4 = 1.6%,
δК3 = 2%,
δК2 = 0.8%,
Нестабильность истокового повторителя пренебрежимо мала.
Входное сопротивление равно сопротивлению утечки истокового повторителя:
вх = Rз = 50000 Ом
Приходим к выводу, что рассчитанный усилитель соответствует требованиям
технического задания.
Заключение
Рассчитанный усилитель соответствует техническому заданию. Достижимая площадь усилителя превышает требуемую, для согласования большой нагрузки на входе применен истоковый повторитель. В качестве промежуточных каскадов использована усилительная секция ОЭ-ОБ, которая обеспечивает лучшие характеристики по сравнению с однотранзисторными микросхемами. Это упрощает производство усилителя. Несмотря на то, что для промежуточных каскадов использована секция ОЭ-ОБ наличие истокового повторителя усложняет конструкцию усилителя и делает ее менее компактной.
При разработке проекта я закрепил полученные ранее знания по схемотехнике
аналоговых устройств, электронике, а также приобрел навыки работы с такими
пакетами программ, как MathCad
и MS Word.
Список использованных источников
1. Проектирование широкополосных и импульсных усилителей. Методические указания (ч. 1, 2, 3). /Сост. В.И. Юзов; КрПИ. - Красноярск, 1983.
. Проектирование усилительных устройств; Учеб. Пособие для ВУЗов /В.В. Ефимов, В.М. Павлов и др.; Под ред. Н.В. Терпугова. - М.: Высшая школа, 1982. - 190 с.
. Справочник по электрическим конденсаторам / М.Н. Дьяков, В.И. Карабанов, В.И. Присняков и др.; Под общ. ред. И.И. Четверткова и В.Ф. Смирнова. -М.: Радио и связь, 1983 - 576с.; ил.
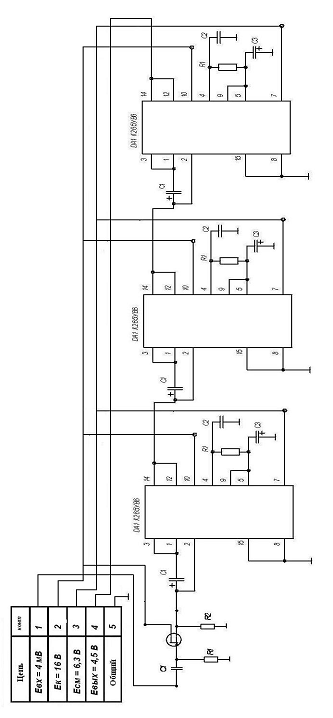
Приложение А
Принципиальная схема усилителя.
Приложение Б
Обоз.НаименованиеКол.Примечание
Конденсаторы
С1КМ-5 107.5 нФ + 5%1
С2К-50-6 3.2 мкФ + 5%1
С3К-50-6 2.7 мкФ + 5%1
С4КМ-5 0.26 пФ + 5%1
С5КМ-5 58.2 пФ + 5%1
С6К-50-6 21 мкФ + 5%1
С7К-50-6 1.8 мкФ + 5%1
С8КМ-5 30 нФ + 5%1
С9КМ-5 16 пФ + 5%1
С10К-50-6 52 мкФ + 5%1
С11К-50-6 390 мкФ + 5%1
Резисторы
R1МЛТ-0.5 80 Ом + 5%1
R2МЛТ-0.5 101 Ом + 5%1
R3МЛТ-0.5 60 Ом + 5%1
Микросхемы
DA1,2,3K256УВ63