Материал: ПРОЕКТИРОВАНИЕ ПРИВОДА ДВУХЦИЛИНДРОВОГО

Внимание! Если размещение файла нарушает Ваши авторские права, то обязательно сообщите нам

Федеральное агентство морского и речного транспорта

Федеральное государственное бюджетное образовательное

учреждение

высшего образования

«Государственный университет морского и речного флота

имени адмирала С. О. Макарова»

Институт водного транспорта

Кафедра основ инженерного проектирования

КУРСОВОЙ ПРОЕКТ

ПРОЕКТИРОВАНИЕ ПРИВОДА ДВУХЦИЛИНДРОВОГО ГИДРАВЛИЧЕСКОГО НАСОСА

ВАРИАНТ №

ВЫПОЛНИЛ

ПРОВЕРИЛ

 

Студент -------гр.

-------------------------/------------

/

-----------------ф-та

 

 

---------------------/-------

/

 

 

---------------Г.

 

СОДЕРЖАНИЕ

1.ТЕХНИЧЕСКОЕ ЗАДАНИЕ

2. СТРУКТУРНЫЙ АНАЛИЗ.

2.1Структурный анализ кривошипно-ползунного механизма гидравлического насоса.

2.2Структурный анализ зубчатого редуктора.

3.МЕТРИЧЕСКИЙ СИНТЕЗ ГИДРАВЛИЧЕСКОГО НАСОСА.

3.1. Основные положения

3.2Метрический синтез механизма насоса

4. КИНЕМАТИЧЕСКИЙ АНАЛИЗ МЕХАНИЗМА

4.1 Графоаналический метод

4.1.1 Расчет кинематических параметров гидравлического

насоса.

4.2Аналитический метод.

4.3Аналог скорости.

4.4.Построение графиков функции перемещения,

и аналога скорости

5 ОПРЕДЕЛЕНИЕ СУММАРНОГО ПРИВЕДЕННОГО МОМЕНТА СИЛ.

5.1 Выбор электродвигателя привода насоса и расчет параметров редуктора

5.2. Расчет передаточного отношения редуктора

6. РАСЧЕТ МОМЕНТА ИНЕРЦИИ МАХОВИКА.

Литература.

Приложение (пример компоновки чертежа).

2

1. ТЕХНИЧЕСКОЕ ЗАДАНИЕ.

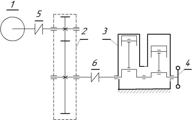
Расчитать параметры привода гидравлического двух поршневого насоса двух стороннего действия, входящего в состав машинного агрегата (Рис 1.1).

Рис. 1.1. Схема машинного агрегата

1- электродвигатель( трехфазный асинхронный единой серии 5А).

2- редуктор одноступенчатый цилиндрический;

3- двухпоршневой насос двухстороннего действия;

4- маховик;

5,6- соединительные упругие (эластичные) муфты

3

ИСХОДНЫЕ ДАННЫЕ

Q =0,015 м3/с – действительный расход рабочей жидкости или действительная подача (производительность) насоса.

Pср =0,3 Мпа - среднее постоянное удельное давление на поршень. nкр =280 об/мин - частота вращения кривошипа.

dП =0,15 м - диаметр поршня.

=0,2 - геометрический параметр механизма (отношение радиуса кривошипа к длине шатуна)

=0,02 - допускаемый коэффициент неравномерности вращения кривошипа. φ =15° - угол положения кривошипа.

4

2 СТРУКТУРНЫЙ АНАЛИЗ.

При структурном анализе по заданной структурной схеме механизма

определяют его степень подвижности и число избыточных связей.

2.1 Структурный анализ кривошипно-ползунного

механизма гидравлического насоса.

Структурная схема насоса показана на Рис 2.1.

Рис.2.1 Структурная схема поршневого насоса

0 – Стойка

1 – кривошип

2;5 – шатун

3;4 – ползун

Число подвижных звеньев n=5.

Кинематические пары:

0-1(3пары);1-2;2-3;3-0;1-5;5-4;4-0 –низшие (Рн = 9)

5