Материал: Проектирование привода цепного конвейера

Внимание! Если размещение файла нарушает Ваши авторские права, то обязательно сообщите нам

Проектирование привода цепного конвейера

Сибирский государственный университет путей сообщения

Кафедра "Подъёмно-транспортные, путевые, строительные и дорожные машины и оборудование"

ПРИВОД ЦЕПНОГО КОНВЕЙЕРА







Курсовой проект по дисциплине

"Детали машин и основы конструирования"




Руководитель: доцент Игнатюгин В.Ю.

Разработал: студент гр. ММ-311

Чертенков Д.М.

Содержание

Техническое задание

1. Выбор электродвигателя и кинематический расчет

2. Расчёт клиноремённой передачи

3. Расчёт червячной передачи

4. Ориентировочный расчет валов

5. Эскизная компоновка редуктора

6. Приближенный расчет валов

6.1 Расчет быстроходного вала

6.2 Расчет промежуточного вала

6.3 Расчет тихоходного вала

7. Подбор подшипников качения

7.1 Подбор подшипников для вала I

7.2 Подбор подшипников для вала II

7.3 Подбор подшипников для вала III

8. Конструирование деталей редуктора

8.1 Конструирование элементов корпуса

8.2 Конструирование зубчатых колес

8.3 Конструирование звездочек большой передачи

9. Подбор и проверка шпонок

10. Подбор шлицевых соединений

11. Выбор посадок

12. Выбор муфты

13. Уточненный расчет валов

14. Выбор смазки

15. Порядок сборки и разборки редуктора

Список использованных источников

Техническое задание


Спроектировать привод цепного конвейера по следующим исходным данным [1]:

Окружное усилие на звездочках: Ft = 45 кН;

Скорость на звездочках: υ = 0,4 м/с;

Шаг тяговой цепи: pц = 80 мм;

Число зубьев тяговых звездочек: z = 11;

Срок службы привода: L = 8 лет.

Дополнительные исходные данные:

Нереверсивная работа;

Число смен работы - 2 смены;

Продолжительность включения ПВ=0,15;

Конструкция корпуса редуктора - сварная.

Задана схема привода цепного конвейера (рисунок 1), включающая в себя двигатель, ремённую передачу, червячныйредуктор, муфтуи цепную передачу. Принцип работыпривода цепного конвейера: крутящий момент передается с вала асинхронного электродвигателя 1 на малый шкив ремённой передачи 2. С помощью ремня момент передаётся на большой шкив 3, а оттуда на червяк 5. Червяк входит в зацепление с червячным колесом 4, которое передаёт момент через муфту 6 на звездочки цепной передачи 8 и 9.

1. Выбор электродвигателя и кинематический расчет


Цель: Выбрать электродвигатель и выполнить кинематический расчёт привода цепного конвейера.

Исходные данные: см. "Техническое задание".

Для выбора двигателя необходимо знать мощность и частоту вращения на выходном валу.

)        Мощность на приводном валуРIII, кВт:

 

РIII = Ft·υ; (1.1)

где Ft - окружное усилие, кН; υ - скорость вращения вала, м/с.

 

РIII =45·103·0,4=18 кВт.

) Частота вращения приводного валаnIV, об/мин, не заданная в явном виде, может быть определена по формуле

 

nIII= 60·103·υ / (zpц); (1.2)

где z - число зубьев звездочки тяговой цепи; pц-шаг тяговой цепи, мм; число 60 осуществляет перевод минут в секунды, 103 - миллиметры в метры.

 

nIII=60·103· 0,4 / (11·80) =27,27об/мин.

) Общий КПД привода равен:

 

η=η1η2ηм; (1.3)

где η1-КПД клиноремённой передачи,η1=0,95; η2-КПД червячной передачи, η2=0,77; ηм - КПД муфты, ηм= 0,98. Значения КПД отдельных ступеней с учетом потерь на трение в подшипниках приведены в [1]. Выбранный электродвигатель должен иметь номинальную по каталогу мощность Рэд, ближайшую большую потребной Р. Допускается перегрузка не более 5%. Следует помнить, что элементы привода рассчитывают не по номинальной мощности двигателя Рэд, а по потребной мощности Р, которую он фактически будет развивать при установившемся режиме.

 

η= 0,95·0,77·0,98=0,72.

) Потребную мощность двигателя определяют с учетом потерь во всех звеньях кинематической цепи P, кВт:

 

P = РIII/η; (1.4)

P = 18/0,72=25кВт.

) Ориентировочное общее передаточное отношение привода u, определяется как произведение передаточных отношений отдельных ступеней по формуле:

u = u1 u2; (1.5)

где u1 - передаточное отношение клиноремённой передачи, u1= 3; u2 - передаточное отношение червячной передачи, u2= 18;

 

u =3·18= 54.

) Потребная частота вращенияn, об/мин по формуле

 

n = nIIIu; (1.6)

n = 27,27·54 = 1473об/мин.

) Выбор электродвигателя. В соответствии с потребными мощностью и частотой вращения принят электродвигатель АИР180M4 [1]. Его паспортные данные: номинальная мощность: Pэд = 30 кВт; номинальная частота вращения nэд = 1470 об/мин; диаметр вала dэд = 55 мм.

) Уточнённое передаточное отношение uнаходится по формуле:

 

u =nэд/nIII; (1.7)

u =1470/27,27=53,9.

Рассчитанное передаточное отношение меньше ориентировочного. Оставлено без изменения u2 = 18; уточнено предварительно принятое передаточное отношение ремённой передачи по формуле

 

u2 = u/u1; (1.8)

u =53,9/18=2,995 = 3.

) Мощности на валах, кВт по формуле

 

PI=1; PII= PIη2; PIII=PIIηм; (1.9)

PI=25 ∙ 0,95 = 23,75кВт;

PII=23,75·0,77=18,3кВт;

PIII=18,3 · 0,98=18кВт;

) Частоты вращения валов, об/мин:

 

nI=n/ u1; nII=nIII=nI/ u2; (1.10)

nI= 1470/3 = 490об/мин;

nII=490/18=27,22 об/мин;

) Вращающие моменты на валах, Н·м:

 

TI =9550PI/nI; TII = 9550PII/nII; TIII= 9550PIII/nIII (1.11)

Т = 9550 ∙ 25/1470 = 162,4 Н∙м

TI =9550·23,75/490=462,9Н·м;

TII =9550·18,3/27,22= 6420,5Н·м;

TIII=9550·18 /27,22 = 6315,2Н·м;

Анализ расчётов.

. Окончательно принятые передаточные отношения находятся в рекомендуемых пределах.

. Рассчитанные значения nIII и PIII в пунктах 9 и 10 соответствуют заданным.

привод цепной конвейер подшипник

2. Расчёт клиноремённой передачи


Цель: рассчитать параметры клиноремённой передачи

Исходные данные:

Мощность на ведущем валу Pэд = 25 кВт.

Частоты вращения валов: nэд= 1470 об/мин, n1 = 490об/мин.

Передаточное отношение u1 = 3.

Вращающие моменты на валах: Т = 162,4 Н∙м, Т1 = 462,9Н·м.

Работа двухсменная, передача горизонтальная.

По номограмме [2] выбрано сечение клинового ремня B. Его характеристики: d1 = 200мм, lp = 1,9, W = 22мм, То = 13,5, А = 230 мм2.

Диаметр большого шкива d2, мм:

d2 = d1u (1 - ε), (2.1)

где ε - относительное скольжение ремня, ε = 0,01.

d2 = 200 ∙ 3 ∙ (1 - 0,01) = 594 мм

Принят диаметр ведомого шкива, равный 560 мм по ГОСТ 1783-73.

Уточнённое передаточное отношение u:

u = d2/ (d1 (1 - ε)) = 560/ (200 ∙ (1 - 0,01)) = 2,83. (2.2)

Межосевое расстояние назначается предварительно из интервала amin ≤ a≤amax.

amin = 0,55 (d1 + d2) + To = 0,55 ∙ (200 + 560) + 13,5 = 431,5мм. (2.3)

amax = d1 + d2 = 200 + 560 = 760 мм. (2.4)

Принято межосевое расстояние 500 мм.

Длина ремня L, мм:

L= 2а + 0,5π (d1 + d2) + (d2-d1) 2/ (4а) = 2 ∙ 500 + 0,5 ∙ 3,14 ∙ (200 + 560) + (560 - 200) 2/ (4 ∙ 500) = 2258 мм

Принята длина ремня Lp = 2240 мм по ГОСТ 1284.1 - 80.

Уточнённое межосевое расстояние а, мм:

а = 0,25 [ (Lp - w) + ( (Lp - w) 2 - 2y) (1/2)], (2.6)

где w = 0,5π (d1 + d2) = 0,5 ∙ 3,14 ∙ (200 + 560) = 1193мм; y = (d2-d1) 2 = (560 - 200) 2 = 129600мм.

a = 0,25 ∙ [ (2240 - 1193) + ( (2240 - 1193) 2 - 2 ∙ 129600) (1/2)] = 490,5мм.

Угол обхвата меньшего шкива α1:

α1 = 180о - 57 ( (d2-d1) / а) = 180о - 57 ∙ ( (560 - 200) / 490,5) = 138о. (2.7)

Необходимое для передачи необходимой мощности число ремней z:

z = (PCp) / (PoCLCαCz), (2.8)

где Ср - коэффициент режима работы, Ср = 1,2,Ро - мощность, кВт, допускаемая одним ремнём, Ро = 8,23 кВт, CL-коэффициент, учитывающий влияние длины ремня, CL = 0,91, Сα - коэффициент угла обхвата, Сα = 0,89, Сz-коэффициент, учитывающий число ремней в передаче, Сz = 0,9.

z = (25 ∙ 1,2) / (8,23 ∙ 0,91 ∙ 0,89 ∙ 0,9) = 5

Принято число ремней равным 5.

Предварительное натяжение ветви клинового ремня Fo, Н:

Fo = ( (850РСрСL) / (zυCα)) + θυ2, (2.9)

где θ - коэффициент, учитывающий центробежную силу, θ = 0,3 (Н∙с2) /м2; υ - скорость, м/с.

υ = (πd1n1) / 60000 = (3,14 ∙ 200 ∙ 1470) / 60000 = 15,4 м/с. (2.10)o = ( (850 ∙ 25 ∙ 1,2 ∙ 0,91) / (5 ∙ 15,4 ∙ 0,89) + 0,3 ∙ 15,42 = 410 Н

Сила, действующая на валы Fв, Н:

Fв = 2Fоzsin (α/2) = 2 ∙ 410 ∙ 5 ∙ sin69o = 3828H. (2.11)

Рабочий ресурс ремней Но, ч:

Но = ( (σ-1/σmax) 8 ∙ 107υп) / (3600 (υ / Lp) z), (2.12)

гдеσ-1 - предел выносливости для клиновых ремней, σ-1 = 7 МПа; σmax - максимальное напряжение в сечении ремня;

σmax = σ1 + σи + συ, (2.13)

где σ1 - напряжение от растяжения, σи - напряжение от изгиба, συ - напряжение от центробежной силы.

σ1 = F1/A, (2.14)

где F1 - натяжение ведущей ветви, Н.

F1 = F0 + 0,5Ft, (2.15)

где Ft - окружное усилие, действующее в передаче, Н.

Ft = 2Т / d1 = 2 ∙ 162,4 ∙ 103/200 = 1624 H. (2.16)

F1 = 410 + 0,5 ∙ 1624 = 1222 H.

σ1 = 1222/230 = 5,3МПа

σи = Еиδ / d1, (2.17)

где Еи - модуль упругости, Еи = 200 МПа; δ - толщина ремня, δ = 0,03d1 = 0,03 ∙ 200 = 6 мм.

σи = 200 ∙ 6/200 = 6 МПа

συ = ρυ2∙10-6, (2.18)

где ρ - плотность ремня, ρ = 1200 кг/м3.

συ = 1200 ∙ 15,42 ∙ 10-6 = 0,28 МПа

σmax = 5,3 + 6 + 0,28 = 11,6 МПа

Но = ( (7/11,6) 8 ∙ 107 ∙ 2) / (3600 ∙ (15,4/2240) ∙ 5) = 2842ч.

3. Расчёт червячной передачи

Цель: Вычислить геометрические данные червячной передачи.

Исходные данные:

Момент на ведомом валу Т2 = 6420,5 Н∙м.

Частота вращения ведомого вала n2 = 27,22 об/мин.

Передаточное отношение u2 = 18.

Передача нереверсивная, материал венца колеса БрА9ЖЗЛ, ресурсtΣ = 16000 ч.

Тип червяка - Архимедов.

Рисунок 3.1 - Кинематическая схема червячной передачи

Скорость скольжения υs, м/с:

υs = (4n1/104) T (1/3).

Для венца червячного колеса принята безоловянистая бронза БрА9Ж3Л, отливка в кокиль, со следующими характеристиками: допускаемые изгибные напряжения [σ0F] ’ = 85 МПа, предел прочности [σВ] = 490 МПа, предел текучести [σТ] = 236 МПа.

Допускаемые контактные напряжения [σН] ’, МПа:

Н] ’ = 300 - 25υs (3.1)

Для червяка принята сталь 40Х.

Число циклов нагружения вала колеса N:

N = 60n2tΣ (3.2)

Коэффициент долговечности по контактной выносливости KHL:

KHL = (107/N) (1/8) (3.3)

В расчётах принимают значения, находящиеся в пределах

,63 ≤KHL≤ 1,15 (3.4)

Коэффициент долговечности поизгибу KFL:

KFL = (106/N) (1/9) (3.5)

Для передач машинного привода он должен находиться в пределах

,543 ≤ KFL ≤ 1 (3.6)

Допускаемое контактное напряжения [σН], МПа:

Н] = [σН] ’KHL. (3.7)

Допускаемое изгибное напряжение [σ0F], МПа:

0F] = [σ0F] ’KFL (3.8)

Принята 7-я степень точности. Коэффициенты: концентрации нагрузки KНβ = 1; динамической нагрузки Ku= 1,2.

Межосевое расстояние из расчёта по контактным напряжениям aw, мм:

aw = 61 ( (Т2KН) / [σН] 2) (1/3) (3.9)

Делительный диаметр червяка d1, мм:

d1 = mq, (3.10)

где q - коэффициент диаметра червяка.

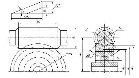
Рисунок 3.2 - Червячное зацепление

q = z2/4 (3.11)

m = 2a / (z2 + q) (3.12)

где а - делительное межосевое расстояние.

а = 0,5m (z2 + q). (3.13)

Коэффициент смещения инструмента х2:

х2 = (аw - а) / m. (3.14)

Начальный диаметр червяка dw1, мм:

dw1 = (q + 2x2) m. (3.15)

Диаметр вершин колеса da2, мм:

da2 = m (z2 + 2 + 2x2). (3.16)

Диаметр впадин колеса df2, мм:

df2 = m (z2 - 2,4 + 2x2). (3.17)

Начальный угол подъёма винтовой линии yw:

γw = arctg (z1/ (q+ 2x2)) (3.18)

Делительный угол подъёма винтовой линии y:

γ = arctg (z1/q). (3.19)

Делительный диаметр колеса d2, мм:

d2 = mz2. (3.20)

Максимальный диаметр колеса dам2, мм:

dам2 = da2 + 6m / (z1 + 2). (3.21)

Диаметр вершин червяка da1, мм:

da1 = m (q + 2). (3.22)

Диаметр впадин червяка df1, мм:

df1 = m (q - 2,4). (3.23)

Длина нарезной части червяка b1, мм:

b1 = (11 + 0,06z2) m. (3.24)

Ширина венца колесаb2, мм: b2 = 0,75da1 (3.25)

Угол обхвата червяка:

2δ = 2b2/ (da1 - 0,5m). (3.26)

Рабочее контактное напряжение σН, МПа:

σН = (475/d2) (T2KH / dw1) (1/2) ≤ [σН]. (3.27)

Окружное усилие на червяке, равное осевому усилию на колесе Ft1 = Fa2, H:

Ft1 = Fa2 = 2T1/d1. (3.28)

Окружное усилие на колесе, равное осевому усилию на червякеFt2 = Fa1, H:

Ft2 = Fa1 = 2T2/d2. (3.29)

Радиальное усилие Fr, H:

Fr = Ft2tgα / cosγw. (3.30)

Эквивалентное число зубьев колесаzv2:

zv2 = z2/cos3γw. (3.31)

Рабочее изгибное напряжение σ0F, МПа: