Таблица 3.1.3 - Перечень элементов
|
Позиционное обозначение |
Наименование |
Количество |
Примечание |
|
U1-U6 |
ИМС 74198 |
6 |
Регистр |
|
U7 |
ИМС 74LS138 |
1 |
Дешифратор |
|
U8 |
ИМС 74393 |
1 |
Счетчик |
Рисунок 3.1.2 -Схема устройства параллельного
ввода слов в регистры
3.2 Расчет времени
ввода слов в регистр
Время ввода слов в регистры определяется как произведение периода повторения импульсов ввода на число регистров в устройстве (m=5).
Период повторения импульсов:
Время ввода всех N=6 слов за один цикл при этом
равно
. Запоминающее
устройство на ИМС оперативных ОЗУ
Запоминающее устройство (ЗУ) выполняется на промышленной ИМС ОЗУ К531РУ8. Это статическое ОЗУ на 4 бита, имеет четыре информационных (инверсных) и четыре адресных входа, то есть может записывать четырехразрядные двоичные числа по шестнадцати адресам. Чтение осуществляется при подаче на вход R/W сигнала высокого уровня, запись - при подаче низкого уровня. Исполнительный сигнал ИМС K531PY8 - сигнал CS, он подается в виде логического нуля последним - при записи или чтении каждого слова.
Приступаем к синтезу модуля ЗУ. По заданию нужно записать 70 слов по 4 разрядов в каждом. Поскольку в ИМС К531РУ8 четыре информационных входа, один модуль будет состоять одного ИМС.
В один модуль можно записать только шестнадцать слов. Для записи 70 слов нам нужно использовать [70/16]=4 модуля.
Число адресных сигналов
определяется по формуле:
Четыре младших разряда подаются на адресные
входы всех модулей, а два старших - на управляющий дешифратор, с помощью
которого выбирается модуль для записи или чтения.
Рисунок 4.1.1 - Структурная схема запоминающего
устройства на ОЗУ К531РУ8
Таблица 4.1.1 - Таблица истинности
|
1 |
2 |
3 |
4 |
5 |
||||
|
Комбинации на адресных входах |
№ ячейки в модуле |
Номер модуля |
№ ячейки в общей нумерации |
|||||
|
B,A |
А3 А2 А1 А0 |
|
|
|
||||
|
000 |
0000 |
0 |
0 |
0 |
||||
|
|
0001 |
1 |
|
1 |
||||
|
|
0010 |
2 |
|
2 |
||||
|
|
0011 |
3 |
|
3 |
||||
|
|
0100 |
4 |
|
4 |
||||
|
|
0101 |
5 |
|
5 |
||||
|
|
0110 |
6 |
|
6 |
||||
|
|
0111 |
7 |
|
7 |
||||
|
|
1000 |
8 |
|
8 |
||||
|
|
1001 |
9 |
|
9 |
||||
|
|
1010 |
10 |
|
10 |
||||
|
|
1011 |
11 |
|
11 |
||||
|
|
1100 |
12 |
|
12 |
||||
|
|
1101 |
13 |
|
13 |
||||
|
|
1110 |
14 |
|
14 |
||||
|
|
1111 |
15 |
|
15 |
||||
|
001 |
0000 |
0 |
1 |
16 |
||||
|
|
0001 |
1 |
|
17 |
||||
|
|
0010 |
2 |
|
18 |
||||
|
|
0011 |
3 |
|
19 |
||||
|
|
0100 |
4 |
|
20 |
||||
|
|
0101 |
5 |
|
21 |
||||
|
|
0110 |
6 |
|
22 |
||||
|
|
0111 |
7 |
|
23 |
||||
|
|
1000 |
8 |
|
24 |
||||
|
|
1001 |
9 |
|
25 |
||||
|
|
1010 |
10 |
|
26 |
||||
|
|
1011 |
11 |
|
27 |
||||
|
|
1100 |
12 |
|
28 |
||||
|
|
1101 |
13 |
|
29 |
||||
|
|
1110 |
14 |
|
30 |
||||
|
|
1111 |
15 |
|
31 |
||||
|
010 |
0000 |
0 |
2 |
32 |
||||
|
|
0001 |
1 |
|
33 |
||||
|
|
0010 |
2 |
|
34 |
||||
|
|
0011 |
3 |
|
35 |
||||
|
|
0100 |
4 |
|
36 |
||||
|
|
0101 |
5 |
|
37 |
||||
|
|
0110 |
6 |
|
38 |
||||
|
|
0111 |
7 |
|
39 |
||||
|
|
1000 |
8 |
|
40 |
||||
|
|
1001 |
9 |
|
41 |
||||
|
|
1010 |
10 |
|
42 |
||||
|
|
1011 |
11 |
|
43 |
||||
|
|
1100 |
12 |
|
44 |
||||
|
|
1101 |
13 |
|
45 |
||||
|
|
1110 |
14 |
|
46 |
||||
|
|
1111 |
15 |
|
47 |
||||
|
011 |
0000 |
0 |
3 |
48 |
||||
|
|
0001 |
1 |
|
49 |
||||
|
|
0010 |
2 |
|
50 |
||||
|
|
0011 |
3 |
|
51 |
||||
|
|
0100 |
4 |
|
52 |
||||
|
|
0101 |
5 |
|
53 |
||||
|
|
0110 |
6 |
|
54 |
||||
|
|
0111 |
7 |
|
55 |
||||
|
|
2 |
3 |
4 |
5 |
||||
|
|
1000 |
8 |
|
56 |
||||
|
|
1001 |
9 |
|
57 |
||||
|
|
1010 |
10 |
|
58 |
||||
|
|
1011 |
11 |
|
59 |
||||
|
|
1100 |
12 |
|
60 |
||||
|
|
1101 |
13 |
|
61 |
||||
|
|
1110 |
14 |
|
62 |
15 |
|
63 |
|
|
100 |
0000 |
0 |
5 |
64 |
||||
|
|
0001 |
1 |
|
65 |
||||
|
|
0010 |
2 |
|
66 |
||||
|
|
0011 |
3 |
|
67 |
||||
|
|
0100 |
4 |
|
68 |
||||
|
|
0101 |
5 |
|
69 |
||||
|
|
0110 |
6 |
|
70 |
||||
Таблица 4.2 - Перечень элементов
|
Позиционное обозначение |
Наименование |
Количество |
Примечание |
|
U1-U4 |
74LS89 |
4 |
ОЗУ |
|
U16 |
74154 |
1 |
Дешифратор |
. Ждущий мультивибратор
.1 Расчет автогенератора
Исходные данные:
Частота автогенератора fаг=128 кГц ;
Период
повторения пусковых импульсов Тпов=4,8 мс .
Рисунок 5.1.1 - Структурная схема автогенератора ПИ с одним
конденсатором
Период автоколебаний:
Длительность импульса на первом выходе
автогенератора:
Длительность фронта первого импульса:
Длительность импульса на втором выходе
автогенератора:
Амплитуда импульсов на обоих выходах
автогенератора
Монтажная нагрузочная емкость
При длительности фронта первого импульса
=
можно использовать ИМС логических элементов серии 133, К155. Электрические
параметры ИМС выбранной серии:
Таблица 5.1.1 - Электрические параметры ИМС серии 133, К155
Средняя задержка микросхемы равна:
Длительность фронта импульсов автогенератора:
Сравниваем полученное и заданное значения. Условие tф< tф1 выполняется, выбор инверторов произведен правильно.
Определяем величину входного сопротивления
логического нуля выбранных ИМС:
где Е=5В - напряжение питания ИМС.
Сопротивление навесного резистора
автогенератора:
Где Uпор=1,5В
Из ряда номиналов резисторов и конденсаторов Е24 выбираем номинал резистора R1 = 1300 Ом.
Определяем величины скачков по фронтам импульсов:
Первого импульса
Второго импульса
Где rд=100 Ом - сопротивление открытого диода, встроенного в ИМС.
Находим промежуточную расчетную величину:
Находим емкость конденсатора:
Из ряда номиналов резисторов и конденсаторов Е24
выбираем номинал резистора
Проверяем правильность выбора резистора R1 и конденсатора C1:
Находим время разряда C1 через выходную цепь элемента в состоянии «0»
и открытый
встроенный диод (rД=100 Ом)
Определяем время, отводимое для перезаряда С1
входными и выходными токами первого логического элемента автогенератора:
Эквивалентная постоянная времени перезаряда
равна:
Находим реальное время, необходимое для
перезаряда С1 указанными токами:
где напряжение открывания диода Uдо=0,6B
Сравниваем величины z и y - они должны отличаться в пределах 10%:
Требуемое условие не выполняется, в этом случаи
уменьшим номинал выбранного резистора, пусть R1
= 510 Ом.
Из ряда номиналов резисторов и конденсаторов Е24
выбираем номинал резистора
Теперь условие выполняется, значит, выбранные номиналы R1 = 510 Ом
, подойдут.
5.2 Расчет делителя
частоты
Коэффициент деления частоты:
Разобьем КДЧ на простые сомножители:
В этой формуле
−
коэффициенты деления частоты каскадов делителя частоты, в роли которых
выступают ИМС счетчиков:
К555ИЕ2 (SN74LS90) - для
=
10 либо
=
5
К155ИЕ4 (SN74LS92) - для,
=
12 либо
=
6
К555ИЕ5 (SN74LS93) - для
=
16 либо
=
4,
=
8
Тогда ДЧ будет состоять из двух микросхем К155ИЕ4 (SN74LS92)и трех микросхем К555ИЕ2 (SN74LS90).
Микросхема
К155ИЕ4 - четырехразрядный двоичный счетчик-делитель на 2, на 6 и на 12.
Счетчик состоит из двух независимых делителей. Если тактовая последовательность
с частотой f подана на вход
(вывод 14), на
выходе Q0 (вывод 12) получим меандр с частотой f/2. Последовательность с частотой f на тактовом
входе
(вывод 1) запускает делитель
на 6, и меандр с частотой f/6 появляется на выходе Q3 (вывод 8). На
выводы
R1 и R2
подаются команды сброса. Чтобы построить
счетчик с модулем деления 12, требуется соединить делители на 2 и на 6, замкнув выводы 12 и 1. На
вход
подается
входная частота f, на выходе Q3 получается последовательность симметричных прямоугольных импульсов с частотой f/12.
Микросхема К555ИЕ2 представляет
собой счетчик-делитель на 2, на 5 и на 10. Каждая ИС состоит из четырех
JK-триггеров. Для получения делителя на 10 выход Q0 соединяется с входом
.
Микросхема
К555ИЕ5 представляет
собой счетчик-делитель на 2, на 8 и на 16. Для получения делителя на 16 выход
Q0 соединяют с входом
.
Диаграмма выходного сигнала ДЧ представляет
собой последовательность прямоугольных импульсов, период повторения которых
равен периоду пусковых импульсов.
Рисунок 5.2.1 - Диаграммы напряжений сигнала и
выходных сигналов ДЧ, использующих в последнем каскаде указанные ИМС счетчиков
5.3 Расчет
формирователя коротких пусковых импульсов
Для запуска ждущего генератора ПИ требуются
короткие пусковые импульсы, длительность которых не меньше, чем (3 ÷
5)tз.ср.
Поэтому на основе импульсов, полученных делителем частоты, нужно получить
пусковые.
Рисунок 5.3.1 - Структурная схема формирователя
коротких пусковых импульсов
Исходные данные для расчета:
Длительность выходного импульса: tи вых=0,5 мкс
Длительность входного импульса:tи вх=0,67 мкс
Период повторения выходных импульсов:Твх=Тпуск=15 мс
Требуемая длительность фронта выходных
(пусковых) импульсов:
Для формирователя можно использовать логические
элементы той же серии, что и для автогенератора ПИ (серии 133, К155). Поскольку
элементы выбраны той же серии, то
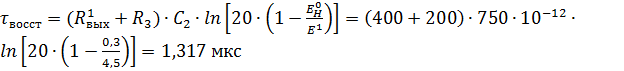
Сопротивление R3 находится как:
Где
Из ряда E24 выбираем
Определяем емкость конденсатора:
где
;
.
В соответствии с рядом E24 выберем
Определяем время восстановления напряжения на
конденсаторе:
Проверим условие восстановления
Так как условие выполняется, то выбранные
номиналы
,
подойдут.
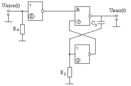
5.4 Расчет ждущего
генератора ПИ
Рисунок 5.4.1 - Структурная схема ждущего
генератора ПИ
Элементы дополнительный (Д) и второй - инверторы, первый логический элемент выполняет функцию 2И-НЕ.
Исходные данные:
Период повторения пусковых импульсов:
;
Длительность выходных импульсов:
;
Амплитуда выходных импульсов:
.
Требуемую длительность фронта выходных
импульсов:
При такой длительности фронта можно использовать
ИМС серии 134, К158
Таблица 5.4.1 - Электрические параметры ИМС серии 134, К158
|
|
|
|
|
|
|
|
|
0,18 |
12 |
800 |
30 |
2 |
100 |
100 |
Определяем величину входного сопротивления
логического нуля выбранных ИМС: