ВВЕДЕНИЕ
С внедрением в промышленность цифровых
технологий появилась возможность строить устройства обработки оцифрованных
сигналов вычислительным методом. Такой способ обладает рядом важных
преимуществ, таких как повышенная точность обработки, меньшая зависимость
параметров от внешних условий, а также возможность реализации таких
обрабатывающих устройств, которые невозможно или трудно было реализовать в
аналоговом виде. Одни из наиболее распространенных узлов цифровых схем -
дешифраторы. Навыки создания дешифраторов необходимы при разработке практически
любого цифрового устройства.
1. Устройство
дешифрации кодов
.1 Описание
дешифратора и структурная схема устройства
Целью задачи является синтез устройства дешифрации кодов двоичных чисел, имеющего «к=7» входов и «I=70» выходов, используя стандартные промышленные ИМС К155ИД3, .
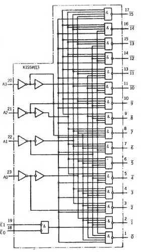
К155ИД3 - двойной высокоскоростной дешифратор. Каждый из дешифраторов микросхемы (рис 1.1.1) имеет 2 адресных входа А0-А1 и вход разрешения Е. Избыточные коды дают на всех выходах высокий уровень. Выходы 0-3 взаимоисключающие, их активные выходные уровни - низкие. Активный уровень для входа Е- низкий.
Состояния выходов дешифратора показаны в таблице
1.1.1
Таблица 1.1.1 - Состояния выходов дешифратора 74LS154
где Н - низкий уровень, В -
высокий уровень.
Структурно-логическая схема дешифратора показана
на рисунке 1.1.1
Рисунок 1.1.1 - Структурно-логическая схема ИМС К155ИД3
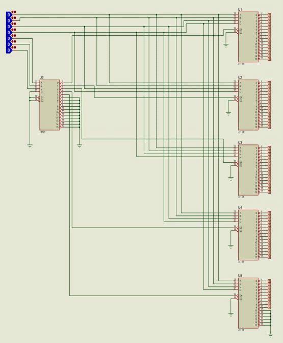
Поскольку число входов устройства k=4, то четыре старших разряда подаются на первую ступень, которая состоит из одного дешифратора К555ИД6. Его выходы соединяются с входами А3 каждого дешифратора второй ступени для управления ими. Так как по заданию число выходов устройства I=70, то необходимо использовать 5 дешифраторов для второй ступени. Четыре младших разряда подаются на адресные входы этих дешифраторов.
Зарубежным аналогом К531ИД14 является ИМС 74LS154.
Таблица 1.1.2 - Таблица дешифрации
|
X0 |
X1 |
X2 |
X3 |
Выход |
X0 |
X1 |
X2 |
X3 |
Выход |
|
0 |
0 |
0 |
0 |
0 |
0 |
1 |
1 |
1 |
7 |
|
0 |
0 |
0 |
1 |
1 |
1 |
0 |
0 |
0 |
8 |
|
0 |
0 |
1 |
0 |
2 |
1 |
0 |
0 |
1 |
9 |
|
0 |
0 |
1 |
1 |
3 |
1 |
0 |
1 |
0 |
10 |
|
0 |
1 |
0 |
0 |
4 |
1 |
0 |
1 |
1 |
11 |
|
0 |
1 |
0 |
1 |
5 |
1 |
1 |
0 |
0 |
12 |
|
0 |
1 |
1 |
0 |
6 |
1 |
1 |
0 |
1 |
13 |
|
|
|
|
|
|
1 |
1 |
1 |
0 |
14 |
Рисунок 1.1.2 - Структурная схема устройства
дешифрации кодов
.2 Расчет
потребляемой мощности и времени задержки
По рисунку 1.1 определим общее число логических элементов, входящих в дешифратор, - N=25. Средняя мощность потерь одного логического элемента - Pср.пот.=10 мВт [2]. Энергопотребление одного дешифратора равно:
Так как устройство состоит из пяти дешифраторов,
то общее энергопотребление равно:
Определяем число элементов, участвующих в
распознавании одного любого слова, оно равно К=3. Находим время задержки:
Так как наше устройство двухступенчатое, то
общее время задержки передачи сигнала по одному каналу равно:
Таблица 1.2.1 - Перечень элементов
|
Позиционное обозначение |
Наименование |
Количество |
Примечание |
|
U1;U2;U3; U4;U5 ;U6 |
ИМС К155ИД3 |
6 |
Дешифратор |
2. Коммутатор параллельных
кодов
.1 Описание
мультиплексора и структурная схема устройства
Коммутатор параллельных входов получает заданное
число слов, каждое из которых состоит из заданного количества разрядов. По
заданию число слов - 4, количество разрядов в слове - 8. Следовательно, общее
число входных бит 4*8=32. Количество адресных сигналов будет равно:
Из справочника [1] выбираем ИМС мультиплексора
К155КП1, который имеет 4 адресных входа и 16 информационных входов. Также
имеется вход разрешения, при подаче на который низкого уровня коммутации
разрешены. Этот мультиплексор позволяет передать на выход сигнал с входа, номер
которого подается на адресные входы.
Таблица 2.1.1 - Состояния выходов ИМС К155КП1
|
Входы |
Выходы W |
||||
|
Информационные входы |
Разрешения S |
|
|||
|
D |
C |
B |
A |
|
|
|
X |
X |
X |
X |
H |
H |
|
L |
L |
L |
L |
L |
E0 |
|
L |
L |
L |
H |
L |
E1 |
|
L |
L |
H |
L |
L |
E2 |
|
L |
L |
H |
H |
L |
E3 |
|
L |
H |
L |
L |
L |
E4 |
|
L |
H |
L |
H |
L |
E5 |
|
L |
H |
H |
L |
L |
E6 |
|
L |
H |
H |
H |
L |
E7 |
|
H |
L |
L |
L |
L |
E8 |
|
H |
L |
L |
H |
L |
E9 |
|
H |
L |
H |
L |
L |
E10 |
|
H |
L |
H |
H |
L |
E11 |
|
H |
H |
L |
L |
L |
E12 |
|
H |
H |
L |
H |
L |
E13 |
|
H |
H |
H |
L |
L |
E14 |
|
H |
H |
H |
H |
L |
E15 |
Количество мультиплексоров соответствует
количеству разрядов в слове. На входы каждого мультиплексора подается по одному
разряду из каждого слова, номер разряда соответствует номеру мультиплексора, а
номер входа мультиплексора соответствует номеру слова. Таким образом, при
подаче какого-либо числа на адресные входы мультиплексоров на выходе будем
иметь слово, номер которого соответствует этому числу.
Рисунок 2.1.1 - Структурно-логическая схема мультиплексора К155КП1
дешифратор мультивибратор коммутатор код
Таблица 2.1.2 - Таблица коммутации
|
A0 |
А1 |
А2 |
А3 |
Источник слов |
|
0 |
0 |
0 |
0 |
0 |
|
0 |
0 |
0 |
1 |
1 |
|
0 |
0 |
1 |
0 |
2 |
|
0 |
0 |
1 |
1 |
3 |
|
0 |
1 |
0 |
0 |
4 |
|
0 |
1 |
0 |
1 |
5 |
|
0 |
1 |
1 |
0 |
6 |
|
0 |
1 |
1 |
1 |
7 |
|
1 |
0 |
0 |
0 |
8 |
Рисунок 2.1.2 - Структурная схема коммутатора
параллельных кодов
Таблица 2.1.3 - Перечень элементов
|
Позиционное обозначение |
Наименование |
Количество |
Примечание |
|
U1-U4 |
ИМС К155КП1 |
4 |
Мультиплексор |
2.2 Расчет потребляемой
мощности и времени задержки
По структурно-логической схеме
мультиплексора К155КП1 определяем число логических элементов, входящих в состав
стандартного мультиплексора, - N=25.
Средняя потребляемая мощность одним элементом Pпот.ср
=
22 мВт. Энергопотребление одного мультиплексора равно:
В схеме используется М=5
стандартных мультиплексоров К155КП1. Общее энергопотребление всего устройства
равно:
Расчет времени задержки осуществляется для передачи одного слова со входа коммутатора на выход для одной ИМС мультиплексора, так как все ИМС работают во времени одновременно (параллельно). Считается, что входные слова и стробирующие сигналы поданы на устройства заранее, а искомая задержка определяется относительно момента подачи адресных сигналов.
Средняя величина временной
задержки элемента равна:
По структурно-логической схеме К155КП1 определяем количество логических элементов, участвующих в прохождении сигнала, - К1 =4.
Задержка передачи сигнала
стандартным мультиплексором равна:
3.
Устройство параллельного ввода слов в
регистры
.1 Описание регистра
и структурная схема устройства
Устройство параллельного ввода в регистр состоит из информационной части (регистры) и управляющей (счетчик, дешифратор). Счетчик считает слова и отправляет номер этого слова в дешифратор, который по этой комбинации выбирает регистр для записи слова.
По заданию необходимо записать шесть слов, каждое из которых состоит из семи разрядов, с частотой 900 кГц.
Для записи всех слов необходимо использовать 5
регистров, способных принять не менее 12 разрядов. Для записи слов выберем
регистры марки 74198
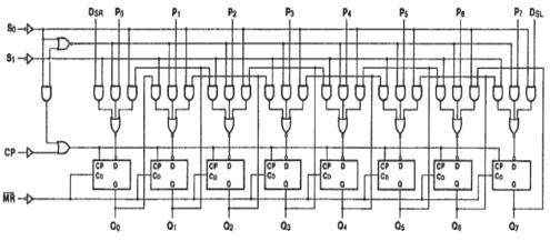
Рисунок 3.1 - Микросхема 74198
P0, P1, … ,P7; − параллельные информационные входы;
Q0, Q1, … ,Q7; − выходы триггеров регистра;
DSR − последовательный информационный вход (сдвиг разрядов вправо);
DSL − последовательный информационный вход (сдвиг разрядов влево);
S0, S1 − входы выбора режима загрузки данных;
CP − вход для подачи тактовых импульсов;
− Master
reset (очистка регистра).
Напряжение питания микросхемы составляет GHH =
+5В. Регистр имеет 8 D-триггеров, выполненных по схеме ТТЛ. Вход CP
−
динамический (управление происходит по положительному фронту). При загрузке
данных через DSL
смещение разрядов происходит справа налево, т.е. самый младший разряд
загружаемого слова будет на выходе Q0,
а самый старший - на выходе Q7.
При загрузке через вход DSR
−
наоборот. Записать данные в триггеры можно одновременно через входы P0,
P1,
… ,P7.
Рисунок 3.2 - Структура микросхемы 74198
При подаче на
лог.0
происходит очистка регистра, т.е. на все выхода будет лог.0 (таблица 3.1).
Когда S0
= 0 и S1
= 0 регистр хранит записанную информацию.
Таблица 3.1.1 - Выбор режима загрузки данных
|
Входы |
Функция |
|||||||
|
MR |
CLK |
S0 |
S1 |
|
||||
|
0 |
X |
X |
X |
Асинхронный сброс |
||||
|
1 |
|
1 |
1 |
Параллельная нагрузка |
|
0 |
1 |
Сдвиг вправо |
|
1 |
|
1 |
0 |
Сдвиг влево |
||||
|
1 |
X |
0 |
0 |
Хранение данных |
||||
При S0 = 1 и S1 = 1, а также по фронту на CP, в регистр загружаются данные с входов P0, P1, … ,P7. Когда S0 = 0, а S1 = 1 будет происходить запись с последовательного входа DSR. По первому положительному фронту на CP происходит сдвиг, и состояние на входе DSR передастся в триггер с выходом Q0. По второму фронту состояние этого триггера передастся триггеру с выходом Q1, а вQ0 запишется новое состояние входа DSR и т.д. Аналогично вводятся данные с входа DSL при S0 = 1, а S1 = 0, только в этом случае сдвиг будет происходить в обратную сторону.
В качестве счетчика выбираем микросхему 7490,
обладающую четырехразрядным выходом. Входы синхронного сброса RI и R2
(двухвходовой элемент И) запрещают действие импульсов по обоим тактовым входам
и входам установки S. Импульс, поданный на вход R, дает сброс данных по всем
триггерам одновременно.
Таблица 3.1.2 - Режим работы счётчика 7490
|
Счет |
Выход |
|||
|
|
Q3 |
Q2 |
Q1 |
Q0 |
|
0 |
0 |
0 |
0 |
0 |
|
1 |
0 |
0 |
0 |
1 |
|
2 |
0 |
0 |
1 |
0 |
|
3 |
0 |
0 |
1 |
1 |
|
4 |
0 |
1 |
0 |
0 |
|
5 |
0 |
1 |
0 |
1 |
|
6 |
0 |
1 |
1 |
0 |
|
7 |
0 |
1 |
1 |
1 |
|
8 |
1 |
0 |
0 |
0 |
|
9 |
1 |
0 |
0 |
1 |
|
10 |
1 |
0 |
1 |
0 |
|
11 |
1 |
0 |
1 |
1 |
|
12 |
1 |
1 |
0 |
0 |
|
13 |
1 |
1 |
0 |
1 |
|
14 |
1 |
1 |
1 |
0 |
|
15 |
1 |
1 |
1 |
1 |