Материал: Проектирование детектора природного газа

Внимание! Если размещение файла нарушает Ваши авторские права, то обязательно сообщите нам

Таблица 3.1

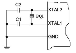
Соотношение частоты кварца и скорости обмена данных


Таким образом, для обеспечения нормального функционирования нашего отладчика, выбираем кварцевый генератор с частотой 7.3728 МГц.

Рисунок 3.3- Схема включения кварцевого генератора

3.1.2 Расчёт световой индикации

В фирменном отладчике присутствует световая индикация, выполненная на светодиодах. Их роль заключается, во-первых - наглядно показать пользователю о наличии питания отладчика, во-вторых - сигнализировать процесс обмена данных между персональным компьютером (ПК) и отлаживаемым устройством.

Заранее условимся о том, что зелёный светодиод (HL2) будет являться индикатором напряжения питания отладчика, а желтый цвет (HL1) будет являться индикатором о процессе обмена данных.

Произведём расчет номиналов резисторов, которые ограничивают ток светодиодов.

Для проекта были выбраны светодиоды марки L-483 с характеристиками:

¾      Максимальное прямое напряжение Umax = 2.5 В;

¾      Максимальный прямой ток Imax=30 мВ;

¾      Максимальное обратное напряжение Umaxr = 5 В.

Примем рабочее прямое напряжение диода Uд = 2 В, рабочий прямой ток Iд=10 мА, напряжения питания Uп=+5 В, тогда сопротивление резистора рассчитывается по следующей формуле:

, (2)

 Ом

Подключение светодиодов производится следующим образом. Анод красного светодиодов соединяется через ограничительный резистор непосредственно к цепи питания +5В, катод соединен с землёй. Анализируя дизассемблированную прошивку для МК, было установлено, что жёлтый светодиод должен соединяться с МК через четвёртый вывод микросхемы (PB3- третий бит порта B).

Окончательная схема включения индикации показана на рисунке 3.4

Рисунок 3.4 - Схема включения светодиодных индикаторов

3.1.3 Цепь питания

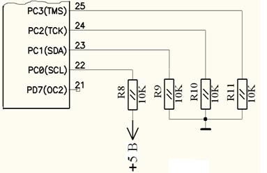
На рисунке 3.5 указана стандартная схема включения цепи питания МК ATmega16. Вся информация была взята из официальной документации данного типа МК. Конденсаторы С6-С9 образуют фильтр, предохраняющие МК от помех в сети и бросков тока. К выводу 10 подводится стабилизированное напряжение в 5 Вольт, к выводу 11 - общая земля.

Производитель МК рекомендует также заземлить контакты 23-25 через резисторы R9-R11, а вывод 22 запитать через резистор R8 напряжением в 5 В. Делается это из-за не использования интерфейсов JTAG и TWI. Схема рекомендованных включений показана на рисунке 3.6.

Рисунок 3.5 - Схема цепи питания МК ATmega16

Рисунок 3.6 - Схема включения не задействованных интерфейсов JTAG и TWI

.2 Узел интерфейса RS-232

Для реализации интерфейса RS-232 /4/ необходимо обеспечить преобразование логических уровней ТТЛ в уровни ±12 В, принятые в данном интерфейсе. Были рассмотрены следующие варианты:

преобразователи уровней напряжения на дискретных элементах (требуют дополнительного питания ±12 В);

преобразователи уровней с оптронной развязкой;

преобразователи уровней на специализированных микросхемах.

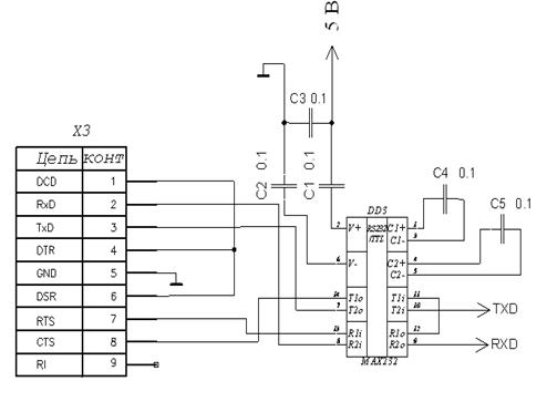
Было принято решение выбрать последний вариант и применить микросхему фирмы MAXIM МAX232ACPE /5/ включенную по стандартной схеме включения (рисунок 3.7). Микросхема MAX232ACPE представляет собой 2-ух канальный приёмо-передатчик, который преобразовывает уровни TTL в формат RS232

Сформированная принципиальная схема узла интерфейса RS-232 приведена на рисунке 3.8. Конденсаторы C2-С5 установлены в соответствии со стандартной схемой включения и имеют емкость 0,1 мкФ. Выводы 10 и 12 соединяются с выводами 14 и 15 микроконтроллера.

Рисунок 3.7 - Структура MAX232ACPE

Рисунок 3.8 - Схема узла интерфейса RS-232

микропроцессорный преобразователь синхроимпульс индикатор

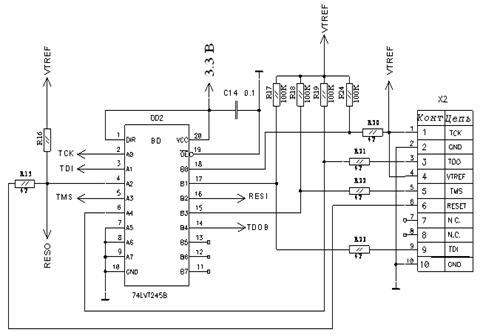
3.3 Узел преобразователя уровней напряжения TTL/LVTTL

Узел преобразователя уровней напряжений нужен для того, чтобы отладка могла выполняться при напряжении питания отлаживаемого устройства в пределах от 1.8 до 5.5В. Сделано это для удобства, например при отладке вне лабораторных условиях. Упоминание об этом элементе указывается в документации по JTAGICE.

Данный преобразователь можно собрать двумя способами:

¾  преобразователь уровней напряжения на полевых транзисторах;

¾      преобразователь уровней на специализированных микросхемах.

Было принято решение использовать специализированную микросхему марки 74LVT245B /6/ в корпусе DIP20, с напряжением питания 3.3В. Его функция является преобразования уровней TTL в уровни LVTTL На рисунке 3.9 представлена электрическая схема преобразователя уровней. Как видно из рисунка выводы 2-6 и 14-18 зарезервированы под линии JTAG интерфейса, на ножку 1(DIR) подается 3.3В (задаётся направление данных), выводы 7-9 и 11-13 не используем, поэтому первые нужно заземлить, а вторые оставить в «подвешенном» состоянии. Конденсатор С14 рекомендован производителем микросхемы 74LVT245B для защиты от бросков тока в цепи питания, резисторы R15,R20-R23 взяты из официальной документации по JTAGICE и выбираются номиналом в 47Ом, резисторы R16-R19 и R24 являются подтягивающими.

.4 Разработка конструкции

Печатная плата устройства сбора информации разработана в среде САПР P-CAD 2002. Разработка включала следующие основные этапы:

– анализ принципиальной схемы;

– создание библиотек графических обозначений и посадочных мест используемых электрорадиоэлементов посредством программ Symbol и Pattern Editor соответственно;

–   упаковка выводов конструктивных элементов с помощью администратора библиотек Library Executive;

–   формирование и редактирование принципиальной схемы с помощью графического редактора электрических схем Schematic;

–   проверка созданной схемы на наличие синтаксических ошибок утилитой ERC;

–   размещение конструктивных элементов с помощью редактора PCB;

–   трассировка проводников печатной платы также с помощью PCB.

Рисунок 3.9 - Схема проектируемого детектора природного газа

Для получения более оптимального варианта размещение элементов выполнялось в ручном режиме. Критериями оценки результата при этом служили длина и плотность электрических связей.

Трассировка печатных проводников также выполнялась в ручном режиме в соответствии с ГОСТ 23751-86; был выбран второй класс точности. При этом учитывалась длина и толщина создаваемых проводников, количество изломов, переходных отверстий, а также величина зазоров между соседними элементами всего печатного рисунка. Трассировка выполнена в двух слоях с шагом 2.5 мм. При разработке платы разнесены цепи питания и аналоговая земля.

4. Безопасность труда

.1 Анализ вредных производственных факторов и обеспечение безопасных условий труда

Государственный стандарт 12.0.002-80 «ССБТ. Термины и определения» определяет условия труда как совокупность факторов производственной среды, оказывающих влияние на здоровье и работоспособность человека в процессе труда. Настоящий стандарт устанавливает применяемые в науке, технике и производстве термины и определения основных понятий в области безопасности труда.

Термины, устанавливаемые данным стандартом, обязательны для применения в документации всех видов: научно-технической, учебной и справочной литературе. Согласно стандарта, безопасные условия труда - это состояние условий труда, при которых воздействие на работающего опасных и вредных производственных факторов исключено или воздействие вредных производственных факторов не превышает предельно допустимых значений.

Опасный фактор - производственный фактор, воздействие которого на работающего, в определенных условиях, приводит к травме или внезапному резкому ухудшению состояния здоровья. Если же производственный фактор приводит к заболеванию или снижению работоспособности, то его считают вредным (по ГОСТ 12.0.002-80).

ГОСТ 12.0.003-74(1999) «Система стандартов безопасности труда. Опасные и вредные производственные факторы. Классификация» распространяется на опасные и вредные производственные факторы, устанавливает их классификацию и содержит особенности разработки стандартов ССБТ на требования и нормы по видам опасных и вредных производственных факторов.

Опасные и вредные производственные факторы подразделяются по природе действия на следующие группы:

физические;

химические;

биологические;

психофизологические.

Физические опасные и вредные производственные факторы, в свою очередь, подразделяются на:

повышенная запыленность и загазованность воздуха рабочей зоны;

повышенная или пониженная температура поверхностей оборудования, материалов;

повышенная или пониженная температура воздуха рабочей зоны;

повышенный уровень шума на рабочем месте;

повышенный уровень вибрации;

повышенная или пониженная влажность воздуха;

повышенный уровень электромагнитных излучений;

отсутствие или недостаток естественного света;

недостаточная освещенность рабочей зоны;

повышенная яркость света;

пониженная контрастность;

расположение рабочего места на значительной высоте относительно поверхности земли (пола) и т.д.

Химические опасные и вредные производственные факторы подразделяются:

по характеру воздействия на организм человека:

токсические;

раздражающие;

сенсибилизирующие;

канцерогенные;

мутагенные и т.д.

Биологические опасные и вредные производственные факторы включают следующие биологические объекты:

патогенные микроорганизмы (бактерии, вирусы, риккетсии, спирохеты, грибы, простейшие) и продукты их жизнедеятельности.

Психофизиологические опасные и вредные производственные факторы по характеру действия подразделяются на следующие:

физические перегрузки;

нервно-психические перегрузки.

Однако, в нашем случае, биологические опасные и вредные производственные факторы в лаборатории отсутствуют.

Исследование и анализ условий труда был проведен на основе сравнения фактических условий с нормированными в соответствии с санитарными правилами и нормами (СанПиН 2.2.2/2.4.1340-03) по следующим параметрам:

- требования к персональным электронно-вычислительным машинам (ПЭВМ);

требования к помещениям для эксплуатации ПЭВМ;

требования к микроклимату, содержанию химических веществ в воздухе;

требования к шуму и вибрации;

требования к освещению помещений и рабочих мест;

требования к организации и оборудованию рабочих мест (эргономика);

требования к организации режима труда и отдыха.

4.1.1 Производственная пыль и ее влияние на человека

Производственная пыль является одним из широко распространенных неблагоприятных факторов, оказывающих негативное влияние на здоровье работающих. Производственной пылью называют взвешенные в воздухе, медленно оседающие твердые частицы размерами от нескольких десятков до долей микрона. Многие виды производственной пыли представляют собой аэрозоль. Согласно классификации по ГОСТ 12.0.003-74 все виды производственной пыли подразделяются на:

органические;

неорганические;

смешанные.

По размеру частиц (дисперсности) различают:

видимую пыль размером более 10 мкм,

микроскопическую - от 0,25 до 10 мкм,

ультрамикроскопическую - менее 0,25 мкм.

Неблагоприятное воздействие пыли на организм может быть причиной возникновения заболеваний. Обычно различают специфические (пневмокониозы, аллергические болезни) и неспецифические (хронические заболевания органов дыхания, заболевания глаз и кожи) пылевые поражения.

Производственная пыль может оказывать вредное влияние и на верхние дыхательные пути. Установлено, что в результате многолетней работы в условиях значительного запыления воздуха происходит постепенное истончение слизистой оболочки носа и задней стенки глотки. При очень высоких концентрациях пыли отмечается выраженная атрофия носовых раковин, особенно нижних, а также сухость и атрофия слизистой оболочки верхних дыхательных путей. Действие пыли на глаза также вызывает возникновение конъюнктивитов. Понижение чувствительности роговицы обусловливает позднюю обращаемость рабочих по поводу попадания в глаз мелких осколков металла и других инородных тел.

Меры профилактики пылевых заболеваний это эффективная профилактика профессиональных пылевых болезней предполагает гигиеническое нормирование, технологические мероприятия, санитарно-гигиенические мероприятия, индивидуальные средства защиты и лечебно-профилактические мероприятия.

Основой проведения мероприятий по борьбе с производственной пылью является гигиеническое нормирование. Соблюдение установленных ГОСТом 12.1.005-88 ССБТ. Общие санитарно-гигиенические требования к воздуху рабочей зоны предельно допустимых концентраций (ПДК) - основное требование при проведении предупредительного и текущего санитарного надзора. Систематический контроль за состоянием уровня запыленности осуществляют лаборатории центров санэпиднадзора, заводские санитарно-химические лаборатории. На администрацию предприятий возложена ответственность за поддержание условий, препятствующих превышению ПДК пыли в воздушной среде.

Электробезопасность - система организационных мероприятий и технических средств, предотвращающих вредное и опасное воздействие на работающих электрического тока и электрической дуги. Электробезопасность включает в себя правовые, социально-экономические, организационно-технические, санитарно-гигиенические, лечебно-профилактические, реабилитационные и иные мероприятия. Правила электробезопасности регламентируются правовыми и техническими документами, нормативно-технической базой. Знание основ электробезопасности обязательно для персонала, обслуживающего электроустановки и электрооборудование.

Положения, которые определяют общие понятия и регулируют систему мероприятий, отражены в ГОСТ 12.1.019-79 «Электробезопасность. Общие требования и номенклатура видов защиты». Настоящий стандарт распространяется на электроустановки производственного и бытового назначения на стадиях проектирования, изготовления, монтажа, наладки, испытаний и эксплуатации и устанавливает общие требования по предотвращению опасного и вредного воздействия на людей электрического тока, электрической дуги и электромагнитного поля, а также номенклатуру видов защиты работающих от воздействия указанных факторов.

Опасное и вредное воздействия на людей электрического тока, электрической дуги и электромагнитных полей проявляются в виде электротравм и профессиональных заболеваний. Степень опасного и вредного воздействия на человека электрического тока, электрической дуги и электромагнитных полей зависит от: