Материал: Проектирование цифровых устройств компьютерных систем и комплексов

Внимание! Если размещение файла нарушает Ваши авторские права, то обязательно сообщите нам

) набор периферийных (по отношению к ядру МК) устройств, основными из которых являются:

) порты, выполняющие функции связи с устройствами, внешними по отношению к ИС МК;

) таймеры/счетчики, предназначенные для реализации временных задержек, генерации сигналов с заданными временными параметрами и других частотно-временных функций;

) сторожевой таймер, предназначенный для принудительного сброса МК при «зацикливании»;

) блоки интерфейса, в состав которых входят блоки аналого-цифрового интерфейса (встроенные аналоговые компараторы, АЦП и ЦАП), блоки стандартного цифрового интерфейса между МК (блоки SPI, I2C и т. п.) и между МК и хост-устройствами, обычно блоки USART и USB.

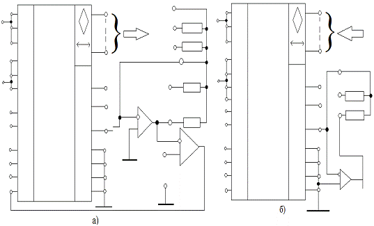
При этом, как правило, разработчики МК не выделяют специальных выводов интегральных микросхем для вышеназванных периферийных устройств, а также БСС, ввиду ограниченного количества указанных выводов, с одной стороны, и большого количества и разнообразия периферийных устройств, входящих в состав современных МК - с другой. Поэтому в качестве внешних выводов периферийных устройств (например, входов АЦП, входов и выходов блоков стандартного интерфейса и т. п.) обычно используются выводы портов, программно сконфигурированные под выполнение соответствующих функций (рисунок 3.10). Их называют альтернативными функциями соответствующих выводов портов, в противоположность их «основным» функциям цифрового интерфейса с подчиненными по отношению к МК устройствами. У ряда конкретных МК специальные выводы ИС выделяются для БСС и для блоков аналого-цифрового интерфейса.



Рисунок 3.10 - Типовая структурная схема МК общего назначения

Рассмотрим структурную схему восьмиразрядного регистра хранения на примере одного из основных регистров микроконтроллера - регистра специальных функций (РСФ). Формат регистра специальных функций микроконтроллера представлен на рисунке 3.11.

Рисунок 3.11 - Формат регистра специальных функций микроконтроллера

Данный регистр состоит из 8-ми разрядов, каждый из которых предназначен для хранения одного бита информации (0 или 1). Каждый разряд регистра представляет собой D-триггер, в который путём программирования записывается соответствующий бит информации.

Назначение битов регистра специальных функций:

) С - признак переноса;

) DC - признак переноса из младшей тетрады в старшую;

) Z - признак нулевого результата;

) PD - признак режима пониженного энергопотребления, устанавливаемый в единичное состояние по включении питания или по сбросу сторожевого таймера, и сбрасываемый в нулевое состояние при переводе МК в ждущий режим;

) ТО - признак переполнения сторожевого таймера, сбрасываемый в нулевое состояние по его переполнении и устанавливаемый в единичное состояние по включении питания, сбросу сторожевого таймера или переводу МК в ждущий режим;

) РА0 - бит-указатель номера страницы памяти команд;

) отмеченный серым цветом 6-й бит РСФ не задействован;

) RBWUF - признак сброса МК входным сигналом порта В; устанавливается в единичное состояние после сброса МК при его выводе из ждущего режима изменением состояния какого-либо вывода порта В; после сброса МК по включении питания данный признак устанавливается в нулевое состояние.

Функциональная схема РСФ представлена в графической части.

Выводы по разделу

В данном разделе пояснительной записки к курсовой работе рассмотрены триггеры, регистры, электронные счётчики, а также функциональные блоки микропроцессоров и микроконтроллеров, построенные на их основе.

4. ВЫБОР И РАСЧЁТ ЭЛЕКТРОННОЙ ЦЕПИ АНАЛОГО-ЦИФРОВОГО ПРЕОБРАЗОВАНИЯ ЭЛЕКТРИЧЕСКИХ СИГНАЛОВ

4.1 Описание аналого-цифрового преобразователя

Аналого-цифровые преобразователи (АЦП) применяются в измерительных системах и измерительно-вычислительных комплексах для согласования аналоговых источников измерительных сигналов с цифровыми устройствами обработки и представления результатов измерения [10].

Различным методам построения АЦП соответствуют устройства, различающиеся по точности, быстродействию, помехозащищенности, сложности реализации. Одним из наиболее распространенных является метод поразрядного уравновешивания, называемый также методом последовательного приближения. В АЦП, построенном этим методом, код в регистре результата меняется так, чтобы обеспечить по возможности быстрое уравновешивание входного напряжения или тока напряжением или током, получаемым с выхода цифроаналогового преобразователя (ЦАП), присоединенного к упомянутому регистру. В этом разряде вначале устанавливается единица и оценивается знак разности преобразуемого сигнала и уравновешивающего сигнала, формируемого в ЦАП. Если выясняется, что уравновешивающий сигнал меньше преобразуемого, то установленная в старшем разряде единица в дальнейшем сохраняется, а если больше - то единица сбрасывается, то есть в дальнейшем в этом разряде будет сохраняться нуль. Далее таким же образом проверяется, нужна ли единица в соседнем младшем разряде регистра. И так уравновешивание продолжается до тех пор, пока не будут опрошены все разряды регистра, включая самый младший. Указанная программа уравновешивания реализуется с помощью логических цепей, входящий в состав регистра результата, называемого в данном случае регистром последовательного приближения. На входы этого регистра поступают тактовые импульсы и выходной сигнал компаратора, сравнивающего преобразуемый сигнал и уравновешивающий сигнал с выхода ЦАП.

Рассмотрим схемы включения и функциональные возможности некоторых АЦП последовательного приближения, выпускаемых отечественной промышленностью. Схемы включения АЦП показаны на рисунке 4.1.

а - внешний вид микросхемы последовательного АЦП;

б - схема инвертирующего нормирующего усилителя;

в - внешний вид микросхемы параллельного АЦП;

г - схема неинвертирующего нормирующего усилителя;

Рисунок 4.1 - Схемы включения аналого-цифровых преобразователей

Рассмотрим схемы включения и функциональные возможности некоторых типов АЦП последовательного приближения, выпускаемых отечественной промышленностью.

На рисунке 4.1, а показана схема включения АЦП К572ПВ1. Этот двенадцатиразрядный АЦП имеет выходные каскады с тремя состояниями (0,1 и высокоимпедансное), благодаря чему может выдавать информацию на системную шину микропроцессора контроллера. Более того, кодовые выводы АЦП могут использоваться не только для вывода, но и для ввода дискретных сигналов, то есть этот АЦП имеет двунаправленный кодовый канал. Возможность записать внешний код в выходной регистр позволяет использовать данную микросхему также в качестве цифро-аналогового преобразователя. Переключение кодового канала на ввод или на вывод производится сигналом, подаваемым на вход V(режим): если V=0, то осуществляется вывод кода, если V=1, то ввод. Перевод кодового канала в высокоимпедансное состояние производится подачей нулевого сигнала на входы LE (управление восемью младшими разрядами канала) и НЕ (управление четырьмя старшими разрядами). Благодаря наличию этих входов информации с АЦП может выводиться побайтно на восьмиразрядную шину данных.

Работа преобразователя синхронизируется тактовыми импульсами, подаваемыми на тактовый вход С интегральной микросхемы. Частота этих импульсов не должна быть более 250 кГц.

Как видно на рисунке 4.1, а, для построения АЦП микросхему К572ПВ1 нужно дополнить источником опорного напряжения UR, операционным усилителем А1 и компаратором А2. Операционный усилитель А1 используется для преобразования напряжение выходного тока I1, входящего в микросхему ЦАП. Выход дополняющего тока I2 и вывод последнего резистора (вывод I3) ЦАП соединяются с общим проводом. В качестве резистора обратной связи усилителя А1 используется один из резисторов, входящих в микросхему. В распоряжении пользователя имеютсячетыре таких резистора, сопротивления которых соотносятся по двоичному закону: 2R, R, R/2, R/4 (R≈10кОм). На рис 4.1, а эти резисторы для наглядности показаны вне контура условного обозначения АЦП.

Компаратор А2 сравнивает выходные напряжение ЦАП, снимаемое с выхода А1, с преобразуемым напряжением Uвх.. Результат сравнения подаётся на вход С1 (сравнение АЦП и используется для управления внутренним регистром последовательного приближения.

При включении АЦП про схеме рисунка 4.1, а обеспечивается преобразование напряжения Uвхот 0 до -UR. Если же обратную связь усилителя А1 вместо сопротивления R включить сопротивления 2R или R/2, то предельное значение Uвх станет равным -2URили -UR/2. Опорное напряжение в этом преобразователе может изменяться в пределах от -15 до +15В.

АЦП на основе микросхемы К572ПВ1 можно построить и без операционного усилителя А1, если выход I1 соединить непосредственно с неинвертирующим входом компаратора, и на этот же вход через резистор R подать преобразуемое напряжение Uвх. Инвертирующий вход компаратора при этом заземляется. Так проводится сравнение с нулём суммы токов Uвх/R и I1.

В обоих вариантах АЦП (с ОУ и без него) опорное напряжение UR должно иметь полярность, противоположную полярности преобразуемого напряжения Uвх. Описанные схемы включения АЦП предполагают отрицательное опорное напряжение UR. При положительном UR входы компаратора следует поменять местами.

Возможно построение двухполярного АЦП на основе микросхемы К572ПВ1. Соответствующие этому режиму схемы подключения ОУ и компаратора с входящими в микросхему резисторами показаны на рисунке 4.1, б и г. В обоих случаях выходной ток встроенного ЦАП  подается ни И-вход ОУ А1. Смещение характеристики преобразователя производится благодаря соединению опорного источника АЦП  через резистор со входом компаратора А2, выход которого в свою очередь соединяется со входом С1 АЦП. Схеме рисунка 4.1, б соответствует диапазон изменения  от - , схеме рисунка 4.1, г - диапазон от до .

Запуск АЦП производится положительным импульсом, подаваемым на вход ST (старт). Весь цикл преобразования длится 28 периодов тактовых импульсов: 2 периода - сброс, 24 - периода реализация программы последовательного приближения и 2 периода - формирование положительного импульса на выходе DR (готовности данных). Цикл преобразования АЦП может быть закончен досрочно путём передачи повторного импульса запуска на вход ST, Так сокращается время преобразования и соответственно разрядность АЦП. Если требуется организовать циклическую работу АЦП, то соединяется между собой выход ZO (выход цикла) и вход ZI (выход цикла).

Схема включения микросхемы K572ПВ1 в режиме ЦАП показана на рисунке4.1, в. В этом случае на вход V подается 1 и через кодовый канал входной код N записывается в выходной регистр, управляющий работай ЦАП. Операционный усилитель А1 преобразует входной ток  ЦАП в напряжение . Внешняя кодовая информация в выходной регистр может быть записан также последовательно по входу D1. Записываемый код на этот вход подается, начиная с младших разрядов, синхронно с парами тактовых импульсов (запись 12 разрядов кода занимает время, равно 24 периодам тактовых импульсов). Преобразователь имеет вход RE, разрешающий смену кода в выходном регистре. Этот код может измениться только при RE=1. Если же RE=0,то в регистре хранится ранее введенный в него код.

Преобразователь Л572ПВ1 питается от двух источников =5÷15В и =-15В. Значение =5 В используется при работе АЦП с цифровыми ТТЛ-схемами. . Если же сигналы на АЦП подаются с цифровых КМОП-схем, то напряжение  может быть повышено до 15В. В преобразователе имеется два земляных вывода: «аналоговая земля» CD. Не следует смешивать эти выводы: Аналоговую землю следует использовать в качестве низкопотенциальной точки для входного и опорного напряжений, а цифровую - в качестве общей точки для дискретных сигналов. Соединять между собой указанные земляне выводы нужно только в одной точке - на клемме источника питания.

Отечественная промышленность выпускает также функционально законченные интегральные АЦП, в состав которых входят все узлы, необходимые для реализации аналого-цифрового преобразования методом последовательного приближения (микросхемы К1108ПВ1 и К1113ПВ1).

Десятиразрядный АЦП К1108ПВ1 может работать как с внешним, так и с внутренним тактовым генератором. В первом случае на вход С подаются тактовые импульсы с выхода ЭСЛ инвертора (уровни - 0,9; -1,7В), а во втором этот вход соединяется с общим проводом емкостью 25 пФ. Эта емкость может быть увеличена в случае, если требуется снизить частоту тактового генератора и соответственно увеличить время преобразования. Вместо емкости может быть включен кварцевый резонатор, имеющий резонансную частоту, примерно равную 13,6 МГц.

Все цифровые входы АЦП К1108ПВ1, за исключением входов С и V, рассчитаны на работу с цифровыми ТТЛ-схемами. Вход С, как уже упоминалось, оперирует с сигналами характерными для ЭСЛ-схем. Вход V позволяет использовать АЦП как в полном десятиразрядном режиме (время преобразования 0.9 мкс), так и в укороченном восьмиразрядном (время преобразования 0,75 мкс). В первом случае вход V следует соединить с цифровой землей.

Основные параметры описанных выше интегральных АЦП последовательного приближения приведены в таблице 4.1.

Таблица 4.1 - Основные параметры интегральных АЦП

Тип микросхемы

Число разрядов

Время преобразования мкс

Нелинейность квантов

Дифференциальная нелинейность, квантов

Напряжения питания, В

Потребляемая мощность, мВт

Зарубежный аналог

К5572ПВ1А К572ПВ3 К572ПВ4 К1108ПВ1А К1113ПВ1А

12 8 8 10 10

110 15 32 0,9 30

4 0,5 0,5 0,75 1

2 0,75 0,5 1 1

+5…15; -15 5 +5 +5;-5,2 +5;-15

30 25 15 800 225

AD7570 AD7574 AD7581 − AD571