Материал: Проектирование цифровых устройств компьютерных систем и комплексов

Внимание! Если размещение файла нарушает Ваши авторские права, то обязательно сообщите нам

В заполненной таблице обводят прямоугольный контурами все единицы и затем записывают минимизированную функцию в виде суммы логических произведений, описывающих эти контуры.

При проведении контуров придерживаются следующих правил:

) контур должен быть прямоугольным;

) внутри контура должны быть только клетки, заполненные единицами;

) число клеток, находящихся внутри контура, должно быть целой степенью числа 2 (то есть, может быть равно 1, 2, 4, 8, 16);

) одни и те же клетки, заполненные единицами, могут входить в несколько контуров;

) при проведении контуров самая нижняя и самая верхняя строка таблицы считаются соседними, то же - для крайнего левого и крайнего правого столбцов;

) число контуров должно быть как можно меньше, а сами контуры как можно большими.

Выполним минимизацию заданной логической функции.

Записываем исходное выражение логической функции:

               (2.1)

Данное выражение записано в СКНФ, поэтому предварительно преобразуем его в СДНФ.

Для преобразования функции из СКНД в СДНФ сначала записываем инверсную функцию, подставляя в неё неиспользованные макстермы (таблица 2.1).

 =

F=

Затем составляем диаграмму Вейча (рисунок 2.1).

Таблица 2.1 - Выбор выражений для инверсной функции

Макстерм

Наличие

Номер

S0

-000







S1

+001







S2

+010







S3

+011







S4

+100







S5

+101







S6

-110







S7

-111








Рисунок 2.1 - Диаграмма Вейча для исходной функции

Выполняем минимизацию выражений в выделенных областях.

Область I:; область II

                                                        (2.2)

Записываем выражение для минимизированной функции:

f =                                                                      (2.3)

Для проверки правильности минимизации составляем таблицу истинности минимизированной функции (таблица 2.2) и сравниваем её с таблицей истинности исходной функции.

Таблица 2.2 - Таблица истинности для минимизированной функции

Входы

Промежуточные функции

Выход

Х1

Х2

Х3

P7f






0

0

0

1

1

1

0

1

1

0

0

1

1

1

0

0

1

1

0

1

0

1

0

1

0

0

0

0

1

1

1

0

0

0

0

0

1

0

0

0

1

1

0

0

0

1

0

1

0

1

0

0

0

0

1

1

0

0

0

1

0

0

0

1

1

1

0

0

0

1

0

1


Изображаем функциональную схему минимизированной функции (рисунок 2.2).

Рисунок 2.2 - Функциональная схема минимизированной функции

2.2 Анализ задания и обоснование выбора интегральных микросхем

Для физической реализации минимизированной логической функции выбираем стандартные микросхемы ТТЛ-логики (ТТЛШ). Данная логика выбрана в соответствии с условием задания на курсовое проектирование.

Выбираем следующие интегральные микросхемы: К555ЛН2 и К555ЛР11.

2.3 Проектирование электрической принципиальной схемы устройства

По результатам минимизации заданной логической функции и выбора стандартных интегральных микросхем разработана электрическая принципиальная схема комбинационной логической цепи цифрового сумматора двоичных чисел, представленная на рисунке 2.3.

Данная схема даёт полное представление о составе логической цепи, её электронных компонентах и соединениях между ними.

Рисунок 2.3 - Электрическая принципиальная схема логической цепи

Выводы по разделу

В результате проектирования выполнена минимизация заданной логической функции, выбраны стандартные микросхемы ТТЛ-логики (ТТЛШ) серии К555 для её физической реализации.

Разработана электрическая принципиальная схема комбинационной логической цепи цифрового сумматора двоичных чисел, позволяющая выполнить заданную логическую операцию над цифровыми электрическими сигналами, уровень которых соответствует стандарту ТТЛ-логики.

3. РАЗРАБОТКА ЦИФРОВЫХ УСТРОЙСТВ НА ОСНОВЕ ТРИГГЕРОВ, РЕГИСТРОВ, ЭЛЕКТРОННЫХ СЧЁТЧИКОВ

3.1 Назначение, принцип действия и основные виды триггеров

Триггеры - это цифровое электронное устройство, имеющее два устойчивых состояния [6].

В основе принципа действия триггеров лежит регенеративный процесс. Он представляет собой переходной процесс в электрической цепи, охваченной ветвью положительной обратной связью. Обратная связь в триггерах имеет большой коэффициент усиления, поэтому токи и напряжения на выводах триггеров при переключении изменяются с очень большой скоростью.

Триггеры делятся на две больших группы: симметричные и несимметричные.

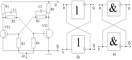
Рассмотрим принцип действий симметричного триггера. Триггер представляет собой два усилителя на биполярных транзисторах VT1 и VT2. Транзисторы включены по схеме с общим эмиттером. На базы транзистора поступают входящие сигналы, а выходные сигналы снимаются с их коллекторов. Выход каждого усилителя соединен с входом другого. Результатом такого соединения является положительная обратная связь, охватывающая оба усилителя. Устойчивое состояние триггера характеризуются открытым одним транзистором и закрытым другим. В одном из устойчивых состояний триггер может находиться сколь угодно долго. Когда на входы триггера поступает внешнее управляющее напряжение, триггер «опрокидывается», то есть переходит во второе устойчивое состояние (первый транзистор открыт, а второй закрыт).

Конденсаторы С1 и С2 служат для ускорения процесса переключения и называются ускоряющими. Если представить каждый транзисторный усилитель как логический элемент (ИЛИ-НЕ, И-НЕ), то работу триггера можно разобрать более укрупненно.

а - схема построения симметричного триггера на биполярных транзисторах; б - схема построения триггера на логических элементах ИЛИ-НЕ в - схема построения триггера на логических элементах И-НЕ

Рисунок 3.1 - Схемы построения симметричных триггеров на биполярных транзисторах и логических элементах


;                                                               (3.1)

Поэтому анализ состояния триггера удобно проводить с помощью переключательных характеристик логических элементов. Точки пересечения переключательных характеристик логических элементов определяют состояние равновесия триггера. У триггера есть три таких точки (1, 2, 3 на рисунке 3.1). Только точки 1 и 3 характеризуют устойчивое состояние триггера. Точка 2 характеризует неустойчивое состояние равновесия, и при малейшем отклонении от нее состояние триггера смешается в точку 1 или в точку 3.

Рассмотрим классификацию симметричных триггеров. При разработке новых схем триггеров процесс их проектирования сводиться к разработке схем соединима логических элементов и организации цепи управления. Множество возможных комбинаций внешних соединений логических элементов породило много триггерных устройств с размножающимися свойствами. Их обычно классифицируют по способу записи информации и по функциональному признаку.

По способу записи информации триггеры подразделяют на несинхронизируемые (асинхронные триггеры) и синхронизируемые (синхронные или тактируемые триггеры) [7].

У синхронного триггера изменение его состояния происходит непосредственно с приходом управляющего сигнала.

В синхронных триггерах, кроме информационных входов для управляющих сигналов, имеются входы синхронизации (тактовые входы). Изменение состояния триггера при наличии на информационных входах управляющих сигналов может происходить только в моменты подачи на входы синхронизации разрешающих сигналов, причём управление может осуществляться либо потенциалом импульса, либо его фронтом.

Для классификации триггеров по функциональному признаку используют вид логического управления, характеризующего состояние входов и выходов триггера в момент времени до tn и после его срабатывания tn+1.

По этому признаку различают RS-, D-, T-, JK- триггеры и др. Название триггера отражает особенности организации его управления и логического управления его функционирования. Один из выходов триггера называют прямым (Q), а другой выход - инверсным (). Состояние триггера отождествляют с сигналом на прямом выходе: единичное состояние (Q=1), нулевое состояние (Q=0).

При условном обозначении входов триггера используют следующие метки:

) S - вход для раздельной установки триггера в состояние 1 (S - вход);

) R - вход для раздельной установки триггера в состояние 0 (R - вход);

) J - вход для установки состояния 1 в универсальном триггере (J - вход);

) K - вход для установки состояния 0 в универсальном триггере (К - вход);

) Т - счётный вход (Т - вход);

) D - информационный вход для установки симметричного триггера в состояние 1 или 0 (D - вход);

) Е - дополнительный управляющий вход для разделения приема информации (Е - вход или V - вход (устаревшее название));

) С - управляющий вход разрешения приема информации ( вход синхронизации, С - вход или тактовый вход).

Триггер обозначают прямоугольником с основным и дополнительным полями. Внутри основного поля пишут букву Т или ТТ ( если триггер двухступенчатый). Внутри дополнительных полей пишут буквы, обозначающие входы и выходы триггера. У инверсных выводов ставят знак «0». Если переключение триггера происходит только по фронту или срезу импульса ( динамическое управление), то соответствующие входы обозначают метками «∆» или «1» (для перепада 0, 1) и «∆» или «\» (для перепада 1, 0).

Примеры условного обозначения триггеров показаны на рисунке 3.2.

Рисунок 3.2 - Примеры условного обозначения триггеров

3.2 Назначение, принцип действия и основные виды регистров

Регистры - это функциональные узлы на основе триггеров, предназначенные для приёма, кратковременного хранения (на один или несколько циклов работы данного устройства), передачи и преобразования многоразрядной цифровой информации [8].

Регистр представляет собой упорядоченную последовательность триггеров, обычно D, число которых соответствует числу разрядов в слове. С каждым регистром обычно связано комбинационное цифровое устройство, с помощью которого обеспечивается выполнение некоторых операций над словами.

Фактически любое цифровое устройство можно представить в виде совокупности регистров, соединённых друг с другом при помощи комбинационных цифровых устройств. Основой построения регистров являются D-триггеры, RS-триггеры.

Назначение регистров - прием, хранение и выдача двоичной кодированной информации (двоичных чисел, слов). Они используются в качестве безадресных запоминающих устройств, преобразователей и генераторов кодов, устройств временной задержки цифровой информации, делителей частоты и другие виды преобразования двоичной информации.

Области применения регистров:

) приём слова в регистр;

) передача слова из регистра;

) поразрядные логические операции;

) сдвиг слова влево или вправо на заданное число разрядов;

) преобразование последовательного кода слова в параллельный код и обратно;

) установка регистра в начальное состояние (сброс).

В зависимости от способа записи информации (кода числа) различают параллельные, последовательные и параллельно-последовательные регистры.