Материал: Проектирование цифровых устройств компьютерных систем и комплексов

Внимание! Если размещение файла нарушает Ваши авторские права, то обязательно сообщите нам

Проектирование цифровых устройств компьютерных систем и комплексов

АННОТАЦИЯ

Целью данной курсового проекта является приобретение умений и навыков в области проектирования цифровых устройств компьютерной техники и промышленной электроники.

Курсовой проект направлен на решение следующих задач:

) приобретение практических навыков в области разработки схем цифровых устройств на основе интегральных микросхем;

) получение представлений о нормативно-технической документации, используемой при проектировании устройств цифровой схемотехники;

) приобретение умений выполнения требований технического задания на проектирование цифровых устройств;

) приобретение умений использования средств и методов автоматизированного проектирования при разработке цифровых устройств;

) получение практических навыков расчёта показателей качества и надёжности проектируемых цифровых устройств.

Курсовой проект включает в себя пять основных разделов:

) синтез комбинационной логической цепи цифрового сумматора двоичных чисел;

) разработка электрической принципиальной схемы цифрового логического устройства;

) разработка цифровых устройств на основе триггеров, регистров, электронных счётчиков;

) выбор и расчёт электронной цепи аналого-цифрового преобразования электрических сигналов;

) выбор и расчёт элементов индикации цифровой информации.

ВВЕДЕНИЕ

Цифровая схемотехника - это область знаний, охватывающая вопросы проектирования, разработки и производства электронных устройств с кодовыми электрическими сигналами, называемыми «логический ноль» и «логическая единица». Основой элементной базы цифровой схемотехники являются логические элементы - достаточно простые электронные устройства, способные выполнять логические и арифметические операции над кодовыми электрическими сигналами. На основе логических элементов построены более сложные устройства цифровой техники - триггеры, регистры, счётчики, шифраторы, дешифраторы, мультиплексоры, демультиплексоры и другие. Все перечисленные устройства входят в состав микропроцессоров, микроконтроллеров и однокристальных микро-ЭВМ, а также многих других устройств персонального компьютера. Поэтому для понимания физической сущности работы персональных компьютеров, компьютерных систем и комплексов необходимы глубокие знания в области цифровой схемотехники [1].

Целью данного курсового проекта является приобретение умений и навыков в области проектирования цифровых устройств компьютерной техники и промышленной электроники.

Курсовой проект направлен на решение следующих задач: приобретение практических навыков в области разработки схем цифровых устройств на основе интегральных микросхем; получение представлений о нормативно-технической документации, используемой при проектировании устройств цифровой схемотехники; приобретение умений выполнения требований технического задания на проектирование цифровых устройств; приобретение умений использования средств и методов автоматизированного проектирования при разработке цифровых устройств; получение практических навыков расчёта показателей качества и надёжности проектируемых устройств.

Основным результатом выполнения курсового проекта является приобретение умений и практических навыков в области проектирования и разработки цифровых устройств электронной и компьютерной техники.

1 СИНТЕЗ КОМБИНАЦИОННОЙ ЛОГИЧЕСКОЙ ЦЕПИ ЦИФРОВОГО СУММАТОРА ДВОИЧНЫХ ЧИСЕЛ

1.1 Основные положения алгебры логики

Анализ и синтез логических цепей производится на основе математического аппарата алгебры логики, или булевой алгебры. Поэтому, прежде чем переходить к логическим интегральным схемам, необходимо рассмотреть основные понятия и законы алгебры логики. Переменные здесь могут принимать только два значения: 0 и 1. Над переменными могут производиться три основных действия: логическое сложение, логическое умножение и логическое отрицание, что соответствует логическим функциям ИЛИ И НЕ. Операция логического сложения (дизъюнкция) - обозначается символом «+» или «V» (первая буква латинского слова vel - или). В качестве примера цепи, реализующей функцию «ИЛИ», можно привести параллельное соединение, замыкающих контактов нескольких реле. Цепь, в которую входят эти контакты, будет замкнута, если сработает хотя бы одно реле. Таким образом, логическая сумма равна единице тогда, когда равно 1 одно или несколько слагаемых [3]:

+0=0.

+1=1.

+1+1+1…+1=1.

Операция логического умножения (конъюнкция) - обозначается точкой или символом «», или же вообще в буквенных выражениях никак не обозначается. Функцию «И» реализует например, соединение последовательно замыкающие контакты нескольких реле. Цепь в этом случае будет замкнута только тогда, когда сработают все реле.

×0=0.

×1=0.

×1=1.

Логическое отрицание (инверсия) - обозначается чертой или штрихом над обозначением аргумента. Моделью ячейки реализующей функцию «НЕ», может служить размыкающий контакт реле. При срабатывании реле, цепь в которую входит такой контакт, будет размыкаться. Таким образом инверсия единицы будет равна нулю, а двойная инверсия не изменяет значение.

=1.

=0.

=0.

=1.

Основываясь на приведённых числовых равенствах можно записать следующие выражения, в которых переменная «A» может принимать значение 0 или 1.

+0=A                                                                                              (1.1)+1=1                                                                                       (1.2)+A…+A=A                                                                              (1.3)+=A                                                                                             (1.4)×0=0                                                                                         (1.5)

A×1=A                                                                                             (1.6)

AA…A=A                                                                                      (1.7)

A=0                                                                                                     (1.8)

=A                                                                                                      (1.9)

Основные законы алгебры логики

Переместительный закон:

+B=B+A                                                                                         (1.10)

AB=BA                                                                                          (1.11)

Сочетательный закон:

(A+B)+C=A+(B+C)                                                                        (1.12)

(AB)C=A(BC)                                                                                (1.13)

Распределительный закон:

(B+C)=AB+AC                                                                              (1.14)+BC=(A+B)(A+C)                                                                          (1.15)

Последнее равенство можно получить в результате следующих преобразований:

+BC=A×1+BC=A(1+B+C)+BC=A+AB+AC+BC=(A+B)(A+C). (1.16)

Закон поглощения:

+AB=A(1+B)=A                                                                   (1.17)(A+B)=A+AB=A                                                                   (1.18)

Закон склеивания:

+A=A                                                                                        (1.19)

(A+B)(A+)=A                                                                            (1.20)

Закон отрицания:

=                                                                                           (1.21)

=+                                                                                        (1.22)

Ещё один вид записи закона отрицания выглядит следующим образом:

=AB                                                                                      (1.23)

=A+B                                                                                             (1.24)

Закон отрицания, часто называемый правилом де Моргана, справедлив для любого числа переменных:

+B+C+… +Z=                                                         (1.25)

ABC…Z=+++…+                                                                (1.26)

1.2 Анализ задания и выбор базовых логических функций

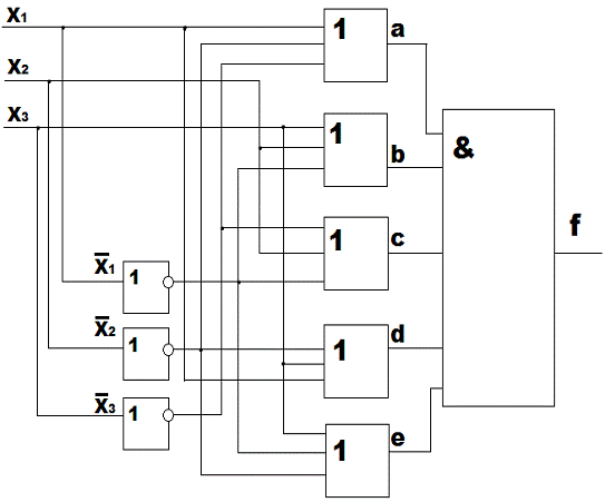
В задании на курсовое проектирование задана логическая функция:

    (1.27)

Из формулы видно, что для её реализации потребуются следующие логические элементы: НЕ, И, ИЛИ. Данные функции и соответствующие им логические элементы выбираем в качестве базовых элементов для разработки структурной схемы логической цепи цифрового сумматора двоичных чисел.

.3 Разработка структурной схемы комбинационной логической цепи

Структурная схема комбинационной логической цепи, соответствующая заданной функции (формула 1.27), показана на рисунке 1.1.

Рисунок 1.1 - Структурная схема комбинационной логической цепи

Составим таблицу истинности, соответствующую структурной схеме комбинационной логической цепи.

1.4 Расчёт таблицы истинности комбинационной логической цепи

Таблица истинности комбинационной логической цепи, соответствующей заданной функции (формула 1.27), представлена в виде таблицы 1.1.

Расчёт промежуточных и окончательных значений заданной функции выполнен в соответствии с формулами алгебры логики (формулы 1.1 - 1.26).

цифровой триггер сигнал электронный

Таблица 1.1 - Таблица истинности для заданной функции

Входы

Промежуточные функции

Выход

Х1

Х2

Х3

abcdef









0

0

0

1

1

1

1

1

1

1

1

1

0

0

1

1

1

0

1

1

1

1

1

1

0

1

0

1

0

1

1

1

1

0

1

0

0

1

1

1

0

0

0

1

1

1

1

0

1

0

0

0

1

1

1

0

1

1

1

0

1

0

1

0

1

0

1

1

0

1

1

0

1

1

0

0

0

1

1

1

1

1

0

0

1

1

1

0

0

0

1

1

1

1

1

1


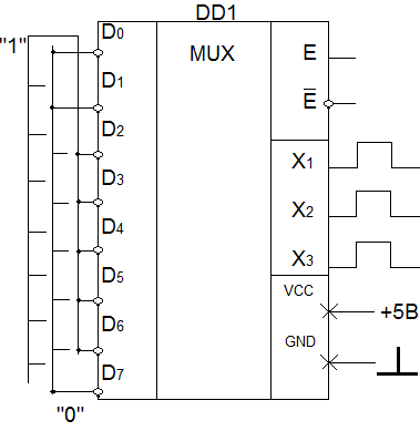
На рисунках 1.2 и 1.3 представлены функциональные схемы реализации заданной логической функции на дешифраторе (рисунок 1.2) и мультиплексоре (рисунок 1.3).

Составим временную диаграмму, соответствующую таблице комбинационной логической цепи и заданной функции.

1.5 Составление временной диаграммы комбинационной логической цепи

Временная диаграмма комбинационной логической цепи, соответствующая заданной функции (формула 1.27), показана на рисунке 1.4.

Рисунок 1.2 - Функциональная схема реализации заданной логической функции на дешифраторе

Рисунок 1.3 - Функциональная схема реализации заданной логической функции на мультиплексоре

Рисунок 1.4 - Временная диаграмма работы логической цепи

Временная диаграмма позволяет наглядно представить состояние всех входов, промежуточных точек и выходов комбинационной логической цепи.

Выводы по разделу

Для заданной логической функции разработана схема логической цепи, выполнен расчёт её таблицы истинности. Составлена временная диаграмма.

2. РАЗРАБОТКА ЭЛЕКТРИЧЕСКОЙ ПРИНЦИПИАЛЬНОЙ СХЕМЫ ЦИФРОВОГО ЛОГИЧЕСКОГО УСТРОЙСТВА

2.1 Минимизация логической функции

Прежде чем строить логическую цепь, реализующую логическую функцию, необходимо попытаться упростить эту функцию.

Минимизация - это отыскание более простого выражения заданной логической функции, может выполняться различными методами. В частности, можно используя алгебраические преобразования исходного выражения, провести всевозможные операции поглощения и склеивания в соответствии с рассмотренными законами алгебры логики [4].

Рассмотрим правила минимизации логической функции с помощью диаграммы Вейча. Данную диаграмму рационально использовать для минимизации логических функций, содержащих не более четырёх переменных, что соответствует заданию на курсовое проектирование [5].

При использовании программы Вейча функцию предварительно следует привести к дизъюнктивной нормальной форме (ДНФ) - выразить в виде логической суммы простых конъюнкций. При этом простой конъюнкцией считается логическое произведение переменных, взятых с отрицаниями или без них, в котором каждая переменная встречается не более одного раза (в простую конъюнкцию не должны входить суммы переменных, отрицания функций двух или нескольких переменных). Простая конъюнкция, в которую входят все аргументы рассматриваемой логической функции, называется минтермом.

После того, как функция представлена в ДНФ и произведены очевидные упрощения, следует заполнить прямоугольную таблицу, в которой число клеток равно числу возможных минтермов. В каждой клетке таблицы ставится соответствующая ей определённая конъюнкция, причём делается это таким образом, чтобы в соседних клетках (снизу и сверху, слева и справа) конъюнкции отличались не более чем одним сомножителем. При заполнении таблицы в соответствующую клетку ставится 1, если при данном наборе аргументов минимизируемая функция равна единице. В остальные клетки таблицы (то есть, в диаграмму Вейча) вписываются нули.