Материал: Проект теплоэлектроцентрали мощностью 280 МВт с турбоустановками ПТ-140/165-130/15

Внимание! Если размещение файла нарушает Ваши авторские права, то обязательно сообщите нам

Задачей данного пункта является составление материального и теплового балансов подогревательных и деаэрирующих устройств с нахождением расходов греющей и нагреваемой сред.

Тепловой расчёт регенеративных подогревателей, имеющих в одном корпусе пароохладитель (ОП), собственно подогреватель (СП) и охладитель дренажа (ОД).

ПВД7:

На рисунке 1.3 показана схема подогревателя высокого давления ПВД7, тепловой баланс которого записывается в следующем виде:

D1=. (1.17)

где Dпв= Dпг+ Dпр - расход питательной воды с учётом утечек и непрерывной продувки 1,5 %.

Dпг=D0+ Dут

Dут=1,5%* D0=0,015*192=2,88 кг/с.

Dпг=192+2,88= 194,88

Dпр=1,5%* Dпг =0,015*192=2,923 кг/с.

Dпв=194,88+2,88=197,803 кг/с.

tдр1= tпв2+8=2190C , hдр1=939,1 кДж/кг

D1==9,592 кг/с.

Рисунок 1.3 - Схема к расчёту регенеративного подогревателя с охладителями пара и дренажа ПВД7

ПВД6

Тепловой баланс ПВД6, схема которого представлена на рисунке 1.4, записывается в виде:

[D2(h2- hдр2)+ D1(hдр1- hдр2)]·h= Dпв(hпв2- hпв3) (1.18)

tдр2=tпв2+8=1880C, hдр2=798,6 кДж/кг

D2= (1.19)

D2==7,463 кг/с

Рисунок 1.4 - Схема к расчёту регенеративного подогревателя с охладителями пара и дренажа ПВД6

ПВД5

Подогреватель ПВД5 рассчитывается с учётом нагрева воды в питательном насосе. Схема ПВД5 представлена на рисунке 1.5.

Тепловой баланс ПВД5 записывается в виде:

[D3(h3- hдр3)+( D1+ D2)( hдр2- hдр3)]·h= Dпв(hв3- hпн) (1.20)

D3= (1.21)

где hпн=hвд+ , кДж/кг - энтальпия питательной воды на входе в подогреватель.

 (1.22)

vср - удельный объём воды, м3/кг;

Рн - давление воды в нагнетательном патрубке насоса, МПа;

Рв - давление воды на всасывающем патрубке насоса, МПа;

hнi - коэффициент полезного действия насоса.

hпн=670,4+28,579=699,0 кДж/кг

D3==6,135 кг/с

Рисунок 1.5 - Схема к расчёту регенеративного подогревателя с охладителями пара и дренажа ПВД5

.3.3 Расчет расширителя непрерывной продувки

Паровая нагрузка парогенератора определяется с учётом потерь на продувку и протечек через уплотнения.

Величину расхода котловой воды на непрерывную продувку принимаем 1,5% от расхода питательной воды, то есть

Dпр=1,5%* Dпг =0,015*19488=2,923кг/с.

Уравнение материального и теплового баланса расширителя непрерывной продувки:

Dпр = D”пр+ D’пр (1.23)

Dпр·hпр= Dпр” hпр” + Dпр’hпр’ , (1.24)

где hпр=1647,9 кДж/кг - энтальпия продувочной воды;

hпр’ =670,5 кДж/кг, hпр”=2756,4 кДж/кг - энтальпии конденсата и пара соответственно в расширителе непрерывной продувки.

Рисунок 1.6

Таблица 1.3 - Параметры пара и воды в расширителе

Расширитель

Вода в расширитель

Пар из расширителя

Вода из расширителя


PпрМП

tпр, °С

hпр, кДж/кг

Pпр, МПа

 tпр, °С

hпр”, кДж/кг

Pпр, МПа

tпр, °С

hпр’, кДж/кг

I P1

15,9

346,8

1647,9

0,60

158,8

2756,4

0,60

158,8

670,4

P2

0,60

158,8

670,4

0.12

104.8

2683.06

0.12

104.8

439.30

Решая систему из уравнений и, получаем:

D`пр1=1,553 кг/с

D`пр2=1,37 кг/с

Пар из расширителя РI поступает в деаэратор питательной воды (ДПВ), а продувочная вода - в расширитель РII. Расход пара из расширителя РII

; (1.25)

 кг/с.

Расход продувочной воды выходящей из расширителя РII

D`пр2=D`пр1-D``пр2; (1.26)

D`пр2=1,553-0,159=1,394 кг/с.

Пар из расширителя РII поступает в деаэратор добавочной воды (ДДВ), а продувочная вода - в охладитель продувки ОП, где подогревает воду для водоподготовки.

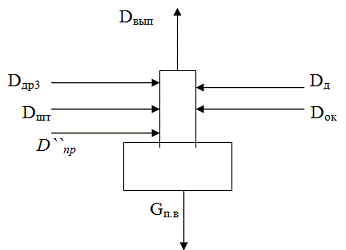
.3.4 Деаэратор питательной воды

Искомыми величинами при расчёте деаэратора являются расход пара в деаэратор Dд и расход основного конденсата на входе в деаэратор Dок.

Материальный баланс деаэратора питательной воды:

Dок+( D1+ D2+ D3)+ Dд+ D``пр+ Dшт = Gпв + Dвып , (1.27)

где Dшт=0,0012*D0=0,23 кг/с - расход пара из уплотнений штоков клапанов;

Выпар из деаэратора

Dвып= Dоу +Dоэ+Dупл, (1.28)

Dоу=0,0009*D0;

Dоэ=0,003*D0;

Dупл=0,003*D0;

Dвып=(0,003+0,003+0,0009)* D0=1,325 кг/с.

Уравнение теплового баланса:

Dокhв4+(D1+D2+D3)hвдр3+ Dдh3+ D``пр h``пр + Dшт hшт =(Gпвh`д+Dвыпh``д), (1.29)

где h`д =670,4 кДж/кг и h``д = 2756,4 кДж/кг- энтальпия воды и пара в деаэраторе

Рисунок 1.7 - Схема к расчёту деаэратора питательной воды

Решая систему уравнений (1,27 и 1,29) , получим:

Dд=3,219 кг/с;

Dок=171,119 кг/с.

.3.5 Подогревательная установка низкого давления

Задачей данного пункта является составление материального и теплового балансов подогревательных и деаэрирующих устройств с нахождением расходов греющей и нагреваемой сред, а также определение количества добавочной воды.

Расчёт группы ПНД заключается в совместном решении тепловых и материальных балансов теплообменников.

ПНД4

Рисунок 1.8 - Схема к расчёту регенеративного подогревателя ПНД4

Тепловой баланс ПНД4:

D4(h4- hдр4)*ηто= Dок(hв4- hв3) (1.30)


Точка смешения СМ3

Dок= Dок3+( D4+ D5) (1.31)

Dок* hсм3 = Dок3* hв3+( D4+ D5)* hдр3 (1.32)

Рисунок 1.9 - Схема к расчёту регенеративного подогревателя ПНД3

Тепловой баланс ПНД3:

Dок3 (hв3- hсм2) = (D5(h5- hдр3)+ D4(hдр4- hдр3))* hто (1.33)

Смеситель 2


Точка смешения СМ2

Dок3=Dок2+ D6+ DПСГ1+ Dкв; (1.34)

Dок3* hсм2 =Dок2* hв2+ D6* hдр2+ DПСГ1* hПСГ1 + Dкв* hвдкв. (1.35)

Рисунок 1.10 - Схема к расчёту регенеративного подогревателя ПНД2

Уравнение теплового баланса для ПНД2:

D6(h6- hдр2)·hто= Dок2 (hв2 - hсм1). (1.36)


Точка смешения СМ1

Dок2=Dок1+ DПСГ2; (1.37)

Dок2* hсм1=Dок1* hв1+ DПСГ2* hПСГ2. (1.38)

Рисунок 1.11 - Схема к расчёту регенеративного подогревателя ПНД1

D7(h7- hдр1)·hто= Dок1 (hв1 - hвпу). (1.39)

Решив систему уравнений (1,30-1,39) получаем следующие значения:

D4=7,965кг/с;

D5=7,981 кг/с;

D6=0,513 кг/с;

D7=0,219 кг/с;

Dок1=12,495 кг/с;

Dок2=42,562кг/с;

Dок3=155,173кг/с;

hсм1=395,358кДж/кг;

hсм2=404,324кДж/кг;

hсм3=521,128кДж/кг.

.3.6 Деаэратор добавочной воды

Для подогрева и деаэрации добавочной воды и обратного конденсата используется пар из отбора турбины.

Схема потоков воды и пара в деаэраторе добавочной воды показана на рисунке 1.4.


Рисунок 1.12 - Схема потоков в деаэраторе добавочной воды

Материальный баланс деаэратора обратного конденсата и добавочной воды ДДВ:

Dкв=Dпов+Dов+Dок+Dдкв+D``пр2, (1.40)

где Dпов - расход греющего пара на подогреватель химически очищенной воды ПОВ, кг/с;

Dов - расход химически очищенной воды, кг/с;

Dок - расход обратного конденсата, возвращенного потребителем, кг/с;

Dдкв - расход греющего пара на ДДВ, кг/с.

Возврат конденсата от производственных потребителей принимаем 40%

Dок=0,4× Dп ; (1.41)

Dок=0,4×63,5=25,4 кг/с.

Расход химически очищенной воды

Dов=Dп-Dок+D`пр2+Dут; (1.42)

Dов =(63,5-25,4)+1,394+2,88=43,374 кг/с.

Принимаем: температура добавочной воды 10 °С (hдв=41,868 кДж/кг), температура конденсата возвращённого производственным потребителем 80°С (hок=334 кДж/кг), температура добавочной воды на входе в химическую очистку 30 °С (hв.пов1=125,604 кДж/кг).

Тепловой расчёт охладителя продувки сводится к определению энтальпий добавочной воды hв.оп и продувочной воды h`пр2д после охладителя, связанных между собой соотношением

h`пр2д-hв.оп=Jоп, (1.43)

где Jоп - разность энтальпий охлаждённой продувочной и нагретой добавочной воды, которую принимаем равной 40 кДж/кг.

Тепловой баланс охладителя продувочной воды ОП:

D`пр2×(h`пр2-h`пр2д)=1.35×Dов×(hв.оп-hдв)×1/ηп, (1.44)

где 1.35 - коэффициент учитывающий потери воды при химочистке (35%),

тогда подставляя в, энтальпия охлаждённой продувочной воды:

; (1.45)

h’пр2д=  = 90,368 к

Энтальпия добавочной воды после охладителя продувки:

hв.оп=90,368-40=50,368 кДж/кг.

Отсюда расход пара на подогреватель очищенной воды ПОВ

; (1.46)

.

Подставляя значения получим:

Dкв=5,832+42,374 +25,4 +Dд.кв+0,159. (1.47)

Тепловой баланс деаэратора химически очищенной воды:

Dкв×hв.дкв×1/ηп=Dдкв×h6+Dпов×h`н6+Dок×hок+Dов×hв6+D``пр2×h``пр2. (1.47’)

Отсюда:

Dкв×439.3×1.002=Dдкв×2562,3+5,832×436,0+25,4 ×334 +

+42,374×401,4+0,159 ×2683,06.

Решая систему (1.47-1.47’) уравнений, получим:

Dд.кв=1,889кг/с;

Dкв = 75,654 кг/с.

.3.7 Баланс пара и воды

Паровой баланс турбины представляет собой сравнение потоков пара, входящих в конденсатор Dп.к и конденсата, выходящего из конденсатора Dв.к.

Поток конденсата выходящий из конденсатора:

Dв.к= Dок1-Dвып -D7; (1.48)

Dв.к=12,495-1,325-0,219=10,951 кг/с.

Поток пара входящий в конденсатор

Dп.к=D0-SDi-DПСГ1- DПСГ2-Dд-Dшт-Dпов-Dдкв-Dпроизвод; (1.49)

Dп.к=192-(9,592+7,463+6,135+7,965+7,981+0,513+0,219)-33,444-33,067- 3,219-0,23-5,832-1,889-63,5=10,95 кг/с.

 (1.50)


.4 Энергетический баланс турбоагрегата

Таблица 1.4 Баланс мощностей

Отсеки

Пропуск пара через отсек

Числовое значение Dij

Теплоперепад Hij

Мощность Dij *Hij

0-1

D0- D шт

191,77

315,5

60,503

1-2

D01- D1

182,178

106

19,311

2-3

D12- D2

174,715

142,8

24,949

3-4

D23- D3

101,861

132,6

13,507

4-5

D34- D4

93,896

112,1

10,526

5-6

D45- D5

85,915

113,4

9,743

6-7

D 56- D6

44,613

165,9

7,401

7-к

D 67- D7

10,95

0

0,000




S Dij ·Hij

145,94


Расчетная электрическая мощность:

Wэл. рас.=(S Dij *Hij/1000)* ηм* ηг; (1.51)

где ηм = 0,98;

ηг = 0,98.

Wэл. рас= 140,161 МВт.

Δ = (Wэл.- Wэл. рас.)/ Wэл. ·100% = 0,115% (1.52)

.5 Определение показателей тепловой экономичности энергоблока с турбиной ПТ-140/165-130/15

Расчёт показателей тепловой экономичности ТЭЦ сводится к определению коэффициентов полезного действия по выработке электрической и тепловой энергии.

.5.1 Энергетические показатели турбоустановки

Полный расход тепла на турбоустановку

Qту=D0×(h0-hв1); (1.53)

Qту=192×(3484,7-1016,9)=473,8 МВт.

Расход тепла на производственные потребители

Qп=Dп×hп-Dок×hок-(Dп-Dок)×hвоп; (1.54)

Qп=63,5*2920,4-25,4*334-(63,5-25,4)×46,655=175,2 МВт.

Расход тепла на отопление

Q0т=139,5 МВт.

Общий расход тепла на внешних потребителей

Qпт=Qп+Qт; (1.55)

Qпт=175,2+139,5=314,8 МВт.

Расход тепла на турбоустановку по производству электроэнергии

Qэту=Qту-D``пр1×(h``пр1-hпв)-D``пр2×(h``пр2-hпв)-(Dут+D`пр2)×(hпв-hвоп)-Qпт (1.56)

где hпв=hв1 - энтальпия питательной воды, кДж/кг.

Qэту = 473,8-[1,37×(2756.4-1016,9)+,0159×(2683.06-1016,9)+

+(2,88+1,374)×(1016,9-46,655)]×10-3-314,8 = 159,1 МВт.

Коэффициент полезного действия по производству электроэнергии

hэту = Wэ/Qэту; (1.57)

hэту = 140,161/159,1 = 0,88.

Удельный расход тепла на производство электроэнергии

qэту = 3600/hэту; (1.58)

qэту = 3600/0,88 = 4090,9 кДж/(кВт×ч).

.5.2 Энергетические показатели ТЭЦ

Тепловая нагрузка парогенераторной установки

Qп г= Dпг×(hпг-hпв) + Dпр×(hпр-hпв), (1.59)

где hпг=3592,8 кДж/кг - энтальпия пара в парогенераторе (при Рпг=15,9 МПа, tпг=555°С); [1]

Qпг=194,88×(3592,8 -1016,9) +2,923×(1647,9-1016,9)=503,8 МВт.

Коэффициент полезного действия трубопроводов:

hтр=Qту/Qпг; (1.60)

hтр=473,8 /503,8 =0,94.

Коэффициент полезного действия ТЭЦ по производству электроэнергии:

hэс=hэту×hтр×hпг, (1.61)

где hпг=0.92- КПД парогенератора;

hэс=0,88×0,94×0.92=0,76.

Коэффициент полезного действия ТЭЦ по производству и отпуску тепла на отопление:

hтс=hт×hтр×hпг; (1.62)

hтс=0.995×0,94×0.92=0,86.

Общий расход условного топлива энергетическими котлами:

, (1.63)

где Qнр=29307.6 кДж/кг - теплота сгорания условного топлива;

 кг у.т./с .

Коэффициент ценности тепла, отпускаемого из 3-го отбора

Кц3 = , (1.64)

где hк=2156 кДж/кг - энтальпия пара в конденсаторе при фактической электрической мощности турбоагрегата, но при условии работы его в конденсационном режиме;

Кц3 =0,678.

Коэффициент ценности 6-ого отбора:

Кц6=; (1.65)

Кц6 =0,395.

Коэффициент ценности 7-ого отбора:

Кц7=; (1.66)