Для вторичного вскрытия пластов применяются корпусной кумулятивный перфоратор. Корпусные кумулятивные перфораторы оказывают наименьшее нежелательное взрывное воздействие на обсадную колонну и заколонное цементное кольцо, поскольку основную часть энергии взрыва зарядов вое принимает на себя корпус перфоратора.
Для вскрытия пласта по табл. 9.3 учебника [2] выбираем перфораторПРК-42С-01, его характеристики представлены в табл. 2.28.
Перфоратор ПРК-42С-01:
Малогабаритный кумулятивный перфоратор с извлекаемым каркасом, спускаемый на каротажном кабеле предназначен для вторичного вскрытия пластов в обсаженных скважинах, заполненных жидкостью или газом.
Перфоратор состоит из герметичных кумулятивных зарядов, размещенных на стальном каркасе сегментного проката. Варианты исполнения перфоратора отличаются условной длиной каркаса - 1 и 2 метра.
Перфоратор имеет оптимальную конструкцию для использования при вскрытии продуктивных пластов через трубы НКТ с герметизированным устьем, в том числе при перфорации на депрессии. Особенности применения
• Улучшенная самоориентация в обсадной колонне, способствующая глубине пробития заряда;
• Повышенная проходимость в наклонно-направленных скважинах и скважинах с тяжелыми и вязкими растворами;
• Незначительная деформация отстрелянной сборки, обеспечивающая её надежную извлекаемость;
• Широкий диапазон рабочего давления;
• Технологичность перфоратора для применения в скважинах с малым
проходным сечением.
Таблица 2.28
|
Поперечный габарит, мм |
42 |
|
Мин. проходной диаметр в колонне, мм |
50 |
|
Диапазон гидростатического давления, МПа |
0,1-80 |
|
Макс. темп. °С, (2 часа) |
150 |
|
Плотность перфорации, отв/м |
12 |
|
Фазировка, град. |
0 |
|
Длина перфоратора, минимальная, м |
1 |
|
Длина перфоратора, максимальная, м |
10 |
Для оценки промышленной нефтегазоносности вскрытого скважиной геологического разреза проводят специальные исследования, объем и методы которых зависят от целевого назначения скважины. Эти исследования направлены на решение следующих задач: определение нефтегазоносности отдельных интервалов и предварительную оценку их промышленной значимости, получение достоверных данных для подсчета запасов и последующего проектирования системы разработки месторождений, определение эксплуатационных характеристик пласта.
Для оценки продуктивности разреза применяют косвенные и прямые методы. Косвенные методы позволяют получить характеристики, косвенным образом указывающие на присутствие нефти или газа в исследованном интервале. К косвенным методам относятся оперативный геологический контроль в процессе бурения и геофизические методы исследования в скважине. Прямые методы базируются на непосредственных свидетельствах о присутствии нефти или газа (отбор пробы, получение притока и т.д.). Прямые методы требуют вызова притока нефти или газа из пласта.
Наиболее полная информация об исследуемых нефтегазовых объектах может быть получена при использовании прямых методов, т.е. основанных на вызове притока из пласта. В задачу исследования прямым методом входят такие вопросы, как выявление возможности получения притока нефти или газа из исследуемого объекта, отбор проб пластовой жидкости для изучения её состава и свойств, установления соотношения компонентов в пластовом флюиде, оценка возможного дебита из исследуемого объекта, измерение пластового давления и получение исходных данных для первоначальной оценки коллекторских свойств объекта, вскрытого скважиной.
Из экспресс-методов, применяемых при исследованиях в скважине, наибольшее распространение получил способ с использованием испытателя пластов, спускаемого на колонне труб.
Его применяют для испытания объектов сразу после их вскрытия, и поэтому при соблюдении правильной технологии испытания он позволяет получить наиболее достоверную оценку незагрязненного буровым раствором пласта.
Испытатель пластов применяют и в обсаженных скважинах, в частности, при испытании пластов с низким пластовым давлением, для очистки призабойной зоны, для испытания обсадных колонн на герметичность и выявления в них участков нарушения герметичности и при других работах, когда в ограниченном объеме ствола скважины надо создать депрессию.
Современный пластоиспытатель включает в себя инструменты, аппараты и приборы, скомпонованные воедино для выполнения функций, необходимых при испытании пласта и проведении измерений. Такой испытатель называется комплектом испытательных инструментов (КИИ), позволяющий проводить одноцикловое испытание скважин. Также существуют комплекты многоциклового испытательного оборудования (МИГ).
Пластоиспытатель выбирается в зависимости от диаметра скважины по табл.
2.29 справочника [4]. Для данной скважины выбираем пластоиспытатель МИГ-127,
его характеристика приведена в табл. 2.29.
Таблица 2.29
|
Тип оборудования |
МИК-127 |
|
Наружный диаметр, мм |
127 |
|
Максимальная длина отдельной сборочной единице, м |
2,9 |
|
Общая длина полного комплекта, м |
17,9-27,2 |
|
Максимальный перепад давления, МПа |
45 |
|
Максимальная температура, 0С |
200 |
|
Максимальная масса комплекта, кг |
5682 |
|
Диаметр обслуживаемых скважин, мм |
167-243 |
|
Присоединительная резьба |
З-101 |
Состав его комплекта приведен в табл. 2.30.
Таблица 2.30
|
Узлы |
МИК-127 |
|
|
|
шифр |
Число |
|
Испытатель пластов |
ИПМ2-127 |
1 |
|
Раздвижной механизм (компенсатор) и устройство для вращения труб |
УВР2-127 |
1 1 |
|
Клапан запорно-поворотный |
КЗ3-127 |
1 |
|
Клапан циркуляционный |
КЦМ2-127 |
1 |
|
Пакер |
ПЦР2-146 |
2 |
|
Пробоотборник |
ПИГ2-127 |
1 |
|
Яс |
ЯГЗ2-127 |
1 |
|
Манометры глубинные регистрирующие геликсные или поршневые на давление от 25 до 100 МПА м продолжительностью регистрации от 12 до 24 ч |
||
|
Распределительное устройство |
РУ-2 |
1 |
|
Уравнительное устройство |
УУ2-146 |
1 |
|
Замок безопасный |
ЗБ2-127 |
1 |
|
Фильтр и опорный башмак |
Ф2-146 |
5 |
|
Переводник приборный |
ПП2-146 |
2 |
|
Патрубок подгонный (удлинитель) |
П-127 |
3 |
|
Переводник левый |
ПЛ-146 |
1 |
|
Приспособление для сжатия ИИ |
ПСГ-2 |
1 |
|
Устройство для опрессовки |
УО |
1 |
Компоновка МИК представлена на рис. 2.7.
Рис. 2.7 Компоновка испытателя пластов
Высокая эффективность бурения скважин может быть достигнута правильным выбором буровой установки. Для этого, необходимо рассчитать максимальную нагрузку на крюке по формуле:
Исходными данными при выборе наиболее рационального класса буровой установки является проектная глубина скважины и максимальная нагрузка на крюке.
Максимальная нагрузка на крюке определяется из условий
, (2.93)
(2.94)
где
- вес колонны УБТ, Н;
- вес 1 м БТ, Н/м;
- длина колоны БТ, м;
- вес турбобура, Н;
- вес 1 м обсадный труб, Н/м;
- длина обсадной колонны, м;
- максимальная нагрузка на крюке буровой установки, Н.
Для бурения проектируемой скважины должна применяться
буровая установка "Уралмаш 4Э" в комплект которой входят: кронблок
УКБ-6-270 грузоподъемностью 270 тонн; вышка ВБ-53-320М грузоподъемностью 320
тонн; крюкоблок УТБК-5-270 грузоподъемностью 270 тонн; вертлюг УВ-250
грузоподъемностью 250 тонн; ротор Р-560-6 с клиновым захватом ПКР-560
грузоподъемностью 250 тонн.
Таблица 2.31
Техническая характеристика установки Уралмаш 4Э-76
|
№ п/п |
Параметры установки |
Значение |
|
1 |
Тип буровой установки |
стационарная |
|
2 |
Тип вышки |
башенная |
|
3 |
Высота вышки, м |
53,5 |
|
4 |
Вид привода буровой установки |
электрический |
|
5 |
Количество электрических двигателей привода лебедки, шт |
2 |
|
6 |
Мощность буровой лебедки, л.с./кВт |
1100 / 810 |
|
7 |
Допустимая нагрузка на крюке/верхнем приводе, кН |
2250 |
|
8 |
Условная глубина бурения, м |
4000 |
|
9 |
Скорость подъема крюка с нагрузкой, м/с |
0,18 |
|
10 |
Скорость подъема крюка без нагрузки, м/с |
1,49 |
|
11 |
Диаметр проходного отверстия стола ротора, мм |
560 |
|
12 |
Максимальная мощность ротора, л.с./кВт |
350/257 |
|
13 |
Количество и тип буровых насосов |
2 х УНБ-600 |
|
14 |
Мощность бурового насоса, л.с. / кВт |
815 /600 |
|
15 |
Вид привода насосов |
электрический |
|
16 |
Высота рабочего пола, м |
6,0 |
|
17 |
Просвет для установки стволовой части превенторов, м |
5,0 |
|
18 |
Рабочий объем циркуляционной системы, м³ |
160 |
|
19 |
Количество ступеней системы очистки |
4 |
|
20 |
Наличие блока приготовления и утяжеления бурового раствора |
да |
|
21 |
Наличие блока хим. обработки бурового раствора |
да |
|
22 |
Наличие дизель-генераторной станции для привода буровой установки |
да |
|
23 |
Тип дизель-генераторной станции |
AKSA ACQ 1130 (на базе трех дизель- генераторов Cummins/Stamford) |
|
24 |
Мощность дизель-генераторной станции, л.с/кВт |
3360 /2470 |
|
25 |
Противовыбросовое оборудование |
350 х 35,0230 х 35,0 |
Таблица 2.32
Параметры буровых лебедок ЛБУ22-720
|
Показатели |
значение |
|
Максимальное усилие в канате, кН |
220 |
|
Расчетная мощность на входном валу, кВт |
720 |
|
Диаметр талевого каната, мм |
28 |
|
Диаметр бочки барабана, мм |
650 |
|
Длина бочки барабана, мм |
840 |
|
Число скоростей лебедки |
4 |
|
Диаметр тормозных шайб, мм |
1180 |
|
Ширина тормозной колодки, мм |
230 |
|
Тип вспомогательного тормоза |
ТЭИ-710-45 |
|
Масса, кг |
34000 |
Таблица 2.33
Параметры ротора Р-700
|
Показатели |
значение |
|
Диаметр отверстия в столе ротора, мм |
700 |
|
Диаметр отверстия с переводником, мм |
560 |
|
Допускаемая статическая нагрузка на стол, кН |
5000 |
|
Максимальная частота стола ротора, об/мин |
350 |
|
Расстояние от центра до цепного колеса, мм |
1353 |
|
Статический крутящий момент, кН.м |
80 |
|
Передаточное число от приводного вала |
3,61 |
|
Основная опора |
1687/770Х |
|
Вспомогательная опора |
1688/770Х |
|
Масса, кг |
4760 |
Таблица 2.34
Параметры кронблока УКБ-6-270
|
Показатели |
значение |
|
Максимальная нагрузка, кН |
2700 |
|
Число канатных шкивов |
6 |
|
Диаметр шкива по дну канавки, мм |
900 |
|
Наружный диаметр шкива, мм |
1000 |
|
Диаметр оси, мм |
220 |
|
Масса, кг |
5170 |
Рис. 2.9 - БУ Уралмаш 4Э-76
.14 Специальная глава
Основной проблемой при бурении скважины на Фаинском нефтяном месторождении является повышенная обводненность продуктивного пласта. Так же при бурении под кондуктор проходятся слабосцементированные породы.
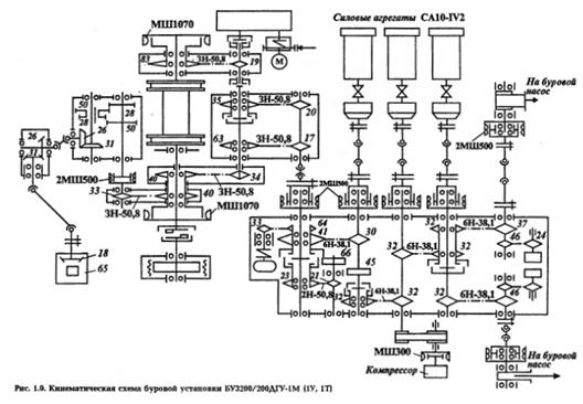
Рис. 2.10 - Кинематическая схема БУ Уралмаш 4Э-76
При бурениия под кондуктор используется полимерглинистый раствор на основе бентонита и КМЦ-700(карбоксометилцеллюлоза).
В данной главе будет рассмотрена методика выбора бурового раствора для данных интевралов.
Методика выбора бурового раствора для временного крепления стенок скважины в интервалах залегания рыхлых песков
Используемые реагенты
Бентонит «Tunnel-Gel Plus» - является новинкой, разработанной компанией Baroid для горизонтально-направленного бурения и микротоннелирования. Благодаря высокой способности к набуханию Tunnel-Gel Plus™ за достаточно короткое время создает готовый к работе буровой раствор, который обладает низкой водоотдачей и имеет прекрасные смазывающие свойства.
Обеспечивает устойчивость бурового ствола;
Обладает отличными смазывающими свойствами;
Просто смешивается и быстро достигает максимальной вязкости;
Снижает риск утечки раствора;
Формирует тонкий фильтрационный пласт;
Обеспечивает удаление твердых частиц с помощью сепарационного оборудования.
По внешнему виду бентонит Tunnel Gel Plus представляет собой порошок светло-коричневого цвета.
Ксантановая смола XANTHAN GUM - природный полисахаридный биополимер. Реагент представляет собой биополимер с высокими рабочими характеристиками, обладающий превосходными реологическими свойствами. Небольшие количества биополимера XANTHAN GUM могут обеспечивать достаточное суспендирование без добавления больших количеств промышленной глинистой твердой фазы. Биополимер XANTHAN GUM наиболее эффективен в качестве средства для сведения к минимуму потенциального повреждения продуктивных зон и содействия оптимизации методов бурения.При повышенных температурах биополимер XANTHAN GUM обеспечивает стабильные реологические характеристики и дает более лучшие результаты. Биополимер XANTHAN GUM позволяет получать буровые растворы с исключительно низким содержанием твердой фазы и великолепными объемными и суспендирующими характеристиками. Это объясняется тиксотропией, т.е. при увеличении напряжения при сдвиге вязкость снижается, приуменьшении напряжения первоначальная вязкость моментально восстанавливается, что обеспечивает:
Минимальное осаждение бурового шлама в статических условиях;
Улучшение промывки скважины при меньших концентрациях бентонита;
Снижение потерь давления циркуляции;
Оптимальный гидравлический режим работы долота, что повышает механическую скорость проходки.
Биополимер XANTHAN GUM является универсальным продуктом и может использоваться в большинстве типов растворов на водной основе. Он также совместим с большинством других присадок к буровым растворам, чаще всего используемых в этих растворах, хотя всегда рекомендуется перед использованием любого сомнительного сочетания продуктов провести предварительные испытания. Биополимер XANTHAN GUM эффективно функционирует в буровых растворах на основе пресной воды и солевых растворов, а также в различных растворах для капитального ремонта скважин и растворах для закачивания скважин на основе рассолов в широком диапазоне pH.