Материал: Проект одноступенчатого горизонтального косозубого цилиндрического редуктора общего назначения, входящего в состав привода

Внимание! Если размещение файла нарушает Ваши авторские права, то обязательно сообщите нам


Основные геометрические размеры передачи

Диаметр делительной окружности

а) шестерни

 

б) колеса

Проверка значения межосевого расстояния

 

Диаметр окружности вершин зубьев

а) шестерни

 

б) колеса


Диаметр окружности впадин зубьев

а) шестерни

 

б) колеса


Высота зуба


Проверка пригодности выбранных заготовок

Размер заготовки шестерни

 

Ширина заготовки колеса


Проверка:

Верно

Окружная скорость колёс и степень точности передачи

 

Т.к. зубья прямые, и окружная скорость не превышает пятнадцати метров в секунду, то выбираем 8-ю степерь точности

Силы, действующие в зацеплении

Окружная сила


Радиальная сила


Осевая сила

 

Полученные результаты заносим в таблицу 2

Таблица 2 - Расчёт цилиндрической зубчатой передачи

Параметр

Обозначение

Единица измерения

Ширина венца шестерни

мм

53

Ширина венца колеса

мм

50

Число зубьев шестерни

шт.

40

Число зубьев колеса

шт.

124

Нормальный модуль

мм

1,5

Делительный диаметр шестерни

мм

61,31

Делительный диаметр колеса

мм

190,07

Межосевое расстояние

мм

125

Диаметр окружности вершин зубьев шестерни

мм

57,56

Диаметр окружности вершин зубьев колеса

мм

186,32

Диаметр окружности впадин зубьев шестерни

мм

64,31

Диаметр окружности впадин зубьев колеса

мм

193,07

Степень точности


-

8

Окружная сила

Н

0,85

Радиальная сила

Н

1087

Осевая сила

Н

531

3       ПРОЕКТНЫЙ РАСЧЁТ ВАЛОВ РЕДУКТОРА

Ведущий вал

Крутящий момент в расчётном сечении вала


Допускаемое напряжение при кручении


Диаметр выходного конца вала


Т.к. ведущий вал соединяется с валом электродвигателя через цепную передачу , то для получения рациональной конструкции привода небоходимо, чтобы

Принимаем  = 36 мм

Диаметрв вала под подшипники

 

Диаметр буртика под подшипники


Диаметр вала под шестерню

Не назначаем, т.к. принимаем шестерню, выполненную за одно целое с валом

Диаметр резьбового участка вала


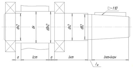
Длины участков валов

а)

б)

в)

г)

Данные величины принимаем согласно ряду нормальных линейных размеров:

а)

б)

в)

г)

Минимальный диаметр конического участка вала


Рисунок 3 - Отношение минимального диаметра конического участка вала к диаметру выходного конца вала

Выполняем эскиз ведущего вала

привод редуктор передача цилиндрический

Рисунок 4 - Эскиз ведущего вала

Ведомый вал

Крутящий момент в расчётном сечении вала


Допускаемое напряжение при кручении


Диаметр выходного конца вала


Диаметрв вала под подшипники


Принимаем стандартный диаметр вала под подшипники, равный 45 мм

Диаметр буртика под подшипники


Длины участков валов

а)

б)

в)

Данные величины принимаем согласно ряду нормальных линейных размеров:

а)

б)

в)

Минимальный диаметр конического участка вала


Эскиз ведущего вала

Рисунок 5 - Эскиз ведомого вала

Окончательные размеры длин участков валов определяются при конструировании крышек водшипников и корпуса редуктора, а также выбора типа уплотнения

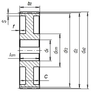
. КОНСТРУКТИВНЫЕ РАЗМЕРЫ ЗУБЧАТОГО КОЛЕСА

Рисунок 6 - Зубчатое колесо

Наружный диаметр ступицы колеса


Наружный диаметр ступицы принимаем, равный 83мм

Длина ступицы колеса


Толщина обода

Толщину обода принимаем, равную 6 мм

Толщина диска колеса


Толщину диска колеса принимаем, равную 20 мм

Фаска


Принимем f=1мм

6. ПОДБОР ПОДШИПНИКОВ КАЧЕНИЯ

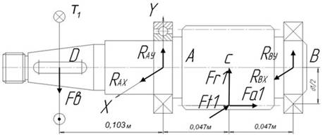
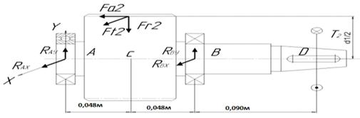
Рисунок 7 - Направления действующих сил

Ведущий вал

Схема нагружения

Рисунок 8 - Схема нагружения ведущего вала

Исходные данные:

а)

б)

в)

г)

д) ;

е)

ж)

з)

Определение реакций опор в горизонтальной плоскости

Рисунок 9 - Реакции опор ведущего вала


Проверка:

0

верно

Определение реакций опор в вертикальной плоскости

Рисунок 10 - Реакции опор ведущего вала

Так как схема нагружена симметрично, то

 

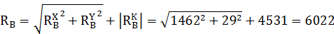
Расчёт суммарных радиальных опорных реакций

 

Выбор типа подшипников

Выбираем радиальный шариковый подшипник лёгкой серии 209:=45мм, D=85мм, B=19мм, . Грузоподъёмность: Cr=33,2кН, Cor=18,6кН

Рисунок 11 - Схема нагружения подшипника 209

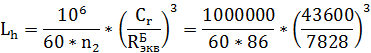
Минимальная долговечность подшипников

Для подшипника Б, воспринемающего осевую нагрузку:


Принимаем коэффициенты: x=0,56, y=1,71 e=0,26

 

Принимаем: x=0,56; y=1,71

Эквивалентная динамическая радиальная нагрузка на подшипник Б


где  - колэффициент вращения при вращающемся кольце подшипника,

 - коэффициент безопасности;

 - температурный коэффициент

Эквивалентная динамическая радиальная нагрузка на подшипник А


Расчётная долговечность наиболее нагруженного подшипника

 


Подшипник 209 подходит

Ведомый вал

Схема нагружения

Рисунок 12 - Схема нагружения ведомого вала

Исходные данные

а)

б)

в)

г) ;

д)

е)

ж)

Определение реакций опор в горизонтальной плоскости

Рисунок 13 - Реакции опор ведомого вала

 

Проверка:

верно

Определение реакций опор в вертикальной плоскости

Рисунок 14 - Реакции опор ведомого вала

Так как схема нагружена симметрично, то


На выходе зубчатого колеса редуктора стоит муфта


Рисунок 16 - Реакции опор ведомого вала

Проверка:

верно

Расчёт суммарных радиальных опорных реакций


Выбор типа подшипников

Выбираем радиальный шариковый подшипник лёгкой серии 211: d=55мм, D=100мм, B=21мм. Грузоподъёмность: Cr=43.6кН, Cor=25кН

Рисунок 16 - Схема нагружения подшипника 210

Минимальная долговечность подшипников

Для подшипника А, воспринемающего осевую нагрузку:


 

Принимаем коэффициенты: x=0,56 , y=1,85 , e=0,24.


Окончательно: x=1 , y=0

Эквивалентная динамическая радиальная нагрузка на подшипник А


Эквивалентная динамическая радиальная нагрузка на подшипник Б


Расчётная долговечность наиболее нагруженного подшипника

 

 

Подшипник 211 подходит


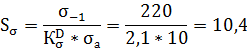
. Проверочный расчёт валов на сопротивление усталости

Материал вала

Выбираем сталь Ст5. Диаметр заготовки любой, твёрдость не ниже 190 HB, предел прочности  = 520 МПа, предел выносливости при симметричном цикле изгиба  = 220 МПа и кручении  = 130 МПа

Эпюры изгибающих и крутящих моментов для ведомого вала

Горизонтальная плоскость

Рисунок 17 - Эпюра изгибающих и крутящих моментов

 

Вертикальная плоскость

Рисунок 18 - Эпюра изгибающих и крутящих моментов


Изгиб от силы

Рисунок 19 - Эпюра изгибающих моментов от силы


Кручение

 

Рисунок 20 - Эпюра крутящих моментов


На основании построенных эпюр  устанавливаем опасные сечения вала, которые подлежат расчёту:

-1      сечение в месте пересечения середины ступицы со шпоночным пазом;

-2      сечение под подшипником Б на шейке вала

Сечение 1-1

Суммарный изгибающий момент в сечении


Осевой момент сопротивления сечения с учётом шпоночного паза

=

Полярный момент сопротивления сечения


Амплитуда нормальных напряжений


Амплитуда касательных напряжений


Коэффициенты концентрации напряжений


где  и  - эффективные коэффициенты концентрации напряжений (для вала со шпоночным пазом);

 и  - коэффициенты влияния абсолютных размеров поперечного сечения детали при изгибе и кручении соответственно;

 - коэффициент влияния шереховатости поверхности


Коэффициенты запаса прочности по нормальный и касательным напряжениям


Результирующий коэффициент запаса прочности


Прочность сечения 1-1 на усталгость обеспечена

Сечение 2-2

Суммарный изгибающий момент в сечении


Осевой момент сопротивления сечения


Полярный момент сопротивления сечения

Амплитуда нормальных напряжений


Амплитуда касательных напряжений


Коэффициенты концентрации напряжений


Коэффициенты запаса прочности по нормальный и касательным напряжениям

 

Результирующий коэффициент запаса прочности


Прочность сечения 2-2 на усталгость обеспечена.

Так как прочность вала обеспечена, все данные оставляем без изменения.

 

8. ПОДБОР И ПРОВЕРКА ПРОЧНОСТИ ШПОНОК

Ведущий вал

На ведущем валу устанавливаем шпонку под шкив


Из таблицы ГОСТ принимаем шпонку призматическую со скруглёнными торцами [4]

  

Эскиз соединения

Принимаем 50мм

Принимаем при стальной ступице и спокойной нагрузке

Прочность шпонки обеспечена

Обозначение шпонки: Шпонка 10х8х50 ГОСТ 23360-78

Ведомый вал

На ведомом валу устанавливаем шпонку под колесо

Из таблицы ГОСТ принимаем шпонку призматическую со скруглёнными торцами

Принимаем

 


Прочность шпонки обеспечена

Обозначение шпонки: Шпонка 16х11х50 ГОСТ 23360-78

Принимаем посадку под колесом:

На ведомом валу устанавливаем шпонку под муфту


Из таблицы ГОСТ принимаем шпонку призматическую со скруглёнными торцами

В=10 h=8 =5

Принимаем

 


Прочность шпонки обеспечена

Обозначение шпонки: Шпонка 12х8х63 ГОСТ 23360-78

Вычерчиваем шпонки на миллиметровке сборочного чертежа редуктора

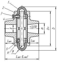
. ПОДБОР МУФТЫ

Исходные данные:


На тихоходном валу редуктора устанавливаем муфту упругую с торообразной оболочкой такую, чтобы допускаемый крутящий момент был не менее заданного расчётного и диаметр отверстия [1]

где - коэффициент режима работы муфты при постоянной нагрузке.

Выбираем:

Муфта 315-45 ГОСТ 20884-82

Эскиз муфты

Рисунок 23

1 - резиновый упругий элемент;

2 - полумуфта;

3 - винт;

- кольцо;

- прижимное полукольцо;

- винт

Проверяем торообразную оболочку муфты на прочность по напряжениям среза


где - диаметр опасного сечения;

Прочность муфты обеспечена.

10. СМАЗКА ЗУБЧАТОЙ ПЕРЕДАЧИ И ПОДШИПНИКОВ

Исходные данные:

Способ смазки

Выбираем картерную систему смазки, т.е. погружение зубчатого колеса непосредственно в масло, залитое в корпус редуктора

Рисунок 24 - Картерная система смазки

Тип СОЖ

Для смазки и охлаждения зубчатых колёс используем индустриальное масло для для гидравлических систем без присадок с кинмеатической вязкостью 68

Обозначение масла

И-Г-А-68

Глубина масляной ванны под колесом

Уровни погружения цилиндрических колёс редуктора в масляную ванну

а) минимальный уровень погружения

 

б) максимальный уровень погружения


Смазка подшипников

Подшипники произвольно смазываются брызгами масла, залитого в корпус редуктора

Контроль уровня масла

Контроль уровня масла осуществляется визуально при помощи маслоуказателя.

СПИСОК ИСПОЛЬЗУЕМОЙ ЛИТЕРАТУРЫ

1.      Дунаев П.Ф. Детали машин. Курсовое проектирование: Учеб. пособие для машиностр. спец. учреждений среднего профессионального образования / П.Ф. Дунаев, О.П. Леликов. - М. : Машиностроение, 2004. - 560 с.

.        Техническая механика. Курсовое проектирование. Расчетная часть проекта. Редукторы цилиндрические : метод. указания для студентов специальностей 151001, 160203. В 2-х книгах. Книга 1 / авт.-сост. Г.Ф. Фефилова - Ульяновск: УАвиаК, 2010.

.        Техническая механика. Курсовое проектирование. Расчетная часть проекта. Редукторы цилиндрические : метод. указания для студентов специальностей 151001, 160203. В 2-х книгах. Книга 2 / авт.-сост. Г.Ф. Фефилова - Ульяновск: УАвиаК, 2010.

.        Шейнблит А.Е. Курсовое проектирование деталей машин: Учеб. пособие для техникумов. - М., Высш. школа,, 1991. - 432 с.

.        Чернавский С.А. Курсовое проектирование деталей машин: Учеб. пособие для учащихся машиностроительных специальностей техникумов /С.А. Чернавский, К.Н. Боков, И.П. Чернин и др. - 2-е изд., перераб. и доп. - М.: Машино-строение, 1988. - 416 с.