Температура и энтальпии дренажа подогревателей без охладителей дренажа равны параметрам насыщения. Значения температуры насыщения tн иэнтальпии кипящей воды h' определяются по давлению в подогревателях рп ,рассчитанным ранее для чего используется таблица [3].
Значения температуры питательной воды tпв, основного конденсата tок и сетевой воды tсвза соответствующими подогревателями определены выше с учётом недогрева воды от температуры насыщения.
Для деаэратора (Д), конденсатора (К) и смешивающих подогревателей температура основного конденсата равна температуре насыщения при давлении в этих теплообменниках.
Значение
давления питательной воды Рпв, основного конденсата Рок и сетевой воды Рсв в
подогревателях приближенно определяются, как давление за питательным,
конденсатным и сетевым насосами по формулам:
Значение энтальпии питательной воды hпв, основного конденсата hок и сетевой воды hсв определяются по соответствующим значениям температур и давлений по таблицам воды [3].Для Д, К параметры воды и основного конденсата равны параметрам насыщения.
Значение
удельной работы одного килограмма пара, идущего в j отбор турбины,
определяется по формуле
для отборов ЦВД и для всей турбины при отсутствии
промежуточного перегрева пара, по формуле
, для
отборов ЦНД при наличии промежуточного перегрева пара. В схемах с
влажнопаровыми турбинами величина Δhпп подразумевает разность энтальпии пара на выходе из СПП и энтальпии
пара на выходе из ЦВД.
Значение
коэффициентов недовыработки мощности паром, идущим в j отбор турбины,
определятся по формуле:
.
-
подогрев воды в охладителе дренажа [4].
Величина
удельной работы одного килограмма пара, идущего в j отбор турбины,
определяется по формуле:
Величина
коэффициентов недовыработки мощности паром, идущим в j отбор турбины,
определяется по формуле:
где
Hi - полный действительно использованный теплоперепад на
турбину.
Таблица 1. Параметры пара, конденсата и воды:
|
Точка процесса в турбине |
Элементы тепловой схемы |
Пар в турбине (отборе) |
Пар в подогревателе |
Дренаж греющего пара |
Охладитель дренажа |
Питательная вода, основной конденсат |
Удельная работа отбора |
Коэф - т недовыработки |
|||||
|
|
|
ротб |
hотб |
рп |
tн |
h' |
tод |
hод |
tпв |
рпв |
hпв,ок,св |
Hj |
yj |
|
|
|
МПа |
кДж/кг |
МПа |
˚С |
кДж/кг |
˚С |
кДж/кг |
˚С |
МПа |
кДж/кг |
кДж/кг |
- |
|
0 |
- |
7.0 |
2772 |
- |
- |
- |
- |
- |
- |
- |
- |
- |
- |
|
0' |
- |
6.65 |
2772 |
- |
- |
- |
- |
- |
- |
- |
- |
- |
- |
|
С |
С |
1,17 |
2783 |
1,11 |
184,5 |
783 |
- |
- |
- |
- |
- |
- |
- |
|
ПП2 |
ПП2 |
7 |
2772 |
6,65 |
- |
- |
- |
- |
- |
- |
- |
- |
- |
|
ПП1 |
ПП1 |
3,514 |
2684 |
3,347 |
- |
- |
- |
- |
- |
- |
- |
- |
- |
|
1 |
П1 |
3,652 |
2676 |
3,478 |
242,2 |
1049 |
217,2 |
931 |
237,2 |
9.8 |
1025 |
96 |
0,902 |
|
2 |
П2 |
2,092 |
2588 |
1,993 |
212,2 |
907 |
197,2 |
840 |
207,2 |
9.8 |
888 |
184 |
0,813 |
|
д |
Д |
1,17 |
2511 |
0,9 |
175,5 |
743 |
- |
- |
175,5 |
0,9 |
743 |
261 |
0,735 |
|
3 |
П4 |
0,693 |
2916 |
0,673 |
163,4 |
690 |
139,4 |
587 |
160,4 |
1,26 |
678 |
341 |
0,654 |
|
4 |
П5 |
0,298 |
0,290 |
132,4 |
556 |
108,3 |
454 |
129,4 |
1,26 |
545 |
473 |
0,520 |
|
|
5 |
П6 |
0,109 |
2636 |
0,106 |
101,3 |
424 |
- |
- |
98,3 |
1,26 |
413 |
621 |
0,370 |
|
6 |
П7 |
0,0284 |
2472 |
0,0276 |
67,2 |
281 |
- |
- |
67,2 |
0,0276 |
281 |
785 |
0,203 |
|
k' |
К |
0,0047 |
2271 |
0,0045 |
31,0 |
130 |
- |
- |
31,0 |
0,0045 |
130 |
986 |
0 |
.1 Составление и решение уравнения
материальных и тепловых балансов всех элементов схемы
Материальный баланс по пару
Относительный
расход пара на турбину
.
Относительный
расход пара на влажнопаровую турбоустановку АЭС в общем случае определяется как
.
Относительный
расход пара из ПГ в общем случае равен:
,
где
- относительный расход пара на утечки;
- относительный расход пара на уплотнения.
.
Материальный баланс по воде
Относительный
расход питательной воды в ПГ в общем случае определяется как
,
-
относительный расход пара на продувку.
.
Материальный
баланс добавочной воды
.
С помощью программы Mathcad совместным решением системы уравнений находим неизвестные параметры уравнений.
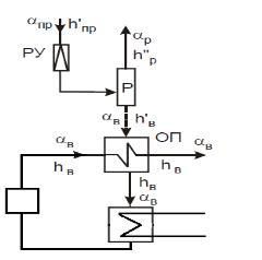
Расширитель непрерывной продувки (Р)
Служит для уменьшения потери рабочего тела и сохранения части теплоты, сбрасываемой с непрерывной продувкой из корпуса парогенератора АЭС с естественной циркуляцией.
Цель расчета расширителя заключается в определении относительных расходов
пара αР и воды αВ по принятому расходу продувочной
воды αПР на основе решения уравнений материального
и теплового балансов.
Рис. 2. Расчетные схемы расширителя и оладителя непрерывной продувки ПГ
′пр-
энтальпия продувочной воды, определяется для состояния насыщения при давлении в
барабане парогенератора;′′р, h′в- энтальпии пара и воды на
выходе из расширителя, определяются для состояния насыщения при давлении в
расширителе Pр=0,735 МПа, которое из-за гидравлических потерь в трубопроводе на
2 - 8% выше давления в том элементе схемы, куда отводится пар; ηС= 0,99 - КПД расширителя.
Охладитель
продувки
Рис. 3. Расчётная схема охладителя продувки
Целью расчета ОП является определение энтальпии hоп, которая находится из системы уравнений [1]:
Энтальпия
воды на входе в ОП будет равна [1]:
Тогда
Составление и решение уравнений материального и теплового балансов подогревателей регенеративной системы
Целью расчёта регенеративных подогревателей является определение относительных расходов греющего пара на них из отборов турбины.
Для определения этих расходов составляются и последовательно, а также совместно решаются уравнения материального и теплового баланса теплообменников. В тепловых схемах установок насыщенного пара АЭС предусмотрен сброс сепарата из сепаратора и отвод дренажа греющего пара промежуточных пароперегревателей в регенеративные подогреватели. Возникает сложность определения. Поэтому при расчёте тепловых схем АЭС требуется современное решение системы балансовых уравнений для этих взаимосвязанных элементов.
Система уравнений тепловых и материальных балансов, составленных для всех рассчитываемых элементов схемы турбоустановки, может быть решена методом последовательных приближений или другим способом, а также с помощью прикладных программ на ПЭВМ.
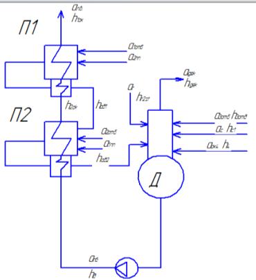
В тепловой схеме АЭС сначала рассчитываем ПВД, против хода питательной воды, потом деаэратор и затем группу ПНД от деаэратора к конденсатору значение энтальпий смотрим в таблице 1. Для решения систем будем применять метод последовательных приближений.
Расчет ПВД, С+ПП2,деаэратора.
В последующих расчетах мы будем находить относительные расходы на подогреватели высокого давления ПВД1 и ПВД2,сепаратора, двух ПП и деаэратора. Для этого нужно будет решить систему из семи неизвестных.
Неизвестными в этой системе будут:
Для расчета нам известны:


Используем
Схему1 и Схему 2:
Схема 1
Схема 2
Найдем
Для
этого решим систему
Решение
системы являются:
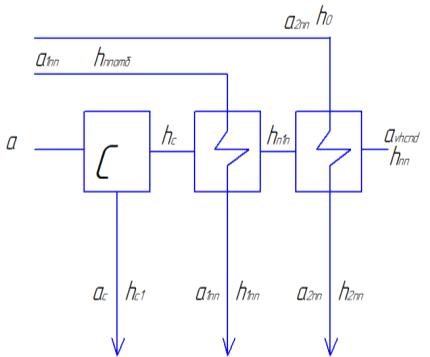
ПНД4, ПНД5, ПНД6
Рис. 8. Расчётная схема ПНД-4, ПНД-5,ПНД-6
Система уравнений:
Решение
системы являются:
ПНД-7(смешивающий)
Рис. 10 Расчётная схема ПНД-7
Система уравнений:
Таким образом, были получены следующие числовые значения искомых величин:
Проверка материального баланса рабочего тела в схеме[1]
После
определения расходов из всех j-х отборов турбины, определяем из материального
баланса турбины относительный расход пара в конденсатор
, где
- сумма
расходов во все отборы турбины.
;
Оценим
погрешность:
что
меньше допустимой погрешности 0,5%.
3.3 Определение расхода пара на
турбину
Расход пара на турбину определяется по формуле:
,
где
механический КПД паротурбинной установки;
КПД
генератора;
относительный
расход пара в j-ый отбор. Определены в п.3.4., от.ед.;
коэффициент
недовыработки j-го отбора. Определены в п.3.2., от.ед.;
относительный
расход сепарата в сепараторе. Определен в п.3.4., от.ед.;
коэффициент
недовыработки 3-го отбора. Определены в п.3.2., от.ед.;
электрическая
мощность АЭС. Задана, кВт;
действительныйтеплоперепад
на турбину. Определен в п.3.1., кДж/кг.
Сделаем
проверку. Рассчитаем мощность АЭС по формуле:
;
Относительная
погрешность расчета:
3.4 Расчет показателей тепловой экономичности
атомный электрический станция тепловой
Тепловую нагрузку ПГ определяем по формуле:
пг=G0(aпг(h0-hпв)+ aпрод(h`пр-hпв)), кВт,
где h0, hпв, h`пр - энтальпии пара на входе в турбину, питательной воды на входе в ПГ и продувочной воды, кДж/кг; aпп=aсвых - относительный расход пара через ПП; Dhпп- повышение энтальпии в ПП; aпг и aпрод относительные расходы пара из ПГ и продувочной воды.
`прод=f(P0)=2772 кДж/кг.