При отсутствии подачи электроэнергии к памяти этого типа происходит разряд конденсаторов, и память опустошается (обнуляется). Для поддержания необходимого напряжения на обкладках конденсаторов ячеек и сохранения их содержимого, их необходимо периодически подзаряжать, прилагая к ним напряжения через коммутирующие транзисторные ключи. Такое динамическое поддержание заряда конденсатора является основополагающим принципом работы памяти типа DRAM и называется регенерацией памяти.
В рамках курсового проектирования использовались
микросхемы KM44C1000D производства компании Samsung Electronics (организация 1M
х 4бит). Таким образом, использование этих микросхем позволило обойтись всего 8
корпусами для достижения необходимой конфигурации памяти. Для работы
построенной памяти был выбран контроллер Renesas H8S/2377R.
Рисунок 5.1 - Условное обозначение микросхемы
памяти
Таблица 5.1 - Описание выводов микросхемы ОП
|
Обозначение |
Описание |
|
A0 - A9 |
Адресные входы |
|
DQ0 - 3 |
Вход/выход данных |
|
Vss |
Земля |
|
-RAS |
Строб адреса строки |
|
- CAS |
Строб адреса столбца |
|
-W |
Разрешение записи |
|
-OE |
Разрешение чтения |
|
Vcc |
Питание (+5) |
Рисунок 5.2 - Структурная схема микросхемы
памяти КМ44С100D.
5.2 Работа динамического ОЗУ
Адрес в микросхему вводится через контроллер, который автоматически генерирует необходимые сигналы для выбора необходимой строки и столбца. По линиям адреса вводится адрес и фиксируются. Внутри микросхемы имеются регистры-защелки для хранения адреса строки и столбца, а также регистр-защелка для фиксации данных.
Цикл обращения к памяти начинается по сигналу ¬RAS, при этом стробируется адрес строки, дешифрируется и выбирается одна из строк матрицы в регистр-защелку строки (информация в выбранной строке разрушается).
По сигналу ¬CAS адрес из линий адреса стробируется в регистр-защелку адреса столбца, который после дешифрации выбирает соответствующий элемент из регистра строки. При пассивном ¬WE (чтение) выбранный разряд появляется на входе DQ, при активном ¬WE (запись) входной сигнал DQ заменяет выбранный разряд. Цикл обращения к ОЗУ заканчивается, когда ¬RAS становится пассивным, после чего происходит перезаряд выбранной строки - копирование данных из регистра строки в соответствующую строку матрицы.
Поскольку обращения (запись или чтение) к различным ячейкам памяти обычно происходят в случайном порядке, то для поддержания сохранности данных применяется регенерация (Memory Refresh - "освежение" памяти) - регулярный циклический перебор ее ячеек (обращение к ним) с холостыми циклами. Регенерация в микросхеме происходит одновременно по всей строке матрицы при обращении к любой из ее ячеек. Максимальный период обращения к каждой строке (refresh time) для гарантированного сохранения информации у современной памяти лежит в пределах 16 мс.
Циклы регенерации могут организовываться разными
способами. Для регенерации спроектированной памяти была использована
регенерация без импульса ¬CAS, сокращенно именуемый ROR (RAS Only Refresh -
регенерация только импульсом ¬RAS). В этом цикле для регенерации информации в
одной строке адрес очередной регенерируемой строки выставляется контроллером
памяти и подается сигнал ¬RAS при пассивных ¬CAS и ¬WE. По этому сигналу строка
матрицы копируется в регистр-защелку строки, а по спаду ¬RAS строка
восстанавливается. Порядок перебора регенерируемых строк последовательный.
Рисунок 5.3 - Временная диаграмма режима записи
Рисунок 5.4 - Временная диаграмма режима чтения
Рисунок 5.5 - Временная диаграмма режима регенерации
5.3 Контроллер ОП
Контроллер динамической памяти предназначен для полного управления работой памяти. Как описано выше, адрес памяти условно разбит на две части: адрес строк и адрес столбцов. Адреса передаются поочередно вместе со стробирующими сигналами подачи адреса. Так же контроллер условно “открывает” и “закрывает” двунаправленную шину данных. Внутри контролера находятся три основные цепи - это чтения, записи и регенерации. Цепи чтения и записи устанавливают необходимые сигналы активности входа/выхода микросхем памяти, а так же подают в необходимом порядке адрес и стробирующие сигналы. Цепь регенерации блокирует подачу сигнала строба по столбцам, а в это время активирует строб перебора по строкам и передает управление адресом на счетчик. Счетчик, который находится в цепи регенерации, необходим для перебора двоичных адресов по строкам памяти. По этим адресам из счетчика будет проводиться регенерация соответствующих строчек. Основа логики контроллера лежит на сигналах с шины. Наиболее важны сигналы индикации записи/чтения, строба адреса и синхронизации.
В рамках курсового проекта был выбран контроллер
марки Renesas H8S/2377R, который выполняет все описанные выше действия.
Рисунок 5.6 - Условное графическое изображение
контроллера
Таблица 5.2 - Назначение выводов контроллера
|
Название вывода |
Описание |
|
|
A0-A19 |
Адрес |
|
|
WE |
Сигнал разрешения записи |
|
|
RE |
Сигнал разрешения чтения |
|
|
clk |
Вход тактового сигнала |
|
|
RAS |
Сигналы выбора строки |
|
|
CAS |
Сигналы выбора столбца |
|
|
Vcc |
Напряжение питания |
Земля |
6. Интерфейс шины процессор -
память: ISA
Связь между процессором и модулем динамического ОЗУ необходимо выполнить с помощью стандартного интерфейса. Для адресации заданного объема оперативной памяти 4 МБ при четырехбайтовом слове наиболее подходящей оказалась системная магистраль ISA. Она имеет 20 разрядов адреса и 16 разрядов данных. Системная магистраль предназначена для обмена данными между центральным процессором и оперативной памятью.
Так как разрядность канала данных шины равна 16 разрядам, а длина слова ОП равна 32 разряда, то существует необходимость передачи данных через шину за два цикла. Это реализуется с помощью временного хранения половины слова ОП в регистре и последующей его передачи, по завершении передачи первой половины.
Подобным же образом организован и прием данных
для записи в ОП. Сначала передается первая часть слова, которая записывается в
регистр для временного хранения, затем передается вторая часть слова, после
чего уже происходит запись данных.
Таблица 6.1 - Описание сигналов шины
|
Обозначение |
Описание |
|
SA<19..0> |
Адресные сигналы шины |
|
BALE |
Сигнал разрешения на «защелкивание» адреса на шине |
|
AEN |
Разрешение адреса |
|
SD<15..0> |
Шина данных |
|
-MEMR |
Сигнал разрешения чтения памяти |
|
-MEMW |
Сигнал разрешения записи в память |
|
-REFRESH |
Сигнал информирования о том, что совершается регенерация памяти |
|
-MASTER |
Сигнал захвата устройством шины |
|
SYSCLK |
Сигнал тактовой частоты |
|
IRQ<15..0> |
Сигналы запроса прерывания |
|
-0WS |
0 тактов ожидания |
Заключение
В ходе курсового проектирования был сформирован блок обработки дынных в заданном архитектурном базисе, а также - приведены чертежи его основных блоков. При проектировании были использованы различные подходы построения цифровых устройств, в случаях, когда микросхему невозможно было подобрать, применялись эквивалентные схемы, собранные на других микросхемах.
Таким образом по завершении курсового проектирования был разработан блок обработки данных в заданном структурном базисе с небольшими отступами от него, где это было необходимо. По завершении были представлены чертежи и документация, описывающая проделанную работу.
Список использованных источников
шина данная автомат интерфейс
1. Аверьянов Н. Н., Березенко А.И., Борщенко Ю.И. и др.; Под ред. Шахнова В.А. Микропроцессоры и микропроцессорные комплекты интегральных микросхем: Справочник: В 2 т. - М.: Радио и связь, 1988. - 368 с.: ил. ISBN 5-256-00371-2
. Райхлин В.А. Основы цифровой схемотехники.: Учебное пособие для вузов. Казань: Изд-во Казан. гос. тех. ун-та, 2000. - 352 с. ISBN 5-7579-0311-2
. Аванесян Г.Р., Левшин В.П. Интегральные микросхемы ТТЛ, ТТЛШ: Справочник. - М.: Машиностроение, 1993. - 256 с.: ил. ISBN 5-217-02604-9
. Нефедов А.В. Интегральные микросхемы и их зарубежные аналоги: Справочник. Т. 5. - М.: КубК-а, 1997. 608 с.: ил. ISBN 5-85554-158-4
. Интерфейсы систем обработки данных: Справочник/А.А. Мячев, В.ЯН. Степанов, В.К. Щербо; Под ред. А.А. Мячева.- М.: Радио и связь, 1989.- 416 с.
Приложение A
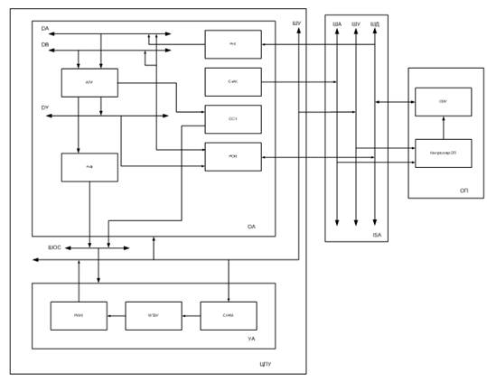
Рисунок A1 - структурная схема БОД
Приложение Б
Описание схемы К1804ВС2
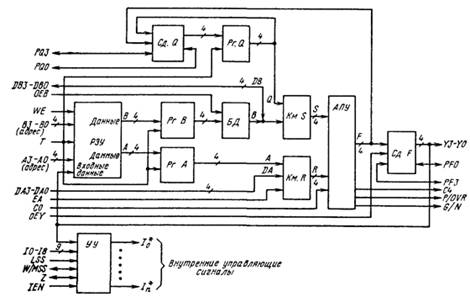
Рисунок Б1 - Схема электрическая структурная МПС
К1804ВС2
Таблица Б1 - Основные электрические параметры МПС

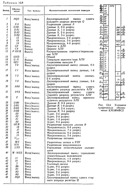
Таблица Б2 - назначение выводов К1804ВС2
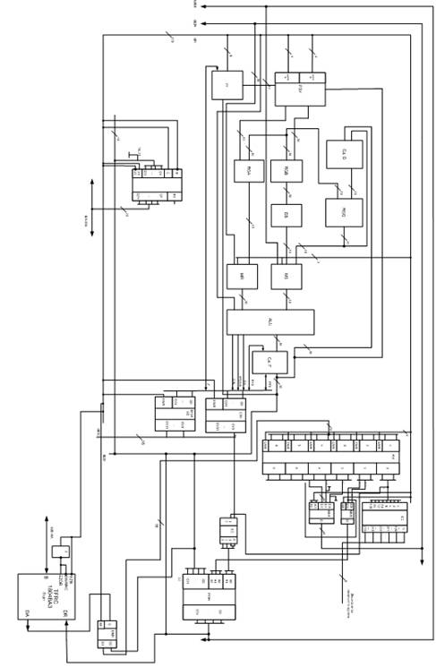
Рисунок Б2 - функциональная схема ОА
Приложение В
Описание схемы К1804ВР1
Талица В1 - назначение выводов К1804ВР1
Таблица В2 - основные электрические параметры
Приложение Г
Описание схемы К1804ИР2
Таблица Г1 - назначение выводов К1804ИР2
Таблица Г2 - основные электрические параметры К1804ИР2
Приложение Д
Описание схемы К155КП7
Таблица Д1 - обозначение выводов К155КП7
Приложение Е
Таблица Е1 - обозначение выводов К155ИД3
Приложение Ж
Описание схемы К1804ВУ4
Таблица Ж1 - назначение выводов К1804ВУ4
Рисунок Ж1 - общая структура УА
Описание схемы К1804ВУ4
Таблица Ж2 - основные электрические характеристики схемы
Приложение З
Таблица З1 - Динамические характеристики KM44C1000D