Введение
В процессе формирования вычислительная техника пережила немало преобразований и смен технологической основы. На данный момент производительность вычислительных машин очень велика, но все же не достаточна для решения большого спектра важных задач, что является достаточно большим мотиватором для дальнейшего развития. Чтобы развивать, необходимо детально понимать структуру и функционирование ЭВМ, а именно: блок обработки данных - «мозг» ЭВМ.
Поэтому в данном курсовом проекте будет рассматриваться процесс проектирования блока обработки данных в структурном базисе серии К1804ВС2.
1. Задание на курсовой проект
.1 Общие аспекты проектирования
Объектом курсового проектирования является блок обработки данных широкого назначения в структурном базисе серии КМ1804(ВС2).
Проектируемое устройство должно реализовывать некоторую совокупность машинных команд. Процесс проектирования включает следующие основные шаги:
ознакомление с заданием на КП. Оценка возможных сложностей, поиск необходимой справочной литературы;
проработка структуры блока обработки данных в соответствие с техническим заданием;
синтез операционного автомата (ОА) в структурном базисе комплекта 1804;
синтез управляющего автомата (УА) с микропрограммируемой логикой в структурном базисе комплекта 1804;
синтез оперативной памяти (ОП) в соответствие с интерфейсными ограничениями;
разработка алгоритма регенерации динамического ЗУ;
разработка электрических схем и оформление
пояснительной записки.
1.2 Исходные данные
Операционный автомат:
Серия: КМ1804ВС2;
Разрядность: 16 бит;
СчАК: 21 бит.
Управляющий автомат:
Объем МПЗУ: 3200 слов;
Серия: КМ1804.
Оперативная память:
Объем ОП: 4 МБ;
Длина слова: 32 бит;
Тип (модель): RAMD (Samsung KM44C1000D)
Интерфейс шины процессор - память: ISA
2. Блок обработки данных
.1 Общее устройство
Основными узлами БОД являются операционный автомат (ОА), управляющий автомат (УА) (вместе ОА и УА составляют процессор), оперативная память (ОП), а также интерфейс, обеспечивающий взаимодействие ОП с процессором.
Структурная схема БОД вынесена на плакат, а также представлена в приложении A пояснительной записки.
Операционный автомат, обеспечивает выполнение логических операций и операций над целыми числами. Структурно в ОА выделяется блок осуществления вычислений АЛУ, набор регистров общего назначения РОН, счетчик адреса команд СчАК, регистр команд РгК, регистр слова состояния процессора ССП, регистр флагов.
Управляющий автомат предназначен для управления циклом обработки команд процессором. В этом блоке БОДа структурно выделяются микропрограммная память МПЗУ, регистр микрокоманд РгМК, дешифратор начального адреса, схема формирования признака результата, схема формирования адреса следующей микрокоманды.
Оперативное запоминающее устройство содержит в
себе контроллер динамической памяти, банки запоминающих элементов (ОЗУ),
cредства для записи и чтения ОЗУ.
2.2 Выбор элементной базы
В настоящее время существует широкий спектр серий элементов для схемотехнического проектирования. Особенностью схемотехнического проектирования на интегральных схемах является большая сложность правильного выбора элементной базы. Это связано с неоднозначностью выбора вариантов построения отдельных узлов, блоков и устройств из-за широкой номенклатуры микросхем.
Выбор микросхем для реализации компонентов системы необходимо было осуществлять исходя из соображения быстродействия, совместимости устройств, а также придерживаться набора схем заданного структурного базиса.
Арифметико-логическое устройство реализовано на 4 4-разрядных микропроцессорных секциях (МПС) К1804ВС2, соединенных схемой ускоренного переноса К1804ВР1.
Регистры организованы на микросхемах К1804ИР2. Блоки, осуществляющие мультиплексирование собраны на базе микросхемы К155КП7, для демультиплексирования данных - микросхемы К155ИД3.
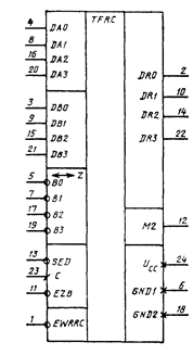
Блоки, составляющие управляющий автомат, выполнены с использованием следующих микросхем: К1804ВУ4 - схема управления адресом микрокоманд, микросхема К558РР3 представляет собой постоянное запоминающее устройство, которое будет использоваться для хранения микрокоманд и начального адреса команды. В качестве регистра микрокоманды используются схемы К1804ИР2.
Блок оперативной памяти реализован в базисе зарубежных компонентов. Использовались 8 микросхем Samsung KM44C1000D с организацией 1 М слов по 4 бита. В качестве контроллера ОП была выбрана схема марки Renesas H8S/2377R, реализующая все необходимые сигналы памяти.
Интерфейс шины процессор-память представлен
шиной ISA. Обеспечение сопряжения ОА с ОП будет производиться с помощью
приемопередатчиков К1804ВА3.
3. Операционный автомат
.1 Структура операционного автомата
Структурная схема ОА представлена на рисунке
3.1.
Рисунок 3.1 - Структурная схема ОА
Описание составляющих:
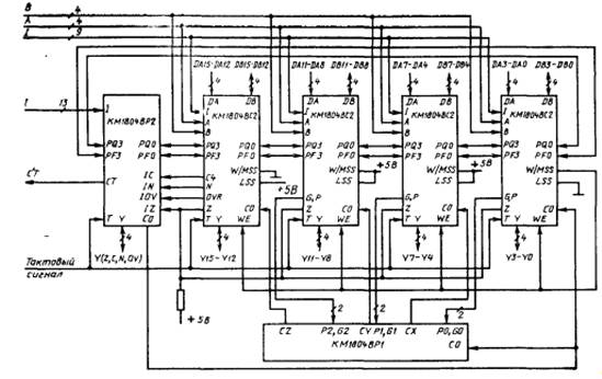
АЛУ - арифметико-логическое устройство, выполняет арифметические и логические операции. АЛУ построено на четырех микропроцессорных секциях (МПС) КМ1804ВС2. Микросхема представляет собой 4-разрядную наращиваемую микропроцессорную секцию. Условное графическое изображение, описание выводов и основные электрические параметры вынесены в приложение B. МПС дополнена схемой ускоренного переноса КМ1804ВР1, для уменьшения времени осуществления переноса разрядов из одной секции в другую. Соединение МПС с использованием схемы ускоренного переноса представлено на рисунке 3.2.
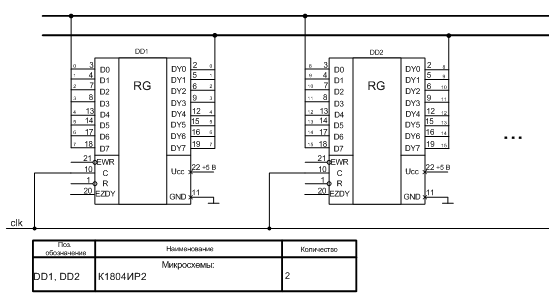
Регистры общего назначения, регистр флагов,
регистр команд, и регистр слова состояния процессора выполнены на схемах
К1804ИР2. Пример соединения регистров для наращивания разрядности представлен
на рисунке 3.3.
Рисунок 3.2 - Построение 16-разрядного АЛУ на
микросхеме К1804ВС2 с использованием схемы ускоренного переноса К1804ВР1
Рисунок 3.3 - Пример соединения регистров
К1804ИР2
Для сопряжения ОА с интерфейсом ISA
использовалась схема приемопередатчика К1804ВА3. Для получения необходимой
разрядности, использовалось наращивание разрядности как показано на рисунке
3.5.
Таблица 3.1 - Назначение выводов микросхемы К1804ВА3
Рисунок 3.4 - Условное графическое изображение
К1804ВА3
Таблица 3.2 - Основные электрические параметры К1804ВА3
Рисунок 3.5 - Пример построения 16-разрядного
приемопередатчика на схемах К1804ВА3
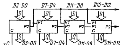
Счетчик адреса команд выполнен на схеме счетчика
К555ИЕ10. Микросхема представляет собой четырехразрядный синхронный счетчик. В
качестве запоминающего элемента используется JK триггер, с внутренней
задержкой. Счетчик имеет вход синхронизации С, вход установки нуля R, четыре
информационных входа D1 - D4, входы разрешения счета V1, разрешения
предварительной записи - V2, разрешения переноса P1, четыре выхода данных Q1 -
Q4 и выход переноса информации P2.
Рисунок 3.6 - Условное изображение счетчика
К555ИЕ10
Рисунок 3.7 - Наращивание разрядности счетчика
К555ИЕ10
Таблица 3.3 - Таблица истинности К555ИЕ10

В теории, при проектировании шины данных необходимо оценить величину токовой нагрузки. Передача данных по шине данных осуществляется через приемопередатчики. Проведем расчет нагрузки:
Значения входного тока для приемопередатчика:
= 0,72 мА IIH= 100 мкА
Значения выходного тока для приемопередатчика:
= 48 мА IOH= 15 мА
Таким образом получаем, что нагрузочная
способность обеспечивается:
мА > 0,72 мА 15 мА > 100 мкА
4. Структура управляющего автомата
.1 Описание структуры
Устройство управления (УУ) представляет собой комбинационную схему, имеющую семь входов. Оно преобразует внешние управляющие сигналы и внутренний сигнал с ФПН в набор управляющих сигналов для блоков микросхемы.
Управление блоками проектируемого устройства возлагается на управляющий автомат (УА) или блок микропрограммного управления (БМУ). Длину управляющего слова примем равной 120 бит. Таким образом, разрядность регистра микрокоманды, хранящего текущее управляющее слово, будет равна 120 битам. Длина слова МПЗУ, хранящего набор из всех управляющих слов или хранящего все микропрограммы, также будет равна 120 битам. Именно из МПЗУ будет осуществляться выборка микрокоманд.
Перечислим основные блоки управляющего автомата. Ключевую роль в нем играет схема формирования адреса следующего управляющего слова. Функция этого устройства - формирование последовательности адресов микрокоманд под воздействием внешних управляющих сигналов, организация циклов и подпрограмм. Микропрограммная память, как уже было сказано, хранит управляющие слова. Регистр микрокоманд содержит в себе текущую микрокоманду. ПЗУК - это постоянное запоминающее устройство команды, отображающее код операции из регистра команд в начальный адрес микропрограммы в МПЗУ. Схожие функции имеет ПЗУПр - постоянное запоминающее устройство, отображающее адрес векторного прерывания в начальный адрес микропрограммы. Формирователь признаков ФП обеспечивает формирование необходимых признаков из 4-ех аппаратных признаков (нуля, переполнения, переноса, знака). Мультиплексор кода условий необходим, для осуществления выбора условия перехода подаваемого на формирователь адресов построен на схеме К155КП7.
МПЗУ реализован на 15ти схемах К558РР3
репрограммируемого ПЗУ. Данная микросхема содержит 8К слов по 1-му байту. МПЗУ
мы лишаем возможности репрограммирования, подавая на соответствующие
функциональные входы сигналы высокого уровня. Каждый байт этого ПЗУ адресуется
13-ю разрядами.
Рисунок 4.1 - Условное обозначение К558РР3
Таблица 4.1 - Описание выводов К558РР3
|
Обозначение |
Описание |
|
A0 - A12 |
Входы адреса |
|
CS |
Определяет режим чтения |
|
OE |
Разрешение выхода данных |
|
PGM |
Разрешение репрограммирования |
|
ER |
Разрешение чтения |
|
DI0 - DI 7 |
Выходы данных |
|
Ucc |
Напряжение питания |
|
GND |
Земля |
Схема формирования последовательностей адресов выполнена на базе микросхемы К1804ВУ4. Здесь мы отметим тот факт, что эта схема осуществляет адресацию 4К управляющих слов с помощью 12-ти адресных линий. Выходные линии адреса соединены непосредственно с МПЗУ. Примечательным является тот факт, что схема имеет 12-ти разрядный вход начального адреса микропрограммы и способна управлять выбором источника этого начального адреса. Так, инверсный выход МЕ указывает на то, что в данный момент времени источником начального адреса должно быть ПЗУК, т.е. происходит запуск выполнения машинной команды. Инверсный выход VE управляет выдачей начального адреса из ПЗУПр. Выход РЕ управляет выдачей начального адреса из поля регистра микрокоманд. (Точнее сказать, этот вывод соединен с входом EZDY 2-ух последних регистров К1804ИР2, на которых реализован РгМК). Так же микросхема имеет вход разрешения условия из микрокоманды CCE, который указывает, что необходимо на вход СС принять условие перехода, передаваемого из МКУ. Четыре входа I0..I3, на которые идут сигналы из РгМК, управляют выбором возможного источника начального адреса, организацией циклических процессов, управлением подпрограммами.
Регистр микрокоманд реализован на 15-ти восьми
разрядных регистрах К1804ИР2. Запись и выдача данных в них всегда включена. За
исключением 2-ух отельных регистров, выдачей результатов которых управляет
сигнал РЕ микросхемы 1804ВУ4.
4.2 Расчет длительности такта
управляющего автомата
Динамические характеристики микросхемы
КМ1804ВУ4.
|
Время задержки распространения сигнала |
Значение параметра (нс) |
|
от I3..I0 до Y |
70 |
|
от D до Y |
20 |
|
от I3..I0 до VE, ME, PE |
51 |
|
OE до Y |
30 |
Динамические характеристики регистра КМ1804ИР2.
|
Время задержки распространения сигнала |
Значение параметра (нс) |
|
фиксации данных в регистре |
5 |
|
от С до DY |
43 |
Динамические характеристики ПЗУ К558РР3.
|
Время задержки распространения сигнала |
Значение параметра (нс) |
|
выборка данных |
400 |
|
стирание данных |
2 × 109 |
Динамические характеристики мультиплексора
К155КП7.
|
Время задержки распространения сигнала, |
Значение параметра (нс) |
|
от А2..А0 до Y |
33 - 52 |
|
от OЕ до Y |
30 - 52 |
Динамические характеристики элемента ИЛИ-НЕ К1533ЛЕ1.
Значение параметра (нс)
от входа к выходу
10 - 12
Произведем расчет времени задержки прохождения сигнала по цепи МВУ (К155КП7) -> СУАМ (К1804ВУ4) -> элемент ИЛИ-НЕ (К1533ЛЕ1) -> ПЗУМк (К558РР3) -> РгМк (К1804ИР2). Для подсчета задержки будем брать самые большие значения задержек на элементах:
+ 70 + 12 + 400 + 43 = 577 нс.
Длительность процесса составила 577 нс. Это дает нам тактовую частоту 1,73 МГц.
Как видно из составляющих задержки наибольшую имеет схема ПЗУМк, так как операция чтения занимает достаточно много времени.
5. Память (ОЗУ)
.1 Построение ОЗУ
(Dynamic Random Access Memory) - тип энергозависимой полупроводниковой памяти с произвольным доступом.
Физически память DRAM состоит из ячеек, созданных в полупроводниковом материале, в каждой из которых можно хранить определённый объём данных, от 1 до 4 бит. Совокупность ячеек такой памяти образуют условный «прямоугольник», состоящий из определённого количества строк и столбцов. Один такой «прямоугольник» называется страницей, а совокупность страниц называется банком. Весь набор ячеек условно делится на несколько областей.