Материал: Примеры расчета железобетонных конструкций многоэтажного каркасного здания

Внимание! Если размещение файла нарушает Ваши авторские права, то обязательно сообщите нам

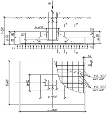
Сторона фундамента принимается не менее


Принимается сторона 2,4 м.

Условие прочности на продавливание


где - реакция грунта под подошвой фундамента от расчетных нагрузок.


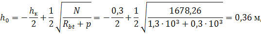
Высота фундамента определяется исходя из надежности заделки колонны в фундаменте


Принимается высота 750 мм со ступенями высотой 400 и 350ммсоответственно. С учетом бетонной подготовки под подошвой фундамента рабочая высота фундамента


а для первой ступени


Также для обеспечения прочности фундамента от скалывания ширина верхней ступени принимается такой, чтобы линия пересечения граней уступов не выходила за условную линию, проведенную под углом  Принимается

Рисунок 8 - Расчётные сечения и армирование фундамента

Расчет прочности подошвы фундамента.

Определяются значения изгибающих моментов в расчётных сечениях по грани сечения колонны (сечение I-I) и по грани первой ступени (сечение II-II)


Площадь сечения арматуры в расчетных сечениях.

Сечение арматуры одного и другого направления на всю ширину фундамента определим из условий:


Принимается нестандартная сварная сетка с одинаковой в обоих направлениях рабочей арматурой 12Æ14 А400 () с шагом стержней 200 мм. Процент армирования расчётных сечений с учётом фактически принятой арматуры равен


что больше .

БИБЛИОГРАФИЧЕСКИЙ СПИСОК

1. СП 63.13330.2012 Бетонные и железобетонные конструкции. Актуализированная редакция СНиП 52-01-2003.

2. Пособие к СП 52-101-2003 по проектированию бетонных и железобетонных конструкций из тяжелого бетона без предварительного напряжения арматуры.

3. Пособие к СП          52-102-2004 по проектированию предварительно напряженных железобетонных конструкций из тяжелого бетона.

4. СП 20.13330.2011 Нагрузки и воздействия.

5. Кузнецов В.С. Железобетонные конструкции многоэтажных зданий: Учебное пособие. - М.: Издательство АСВ, 2013. - 200 с.

ПРИЛОЖЕНИЯ

Приложение 1

Нормативные и расчетные характеристики бетона


Приложение 2

Механические характеристики арматуры


Приложение 3

Значения граничной относительной высоты сжатой зоны бетона


Приложение 4

Таблица 1 - Сортамент горячекатаной арматуры (ГОСТ 5781-82)


Таблица 2 - Сортамент канатной арматуры


Таблица 3 - Классы тяжелого бетона, рекомендуемые для преднапряженных конструкций


Приложение 5

Значение коэффициента γ для определения упругопластического момента сопротивления некоторых сечений


Приложение 6

К определению прогибов железобетонных элементов


Приложение 7

Значения коэффициента ползучести бетона  в зависимости от относительной влажности воздуха и класса бетона


Приложение 8

Значения коэффициента для определения кривизны элемента на участках с трещинами

Приложение 9

Значения коэффициентов и для расчета сжатых элементов из тяжелого бетона