где
![]()
Принимаются
4Ø22 А400c![]()
.
Расчет прочности ригеля по наклонным сечениям
Расчет
производится из условия прочности наклонного сечения
Принимается
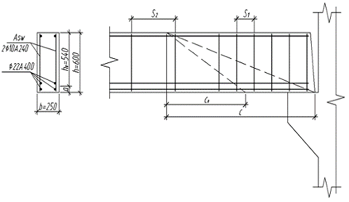
поперечная арматура А240 Ø10, ![]()
с
площадью стержня ![]()
В
поперечном сечении располагаются два плоских каркаса.
Рисунок
5 - К расчёту прочности ригеля по наклонному сечению
Поперечная
сила, воспринимаемая бетоном ![]()
![]()
-
временная нагрузка,
![]()
- полная
погонная нагрузка от постоянных и временных нагрузок.
При
определении ![]()
должны
выполняться условия
![]()
-
неверно, принимается ![]()
При
вычислении ![]()
должны
выполняться условия
Условия выполняются. Для дальнейших расчетов принимается
Требуемая
интенсивность хомутов ![]()
определяется
в зависимости от величины
тогда
Расчетный
максимальный шаг хомутов
По
конструктивным требованиям при рабочей высоте сечения 540 мм шаг должен быть не более ![]()
и не
более 300 мм. Принимается шаг 250 мм.
Фактическая погонная нагрузка на хомуты
Поперечная
сила, воспринимаемая хомутами ![]()
где
![]()
- длина
проекции наклонной трещины, равная ![]()
,не более
Условие выполняется, прочность наклонного сечения обеспечена.
Конструктивные
требования обязывают для балок высотой более 150 мм на приопорных участках
длиной ![]()
иметь
шаг поперечных стержней не более ![]()
рабочей
высоты элемента и не более 300 мм. На остальной части пролета шаг стержней не
должен превышать ![]()
или 500
мм.
Следовательно,
на приопорных участках за подрезкой шаг не должен быть более ![]()
на
остальной части пролета ![]()
Окончательно принимаются:
на
приопорных участках ![]()
;
на
остальной части пролета ![]()
.
СБОРНАЯ ЖЕЛЕЗОБЕТОННАЯ КОЛОННА
Сетка
колонн ![]()
, высота
этажа - 4,8 м.
Снеговой
район - IV. Нагрузка от веса плит покрытия и кровли - ![]()
.
Колонна проектируется из тяжёлого бетона класса В35 с продольной рабочей арматурой класса А400.
Расчёт прочности колонны выполняется на действие продольной силы со случайным эксцентриситетом и заключается в подборе продольной арматуры.
Определяется
нагрузка на колонну с грузовой площадки, соответствующей заданной сетке колонн
7´6=42 м2 и коэффициентом надёжности по назначению
здания ![]()
(для II
класса ответственности здания). На колонну первого этажа передаётся нагрузка от
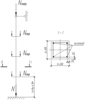
3-х перекрытий (при числе этажей - 4) и от одного покрытия (см. рис. 6).
Рисунок 6 - Расчётная схема колонны
Нагрузка от одного перекрытия:
– от
веса плиты перекрытия, пола и временная нагрузка (см. таблицу 1):![]()
;
– от
собственного веса ригеля сечением![]()
длиной ![]()
при
плотности железобетона![]()
и ![]()
: ![]()
– от
собственного веса колонны сечением ![]()
при
высоте этажа 4,8 м: ![]()
.
Таким
образом, полная расчётная нагрузка на колонну от одного перекрытия составит![]()
.
Нагрузка от покрытия:
– постоянная
нагрузка составит ![]()
при
распределённой нагрузке от кровли и плит, равной ![]()
;
– временная
нагрузка от снега (IV снеговой район, 2,4 кПа) будет равна ![]()
.
Таким
образом, полная расчётная нагрузка от покрытия с учётом нагрузки от ригеля и
колонны верхнего этажа составит![]()
![]()
.
Суммарная (максимальная) величина продольной силы в колонне первого этажа
(при заданном количестве этажей - 4):
![]()
.
Расчетные характеристики материалов:
бетон
- тяжелый класса В35, ![]()
продольная
арматура - напрягаемая класса А400, ![]()
Расчет прочности колонны 1-го этажа
Рабочая
высота колонны![]()
принимается равной высоте этажа ![]()
Принимается
начальный эксцентриситет ![]()
, так
как при свободном опирании момент в опоре приближен к 0.
Вычисляются
величины случайных эксцентриситетов
Так как разница между начальным и случайными эксцентриситетами минимальна, Расчет колонны проводится как для элемента, сжатого со случайными эксцентриситетами.
Вычисляется
гибкость стойки
Необходим учет влияния прогиба на начальный эксцентриситет.
Уравнение
прочности сжатого со случайными эксцентриситетами элемента
где
![]()
,
причем ![]()
, ![]()
Принимается
отношение ![]()
где
![]()
-
расчетная продольная сила от постоянной и длительной нагрузки.
По
таблице приложения9 находятся коэффициенты ![]()
и ![]()
из
предположения, что промежуточные стержни в сечении отсутствуют:
Принимается
коэффициент ![]()
Количество
арматуры определяется исходя из минимального коэффициента армирования ![]()
Принимается
арматура 4Ø20 A400 c![]()
Поперечная
арматура принимается в соответствии с требованиями [1]. Диаметр назначается не
менее ![]()
наибольшего
диаметра продольной арматуры и не менее Ø6 мм.Принимается арматура из стержней A240Ø6.
Шаг
арматуры устанавливается не более ![]()
(![]()
500 мм.
Принимается шаг 400 мм.
Рисунок 7 - Детали армирования колонны
ЦЕНТРАЛЬНО-НАГРУЖЕННЫЙ ФУНДАМЕНТ
Нормативное продольное усилие на фундамент
где
![]()
-
коэффициент надежности по нагрузке.
Условное расчетное сопротивление грунта и глубина заложения фундамента (по заданию):
Требуемая
площадь подошвы фундамента
где
![]()
- вес
фундамента и грунта на его обрезах (обычно ![]()
Высота фундамента должна обеспечивать неизменяемость расчетной схемы сооружения, а также прочность самого фундамента, не допуская продавливания.