Материал: Попов Э.Г. Основы аналоговой техники. Учеб. пособие для студ. радиотехнических спец

Внимание! Если размещение файла нарушает Ваши авторские права, то обязательно сообщите нам

 

 

R2

 

 

 

+E0

RИ

 

VT1

 

VT2

R5

 

 

 

 

 

 

 

C1

 

 

 

C4

 

EИ

U1

C2

R4

R6

U2

 

R1

 

R3

 

C3

 

 

 

 

 

а

 

 

 

 

 

 

 

 

+E0

 

 

R1

R3

R7

R8

 

 

 

 

C3

VT2

 

C5

RИ

C1

VT1

 

 

 

 

 

 

R2

 

R5 R6

 

U2

EИ

U1

C2

 

 

 

 

R4 C4

б

Рис. 4.32

Сигнал с выхода первого транзистора попадает на эмиттер второго. Так как входное сопротивление транзистора с общей базой очень мало, коэффициент усиления первого транзистора VT1 получается сравнительно небольшим, примерно равным единице, но зато его частотная характеристика значительно расширяется, приближаясь по ширине полосы пропускания к схеме с общей базой. Объясняется это тем, что при коэффициенте усиления близком к единице входная динамическая емкость С0 каскада с общим эмиттером получается небольшой и практически не превышает по своей величине емкость CБ′Э + 2СК

176

(3.20). Таким образом, полоса пропускания двухкаскадного усилителя (см. рис. 4.32) стремится к полосе пропускания схемы с общей базой.

Не трудно заметить, что переменный ток коллектора транзистора VT1 втекает в эмиттер транзистора VT2 и практически равняется его выходному току – току коллектора. Этот ток, протекая по сопротивлению нагрузки (R5), создает на нем напряжение, поступающее на выход схемы через конденсатор С4 в виде напряжения усиленного сигнала U2 . Следовательно, напряжение U2 получается равным произведению тока коллектора транзистора VT1 на сопротивление нагрузки транзистора VT2:

U2 = IK1R5 = y21,1U1R5 ,

(4.89)

где y21,1 – крутизна транзистора VT1.

Коэффициент усиления каскодной схемы получается равным произведению крутизны первого каскада на нагрузку второго:

K =

U2

= y21,1R5 .

(4.90)

 

U1

 

 

Паразитная обратная связь, осуществляемая за счет передачи энергии с коллектора VT2 на его маленькое входное сопротивление со стороны эмиттера и далее на базу транзистора VT1, получается очень слабой, что позволяет получить для каскодной схемы большое устойчивое усиление в широкой полосе частот.

Полоса пропускания каскодной схемы может быть расширена еще в 1,5 - 2 раза путем введения высокочастотной эмиттерной и индуктивной коррекций.

Благодаря своей широкополосности и устойчивости каскодные схемы нашли большое применение в качестве входных каскадов телевизионных и радиоприемных устройств.

177

4.6.2. Усилитель с распределенным усилением

Очень часто при разработке различных измерительных устройств, особенно для области импульсных сигналов, возникает необходимость в усилителях с полосой пропускания в сотни мегагерц и с достаточно высоким выходным напряжением. Как видим, требования к таким усилителям получаются весьма противоречивыми. Действительно, для получения высокого выходного напряжения необходимо иметь каскад с большим выходным током и достаточно высокоомной нагрузкой. В этом случае даже сравнительно небольшие выходная емкость транзистора и паразитная емкость нагрузки не позволят получить необходимую полосу пропускания. Увеличение выходного тока связано с увеличением мощности используемых транзисторов и, как правило, с ростом их выходной емкости, что снова ведет к сужению полосы пропускания (аналогичные явления наблюдаются при параллельном включении нескольких транзисторов). Увеличение верхней граничной частоты за счет снижения сопротивления нагрузки приводит к уменьшению коэффициента усиления и выходного напряжения.

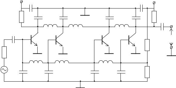
Сгладить указанные противоречия и получить усилитель с полосой в несколько сотен мегагерц (со временем установления около наносекунды) позволяет каскад с бегущей волной (с распределенным усилением). Схема такого каскада представлена на рис. 4.33.

178

 

0

СР

 

 

 

СР

0

 

RK

СК

 

СК

СК

СК

RK

 

СР

LК

 

LК

LК

CP

 

 

VT1

 

VT2

 

VTn

U2

RИ

 

 

 

 

 

 

RБ1

EИ

U1

LБ

 

LБ

LБ

 

RБ2

 

 

CБ

CБ

 

CБ

CБ

 

 

 

 

 

 

Рис. 4.33

 

 

Схема усилителя с распределенной нагрузкой содержит несколько транзисторов, коллекторы и базы которых соединены между собой длинными линиями, нагруженными на концах соответствующими волновыми сопротивлениями. Длинная линия в цепи базы образована индуктивностями LБ и входными емкостями транзисторов СБ. Аналогично длинная линия в цепи коллектора состоит из индуктивностей LК и паразитных емкостей СК в цепи коллектора каждого транзистора. Для создания в линиях режима бегущей волны каждая из них нагружена с обоих концов на сопротивления, равные волновым. Для базовой линии в качестве нагрузок используются сопротивления источника сигнала RИ = ρБ и параллельное соединение сопротивлений RБ1 и RБ2, которые также подбирается равным характеристическому сопротивлению базовой линии ρБ. Коллекторная линия на концах нагружена на сопротивления, равные характеристическому RК = ρК. Индуктивности звеньев линий берут такими, чтобы скорости распространения бегущей волны по обеим линиям были равными. Это достигается при равенстве произведений LБСБ = LКСК.

При подаче на вход каскада скачка напряжения в базовой линии начинает распространяться бегущая волна. Скачок напряжения на базе приводит к появлению скачка коллекторного тока y21U1. Нагрузкой коллектора каждого транзистора являются две части линии (справа и слева от коллектора) с волновым сопротивлением ρК, включенные параллельно. Ток коллектора первого транзистора вызывает на этой нагрузке скачок напряжения, равный y21U1ρК/2 , кото-

179

рый распространяется по линии в обе стороны в виде бегущей волны. С левой стороны эта волна поглощается без отражения сопротивлением RК, а с правой движется к коллектору VT2. Скачки напряжения в базовой и коллекторной линии одновременно подходят к электродам второго транзистора. Скачок тока коллектора второго транзистора, вызванный изменением напряжения на его базе, складывается со скачком тока, распространяющегося по коллекторной линии. В результате (при условии, что все транзисторы одинаковые) на коллекторе VT2 появляется скачок напряжения, равный 2y21U1ρК/2. Далее этот процесс повторяется в соответствии с числом транзисторов, используемых в каскаде. При этом на нагрузке n-го транзистора выделяется напряжение, равное ny21U1ρК/2. Таким образом, крутизна и выходной ток такого каскада увеличиваются в n раз, в то время как паразитные емкости, ограничивающие полосу пропускания в области верхних частот, остаются разделенными отрезками длинных линий, и их совместное влияние заметно ослабляется. В результате весь усилитель можно рассматривать как отдельный каскад с паразитной емкостью одного транзистора и с крутизной, увеличенной в n раз.

Однако сложность изготовления и особенно сложность настройки существенно ограничивают использование таких каскадов.

4.6.3. Повторители напряжения с улучшенными характеристиками

Основные достоинства эмиттерных и истоковых повторителей заключаются в том, что, работая в широком диапазоне частот, они обладают большим входным сопротивлением и заметным усилением по мощности.

180