Материал: Перспективы повышения эффективности обеспечения питьевой водой потребителей города Дзержинский Московской области

Внимание! Если размещение файла нарушает Ваши авторские права, то обязательно сообщите нам

Так как К1 > К2 (5390000 > 396000) и А1 > А2 (539000 > 39600), то экономически наивыгоднейшим вариантом является новая технология обезжелезивания воды (2 вариант), так как она примерно в 13,6 раза дешевле традиционных методов обезжелезивания.

5. РАЗРАБОТКА ТЕХНОЛОГИЧЕСКИХ РЕШЕНИЙ ВОДООБЕСПЕЧЕНИЯ

5.1 Разработка водозаборной скважины

Скважина входит в систему водоснабжения и является водозаборным сооружением, предназначенным для забора подземных вод, залегающих ниже 10 м поверхности земли. Конструктивно скважина представляет вертикальный подземный трубопровод, связывающий поверхность земли с подземным источником воды.

Водозаборная скважина должна быть заложена на таком участке, где гидрогеологические условия допускают получение требуемого количества воды, а состояние его удовлетворяет санитарным требованиям. Вместе с тем по технико-экономическим соображениям скважину желательно не удалять на большие расстояния от объекта водоснабжения.

Участок для заложения скважины следует выбирать по возможности с таким расчетом, чтобы в дальнейшем при увеличении потребности в воде на нем можно было заложить еще одну или несколько скважин [17].

Перед началом проектирования скважины необходимо изучить геологическое строение почвы и построить геолого-технический разрез.

Для построения геологического разреза предлагаются исходные данные для девяти пластов, три из которых являются водоносными, они представлены в таблице 5.1; общие данные для проектирования в таблице 5.2; показатели качества воды и характеристики водоносных пластов в таблице 5.3 [18].

Таблица 5.1 - Сведения о пластах геологического разреза

№ пласта

Наименование горных пород

Мощность пласта, м

1

Растительный слой

4

2

Конгломерат

41,2

3

Песок водоносный

22,4

4

Суглинок

29,7

5

Мел

31,1

6

Песок водоносный

31,8

7

Суглинок

16,8

8

Песок водоносный

42,8

9

Суглинок

17,9


Таблица 5.2 - Общие данные для проектирования

Наименование показателей

Единицы измерения

Величина

Среднесуточная водопотребность, Qср.сут.

м3/сут

2562

Время работы водоподъемника в течение суток, Т

час

24

Абсолютная отметка устья скважины

м

405

Отметка, на которую необходимо подать воду, м

м

422


Таблица 5.3 - Показатели качества воды и характеристики водоносного песка водоносных горизонтов

Показатели и единицы измерения

Пласты


I

II

III

Запах и привкус, баллы

2

1

3

Мутность, мг/л

1,8

1,5

2,5

Цветность, град

23

19

20

Сухой остаток, мг/л

1120

670

1180

Общая жесткость, мг-экв/л

6,5

8,5

Кол-во кишечных палочек в 1л воды

4

3

4

50% размер частиц водоносного песка

2

1,5

1

Коэфф. фильтрации, м/сут

23

134

10

Удельный дебит, м3/ч

0,43

0,85

0,36

Статический напор, м

24

55

50


5.1.1 Выбор водоносного пласта

Для выбора водоносного пласта производим сравнение показателей качества воды для каждого водоносного пласта и делается вывод о необходимости очистки воды, если вода не соответствует требованиям ГОСТ 2874-82 [19].

I водоносный пласт:

1)   по запаху и привкусу - соответствует;

2)      по мутности - не соответствует;

)        по цветности - не соответствует;

)        сухой остаток - не соответствует;

)        общая жесткость - соответствует;

)        количество кишечных палочек - не соответствует.

II водоносный пласт:

)     по запаху и привкусу - соответствует;

2)      по мутности - соответствует;

)        по цветности - соответствует;

)        сухой остаток - соответствует;

)        общая жесткость - соответствует;

)        количество кишечных палочек - соответствует.

III водоносный пласт:

)     по запаху и привкусу - не соответствует;

2)      по мутности - не соответствует;

)        по цветности - соответствует;

)        сухой остаток - не соответствует;

)        общая жесткость - не соответствует;

)        количество кишечных палочек - соответствует.

Вывод: По качеству воды подходит II водоносный пласт, он соответствует требованиям ГОСТ 2874-82 по всем показателям. Водоносные пласты I и III нуждаются в очистке воды.

Определяем максимальный возможный дебит каждого пласта по формуле (5.1):

, м3/час,                                                              (5.1)

где  - удельный дебит водоносного пласта, м3/час на 1метр понижения уровня;

 - статический напор водоносного пласта, м.

Первый водоносный пласт: q = 0,5;

Второй водоносный пласт:

Третий водоносный пласт:

Вывод: Окончательно выбираем II водоносный пласт, т.к. он соответствует требованиям ГОСТ 2874-82 по всем показателям и максимальный возможный дебит тоже во II водоносном пласте.

.1.2 Составление расчётной схемы скважины

Расчетная схема нужна для решения вопросов, связанных с выбором основного оборудования скважины и разработки ее конструкции.

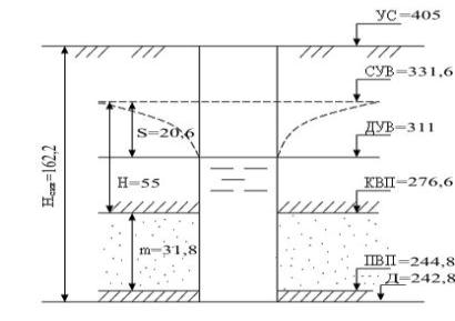
Расчетная схема скважины представлена на рисунке 5.1.

Рисунок 5.1 - Расчетная схема скважины: УС - отметка устья скважины; КВП - отметка кровли водоносного пласта; ПВП - отметка подошвы водоносного пласта; m - мощность водоносного пласта; Hc - статический напор водоносного пласта; СУВ - отметка статического уровня воды; Sф - фактическая глубина понижения уровня воды; ДУВ - отметка динамического уровня воды; Д - отметка дна скважины; Hскв - глубина скважины

УС = 405 м;

КВП = 276,6 м;

ПВП = 244,8 м;

m = 31,8 м;

Нс = 55 м;

СУВ = КВП + Н = 276,6 + 55 = 331,6 м;

SФ = 20,6 м;

ДУВ = СУВ - Sф = 331,6 - 20,6 = 311,6 м;

Д = ПВП - 2 = 244,8 - 2 = 242,8 м;

Нскв = УС - Д = 405 - 242,8 = 65,7 м.

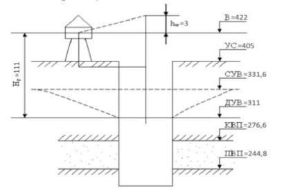
В большинстве случаев артезианские несамоизливающиеся скважины оборудуют погруженным электронасосом, опускаемым под динамический уровень воды.

Для выбора марки насоса определяем его подачу и полный напор.

Подача скважинного насоса определяется по формуле (5.2):

, м3/ч,                                                                          (5.2)

где Q - суточная водопотребность объекта водоснабжения, м3/сут;

t - число часов работы скважины в течение суток;

np - число рабочих скважин.

, м3/ч.

Полный напор насоса определяется по формуле (5.3):

 = В - ДУВ + hw, м,                                                                       (5.3)

где В - отметка, на которую необходимо подать воду из скважины (принимается из исходных данных);

ДУВ - отметка динамического уровня воды;

hw - потери напора в водоподъемной трубе, м.

Величина hw определяется на основе гидравлического расчета. Для приближенного расчета рекомендуется принимать: hw =2-4 м [15].

Hn= 422 - 311 + 3 = 114 м.

Для определения полного напора насоса составляется расчетная схема водоподъемника (рисунок 5.2).

Рисунок 5.2 - Расчетная схема водоприемника

По значениям Hn и Qn принимаем насос марки ЭЦВ10-63-110 и подбираем его характеристики: Э - электрический, Ц - центробежный, В - для воды, 10 - наружный диаметр насоса, увеличенный в 25 раз в м, т.е. Дн = 10 ∙ 25 = 250 мм; 63 - подача, м3/час; 110 - напор в метрах.

5.1.3 Выбор конструкции водоприёмной части

Выбор конструкции водоприёмной части осуществляется в зависимости от характеристик пород водоносных пластов и кровли над этим пластом.

Принимаем пески среднезернистые с 50 % диаметром частиц 0,25-0,50 мм;

Характеристика кровли - любая;

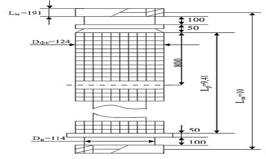
Выбираем сетчатый фильтр с сеткой галунного плетения (рисунок 5.3).

Фильтр - основной элемент скважины, поэтому от его качества зависят дебит и долговечность скважины. Конструкцию фильтра выбирают с учетом гранулометрического состава пород водоносного горизонта.

Конструкции фильтров должны отвечать следующим требованиям:

) обладать необходимой механической прочностью и достаточной устойчивостью против коррозии и эрозионного воздействия воды;

) диаметры фильтровых каркасов должны быть рассчитаны на максимальный пропуск воды со скоростью, не превышающей 1,5-2 м/с;

) водопроницаемость фильтров должна быть значительно выше водопроницаемости водоносных пород, в которых они устанавливаются, и для данных гидрогеологических условий должна предусматриваться максимальной с учетом возможного химического и биологического кольматажа при эксплуатации водозаборов;

) фильтры должны быть доступны для проведения мероприятий по восстановлению производительности скважин.

Рисунок 5.3 - Схема звена сетчатого фильтра

Сетчатый фильтр представляет собой каркас из обсадных труб с круглой перфорацией, обтянутый сеткой галунного плетения.

5.1.4 Технология роторного бурения

Исходя из парка буровых машин имеющихся в городе Дзержинский, применяем роторное бурение скважин.

При роторном бурении породу в забое скважины разрушают быстрым вращением долота. Разрушенная порода (шлам) непрерывно выносится из скважины восходящим потоком промывочной жидкости, подаваемой к забою промывным насосом по нагнетательному шлангу, ведущей трубе и бурильным трубам.

По окончании бурения скважины на заданную глубину ее стенки крепят обсадными трубами. До закрепления трубами стенки скважины с неустойчивыми породами удерживаются от обрушения гидростатическим давлением промывочной жидкости, заполняющей ствол скважины. В качестве промывочной жидкости обычно используются глинистые растворы.

К преимуществам роторного способа относятся высокие механические скорости, большой выход обсадных колонн, бурение на большие глубины, экономическая рентабельность. К недостаткам следует отнести возможную глинизацию водоносного горизонта и связанные с этим значительные затраты времени на разглинизацию. Потери времени на разглинизацию зависят от качества применяемого промывочного раствора и контроля за его параметрами в процессе бурения. Роторный способ может быть рекомендован для проходки водозаборных скважин на любые глубины, в первую очередь для вскрытия напорных водоносных горизонтов [20].

Параметры технологического режима роторного бурения определяются физико-механическими свойствами пород и гидрогеологическими условиями разреза, а также опытом буровых бригад и техническими возможностями применяемого оборудования.

При роторном бурении обсадные трубы спускаются в скважину свободно. Следовательно, диаметр скважины должен быть больше диаметра обсадной трубы. Типы долот подбираются в зависимости от твердости пород геологического разреза скважины: для мягких и средних пород рекомендуется применять двухлопатные долота. Для твердых пород - шарошечные долота.

Подбирается марка станка для роторного бурения. Рекомендации по выбору станка приведены в таблице 7.3 [18].

Для роторного бурения подходит станок марки 15А-15В с наибольшим диаметром бурения 450, глубина бурения 500м, наружным диаметром бурильных труб 73; 89, проходным отверстием ротора 410, высотой мачты 16м, мощностью двигателя 105л.с.

5.1.5 Технология цементирования

При роторном бурении ствол скважины обычно состоит из двух обсадных колонн труб - эксплуатационной и направляющей. Пространство между колоннами и стенками скважины цементируется.

Затрубное цементирование под давлением проводят цементировочными агрегатами при необходимости подъема цемента на большую высоту в затрубном пространстве (на любое расстояние от забоя, вплоть до устья скважины). Цементировочный агрегат состоит из водяного насоса, насоса для закачивания цементного и глинистого растворов, мерного бака, обвязки насосов, разборного металлического трубопровода для соединения агрегата со скважиной, гидравлической цементомешалки (воронки), бачка для цементного раствора [21].

Цементируют затрубное пространство с применением специальных цементированных пробок, предназначенных для предохранения от смешивания цементного и глинистого раствора (рисунок 5.4).

Рисунок 5.4 - Схема цементирования с помощью двух пробок: а - закачивание цементного раствора; б - подача цементного раствора в скважину; в - продавливание цементного раствора в затрубное пространство и схождение пробок; г - отпускание колонны на забой; 1 - цементировочная головка; 2 - нижняя цементировочная пробка; 3 - упорное кольцо; 4 - башмачная пробка; 5 - верхняя пробка

Колонну обсадных труб подвешивают над забоем на высоту 1-2 м и промывают скважину высококачественным глинистым раствором.

Затем, открыв крышку цементировочной головки 7, в обсадную колонну опускают нижнюю цементировочную пробку 2, центральное отверстие которой закрыто пластинкой из стекла. Крышку головки снова навинчивают и закачивают в скважину необходимое количество цементного раствора.

Под давлением цементного раствора нижняя пробка опускается в колонне труб на определенную глубину. После закачки цементного раствора освобождают верхнюю пробку и поверх нее закачивают промывочную жидкость, как правило, глинистый раствор.

Цементный раствор, находящийся между двумя пробками, продавливается вниз. Нижняя пробка, дойдя до упорного кольца 3 или до башмачной пробки 4, останавливается. Цементный раствор под давлением верхней пробки разрушает стеклянную пластинку нижней и вытесняется в затрубное пространство. Когда верхняя пробка 5 дойдет до нижней, манометр на насосе покажет резкое повышение давления, произойдет гидравлический удар, указывающий на окончание продавливания цементного раствора. Это служит сигналом для окончания нагнетания жидкости. Выключив насос, закрывают вентиль цементировочной головки, чтобы не было обратного движения раствора из скважины, и обсадную колонну опускают на забой. В таком виде эксплуатационную колонну оставляют герметично закрытой на 24 часа для затвердевания цемента (при цементировании кондукторов - на 16 час.) [18].