Материал: Патан Серов учебник

Внимание! Если размещение файла нарушает Ваши авторские права, то обязательно сообщите нам

Так, в гладких мышцах пищеварительной, дыхательной и мочеполовой систем промежуточные филаменты представлены главным образом скелетином, а в гладких мышечных клетках сосудов, как и во многих мезенхимальных клетках, - виментином. В связи с этим понятными становятся функциональные возможности гладких мышечных клеток сосудов (фагоцитоз, фибробластическая трансформация и др.).

С патологией промежуточных филаментов, преимущественно их аккумуляцией, пытаются связать многие патологические процессы: образование алкогольного гиалина (телец Мэллори), нейрофибриллярных сплетений в нервных клетках и сенильных бляшек при старческом слабоумии и болезни Альцгеймера. С аккумуляцией промежуточных филаментов связывают и развитие некоторых форм кардиомиопатии.

Алкогольный гиалин, формирующий тельца Мэллори, обнаруживают обычно в гепатоцитах,

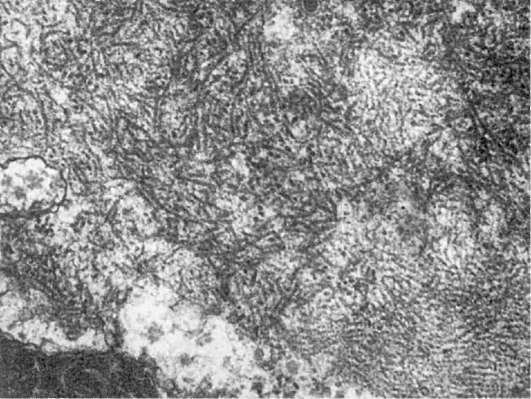
реже в эпителии желез поджелудочной железы и нервных клетках головного мозга, при хроническом алкоголизме, индийском детском циррозе, гепатоцеребральной дистрофии (болезни Вильсона-Коновалова), первичном билиарном циррозе. Он имеет характерную ультраструктуру (рис. 22). Однако образование алкогольного гиалина из промежуточных филаментов признается далеко не всеми исследователями. Многие считают, что при алкоголизме алкогольный гиалин является продуктом извращенного синтеза при воздействии на клетку (гепатоцит) этанола с участием в этом процессе цитоскелета.

Патологические изменения нейрофиламентов представлены образованием нейрофибриллярных сплетений, которые описаны при многочисленных патологических состояниях. Нейрофибриллярные сплетения вдоль аксонов периферических нервов и в нервных сплетениях характерны для своеобразного заболевания -наследственной нейропатии гигантских аксонов. Нейрофибриллярные сплетения лежат в основе так называемых

46

Рис.

22. Фибриллярный алкогольный гиалин в цитоплазме гепатоцита при остром алкогольном гепатите. х20 000

сенильных бляшек головного мозга, патогномоничных для старческого слабоумия и болезни Альцгеймера. Однако в случаях появления амилоида в сенильнъгх бляшках, т.е. при локальной церебральной форме старческого амилоидоза, нет оснований для заключения о том, что амилоид строят нейрофиламенты и их сплетения.

Некоторые формы кардиомиопатий рассматриваются в настоящее время как вторичные по отношению к нарушениям метаболизма промежуточных филаментов (десмина). Описана необычная форма кардиомиопатий с прогрессирующей недостаточностью миокарда, характеризующаяся массивными отложениями в кардиомиоцитах AS-негативного материала, состоящего из промежуточных филаментов. Аккумуляция промежуточных филаментов является морфологическим маркером хронического алкоголизма, при котором скопления их находят в клетках эпителиального и мезенхимального происхождения (рис. 23).

Микротрубочки

Как известно, микротрубочки выполняют множество разнообразных функций: определяют движение и ориентацию хромосом, митохондрий, рибосом, цитоплазматических гранул; принимают участие в секреции, митотическом делении клетки, осуществляют цитоплазматический транспорт. Не менее разнообразна ипатология микротрубочек. При воздействии на микротрубочки рядом веществ, активирующих их функции (винбластин, изофлуран и др.), размеры микротрубочек увеличиваются в 2-3 раза. Они образуют скопления, связанные с рибосомами, к ним прилежат паракристаллические включения из гексогонально упакованных

47

Рис.

23. Аккумуляция промежуточных филаментов в цитоплазме эндотелиоцитов сосудов кожи при хроническом алкоголизме. х20 000

субъединиц. К тяжелому повреждению микротрубочек ведет ионизирующее излучение, при этом страдает генетический аппарат клетки, возникают патологические митозы. Резко уменьшается число микротрубочек (особенно в гепатоцитах) при воздействии этанолом, они округляются, вытесняются промежуточными филаментами.

Патология микротрубочек может быть основой некоторых клиникоморфологических синдромов. Таков, например, синдром неподвижныхресничек, ранее известный как синдром Картагенера. При этом врожденном синдроме реснички покровного эпителия дыхательных путей и слизистой оболочки среднего уха, основой строения которого являются дефектные микротрубочки, малоподвижны. Поэтому мукоцеллюлярный транспорт резко ослаблен или отсутствует, что ведет к хроническому воспалению дыхательных путей и среднего уха. У таких больных неподвижны также и сперматозоиды, так как их хвост эквивалентен ресничкам.

Плазматическая мембрана

Плазматической мембране свойственны различные функции, из которых основные - информационная, транспортно-обменная, защитная и контактная. Информационная функция обеспечивается рецепторами мембраны, транспортно-обменная и защитная - самой мембраной, контактная - клеточными стыками.

Клеточная рецепция и патология клетки

48

Плазмолемма (ее гликокаликс) содержит сложные структуры - рецепторы, воспринимающие различные раздражения («сигналы») внеш-

ней среды. Они специализированы для восприятия «сигналов» гормонов, многих биологически активных веществ, антигенов, иммуноглобулинов и их фрагментов, компонентов комплемента и т.д. Рецепторы представлены обычно гликопротеидами, они способны свободно перемещаться как по поверхности клеточной мембраны, так и внутри ее - так называемая латеральная диффузия рецепторов. Поэтому рецепторы можно рассматривать как своеобразные многокомпонентные мембранные комплексы.

Механизм реализации рецепторного сигнала довольно универсален, так как рецепторы связаны с аденилатциклазой. Эта связь представлена трехкомпонентной системой (Авцын А.П., Шахламов В.А., 1979): рецептор на внешней поверхности мембраны, трансдуктор (фосфолипиды) и катализатор на внутренней поверхности мембраны (аденилатциклаза). Аденилатциклаза катализирует внутриклеточное превращение АТФ в АМФ, который в отношении стимуляции клеточных ферментов универсален. Считают, что изменения в любом компоненте рецептора (надмембранном, внутримембранном или подмембранном) должны привести к молекулярным изменениям клеток. Таким образом, основное значение в нарушении рецепторной информации придается разобщению звеньев рецепторного комплекса.

Ряд болезней связан с отсутствием или блокадой рецепторов клетки. Так, отсутствие апо- и В, Е-рецепторов у паренхиматозных и мезенхимальных клеток ведет к развитию гомозиготной гиперлипопротеинемии 11а типа, известной также как семейная эссенциальная гиперхолестеринемия. Пересадка печени с сохранными апо-В, Е-рецепторами при гомозиготной гиперлипопротеинемии снижает уровень холестерина крови до нормы, ведет к исчезновению проявлений атеросклероза и коронарной болезни. С врожденным дефектом рецепторов к Fc-фрагментам иммуноглобулинов у мезангиоцитов связывают идиопатическую мембранозную нефропатию.

Блокаду рецепторов клетки нередко вызывают аутоантитела. Возникает одна из разновидностей цитотоксических реакций (реакции инактивации и нейтрализации), проявляющаяся антительными болезнями рецепторов. Среди них миастения, в развитии которой участвуют антитела к ацетилхолиновым рецепторам нервно-мышечной пластинки, а также инсулинрезистентный сахарный диабет, при котором антитела против клеточных рецепторов к инсулину блокируют эти рецепторы и не позволяют клетке отвечать на инсулиновый сигнал.

Нарушение проницаемости плазматической мембраны и состояние клетки

Существует два принципиально различных механизма проникновения взвешенных частиц в клетку через плазмолемму: микропиноцитоз (образование микропиноцитозных везикул)

и диффузия. При воздействии на клетку факторов, нарушающих проницаемость плазмолеммы, может преобладать один из этих механизмов.

49

Изменения плазмолеммы при нарушении ее проницаемости. Характерными ультраструктурными проявлениями нарушенной проницаемости плазматической мембраны являются (Авцын А.П., Шахламов В.А., 1979):

усиленное везикулообразование; увеличение поверхности плазмолеммы за счет мембран микропиноцитозных везикул; образование цитоплазматических отростков и инвагинаций плазмолеммы; микроклазматоз и клазматоз; утолщение плазмолеммы; образование «крупных» микропор; «бреши» в плазмолемме; «штопка» локально разрушенной плазмолеммы; образование миелиноподобных структур.

Усиленное везикулообразование (усиленный эндоцитоз), как правило, отражает повышение проницаемости цитолеммы и приводит к дефициту ее поверхности («минус-мембрана»).

Увеличение поверхности плазмолеммы за счет мембран микропиноцитозных пузырьков является признаком резкого набухания клетки. Общая площадь плазмолеммы, испытывающей предельное натяжение, при этом увеличивается («плюс-мембрана»). В результате срыва такой адаптации цитолеммы к нарастающему отеку клетки возникает ее гибель.

Образование цитоплазматических отростков и инвагинаций плазмолеммы встречается при воздействии на клетку самых различных патогенных факторов и свидетельствует об активности цитоплазматической мембраны.

Микроклазмацитоз и клазмацитоз - отделение части цитоплазмы наружу, которая затем распадается и нередко реутилизируется в межклеточной среде. Механизм его сводится к образованию цитоплазматических ограниченных мембраной выростов, что ведет к отрыву части цитоплазмы от клетки. К усилению микроклазмацитоза и клазмацитоза ведут различные воздействия на клетку (антигены, иммунные комплексы, гипоксия).

Утолщение плазмолеммы возникает по ряду причин и может влиять на мембранную проницаемость. Одной из причин является уменьшение ионов кальция во внеклеточной жидкости, при этом изменяется проницаемость мембраны для ионов натрия и калия, в клетке накапливается жидкость. Другой причиной может быть удаление фосфолипидов из мембраны воздействием фосфолипаз.

Образование «крупных» микропор в цитоплазматической мембране связано с нарушением обменной диффузии в клетке. В нормально функционирующей клетке, т.е. при нормально протекающей обменной диффузии (ионы калия и натрия, анионы хлора и др.), микропоры не превышают 0,4-0,6 нм; при нарушении обменной диффузии они могут достигать 9 нм. Появление «крупных» микропор ведет к изоосмотическому набуханию клетки, перерастяжению, а в дальнейшем и к разрыву клеточных мембран.

«Бреши» в плазмолемме (локальные разрушения мембраны), размеры которых могут достигать 1 мкм, связаны с лизисом мембраны, который может быть вызван самыми разными

50