Материал: Отчет по ЛБ №3

Внимание! Если размещение файла нарушает Ваши авторские права, то обязательно сообщите нам

Школа ИШЭ

Специальность 13.03.02 Электроэнергетика и электротехника

Отделение школы (НОЦ) ОЭЭ

ОТЧЕТ

Лабораторная работа 3.

"Исследование характеристик трехфазного синхронного генератора"

по дисциплине «Электрические машины»

Студент

Группа

ФИО

Подпись

Дата

5А8Б

Овчинникова Дарья Андреевна

03.11.2020

Преподаватель

Должность

ФИО

Ученая степень, звание

Подпись

Дата

Доцент

Гирник Андрей Сергеевич

к.т.н.

Томск 2020 г.

Цель работы

Изучить конструкции и принцип действия синхронного генератора; приобрести практические навыки определения  характеристик; на основании опытов получить подтверждение теоретическим сведениям о синхронных генераторах.

Программа работы

1. Ознакомиться с лабораторной установкой.

2. Получить характеристики: холостого хода, нагрузочную, внешнюю, регулировочную, короткого замыкания.

3. Проанализировать полученные характеристики и сделать основные выводы.

Теоретические положения

Электрическая машина – это

электромеханический преобразователь физической энергии, основанный на явлениях электромагнитной индукции и силы Ампера, действующей на про-водник с током, движущийся в магнитном поле.

Синхронная машина – это

машина переменного тока, в которой частота вращения ротора равна частоте вращения магнитного потока статора и , следовательно, определяется часто-той тока сети.

Индуктором синхронной машины называется

Ротор вместе с обмоткой возбуждения.

В статорах синхронных машин применяются типы обмоток

в статорах трехфазных синхронных машин применяются трехфазные обмотки машин переменного тока

Вид конструктивного исполнения ротора синхронной машины зависит от

необходимой частоты вращения, главным образом это сказывается на кон-структивных особенностях ротора, он бывает двух основных видов, это явно-полюсный и неявнополюсный типы.

Явнополюсную конструкцию ротора имеют синхронные генераторы

с низкой скоростью вращения

Неявнополюсную конструкцию ротора имеют синхронные генераторы

с высокой скоростью вращения ротора.

Характеристика холостого хода синхронного генератора – это зависимость при следующих условиях I=0; n=const

Приведенную характеристику холостого хода получают

Приведенную характеристику холостого хода получают путем смещения оси координат на величину ∆

Коэффициентом насыщения магнитной цепи синхронной машины называют

отношение суммарной МДС к МДС воздушного зазора.

Нагрузочная характеристика синхронного генератора – это зависимость при следующих условиях I=const; cosφ=0; n=const

Практическое значение нагрузочной характеристики состоит в том, что

она используется для определения размагничивающего действия якоря.

Внешняя характеристика синхронного генератора – это зависимость при следующих условиях If=const; cosφ=const; n=const

Номинальным изменением напряжения называется

изменение напряжения на клеммах обмотки якоря генератора при отключении номинальной нагрузки.

Регулировочная характеристика синхронного генератора – это зависимость при следующих условиях U=const; cosφ=const; n=const

Практическое значение регулировочной характеристики состоит в том, что

она показывает, как нужно регулировать ток возбуждения синхронного генератора, чтобы при изменении нагрузки его напряжение оставалось неизменным.

По регулировочным характеристикам определяется

относительное изменение тока возбуждения,

необходимое для

поддержания неизменным напряжения на клеммах обмотки якоря при переходе от холостого хода к номинальной нагрузке.

Опыт короткого замыкания отличается от короткого замыкания в процессе эксплуатации синхронного генератора тем, что

в процессе эксплуатации синхронного генератора КЗ привести к порче генератора из-за резкого падения напряжения в момент короткого замыкания.

Характеристика короткого замыкания синхронного генератора – это зависимость при следующих условиях U=0; n=const

Электрооборудование и измерительные приборы

  1. Объект исследования: трехфазный явнополюсный синхронный генератор. Номинальные напряжения 220/127 В; номинальный ток обмотки якоря 1 А.

  2. Вольтметр, измеряет напряжение на клеммах обмотки генератора. Класс точности 1,0; диапазон измерений 0–150 В.

  3. Амперметр, измеряет ток обмотки возбуждения. Класс точности 1,0; диапазоны измерений 0–1,5 А.

  4. Амперметр, измеряет ток нагрузки (обмотки якоря). Класс точности 1,0; диапазоны измерений 0–5 А.

  5. Автотрансформатор.

  6. Активная нагрузка – реостат с плавным изменением нагрузки.

  7. Индуктивная нагрузка – асинхронная машина с заторможенным фазным ротором, обмотки которой соединены по схеме регулируемой реактивной катушки.

Экспериментальная часть

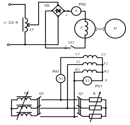
Рис. 1. Электрическая схема лабораторной установки для исследования трехфазного синхронного генератора

а б в

Рис. 2. Электрические схемы обмотки якоря опытов короткого замыкания: а – трехфазного, б – двухфазного, в – однофазного

Результаты измерения и расчетные параметры заносят в соответствующие таблицы.

Таблица 1

Характеристика холостого хода

опыта

Примечание

В

А

А

1

127

0.71

= 0 , В

= 0.1 , А

= 0.71 , А

2

115

0.61

3

100

0.51

4

84

0.44

5

60

0.31

6

40

0.22

7

20

0.06

Таблица 2

Нагрузочная характеристика

опыта

Примечание

В

А

1

95

0.74

= 1 , А

2

75

0.66

6

60

0.61

4

35

0.52

5

10

0.36

Таблица 3

Внешние характеристики

№ опыта

Примечание

I

U

I

U

А

B

А

B

1

1

100

1

75

= 1 , А

2

0.9

107.5

0.9

80

3

0.8

115

0.8

85

4

0.7

117.5

0.7

90

5

0.6

120

0.6

94

6

0.5

122.5

0.5

100