Материал: Ослуживание и эксплуатация автомотрисы АСГ-30П

Внимание! Если размещение файла нарушает Ваши авторские права, то обязательно сообщите нам

Поток жидкости от насосов 2 и 3 поступает одновременно к распределителям 15 и 16. Распределитель 15 управляет гидроцилиндром изменения вылета (угла наклона) стрелы 27 и гидромотором 28 поворота платформы крана-манипулятора. Распределитель 16 управляет гидрометром привода грузовой лебедки 29 и гидроцилиндром изменения длины телескопической стрелы 23. Гидроцилиндр имеет увеличенный ход поршня и вмонтирован в металлоконструкцию стрелы. Секция Б распределителя 15 и секция А распределителя 16 оснащены дополнитльно сблокированными распределителями, с помощью которых в период включения основных золотников происходит растормаживание грузовой лебедки и платформы, а в период выключения - торможение этих механизмов гидроцилиндрами 13 и 14.

Кран-манипулятор БАКМ-890 оборудован приборами безопасности, которыми в аварийной ситуации отключаются электромагниты гидроклапанов 17, 18 и 19. В результате отключения электромагнитов соединяются гидролинии управления предохранительных клапанов 20 и 21 с дренажной гидролинией, происходит разгрузка насосов и замыкание тормозов гидроцилиндрами 13 и 14. Для уменьшения скорости поворота платформы используется дроссель 22 с регулятором давления. При включении гидромотора поворота платформы 28 оператор-машинист регулируемым дросселем 22 сбрасывает часть потока жидкости, поступающей от насосов 2 и 3 в сливную линию. Для исключения кавитации в трубопроводах и стабилизации скорости опускания груза и стрелы, уменьшения длины стрелы применяются тормозные гидроклапаны 24, 25 и 26, которые пропускают на слив поток жидкости, равный потоку жидкости, подводимой к гидродвигателям. Опускание груза при выходе из стоя ДВС или насоса осуществляется вентилем 12. В поршневых полостях гидроцилиндров 23 и 27 установлены гидрозамки, Которые запирают поток жидкости в поршневой полости и предотвращают опускание стрелы и груза под действием внешних сил. Давление в напорных линиях насосов и сливной линии контролируется манометрами 31, а температура - дистанционным термометром 32.

Ручной насос 4 используется для перевода стрелы в транспортное положение, в случае отказа двигателя или насоса.

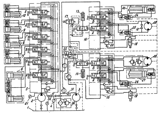
Рис. 6.12 - Принципиальная гидравлическая схема крана-манипулятора БАКМ-890: 1. гидробак; 2, 3 нерегулируемые насосы; 4. ручной насос; 5. секционный распределитель; 6. - гидроцилиндры блокировки рессор; 7, 8, 9,10 - гидроцилиндры выносных опор; 11, 12 - вентили; 13, 14 - гидроцилиндры тормозов; 15,16 - секционные распределители; 17, 18, 19 - гидроклапаны с электромагнитным управлением; 20,21 - предохранительные клапаны; 23 - гидроцилиндр изменения длины стрелы; 24, 25, 26 - тормозные гидроклапаны; 27 - гидроцилиндр изменения высоты вылета стрелы; 28 - гидрометр поворота платформы; 29 - гидрометр грузовой лебедки; 30- фильтр с переливным клапаном; 31 - манометр; 32 - датчик температуры

6.4 Выбор рабочих жидкостей

От правильности выбора рабочей жидкости зависят работа гидропривода и долговечность гидрооборудования. Даже оптимально спроектированный гидропривод может оказаться неработоспособным или малоэффективным, если жидкость не будет соответствовать условиями эксплуатации.

Марку масла выбирают исходя из условий эксплуатации, типа насоса, гидроцилиндров и ответственности гидросистемы. Чем ниже температура окружающей среды, тем менее вязкую жидкость следует выбирать, и наоборот.

Для гидропривода крана-манипулятора масло следует выбирать по следующим основным показателям: диапазону температур; соответствию вязкости жидкости номинальному давлению; с учетом типа используемого гидронасоса; климатическим условиям эксплуатации гидропривода; срокам эксплуатации машины; продолжительности работы в течении суток; соответствия рабочей жидкости резиновым уплотнителям; стоимости жидкости.

Применение масла с завышенной вязкостью (более м2/с или более 1000 сСт) приводит к увеличению гидравлических сопротивлений, повышению потребляемой гидроприводом мощности, уменьшает КПД гидропривода, ухудшает фильтрацию, вызывает нежелательный нагрев масла. При занижении вязкости (ниже  или 10 сСт) повышается интенсивность износа трущихся пар, ускоряется окисление масла, увеличиваются его утечки и перетеки, что также снижает КПД гидропривода.

Для гидроприводов с легким режимом работы и меньшим номинальным давлением следует применять масла с меньшей вязкостью, чем для гидроприводов с тяжелым режимом работы и большим номинальным давлением. Так, при прочих равных условиях, при номинальном давлении до 7 МПа рекомендуется вязкость масла 0,210-4…0,410-4м2/с (20-40 сСт) при 50С, а при давлении 7…20 МПа - 0,310-4…0,610-4м2/с (30-60 сСт) при 50С, при давлении более 25 МПа - рекомендуемая вязкость масла более 0,510-4м2/с при аналогичной температуре.

Минимальная кинематическая вязкость рабочей жидкости не должна быть ниже:

сСт - для шестерных гидромашин;

сСт - для пластинчатых гидромашин;

сСт - для поршневых гидромашин.

Выбираем масло АМГ-1 (зимой) и МГ-30 (или ИС-30) (летом), со следующими характеристиками:

Таблица 6.5 - Масло индустриальное ИГП-38

Масло     Вязкость, * 10-6Индекс вязкости, UBКОН, Плотность,

Температура





                                                                 вспышки ºСзастывания

ºСтемпературные пределы применения




 


при 500С

при 00С







Зимой

АМГ-10

10

42

90

0,6 - 1

870

92

-15

-45…+600С

Летом

МГ-30 ИС-30

30 28

760 760

190 190

0,05 - 0,1

890 890

190 190

-35 -15

-10…+600С


Рассмотрим гидроцилиндры:

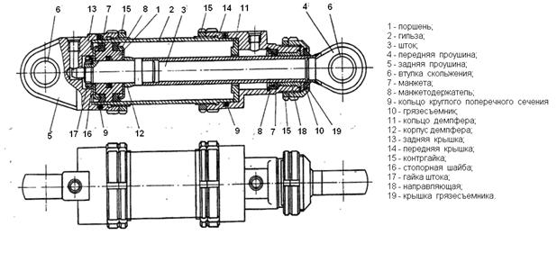
Рис. 6.13 - Гидроцилиндр

6.5 Расчет гидроцилиндров стрелы крана-манипулятора БАКМ-890

Определение расчетных выходных параметров гидропривода

Рис. 6.14 - Схема расчета гидроцилиндра

Схема расчета гидроцилиндра представлена на рис. 6.3 . На ней указаны все силы, действующие на гидроцилиндр.

Силы сопротивления:

Т - усилие на штоке;П - сила трения уплотнения поршня;Ш - сила уплотнения штока;

РСЛ - реактивное усилие от давления в штоковой области.

Активная сила:

РН - сила давления в поршневой полости.

Для усилия на штоке в инженерных расчетах используют выражение:

Т = РНН

где  - гидромеханический КПД гидроцилиндра. В расчетах его выбирают в пределах 0,92 - 0,98. Меньшее значение рекомендуется выбирать для давления рабочей жидкости до 10 МПа, а большее для давления свыше 20 МПа.

 - площадь поршня поршневой полости, м2.

Выразив в последнем уравнении площадь поршня через его диаметр, определяем усилия на штоке:

при подаче жидкости в поршневую полость

Т =  

при подаче жидкости в штоковую полость

Т =  

- диаметр поршня- диаметр штока

Гидропривод управления стрелой имеет два гидроцилиндра, работающих в одинаковых условиях:

- гидроцилиндр изменения длины стрелы

- гидроцилиндр изменения высоты вылета стрелы

Необходимое усилие на штоке каждого гидроцилиндра


Принимаем коэффициент запаса по усилию , получаем расчетное значение усилия

р = kз.у.∙ T = 1,20∙43 = 51.6 kH.

Исходя из условий устойчивости, определяем минимальный диаметр штока гидроцилиндра


где k = 2 - коэффициент, учитывающий заделку концов штока;= 2,1∙1011 Па - модуль упругости материала (для стали).

В соответствии с нормами ОН 22-176-69 принимаем  = 50 мм и с учетом L = 800 мм по приложению 2 норм ОН 22-176-69 выбираем ψ = 1,65.

ψ =

В первом приближении соотношение между диаметром штока d и диаметром поршня D принимается в зависимости от давления в гидроцилиндре и рекомендаций:

Р » (1,5 ¸5) Мпа

Р > 5 Мпа

В гидроцилиндрах ПСМ (по нормам ОН - 22-176-69) принято два исполнения с отношением площадей поршневой и штоковой полости 0,33 и 0,65.

Поэтому можно принять:

= d/0.7 = 50/0.65 = 76.9  80 мм

Скорость рабочего хода поршня


где ∆t = 1,0 с - время на переключение распределителя в крайнем положении поршня при ручном управлении.- время рабочего цикла гидропривода принять равным t = 28 с

Принимая коэффициент запаса по скорости равным , получаем расчетное значение скорости рабочего хода поршня


Расчетная мощность гидропривода составит:

 Вт ≈ 5.6 кВт.

трубопровод гидроцилиндр

Назначение величины рабочего давления и выбор насоса

По величине Fр = 51.6 kH в соответствии с таблицей 1 норм ОН 22-176-69 рабочее давление в системе принимаем равным . При этом давлении расчетная производительность насоса составит


В кране-манипуляторе используются два насоса с параметрами:

= 1500 ,  и

Предохранительные клапана в системе настраиваем на давление насоса, т.е.

Расчет гидроцилиндров

Давление в поршневой полости гидроцилиндра равно


Необходимая площадь гидроцилиндра составит

.

Требуемый минимальный диаметр гидроцилиндра равен


В соответствии с величинами L, ψ,  и  по нормали ОН 22-176-69 подбираем унифицированный гидроцилиндр с параметрами:= 800 мм;

Ψ = 1,65:

d = 50 мм;= 80 мм

ГЦ 25-1-1/1-80-50-800

Площадь

поршневой полости SП = 50 см2;

штоковой полости SШ = 30,3 см2;

Проверяем выбранный гидроцилиндр на создание требуемого усилия при рабочем ходе.

Сила трения в уплотнениях поршня


где μ = 0,13 - коэффициент трения для резиновых манжет;

 = 7,5 10-3 м = 7,5 мм - ширина рабочей части манжеты, принятая равной половине ширины манжеты при уплотнении по наружному диаметру (=15 мм по приложению 7 методических указаний).

 = 5 МПа - контактное давление от деформации усов манжеты при ее монтаже.

Сила трения в уплотнениях штока

=

где  = 6,25*10-3 м = 6,25 мм - ширина рабочей части манжеты, принятая равной половине ширины манжеты при уплотнении по внутреннему диаметру (= 12,5 мм по приложению 7 методических указаний).

=Н - давление в сливной полости гидроцилиндра, которое в случае свободного слива принимается равным потере давления в сливной магистрали ().

Сила сопротивления, обусловленная вытеснением жидкости с противоположной стороны поршня, равна


Полезное усилие, создаваемое гидроцилиндром при рабочем ходе


Так как  = 116,256 кН  Fp = 51.6 кН, то выбранный гидроцилиндр удовлетворяет требованию по созданию заданного усилия. В соответствии со схемой гидропривода два таких гидроцилиндра обеспечат необходимое усилие на рабочем органе (2 * 51,6 = 103,2 кН  116,256 кН)

Потребный расход жидкости гидроцилиндром определяется по формуле:


где QП - потребный расход жидкости,- скорость поршня гидроцилиндра,

hОЦ - объемный КПД гидроцилиндра,э - эффективна площадь поршня эффективная площадь поршня SЭ в формуле потребного расхода будет различна.

При выталкивании

Э = 3,14*802/4 = 5024 мм2 = 5,024*10-3 м2 = 50,24 см2

При втягивании

Э = 3,14*(802 - 502) /4 = 3061,5 мм2 = 3,0615*10-3 м2 = 30,615 см2

Толкающее усилие равно:


Находим расход рабочей жидкости в поршневой полости:

;

где υпор, м/мин - скорость движения поршня;п, м2 - площадь поршневой полости.


Вычисляем условный проход:

;

где Q, л/мин - подача насоса;

υж =4,5 м/с - скорость жидкости.


Принимаем

Определяем толщину стенки цилиндра:

;

где R=260МПа - расчетное сопротивление материала, для стали 45;=0.85 - коэффициент условий работы;=(1.05…1.2) Pн = 1,2*25 = 30 МПа - максимальное рабочее давление.


Принимаем δ = 6 мм

Определяем толкающее и тянущее усилие:

поршневой полости SП = 50 см2;

штоковой полости SШ = 30,3 см2;


Заключение

Автомотрисы представляют собой специальный подвижной состав железных дорог. Их широко используют при строительстве железных дорог, монтаже, обслуживании и ремонте устройств контактной сети, воздушных линий (автомотриса АСГ-30), путевого хозяйства (АСГ-30П), устройств СЦБ и связи, а также при восстановительных работах на железнодорожном транспорте.

В работе рассмотрена автомотриса АСГ-30П. Автомотриса АСГ-30П применяется для производства работ при текущем содержании, ремонте и строительстве железнодорожных путей.

Машинисты автомотрис должны точно выполнять инструктивные указания по техническому обслуживанию (ТО) и ремонту подвижных единиц, уметь управлять ими, неукоснительно соблюдать ПТЭ железных дорог, Правила техники безопасности и требования других документов.

Кроме того, машинисты автомотрис должны уметь быстро находить и устранять неисправности, возникающие в пути следования, принимать правильные решения для того, чтобы незамедлительно освободить перегон, открыть движение поездов. Для этого они должны тщательно изучить конструкцию узлов и механизмов автомотрисы, знать «слабые» места различных устройств и признаки их повреждений. С этим связано рассмотрение конкретных вопросов в данной работе.

В работе рассмотрен ремонт/восстановление деталей двигателя, применяемого на мотрисе: дизеля ЯМЗ-380Д

Основное оборудование автомотрисы - кран-манипулятор БАСМ-890.

В дипломном проекте рассматривается порядок ТО и ремонта крана-манипулятора, рассмотрена гидравлическая схема и произведен расчет применяемых гидроцилиндров, применяемых в системе стрелы крана.

Используемая литература

1.      Правила технической эксплуатации железных дорог Российской Федерации.

.        Инструкция по эксплуатации самоходных железнодорожно-строительных машин для ремонта и текущего содержания пути № ЦП-734 от 30.12.1999.

.        Правила по охране труда при содержании и ремонте железнодорожного пути и сооружений ПОГ РО-32-ЦП-652-99.

.        Путевые машины // По ред. С.А. Соломонова. Желдориздат, 2008 г. (М.В. Попович, В.М. Бугаенко и др.).

.        Машинизация текущего содержания пути. Транспорт, 1990 // Под ред. К.С. Исаева (Федулов В.Ф., Щекотков Ю.М.).

.        А.С. Белкин, В.А. Грибков, Н.А. Груненышев. Устройство, эксплуатация и ремонт мотовозов, автодрезин и автомотрис. Москва, 2007.

.        В.В. Воробьев, М.А. Самоснов, В.Е. Чекулаев. Автомотрисы и автодрезины. Управление и обслуживание. Транспорт, 1987.

.        Правила устройства электроустановок. 6-е изд. Москва, 2012.

.        Тихомиров В.И. Экономика, организация и планирование путевого хозяйства, 2008.

.        Нормы ОН 22-176-69 «Расчет гидроприводов самоходных машин».

Приложение 1

Принципиальная гидравлическая схема крана-манипулятора БАКМ-890

Рис. П1 - Принципиальная гидравлическая схема крана-манипулятора БАКМ-890: 1. Гидробак; 2, 3 Нерегулируемые насосы; 4. ручной насос; 5. секционный распределитель; 6. - гидроцилиндры блокировки рессор; 7, 8, 9,10 - гидроцилиндры выносных опор; 11, 12 - вентили; 13, 14 - гидроцилиндры тормозов; 15,16 - секционные распределители; 17, 18, 19 - гидроклапаны с электромагнитным управлением: 20,21 - предохранительные клапаны; 23 - гидроцилиндр изменения длины стрелы; 24, 25, 26 - тормозные гидроклапаны; 27 - гидроцилиндр изменения высоты вылета стрелы; 28 - гидрометр поворота платформы; 29 - гидрометр грузовой лебедки; 30- фильтр с переливным клапаном; 31 - манометр; 32 - датчик температуры

Приложение 2

Гидроцилиндр


Приложение 3

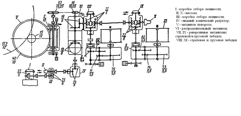
Кинематическая схема крана-манипулятора БАКМ-890


Приложение 4

Пневматическое оборудование автомотрисы аварийно-восстановительной АРВ-1

Это оборудование предназначено для обеспечения работы тормозной системы, систем управления механизмами и устройствами, а также питания рабочих инструментов.

Автомотриса оборудована автоматическим тормозом с краном машиниста, который используется при движении с прицепной нагрузкой, а также краном вспомогательного тормоза, используемым при одиночном следовании. В целом пневмосистема выполнена по типовой схеме локомотива, имеющего два поста управления.

Источником питания сжатым воздухом тормозной системы, системы управления автомотрисы, а также рабочих инструментов являются компрессор КМ1 (рис. 2.9), установленный на силовом агрегате ЯМЗ-238, и компрессор КМ2, установленный на платформе.

В питательной магистрали между компрессорами и главными резервуаром смонтированы: предохранительный клапан КП1, отрегулированный на давление 0,83 + 0,02 МПа; клапан холостого хода КХ, управляемый регулятором давления РД, который срабатывает на снижение давления при 0,8 МПа и на повышение давления при 0,65 МПа, и обратный клапан КО, защищающий компрессоры от давления сжатого воздуха из главных резервуаров после срабатывания регулятора давления. После главных резервуаров установлен масловлагоотделитель МД. Система приготовления воздуха работает следующим образом: воздух от компрессоров КМ1 и КМ2 поступает через предохранительный клапан КП1, обратный клапан КО в главные резервуары РГ1, РГ2, РГ3, снабженные сливными краниками Кр11, Кр12, КР13 для удаления конденсата. Как только давление в главных резервуарах достигает 0,8 МПа, регулятор давления РД срабатывает, подает электрический сигнал на электропневмовентиль, который, в свою очередь, пропускает сжатый воздух в клапан холостого хода КХ. Клапан КХ срабатывает и сообщает с атмосферой участок питательной магистрали от компрессоров до обратного клапана КО, переводя работу компрессоров в холостой режим.

При торможении автомотрисы краном вспомогательного тормоза KpBT1 или КрВТ2 воздух поступает из питательной магистрали через фильтры очистки воздуха Ф2 и Ф3, разобщительные краны Кр6 или Кр9; далее через Кр7 или Кр8 и переключательные клапаны КПр2 и КПр2 к тормозным цилиндрам Ц1 и Ц2.

При торможении автомотрисы краном машиниста КрМ1 или КрМ2 воздух из питательной магистрали через кран двойной тяги Кр4 или Кр5, комбинированный кран Кр2 или Кр3 поступает в тормозную магистраль, далее через разобщительный кран Kp1 к воздухораспределителю Р, который срабатывает на зарядку, сообщая запасной резервуар РЗП с тормозной магистралью, а тормозные цилиндры с атмосферой.

При повышении давления сжатого воздуха в тормозной магистрали до 0,5-0,53 МПа ручка крана машиниста должна быть установлена в поездное (II) положение.

При понижении давления в тормозной магистрали краном машиниста воздухораспределитель приходит в действие и сообщает запасной резервуар РЗП через переключательный клапан КПр1 с тормозными цилиндрами Ц1 и Ц2.

Для контроля работы пневматической системы на каждом пульте управления установлены по два манометра, один однострелочный, показывающий давление в тормозных цилиндрах, другой двухстрелочный, показывающий давление в питательной и тормозной магистралях. При переходе с пульта на пульт необходимо перекрыть краны усл. № 114 и усл. № 377, а на рабочем пульте открыть.

Питание воздухом звуковых сигналов производится из питательной магистрали. Воздух поступает к клапанам звуковых сигналов КЗС1 или КЗС2, установленных на боковых стенках кабины. В зависимости от направления нажатия рукоятки клапана воздух подается к тифону Т1, Т2 или свистку C1, С2, расположенным на крыше кабины. Управление звуковыми сигналами осуществляется с каждого пульта управления.Подача песка из песочниц П1 и П2 или П3 и П4 производится соответственно при помощи клапанов КС3 или КС2. Кнопки воздействия на них расположены на полу под каждым пультом управления для нажатия левой ногой.

При выполнении определенных видов работ на контактной сети предусмотрено подключение пневматического инструмента: гайковерта, шлифовальной машины и перфоратора. Отбор воздуха для инструмента производится из питательной магистрали тормозной системы через разобщительный кран Кр21 усл. № 383, клапан КД, предохранительный клапан КП2, отрегулированный на давление 0,6 МПа, и питательный резервуар РП емкостью 55 л.

Редукционный клапан КД необходимо отрегулировать на номинальное рабочее давление подключаемого инструмента. Кран Кр21 переводиться в положение «открыт» только при работе пневмоинструментом, в случае движения автомотрисы система питания пневмониструмента должна быть отключена и кран Кр21 должен находится в положении «Закрыт». Подача воздуха к определенному пневмоинструменту производится через разобщительные краны Кр22 и Кр23.

Работа пневмоинструментом при давлении воздуха в главных резервуарах ниже 0,5 МПа не допускается. Оно контролируется по двухстрелочному манометру с обоих постов управления.

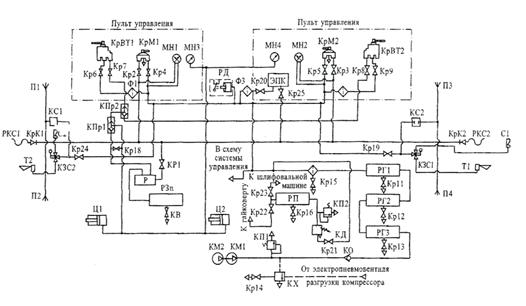
Рис. П2 - Пневматическое тормозное и вспомогательное оборудование автомотрисы АРВ-1: РЗп - резервуар запасной, 55 л; РКС1, РКС2 - рукава соединительные Р11; РП - резервуар питательный, 55 л; Ц1, Ц2 - цилиндры тормозные, усл. № 508Б; ЭПК - электропневматический клапан автостопа ЭПК-153; С1, С2 - сигналы воздушные звуковые; КЗС1, КЗС2 - клапаны звуковых сигналов; KB - клапан выпускной усл. № 31Б; КД - клапан редукционный; КМ1 - компрессор 4331-3509009; КМ2 - компрессор ВВ-0,8/8-720; КО - клапан 1-3 усл. № 3700; КП1, КП2 - клапаны 2-2 усл. № 216; КПр1, КПр2 - клапаны 5-1 переключательные усл. № 3ПК; Kp1 - кран разобщительный усл. № 372; Кр2, Кр3 - краны комбинированные усл. № 114; Кр4, Кр5, Кр25 - краны усл. № 377; Кр6...Кр9, Kp18...Кр24 - краны усл. № 383; Кр11...Кр16 - краны усл. № 4360; KpBT1, КрВТ2 - краны вспомогательного тормоза усл. № 254; КрК1, КрК2 - краны концевые усл. № 33; KpM1, КрМ2 - краны машиниста усл. № 326; КС1, КС2 - клапаны сигнала № 111; КХ - клапан холостого хода усл. № 254; МД - маслоотделитель усл. № Э-120Т; MН1, МН2 - манометры МП 2-16; МН3, МН4 - манометры МП-10; П1...П4 - песочницы; Р - воздухораспределитель усл. № 292.001; РГ1...РГ3 - резервуары главные, 55 л; РД - датчик-реле давления

Приложение 5

Рис. П3 - Электрическая схема

Рис. П4 - Электрическая схема