Материал: Насос центробежный

Внимание! Если размещение файла нарушает Ваши авторские права, то обязательно сообщите нам

Насос центробежный

МІНІСТЕРСТВО ОСВІТИ І НАУКИ

НАЦІОНАЛЬНИЙ АВІАЦІЙНИЙ УНІВЕРСИТЕТ











Домашнє завдання з дисципліни

«експлуатація авіаційної наземної техніки та технологічного обладнання аеропортів»

Тема: Насос відцентровий

Виконала Бондарчук Л. Ф., ФЛА 507

Перевірив Білякович О. М.






КИІВ 2015

Содержание


Введение

Раздел 1. Описание технологического оборудования

Раздел 2. Эксплуатация технологического оборудования

Раздел 3. Организация технического обслуживания технологического оборудования

Выводы

Список литературы

Введение

Безопасность работы транспортных средств любых типов в значительной степени зависит от качества топлива, которое потребляют их двигатели. Качество топлива, в свою очередь, напрямую зависит от технического состояния оборудования предприятий, осуществляющих отпуск горючего.

Технологии транспортировки, хранения, подготовки к выдаче и самой выдачи горючего включает обслуживание большого количества складского и специального оборудования предприятий топливо обеспечения. Правильное применение оборудования для выполнения всех операций с топливом обеспечит высокую эффективность предприятий топливо обеспечения.

Средства перекачки горючего используются как на линии приема в резервуары, так и на линии выдачи горючего потребителю.

Подбор средств перекачки осуществляется сопоставляя параметры поставленной задачи и технические характеристики насосов. При этом учитывается вязкость и давление насыщенных паров горючего; подача насоса должна соответствовать объему перекачки на линии приема или среднесуточной расходу на линии выдачи. В некоторых случаях может возникнуть необходимость установления параллельно двух или более насосов.

Во время выполнения домашнего задания нужно описать назначение, конструкцию и принцип работы центробежного насоса. Кроме этого, нужно проанализировать условия работы данного объекта, которые влияют на его эксплуатацию, подробно описать особенности эксплуатации (использования по назначению) центробежного насоса, определить виды и периодичность технического обслуживания, подробно описать технологию работ, предусмотренных каждым видом ТО.

Раздел 1. Описание технологического оборудования

Насосы центробежные двустороннего входа для перекачивания нефтепродуктов (Рис. 1.1.) и агрегаты электронасосные на их основе, предназначенные для перекачивания незагрязненных механическими примесями нефтепродуктов и воды с примесями нефтепродуктов.

Рис. 1.1. Насос центробежный нефтяной

насос центробежный перекачивание нефтепродукт

Насосы типа НДв, НДс - центробежные, горизонтальные, одноступенчатые с двусторонним полуспиральным подводом жидкости к рабочему колесу и спиральным отводом (Таблица 1.1). Корпус насоса имеет разъем в горизонтальном плоскости. Всасывающий и напорный патрубки выполнены в нижней части корпуса, что позволяет проводить разборку насоса для замены деталей ротора без отсоединения трубопровода и демонтажа двигателя.

Ротор насоса приводится во вращение электродвигателем через упругую втулочно-пальцевую муфту. Опорами ротора служат радильные или радиально-упорные подшипники. Рабочее колесо двустороннего входа, что позволяет в основном, уравновесить осевые силы. Для предотвращения протечек по валу применяются торцовые уплотнения.

Содержание твердых включений в перекачиваемых средах не более 0,2% по массе и размером не более 0,2мм.

Таблица 1.1

Технические характеристики центробежных нефтяных насосов типа НД

Марка агрегата

Подача, м3/час

Напор, м

Частота вращения, об/мин

Потребляемая мощность, кВт

Допускаемый кавитационный запас, м

6НДв-Бт

320

50.00

1450

68.00

5.50

6НДв-Бт-а

300

44.00

1450

60.00

5.70

6НДв-Бт-б

275

39.00

1450

52.00

5.90

8НДв-Нм

630

90.00

1450

230.00

6.50

8НДв-Нм-а

550

82.00

1450

190.00

6.70

8НДв-Нм-б

500

74.00

1450

6.80

8НДв-Нм

500

38.00

960

78.00

5.00

8НДв-Нм-а

470

33.50

960

70.00

5.50

8НДв-Нм-б

420

30.00

960

52.00

5.70

12НДс-Нм

1250

65.00

1450

290.00

6.00

12НДс-Нм-а

1150

56.00

1450

220.00

6.20

12НДс-Нм-б

1050

48.00

1450

190.00

6.40

12НДс-Нм

800

28.00

960

85.00

5.00

12НДс-Нм-а

750

24.50

960

72.00

5.10

12НДс-Нм-б

700

20.50

960

60.00

5.40

14НДс-Нм

1000

40.00

960

154.00

4.50

14НДс-Нм-а

950

35.00

960

136.00

4.60

14НДс-Нм-б

900

31.00

120.00

4.70


Агрегат состоит из насоса и приводного двигателя, установленных на общей фундаментной раме и соединенных между собой при помощи упругой втулочно-пальцевой муфты.

Принцип действия насоса заключается в преобразовании механической энергии привода в гидравлическую энергию жидкости.

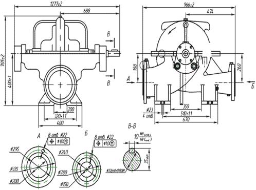
Корпус насоса представляет собой стальную или чугунную отливку и имеет разъем в горизонтальной плоскости, проходящей через ось ротора. Всасывающий и нагнетательный патрубки насоса расположены в нижней половине корпуса, благодаря чему возможна разборка насоса без отсоединения трубопроводов и снятия двигателя. Крышка корпуса продолжает конфигурацию каналов корпуса.

В верхней части крышки корпуса предусмотрено отверстие М16х1,5, закрытое пробкой, для присоединения вакуумнасоса или подключения системы вакууммирования. В спиральной части крышки насоса предусмотрены два отверстия М16х1,5 для присоединения трубопроводов подачи перекачиваемой жидкости к одинарным торцовым уплотнениям. В случае комплектации насосов двойным торцовым уплотнением эти отверстия закрыты пробками.

В корпусе насоса имеются шесть отверстий М16х1,5, закрытые пробками: четыре (в зоне торцового уплотнения и на патрубках насоса) -для слива остатков жидкости при длительной остановке насоса; два (на фланцах патрубков насоса) - для установки манометра и мановакуумметра.

Для отвода утечек в ваннах корпуса насоса 6НДв-Бт выполнены два отверстия М24х2. Ротор насоса приводится во вращение электродвигателем через соединительную втулочно-пальцевую муфту. Опорами ротора служат радиальный двухрядный сферический и радиально-упорный двухрядный подшипники, размещенные в корпусах подшипников, установленных в корпусе насоса Радиально-упорный двухрядный подшипник установлен со стороны «муфтового» конца вала. Охлаждение подшипников обеспечивается подводом охлаждающей жидкости к корпусам подшипников через отверстия М24х2. Направление вращения ротора левое (против часовой стрелки), если смотреть со стороны привода. По просьбе потребителя возможно изготовление насоса с правым вращением ротора (по часовой стрелке ).

Рабочее колесо - двустороннего входа, что позволяет в основном уравновесить осевые силы. Остаточные осевые усилия воспринимаются радиально-упорным двухрядным подшипником. На рабочем колесе установлены защитные кольца. В корпусе насоса установлены уплотняющие кольца, защищающие корпус и крышку корпуса от износа и уменьшающие перетечки жидкости из напорной полости во всасывающую.

Для предотвращения протечек жидкости по валу в насосе устанавливаются торцовые уплотнения (одинарные торцовые уплотнения со вспомогательной манжетой или двойные торцовые уплотнения). Втулки торцового уплотнения уплотнены по валу кольцом резиновым и зафиксированы от перемещения винтом. Узел уплотнения закреплен в корпусе четырьмя шпильками 10 и уплотнен по корпусу резиновым кольцом.

Одинарное торцовое уплотнение вала выполнено в виде единого уплотнительного модуля, состоящего из собственно одинарного торцового уплотнения, установленного на втулке в стакане, который закрыт крышкой. В крышке установлена манжета с минимальным зазором по валу. Для исключения подсоса воздуха и для охлаждения торцовых уплотнений обеспечивается подвод перекачиваемой жидкости от спиральной камеры насоса.

В стакане выполнены два отверстия М16х1,5, (закрытые резиновыми пробками), для обеспечения возможности подключения смыва или продувки полости между основным и дополнительным уплотнениями, а также для возможного подключения электроконтактного манометра (ЭКМ). В случае отсутствия смыва или продувки для увеличения ресурса работы манжеты рекомендуется полость между основным и дополнительным уплотнениями заполнить на 1/2 любой консистентной смазкой.

При подключении ЭКМ при стабильной работе уплотнения (без превышения предельно допустимой концентрации) утечки проходят по валу вдоль манжеты и отводятся в сборник. В случае выхода из строя основного уплотнения давление в полости между основным и вспомогательным уплотнениями повышается и ЭКМ дает сигнал на отключение насосного агрегата.

Двойное торцовое уплотнение состоит из двух одинарных торцовых уплотнений, собранных на втулке в стакане, закрытом крышкой. Гидравлический затвор и охлаждение двойного торцового уплотнения обеспечивается посредством подвода нейтральной жидкости к торцовому уплотнению.

Для отделения перекачиваемой среды от внешней среды и отвода тепла трения через отверстия М16х1,5, закрытые пробками 7, обеспечивается циркуляция затворной жидкости (Рис.1.2.). Систему подачи затворной жидкости в торцовое уплотнение выбирает и устанавливает потребитель. Простейшая схема подачи затворной жидкости в случае использования термосифона приведена на рисунке.

Рис.1.2. Схема подачи затворной жидкости к двойному торцовому уплотнению с использованием термосифона: 1 - гидроаккумулятор, вмещающий 10-15 литров воды или минерального масла вязкостью до 2-10-5 м2/с (20сСт) с содержанием твердых включений не превышающих по массе 0,05% и размеру более 0,2 мм; 2 - термометр; 3 - манометр; 4 - указатель уровня

Графическая характеристика насоса 6НДв-Бт (Рис.1.3.)

Характеристики подачи и напора насоса 6НДв-Бт, 6НДв-Бт-Е при частоте вращения - 24,2 с-1 (1450 об/мин)

Жидкость - вода p=1000 кг/м3

Рис.1.3. Графическая характеристика насоса 6НДв-Бт:- подача, Н - напор, N - мощность


Рис.1.4. Габаритный чертеж насоса


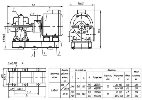
Рис.1.5. Габаритный чертеж агрегата


Условное обозначение насоса (агрегата) при заказе, переписке и в технической документации должно быть:

Насос (агрегат) 6НДв-Бт-Е У2 ТУ3631-066-05747979-96, где 6- диаметр напорного патрубка в мм, уменьшенный в 25 раз;

НД - насос двустороннего входа

в - высоконапорный;

Б -бензиновый;

т - одинарное торцовое уплотнение ;

Е - стальной корпус;

НДв-Бтд-Е У2 ТУ3631-066-05747979-96,

то же, и с двойным торцовым уплотнением (тд).

НДв-Бт У3.1 ТУ3631-066-05747979-96,

то же, в чугунном корпусе и с одинарным торцовым уплотнением.

Для более полного удовлетворения требований заказчика в части обеспечения необходимых параметров предусмотрены подрезка рабочих колес и использование насосов при пониженной частоте вращения.

При поставке насоса с обточенными по внешнему диаметру рабочими колесами к обозначению типоразмера насоса добавляется индекс:

«а» - первая обточка рабочего колеса (диаметр колеса 380мм);

«б» - вторая обточка рабочего колеса (диаметр колеса 360мм)

Применение

·              в насосных станциях нефтеперерабатывающих заводов для перекачивания этилированных бензинов по ГОСТ 2084-77 (А-72, А-76, АИ-91, АИ-93, АИ-95, АИ-90), неэтилированных бензинов, ортоксилола, прямогонного бензина, мазутов, вакуумного газойля, а также летнего, зимнего и арктического дизельного топлива по ГОСТ 305-82

·              в технологических процессах газоперерабатывающих комплексов и заводов стабилизации конденсатов для перекачивания товарной нефти, бензиновых фракций, стабильного конденсата, воды с примесями нефтепродуктов

·              в производственных процессах нефтехимических компаний для перекачивания сырой, некондиционной нефти, нефти по ГОСТ Р51858-2002

·              в нефтяных терминалах для перевалки автобензинов, дизельного и авиационного топлива, авиационных керосинов

·              в системах обеспечения оперативного и долговременного хранения нефтепродуктов

ОСОБЕННОСТИ/ПРЕИМУЩЕСТВА

·              применение комплектующих проверенных поставщиков позволяет гарантировать успешную эксплуатацию при температурах до минус 40°С;

·              применение рабочего колеса двухстороннего входа позволяет уравновесить осевые силы и снизить нагрузки на подшипники;

·              наличие горизонтального разъема корпуса насоса и крышки насоса позволяет производить ремонт на месте эксплуатации без демонтажа трубопроводов.

Раздел 2. Эксплуатация технологического оборудования


подготовка насоса (агрегата) к использованию

Насос (агрегат) при транспортировании, погрузке и разгрузке должен перемещаться в соответствии с ГОСТ 12.3.020-80. Запрещается поднимать агрегат за места, не предусмотренные схемой строповки (за рым болты двигателя или за вал насоса). Силы и моменты, передаваемые от трубопроводов на фланцы насоса (например, от веса трубопроводов, теплового расширения) не должны превышать допустимых значений. При превышении нагрузок, передаваемых трубопроводами на корпус насоса, может быть нарушена герметичность соединений насоса, что приведет к утечкам перекачиваемой жидкости. В этом случае при перекачивании химически активных или горячих жидкостей создается угроза для окружающей среды и здоровья людей! Электрооборудование, эксплуатируемое в помещениях со взрывоопасной зоной должно соответствовать требованиям взрывозащиты. Вид и степень взрывозащиты указываются на табличке электродвигателя. Насосы (агрегаты), предназначенные для применения в потенциально взрывоопасных средах должны соответствовать требованиям ГОСТ Р ЕН13463-5-2009 и иметь маркировку II Gb c IIВ T3, приведенную на табличке насоса (агрегата).