Материал: МУ к лаб работам ч1 СВПБПТ 2010

Внимание! Если размещение файла нарушает Ваши авторские права, то обязательно сообщите нам

ляющие длительность импульса; Rвн – резистор, определяющий выходное полное сопротивление ИГ; Lф – индуктивность, определяющая время нарас-

тания импульса.

R

R

 

Lф

з

вн

 

 

 

 

 

 

 

U

 

Cн

 

 

Rд

1

 

 

R

 

 

 

 

 

 

 

 

 

 

 

 

 

д2

 

 

 

 

 

 

 

 

 

 

 

 

 

 

 

 

 

 

 

 

 

 

 

 

 

 

 

 

 

 

Рис. 3.1

Значения Rд1, Rд2, Rвн, Lф и Cн выбраны таким образом, чтобы в режиме холостого хода длительность фронта импульса напряжения на выходе ИГ со-

ставляла T1 = 1 мкс при длительности импульса T2 = 50 мкс (рис. 3.2), а в ре-

жиме короткого замыкания длительность фронта импульса тока ИГ составляла 6,4 мкс при длительности импульса 16 мкс.

U

1,0

0,9

0,5

T2

0,1

0

T1

t

30 % max

Рис. 3.2

Основные характеристики функционирования ИГ МИП приведены в табл. 3.1.

42

Таблица 3.1

Характеристика

Параметр

Амплитуда импульсов напряжения при холостом

(0,5; 1; 2; 4) кВ 10 %

ходе (Umax)

 

Длительность фронта импульсов напряжения

1 мкс 30 %

 

 

Длительность импульсов напряжения

50 мкс 20 %

 

 

Полярность импульсов

Положительная и отрицательная

 

 

Сдвиг импульсов по фазе относительно переменно-

0…330 с шагом 30

го напряжения в сети питания

 

 

 

Амплитуда импульсов тока при коротком замыка-

(0.25; 0,5; 1; 2) кА 10 %

нии (Imax)

 

Длительность фронта импульсов тока

6.4 мкс 20 %

 

 

Длительность импульсов тока

16 мкс 20 %

 

 

Амплитуда обратного выброса импульса тока

Не более 0,3 Imax

Эффективное внутреннее сопротивление

2 Ом 25 %

 

 

Интервал между импульсами

Не менее 1 мин

Устройства связи/развязки. Необходимы для того, чтобы избежать возможного влияния помех на оборудование, не подлежащее испытаниям, которое может быть подключено к тем же линиям электропитания, что и ИТС, а также для обеспечения достаточного нагрузочного сопротивления для МИП, с тем чтобы на испытуемые линии мог быть подан импульс установленной формы.

Устройства связи/развязки не должны существенно влиять на параметры ИГ, например на допустимые отклонения выходного напряжения и тока.

Емкостная связь является предпочтительным методом связи при подаче МИП на несимметричные неэкранированные линии ввода/вывода при условии, что это не влияет на передачу сигнала по указанным линиям. Метод при-

меняют при подаче помехи по схемам “провод провод” и “провод земля”.

Испытательный генератор ИГМ 4.1 поставляется со встроенным уст-

ройством связи/развязки (УСР), предназначенным для введения МИП в однофазные цепи питания ТС переменного тока с напряжением 220 В и потребляемым током до 10 А.

Методы испытаний. Испытания проводят в соответствии с програм-

мой испытаний, в которой приводятся состав оборудования рабочего места для испытаний и следующие сведения:

степени жёсткости испытаний (ток/напряжение);

43

полярность МИП;

условия запуска ИГ МИП (внутренний, внешний);

число подаваемых импульсов (применяют не менее пяти импульсов положительной полярности и пяти импульсов отрицательной полярности для каждого случая подачи помехи);

частоту подачи импульсов (не более одного импульса в минуту);

входные и выходные цепи, подлежащие испытаниям;

представительные режимы функционирования ИТС;

последовательность подачи испытательных импульсов на различные цепи;

сдвиг по фазе импульсов напряжения (тока) по отношению к переменному напряжению в сети электропитания (для цепей электропитания переменного тока);

условия установки ТС.

Выбор степеней жёсткости испытаний проводится в соответствии с

табл. 3.2.

 

 

 

 

 

 

 

Таблица 3.2

Класс

 

 

Степень жёсткости испытаний

 

 

Линии электропи-

Несимметричные

Симметричные

Линии связи ма-

условий

тания

линии значитель-

линии

лой протяжённо-

эксплуа-

 

 

ной протяжённо-

 

 

сти, линии

тации ТС

 

 

сти

 

 

передачи данных1)

 

Провод

Провод

Провод

Провод

Провод

Провод

Провод

Провод

 

провод

земля

провод

земля

провод

земля

провод

земля

0

-

-

-

-

-

-

-

-

1

1

1

-

1

-

1

-

-

2

2

2

1

2

-

2

-

1

3

3

3

2

3 3)

-

3 3)

-

-

4

Х2)

4 3)

3

4 3)

-

3 3)

-

-

5

Х2)

Х2)

3

4 3)

-

4 3)

-

-

Примечания:

1)Применяют только для класса условий эксплуатации 2 и линий передачи данных длиной от 10 до 30 м. При длине линий менее 10 м испытания не проводят.

2)Устанавливают в зависимости от характеристик местной системы электроснабжения.

3)Испытания проводят с первичной защитой.

Параметры испытательного генератора для степеней жёсткости испытаний приведены в табл. 3.3.

44

 

Таблица 3.3

Степень жёсткости

Значение импульса напряжения на ненагруженном выходе ИГ, кВ

 

 

1

0,5

2

1,0

3

2,0

4

4,0

 

 

Обычно микросекундные импульсные помехи синхронизируют с частотой сетевого напряжения и подают в моменты прохождения кривой напряжения через ноль и амплитудные значения положительной и отрицательной полярностей.

МИП подают по схемам “провод провод” и “провод (провода) земля”.

При испытаниях по схеме “провод земля” импульсы подают поочередно междукаждым из проводов и землёй.

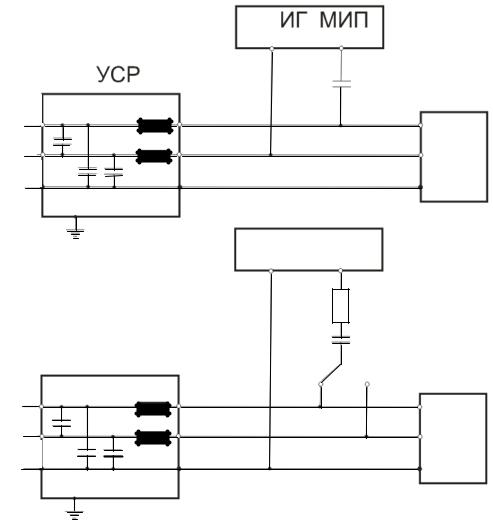
Рабочее место для испытаний. Схемы рабочего места для испытаний при подаче микросекундных импульсных помех по схеме “провод провод” и

по схеме “провод земля” с использованием емкостной связи на испытуемое техническое средство, питание которого осуществляется от однофазной сети переменного тока или сети постоянного тока, приведены на рис. 3.3.

При проведении испытаний учитывают возможную нелинейность вольтамперной характеристики испытуемого технического средства. Поэтому испытательное напряжение должно последовательно увеличиваться до достижения степени жёсткости испытаний, установленной в плане испытаний. Качество функционирования технического средства должно быть под-

тверждено для установленной степени и всех низших степеней жёсткости испытаний.

Порядок работы с ИГМ 4.1. Испытания ТС рекомендуется проводить через 10…15 мин после включения генератора.

После включения генератора переключателем СЕТЬ на дисплее появляется текст и курсор в виде стрелки в верхней строке. Светодиод ПУСК при этом светится зелёным светом, что свидетельствует о готовности к запуску. Перемещение курсора по строкам осуществляется при помощи функцио-

нальных кнопок и .

Амплитуда выходных импульсов при холостом ходе устанавливается при помощи кнопок и . Курсор должен находиться в строке Ампл:. При этом можно выбрать значения: 0,5; 1,0; 2,0 и 4,0 кВ.

45

 

 

ИГ МИП

 

 

 

 

 

 

 

 

 

 

 

 

 

 

 

 

 

 

 

 

 

 

УСР

 

 

 

 

С = 18 мкФ

 

 

 

 

 

 

 

 

 

 

L Lр

N

ИТС

PE

ИГ МИП

R = 10 Ом

С = 18 мкФ

УСР

L Lр

N

ИТС

PE

L – фазный провод; N – нейтральный провод; PE – защитное заземление

Рис. 3.3

Сдвиг испытательных импульсов по фазе относительно напряжения сети выбирается при установке курсора в строку Фаза при помощи кнопки и кнопки . При этом можно установить значения: 0; 30; 60; 90; 120; 150; 180; 210; 240; 270; 300 и 330 . Значения 0, 90, 180 и 270 являются основными для испытания ТС, питающихся от однофазной сети. Остальные значения необходимы для испытаний трёхфазных устройств при совместном использовании генератора ИГМ 4.1 и устройства связи-развязки УСРМ 25.3.

При установке курсора в строку Сеть при помощи кнопок и мож-

но включать и выключать сетевое напряжение 220 В в розетке ВЫХОД генератора. Это даёт возможность подключать ИТС без выключения питания испытательного генератора.

46