Материал: МУ к лаб работам ч1 СВПБПТ 2010

Внимание! Если размещение файла нарушает Ваши авторские права, то обязательно сообщите нам

максимальная энергия импульса – 4 мДж/имп. при напряжении 2 кВ;

длительность пачки импульсов – 15 мс 20 %;

период следования пачек – 300 мс 20 %;

частота повторения импульсов в пачке:

-при Uвых = (0,125…1,0) кВ – 5 кГц 20 %;

-при Uвых = 2 кВ – 2,5 кГц 20 %;

внутреннее сопротивление – 50 Ом 20 %.

Устройство связи/развязки (УСР) – электрическая цепь, предназначенная для передачи НИП в цепи ИТС, а также для предотвращения воздей-

ствия НИП на оборудование или системы, не подвергаемые испытаниям.

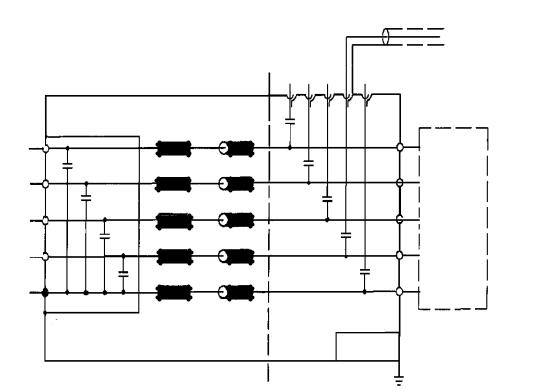
Схема УСР для подачи НИП по схеме “провод земля” на порты элек-

тропитания переменного/постоянного тока (на примере трёхфазной пятипроводной сети электропитания переменного тока) приведена на рис. 4.5.

Сигнал от ИГ

L1

l1

Сс

 

 

 

L2

l1

Сс

ИТС

L3

l1

Сс

 

N

l1

Сс

 

 

 

 

PE

l1

Сс

 

 

ферриты

Cc >33 нФ

 

 

Фильтрация l1 >100 мкГн

 

Пластина

 

 

 

 

Цепи развязки

Цепи связи

заземления

 

 

 

Рис. 4.5

 

 

Основные элементы схемы: L1, L2, L3 – фазные провода; N – нейтраль-

ный провод; PE – защитное заземление; l1 дроссель развязки; Cc – конденса-

тор связи.

Характеристики УСР следующие: 57

диапазон частот – 1…100 МГц;

затухание в цепи связи – менее 2 дБ;

затухание в цепи развязки при измерении по схеме “провод земля” –

более 20 дБ;

переходное затухание между двумя любыми линиями – более 30 дБ. Испытательный генератор ИГН 4.1м содержит встроенное УСР для введения НИП в однофазные цепи питания ИТС переменного тока с напря-

жением 220 В и потребляемым током до 10 А.

Емкостные клещи связи обеспечивают возможность подачи НИП на проверяемую цепь ИТС без гальванического подключения к контактам цепей, экранам кабелей или каким-либо другим частям ИТС.

Конструкция емкостных клещей (рис. 4.6) состоит из пластин связи

(выполненных из стали с гальваническим покрытием, латуни, меди или алюминия) для укладки в них кабелей проверяемой цепи. Емкостные клещи следует устанавливать на пластине заземления площадью не менее 1 м2. Пластина заземления должна представлять собой металлический лист (медный или алюминиевый) толщиной не менее 0,25 мм, выступать за границы клещей связи не менее чем на 0,1 м с каждой стороны и быть заземлена. Заземляющие проводники, подключённые к пластине заземления, должны иметь минимальную индуктивность. Дополнительное заземление не допускается.

Высоковольтный

Пластины связи коаксиальный соединитель

Высоковольтный

коаксиальный

соединитель

Изолирующие подставки

 

Рис. 4.6

58

Емкостные клещи должны иметь на каждом конце высоковольтный коаксиальный соединитель для подключения ИГ к любому концу. ИГ должен быть подсоединён к тому концу клещей, который расположен ближе к ИТС. При испытаниях емкостные клещи с уложенным в них кабелем должны по возможности быть наиболее плотно закрыты, чтобы обеспечить максимальную ёмкость между кабелем и емкостными клещами. Типовое значение ёмкости связи междукабелем и емкостными клещами составляет 50…200 пФ.

Метод испытаний с использованием емкостных клещей связи предна-

значен для подачи НИП на порты сигналов ввода/вывода, но может также использоваться применительно к портам электропитания переменного и постоянного токов ТС, если нельзя использовать устройство связи/развязки.

ИТС должно быть размещено на пластине заземления и изолировано от неё изоляционной подставкой толщиной (0,1 + 0,01) м. ИТС должно быть установлено и подключено к линиям электропитания, ввода/вывода и заземления в соответствии с технической документацией.

Для подачи НИП следует использовать устройство связи. Оно должно быть подключено к линиям между ИТС и устройством развязки или между двумя ИТС, участвующими в испытаниях. При использовании емкостных клещей связи минимальное расстояние между их пластинами связи и всеми другими проводящими конструкциями, за исключением пластины заземле-

ния под емкостными клещами связи и под ИТС, должно быть 0,5 м.

Длина сигнальных кабелей и кабелей электропитания между устройством связи и ИТС должна быть не более 1 м.

НИП должны подаваться на следующие порты ИТС:

порты электропитания (для случая однофазной трёхпроводной сети электропитания переменного тока – см. рис. 4.7);

порты сигналов ввода/вывода;

порты заземления корпусов ТС.

При проведении испытаний ИТС должно функционировать непрерывно в режиме, обеспечивающем наибольшую восприимчивость к воздействию НИП. Для проверки характеристик ИГ требованиям ГОСТ его выход необхо-

димо подключить через 50-омный коаксиальный аттенюатор к осциллографу. Ширина полосы пропускания осциллографа должна быть не менее 400 МГц. В пачке должны контролироваться длительность фронта импульса, длительность и частота повторения импульсов.

59

 

 

 

 

 

 

 

 

 

 

 

 

ИГ

 

 

 

 

 

 

 

 

 

 

 

 

 

 

 

 

 

 

 

 

 

 

 

 

 

 

 

 

 

ИТС

 

 

 

 

 

 

 

 

 

 

 

 

 

 

 

 

 

 

 

 

 

 

 

 

 

 

 

 

 

 

 

 

 

<1 м

 

 

 

 

 

 

 

 

 

<1 м

 

 

 

 

 

 

 

 

 

 

 

 

 

 

 

 

 

 

 

 

 

 

 

 

 

 

 

 

 

 

 

 

 

 

 

 

 

 

 

 

 

 

 

 

 

 

 

 

 

 

 

 

 

 

 

 

 

 

 

 

 

 

 

 

 

 

 

 

 

 

 

 

 

 

 

 

 

 

 

 

 

 

 

 

 

 

 

 

 

 

Сс l1

 

 

 

 

 

 

 

 

 

 

 

 

 

 

 

 

 

 

 

 

 

L1, L2, L3

 

 

 

 

 

 

 

 

 

 

 

 

 

 

 

 

 

 

 

 

 

 

 

 

 

 

 

 

 

 

 

 

 

 

 

 

 

 

 

 

 

 

 

 

 

 

 

 

 

 

 

 

N

 

 

 

 

 

 

 

 

 

 

 

 

 

 

 

 

 

 

 

PE

 

 

 

 

 

 

 

 

 

 

 

УСР

 

 

 

 

 

 

 

 

0,1 м

 

 

 

 

 

 

 

 

 

 

 

 

 

 

 

 

 

 

 

 

 

 

 

 

 

 

 

 

 

 

 

 

 

 

 

 

 

 

 

 

 

 

 

 

 

 

 

 

 

 

 

 

 

 

 

 

 

 

 

 

 

 

 

 

 

 

 

 

 

 

 

 

 

 

 

 

 

 

 

 

 

 

 

 

 

 

 

 

 

 

 

 

 

 

 

 

Изоляционная

 

Заземляющий

 

 

 

 

 

 

 

 

 

 

 

 

 

 

 

 

 

 

 

Пластина

 

 

подставка

 

 

провод

 

 

 

 

 

заземления

 

 

 

 

 

 

 

 

 

 

 

 

 

 

 

 

 

 

 

 

 

 

 

 

 

 

 

 

 

 

 

 

 

 

 

 

 

 

 

 

 

 

Рис. 4.7

Схема испытаний технического средства с подачей наносекундных излучаемых помех в проходящем через емкостные клещи связи кабеле питания приведена на рис. 4.8.

 

 

 

 

 

 

 

 

ИГ

 

 

 

 

 

 

 

 

 

 

 

 

 

 

 

 

 

 

 

 

 

 

 

 

 

 

 

 

 

 

 

 

 

 

 

 

 

 

 

 

 

 

 

 

 

 

ИТС

 

 

 

ИТС

 

 

 

 

 

 

 

 

 

 

 

 

 

 

 

 

 

 

 

 

 

 

 

 

 

 

 

 

 

 

 

 

 

 

 

 

 

 

 

 

 

 

 

 

 

 

 

 

 

 

 

 

 

 

 

 

 

Емкостные

 

 

 

 

 

 

 

 

 

 

 

 

клещи связи

 

 

 

 

 

 

 

 

 

 

 

 

 

 

 

 

0,1 м

 

 

 

 

 

 

 

 

 

 

 

 

 

 

 

 

 

 

 

 

 

 

 

 

 

 

 

 

 

 

 

 

 

 

 

 

 

 

 

 

 

 

 

Изоляционная

 

Заземляющий

 

 

 

 

 

 

 

 

 

 

 

Пластина

 

 

 

подставка

 

провод

 

 

 

заземления

 

 

 

 

 

 

 

 

 

 

 

 

 

 

 

 

 

 

 

 

 

 

Рис. 4.8

 

 

 

 

 

 

 

 

 

 

 

 

 

 

Пример организации рабочего места для испытаний переносного тех-

нического средства приведён на рис. 4.9.

60

 

 

 

 

 

 

 

 

 

 

 

 

 

 

 

 

 

 

К сети питания

 

 

 

 

 

 

 

 

 

 

От ИГ

 

 

 

 

 

 

 

 

 

 

 

 

 

 

 

 

 

 

 

 

 

 

 

 

 

 

 

 

 

 

 

 

 

 

 

 

 

 

 

 

 

 

 

 

 

 

 

 

 

 

 

 

 

 

 

 

 

 

 

 

 

 

 

 

 

 

 

 

 

 

 

 

 

 

 

 

 

 

Кабель электро-

 

 

 

 

 

 

 

 

 

 

 

 

 

 

 

 

 

 

 

 

 

 

 

 

 

 

 

 

l1

 

 

 

 

 

 

 

питания перемен-

 

 

 

 

 

 

 

 

 

 

 

 

 

 

 

 

 

 

 

 

 

 

 

 

 

 

 

 

 

 

 

 

 

 

 

 

 

 

 

 

 

 

 

 

 

 

 

 

ИТС

 

 

ного тока 0,5 м

 

 

Сс

 

 

 

 

 

 

 

 

 

 

 

 

 

 

 

 

 

 

 

 

 

 

 

 

 

 

 

 

 

 

 

 

Заземление

 

 

 

 

 

 

 

 

 

 

 

 

 

 

 

 

 

 

 

 

 

 

 

 

 

 

 

 

 

 

 

 

 

 

 

 

 

 

 

 

 

 

 

 

 

 

 

 

 

 

 

 

 

 

 

 

 

 

 

 

 

 

 

 

 

 

 

 

 

 

 

 

 

 

 

 

 

 

 

 

 

 

 

 

 

 

УСР

 

 

 

 

 

 

 

 

 

 

 

 

 

 

 

 

 

 

 

 

 

 

 

 

 

 

 

 

 

 

 

 

 

 

 

 

 

 

 

 

 

 

 

 

 

 

 

 

 

 

 

 

 

Изоля-

Заземление

 

 

 

 

 

 

 

 

 

 

 

 

 

 

 

 

 

ционная

 

 

 

 

 

 

 

 

 

 

 

 

 

 

 

 

 

 

Стол с пласти-

 

 

 

 

 

 

 

 

 

 

 

 

 

 

под-

ставка

ной заземления

Рис. 4.9

Программа испытаний должна устанавливать:

вид испытаний;

степень жёсткости испытаний;

полярность испытательного напряжения (необходимы обе полярно-

сти);

внутренний или внешний способ запуска ИГ;

длительность испытания (не менее 1 мин);

количество воздействий НИП;

порты ИТС, которые должны испытываться;

режимы работы ИТС;

последовательность подачи импульсных помех на порты ИТС (поочередно по портам) или на кабели, содержащие более чем одну проверяемую цепь;

состав вспомогательного оборудования.

Степень жёсткости проводимых испытаний не должна превышать указанную в технической документации на техническое средство. Это может вызвать выход его из строя.

Испытуемые ТС (с потребляемым током не более 10 А) рекомендуется подключать к розетке ВЫХОД при выключённом питании генератора.

После подключения технического средства к генератору следует включить переключатель СЕТЬ ИГ и питание ТС.

61