Материал: Мостовой кран ЭСПЦ ММК

Внимание! Если размещение файла нарушает Ваши авторские права, то обязательно сообщите нам

Подставив все значения и решив выражение получим фактический эквивалентный момент, равный:

Далее определим фактическую продолжительность включения:

где tп - время пуска, с;

t0 - время пауз, с;

tТ - время торможение, с;

tУСТ - время работы на установившейся скорости, с;

α – коэффициент показывающий ухудшение условий охлаждения при работе на скорости ниже номинальной, принимают равным 0,75;

β - коэффициент показывающий ухудшение условий охлаждения во время пауз, принимают равным 0,5.

Проверяем двигатель по условию:

Двигатель удовлетворяет данным условиям. По нагреву он проходит.

Эквивалентный момент составляет 63,4% от номинального, что удовлетворяет проверке аварийного режима работы электропривода подъёма при выходе из строя одного из двигателей. Это обеспечивает требуемый запас по мощности.

Проверяем двигатель по перегрузке по условию:

где MMAX– максимальный момент на нагрузочной диаграмме, Нм;

λ – перегрузочная способность двигателя.

Двигатель проходит по перегрузке и нагреву, следовательно конечный выбор падает на двигатель SIEMENS модели 1MA8-317–6BD. Из-за необходимости двух двигателей, используем два одинаковых.

3 Выбор и характеристика основного электрооборудования

3.1 Выбор и характеристика преобразователя частоты

Поэтому преобразователь частоты (ПЧ) для выбираем исходя из обеспечения выполнения следующих условий [1]:

где - коэффициент связи пускового тока с номинальным током двигателя;

где – коэффициент запаса мощности.

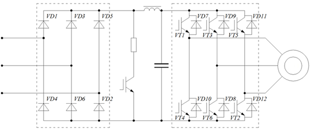
По этим параметрам подходит преобразователь частоты ATV 71HC28N4 фирмы Schneider Electric, технические данные которого представлены в таблице 6; принципиальная схема показана на рисунке 4.

Таблица 6 ‑ Технические характеристики ПЧ ATV 71HC28N4

Параметр

Значение

Номинальная мощность

280 кВт

Полная мощность

325 кВА

Входное напряжение

380 В

Номинальный ток

494 А

Максимальный продолжительный ток

550 А

Максимальный ток в течение 60 сек.

825 А

Максимальный ток в течение 2 сек.

907 А

Выходная частота

0.1500 Гц

Максимальная частота коммутации

2500 Гц

Номинальное потребление энергии

1188 Вт

Рисунок 4 – Принципиальная схема преобразователя частоты ATV 71HC50N4

3.2 Выбор и характеристика силового трансформатора

Питающее напряжение сети равно 10 кВ, напряжение привода равно 380 В. В этом случае следует использовать понижающий трансформатор со следующими параметрами:

Эти параметрам соответствует трансформатор Geafol 400 10/0,4 фирмы Siemens. Его параметры указаны в таблице 7.

Таблица 7 ‑ Технические характеристики трансформатора Geafol 400 10/0,4

Параметр

Значение

Номинальная мощность (Sтр.н)

400 кВА

Номинальная частота (fтр.н)

50 Гц

Номинальное напряжение обмотки ВН (Uтр.1л)

10 кВ

Номинальное напряжение обмотки НН (Uтр.2л)

400 В

Потери холостого хода (Pтр.хх)

800 Вт

Потери короткого замыкания (Pтр.кз)

4900 Вт

Напряжение короткого замыкания (eтр.кз)

6%

Номинальный ток трансформатора:

Полное сопротивление фазы трансформатора, приведённое к вторичной обмотке:

Активное сопротивление фазы трансформатора:

Индуктивное сопротивление фазы трансформатора:

Индуктивность фазы трансформатора:

4 Расчёт и построение статических характеристик

Механическая характеристика может быть получена из формулы Клосса [3]:

где – критический момент двигателя;

– скольжение;

– скольжение, при критическом моменте.

где – активное сопротивление статорной обмотки;

– приведённое активное сопротивление роторной обмотки.

Для двигателей мощностью большей 5 кВт можно принять равным нулю без больших погрешностей [3]. Тогда формула Клосса упростится до:

Критический момент в зависимости от частоты и напряжения выражается:

где – номинальный критический момент;

– номинальное фазное напряжение;

– номинальная частота.

Из формулы (66) следует, что при увеличении частоты критический момент будет уменьшаться. Для того, чтобы поддерживать постоянный критический момент, надо увеличивать напряжение по следующей зависимости:

Скорость двигателя из скольжения выводится так:

По формулам (65) и (67) построим естественную механическую характеристику, а также механическую характеристику с частотой, равной 70 Гц с коррекцией момента напряжением и без.

Полученные графики отображены на рисунке 5.

Рисунок 5 – Механические характеристики АД двигателя SIEMENS 1MA8-317–6BD: 1 – естественная характеристика; 2 – характеристика с частотой, равной 1,4 номинальной частоты; 3 – характеристика с частотой, равной 1,4 номинальной частоты и напряжением, равным 1,18 номинального напряжения

5 Защита электропривода

5.1 Защита от перегрузки и коротких замыканий

Для защиты силовых вентилей полупроводниковых преобразователей при внешних и внутренних коротких замыканиях применяются быстродействующие плавкие предохранители.

Плавкий предохранитель выбирается исходя из следующих условий [4]:

Этим условиям удовлетворяют два расположенных параллельно предохранителя TESYS FUSE NH4 (DF2LA1251) фирмы Schneider Electric со следующими параметрами:

Автоматические выключатели являются защитными аппаратами многократного действия и предназначены для защиты электроприводов и преобразователей электрической энергии от внешних коротких замыканий и перегрузок.

Выбор автоматического выключателя для электродвигателя и непосредственного преобразователя частоты (устанавливается на стороне напряжения низкой частоты) совершается исходя из следующих условий [4]:

Этим условиям соответствует автоматический выключатель Compact NSX LV432975 фирмы Schneider Electric с рабочим напряжением 690 В и уставкой тока в диапазоне до 500 А.

5.2 Защита от перенапряжений

В комплекте с преобразователем частоты ATV 71HC28N4 идёт сетевой дроссель VW3 A4 564 параметры которого представлены в таблице 8.

Сетевой дроссель обеспечивает лучшую защиту от перенапряжений и уменьшает гармоники тока, вырабатываемые преобразователем частоты.

Таблица 8 – Параметры сетевых дросселей VW3 A4 564

Номинальное напряжение

Номинальная частота

Индуктивность

Номинальный ток

Ток насыщения

Потери

380 – 480 В

50 – 60 Гц

0,038 мГн

613 А

1150 А

307 Вт

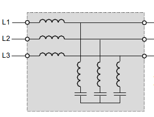
Также в комплект выбранного преобразователя входит пассивный фильтр VW3 A4 612, который представлен на рисунке 6. Он позволяет уменьшить гармоники тока с полным уровнем искажения до 10%.