Материал: Москатов Электроника 2010

Внимание! Если размещение файла нарушает Ваши авторские права, то обязательно сообщите нам

136Москатов Е. А. Электронная техника. Начало. http://moskatov.narod.ru

связана с определѐнными трудностями. Конденсаторы с ѐмкостью более 20 нФ и катушки индуктивности обычно не выполняют на подложке ГИС, а задействуют как навесные компоненты. В больших ГИС – сокращѐнно БГИС – в качестве внешних деталей применяют бескорпусные полупроводниковые микросхемы [150, с. 18]. Соединение компонентов ГИС с выводами корпуса осуществляют пайкой, микросваркой и т.п.

9.4. Полупроводниковые микросхемы

Подложки полупроводниковых микросхем обычно выполняют из монокристаллического кремния p-типа. Изготовление электроннодырочных переходов полупроводниковых ИМС осуществляют обычно посредством эпитаксиального наращивания или способом диффузионно-планарной технологии. Планарная технология подразумевает создание деталей и электрических соединений в подложке

водной плоскости [145, с. 329]. Эпитаксиальное наращивание заключено в напылении разогретого полупроводника на некоторые участки поверхности подложки. Диффузионная технология состоит

впроникновении разогретых газообразных примесей в отведѐнные для этого участки подложки. В результате возникают многослойные образования, каждый слой которых обладает заданным типом проводимости. Резисторы, конденсаторы и прочие пассивные компоненты полупроводниковых ИМС обладают много большими габаритами, чем активные компоненты, такие как транзисторы. С целью минимизации размеров диоды в полупроводниковых ИМС предпочитают заменять транзисторами в диодном включении.

137Москатов Е. А. Электронная техника. Начало. http://moskatov.narod.ru

10. Устройства отображения информации

10.1. Индикаторы

Для воспроизведения мнемонических символов, букв и цифр используют буквенно-цифровые индикаторы. Единичным называют индикатор, который отражает один символ или одну цифру. Одноразрядным называют индикатор, у которого выводы всех излучателей света не соединены друг с другом и выведены из корпуса для подключения к устройству управления. Сегментным называют индикатор, состоящий из нескольких излучателей, в котором отображение одного знака или символа обеспечивает один источник света. Матричным называют индикатор, внутри которого выводы излучателей света объединены определѐнным образом в матрицу, а подавая питание на определѐнную строку и столбец, инициируют свечение заданной ячейки. К важнейшим параметрам индикаторов относят угол обзора, число цветов, яркость, разрешение по горизонтали и вертикали, контрастность, потребляемую мощность, время отклика и прочее.

10.1.1. Светодиодные индикаторы

Светодиодные индикаторы выполняют из ряда размещѐнных определѐнным образом отдельных светодиодов. Подавая питание на некоторые полупроводниковые кристаллы светодиодных структур индикатора, получают излучение нужных светодиодов. Оно попадает непосредственно на прозрачный участок корпуса индикатора, или сначала на отражатели, свечение которых имеет вид знака или сим-

138Москатов Е. А. Электронная техника. Начало. http://moskatov.narod.ru

вола. Для питания светодиодных индикаторов необходимо постоянное напряжение от 1,6 до 3,5 В. Чтобы получить нужный цвет свечения, применяют светодиоды, генерирующие свет с необходимой длиной волны, или прежде чем выпустить из корпуса излучѐнный свет, пропускают через светофильтр.

Достоинства светодиодных индикаторов состоят в чѐткой форме символов и знаков, в низком напряжении питания, в небольшой потребляемой мощности.

Недостаток заключѐн в малой яркости и довольно большом потребляемом токе.

10.1.2. Жидкокристаллические индикаторы

Жидкие кристаллы – это вещества, молекулы которых обладают высокой подвижностью, и склонны к упорядоченной ориентации в электрическом поле. Удельное сопротивление жидких кристаллов велико и достигает от 106 до 1011 Ом. При комнатной температуре в отсутствие электрического поля ориентация молекул жидких кристаллов хаотична, ввиду чего вещество не прозрачно. При возникновении электрического поля происходит упорядочивание молекул,

ив результате вещество становится оптически прозрачно. Схематичное изображение в разрезе жидкокристаллического ин-

дикатора (или LED), работающего на отражение, дано на рис. 10.1.

139Москатов Е. А. Электронная техника. Начало. http://moskatov.narod.ru

Рис. 10.1. Упрощѐнная конструкция жидкокристаллического индикатора

На рисунке цифрами обозначено:

1 – стекло или подобный прозрачный материал;

2 – плѐнки прозрачных электродов, образующих матрицу;

3 – жидкие кристаллы;

4 – металлическая поверхность.

Прозрачный электрод изготавливают в форме цифр или символов, в соответствии с тем, какое изображение желают получить. Между токопроводящими плѐнками нужных в данный момент прозрачных электродов и металлическим основанием подсоединяют генератор, вырабатывающий переменное напряжение амплитудой от 2 до 15 В и частотой от десятков до тысяч герц.

Достоинства жидкокристаллических индикаторов заключено в чрезвычайно низком энергопотреблении и невысоком питающем напряжении.

Недостатки состоят в малом времени наработки на отказ, в обязательном наличии источника внешнего освещения.

140Москатов Е. А. Электронная техника. Начало. http://moskatov.narod.ru

10.2. Общие сведения об электронно-лучевых трубках

Электронно-лучевой трубкой (ЭЛТ) называют вакуумную электронную лампу, в которой поток электронов концентрируют в луч, направленный в сторону экрана. Обычно концентрацию (фокусировку) электронов в луч осуществляют либо воздействием электрического поля, либо магнитного поля. К разновидностям ЭЛТ относят: электромагнитные, электростатические, запоминающие, индикаторные трубки, кинескопы и прочие. ЭЛТ с электростатической фокусировкой используют в осциллографах в качестве устройства отображения осциллограмм.

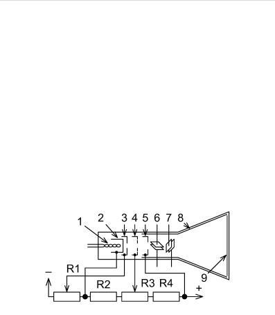
Рассмотрим принцип действия электростатической электроннолучевой трубки. Упрощѐнное устройство и подключение электроннолучевой трубки с электростатическим управлением дано на рис. 10.2.

Рис. 10.2. Электронно-лучевая трубка На рисунке цифрами отмечено: 1 – нить накала; 2 – катод; 3 – моду-

лятор; 4 и 5 – первый и второй аноды; 6 и 7 – пластины отклонения луча вдоль осей Y и X; 8 – аквадаг; 9 – экран трубки. Резистор R1 служит для коррекции яркости изображения, а резистор R3 – для регулировки его фокуса.