Материал: Москатов Электроника 2010

Внимание! Если размещение файла нарушает Ваши авторские права, то обязательно сообщите нам

121Москатов Е. А. Электронная техника. Начало. http://moskatov.narod.ru

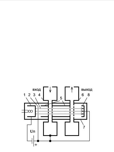
Рис. 8.8. Конструкция лампы обратной волны На рисунке отмечено: 1 – катод, 2 – ускоряющий электрод, 3 – вы-

ход энергии, 4 – замедляющая система, 5 – баллон лампы, 6 – поглотитель, 7 – коллектор.

Покинувшие катод в результате эмиссии электроны благодаря действию ускоряющего электрода приобретают высокую скорость и влетают в замедляющую систему, обладающую периодическим строением. В замедляющей системе электроны передают часть энергии электромагнитному полю и утрачивают прежнюю скорость, причѐм достигают синхронизма обратной волны этого поля и потока электронов. Поток электронов, кроме того, выполняет функцию положительной обратной связи, благодаря чему в лампах обратной волны происходит автогенерация. Поглотитель, играющий роль согласованной нагрузки и потребителя прямых волн, необходим для предотвращения возврата весомой части электронов обратно к катоду, т.е. для предупреждения образования второй, уже паразитной, петли положительной обратной связи. Движение энергии направлено от коллектора к катоду, то есть в противоположную сторону относительно направления потока электронов, и напряжѐнность СВЧ поля у катода лампы будет наибольшей [194, с. 111]. Именно поэто-

122Москатов Е. А. Электронная техника. Начало. http://moskatov.narod.ru

му коаксиальный или волноводный выход лампы обратной волны расположен в непосредственной близости от катода.

Лампы обратной волны применяют всецело в качестве генераторов СВЧ сигналов. Непрерывная мощность, которую отдают в согласованную нагрузку специальные лампы обратной волны, составляет от долей ватта до десятков киловатт.

8.9. Пролѐтные клистроны

Клистрон – это электронная лампа, принцип действия которой заключѐн в модуляции электронов, образующих поток, по скоростям, с разделением их на группы, и передаче их энергий электромагнитной волне. Типовая конструкция пролѐтного клистрона с двумя резонаторами представлена на рис. 8.9.

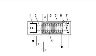
Рис. 8.9. Устройство пролѐтного клистрона На рисунке обозначено: 1 – катод, 2 – ускоряющий электрод, 3 –

электронный поток, 4 – входной резонатор, 5 – пролѐтная труба

123Москатов Е. А. Электронная техника. Начало. http://moskatov.narod.ru

дрейфа, 6 – выходной объѐмный резонатор, 7 – баллон лампы, 8 – коллектор.

Упрощѐнно рассмотрим принцип действия двухрезонаторного пролѐтного клистрона, во входной резонатор которого поступает подлежащий усилению СВЧ сигнал с малой амплитудой. После подачи напряжения на нить накала и разогрева катода с его поверхности происходит эмиссия электронов. Поле ускоряющего электрода инициирует более быстрое движение потока электронов, которые влетают в зазор входного резонатора. Для группирования электронов необходимо, чтобы во входном резонаторе между сетками происходило образование переменного электрического поля. При этом часть электронов в один полупериод теряет скорость, а другая часть за второй полупериод, наоборот, еѐ увеличивает. Затем электроны, после кратковременного пребывания во входном резонаторе и модуляции по скоростям, поступают в пролѐтную трубу. В ней на электроны не действуют электрические поля [194, с. 107], а имеет место модуляция по плотностям, в результате чего происходят сплочения электронов в группы. Из пролѐтной трубы сгруппированные электроны попадают в выходной резонатор и, преодолевая его сетки, передают его электромагнитному полю весомую часть запасѐнной кинетической энергии. Второй резонатор отдаѐт СВЧ сигнал нагрузке, а потерявшие часть энергии отработанные электроны поглощает коллектор. При этом для передачи наибольшей энергии должны совпадать резонансная частота выходного резонатора и частота сгруппированных электронов потока. Электромагнитная волна, отдаваемая в нагрузку, будет обладать такой же частотой, но много большей амплитудой, чем СВЧ сигнал, поступающий во входной резонатор.

Типовой КПД двухрезонаторных пролѐтных клистронов – менее 20%, а для повышения КПД необходимо применять многорезонаторные клистроны. Клистроны используют в устройствах усиления, и, реже, генерации СВЧ сигналов. Основное достоинство пролѐтных

124Москатов Е. А. Электронная техника. Начало. http://moskatov.narod.ru

клистронов состоит в высокой стабильности частоты выходного СВЧ сигнала. Именно поэтому их применяют в когерентных системах для космических исследований. Мощность, отдаваемая в согласованную нагрузку, отдельными разновидностями пролѐтных клистронов в непрерывном режиме достигает сотен киловатт, а в импульсном – десятков мегаватт.

8.10. Магнетроны

Магнетроном называют помещѐнную в постоянное магнитное поле генераторную электровакуумную лампу на скрещѐнных электрических и магнитных полях, в которых летящие по циклоиде электроны, получаемые в результате эмиссии, отдают при замедлении движения энергию СВЧ полю. Типовое устройство магнетрона с резонаторами щель-отверстие приведено на рис. 8.10.

Рис. 8.10. Конструкция магнетрона

125Москатов Е. А. Электронная техника. Начало. http://moskatov.narod.ru

На рисунке обозначено: 1 – выход СВЧ сигнала, 2 – металлическая петля связи, 3 – один из полых резонаторов, 4 – анодный блок, 5 – катод косвенного накала и размещѐнная внутри него нить накала (еѐ выводы условно не показаны), 6 – вывод катода. Анодный блок может быть выполнен из меди, тантала, молибдена или никеля. Нить накала часто изготавливают из вольфрама, а катод трубчатой формы

– из никеля.

Принцип действия магнетрона указанной конструкции таков. В результате нагрева катода нитью накала с его цилиндрической поверхности происходит эмиссия электронов, которые устремлены к анодному блоку. Если бы автогенерация отсутствовала, то благодаря постоянному магнитному полю, образованному сильным магнитом или электромагнитом, электроны летели бы по спиралевидным циклоидальным траекториям от катода к аноду. Из-за наличия некоторых неоднородностей в распределении потока электронов и других факторов возникает электромагнитная волна, которая взаимодействует с электронами потока. Эффективность взаимодействия увеличивает единая колебательная система, образованная резонаторами анодного блока. Если электроны тормозит электромагнитная волна, они передают ей свою энергию, а сами будут поглощены анодным блоком, причѐм взаимодействие происходит длительно – от эмиссии электронов до их попадания на поверхность анода. А если, наоборот, электромагнитная волна будет оказывать на электроны ускоряющее действие, то траектория их полѐта будет отклонена к катоду. Бомбардировка катода вернувшимися электронами может привести к вторичной эмиссии. Параметры возникающих СВЧ колебаний зависят от напряжѐнности поля, от постоянного напряжения анод-катод и прочих факторов [194, с. 112]. В случае соблюдения условия синхронизма между скоростями потока электронов и электромагнитной волны электроны длительное время отдают ей свою энергию. Следовательно, эффективность такого режима работы магнетрона будет велика. При этом тормозящее СВЧ