Материал: Модернизация станка с числовым программным управлением

Внимание! Если размещение файла нарушает Ваши авторские права, то обязательно сообщите нам

Гц ~ 110 В - цепи управления;

Гц ~ 24 В - цепи местного освещения и сигнализации;

24 - цепи управления и сигнализации.

Все металлические части станка (станина, корпус электродвигателей, каркас шкафов, пульт управления и т.д.), которые могут оказаться под напряжением выше 42В - заземлены.

2.3 Характеристика существующей системы электроснабжения установки

Потребителями инструментального отделения являются металлообрабатывающие станки средней мощности, к ним относятся: круглошлифовальный, токарно-револьверный, вертикально-сверлильный, токарный полуавтомат, токарный с ЧПУ, горизонтально-проточный, горизонтально-расточный, горизонтально-фрезерный, токарно-винторезный, радиально-сверлильный и другие.

Металлообрабатывающие станки являются трехфазными, по надежности электроснабжения относятся ко второй категории. Устанавливаются стационарно и по площади цеха распределены равномерно.

В проектируемом цехе имеются приемники, работающие в повторно-кратковременном режиме - это электроприемники контактной сварки (точечные стационарные, сварочные стыковые, сварочные шовные роликовые, сварочные точечные, сварочные стационарные машины).

Все электроприемники рассчитаны на переменный ток напряжением 380 В промышленной частоты.

Питание осуществляется от цеховой КТП-53 с двумя трансформаторами марки ТМЗ -1000/10/0,4.

Трехфазные трансформаторы с естественным масляным охлаждением ТМЗ-1000, предназначены для преобразования электрической энергии и питания различных потребителей в сетях переменного тока.

В трансформаторах ТМЗ-1000 предусмотрены 5 ступеней регулирования напряжения ВН: ±2х2,5% от номинального.

Вид регулирования - ПБВ (переключение без возбуждения). Переключение трансформатора ТМЗ-1000 на другой диапазон производится в ручном режиме в отключенном состоянии.

Трансформаторы ТМЗ изготавливаются в герметичном исполнении, в качестве конструктивной защиты масла используется сухой азот (принцип азотной подушки между зеркалом масла и крышкой трансформатора). Основные технические характеристики трансформатора ТМЗ-1000/10 приведены в табл. 2.3.

 

Таблица 2.3

Номинальная мощность, кВА

Номинальное высшее напряжение, кВ

Номинальное низшее напряжение, кВ

Потери холостого хода, кВт.

Потери короткого замыкания, кВт.

Ток холостого хода, %

Напряжение короткого замыкания, %

Схема и группа соединения обмоток

1000

10

0,4

1,9

12,2

1,7

5,5

У/Д-11 Д/Ун-11


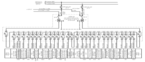
Схема однолинейная электроснабжения участка изображена на рис. 2.3.1.

Рис. 2.3.1. Схема однолинейная электроснабжения инструментально отдела

2.3.1 Конструктивное исполнение распределительной сети

Основной тенденцией в проектировании электроснабжения является сокращение протяженности сетей низшего напряжения путем максимального приближения высшего напряжения (трансформаторной подстанции) к потребителям электроэнергии.

Сети напряжением до 1000 В подразделяются на питающие, прокладываемые от трансформаторной подстанции или вводного устройства до силовых пунктов, и распределительные, к которым присоединяются ЭП. В комплекс внутрицехового электроснабжения входят питающие и распределительные линии, РП напряжением до 1000 В, аппаратура коммутации и защиты сетей и ответвлений к отдельным ЭП. Питающие и распределительные сети могут быть выполнены по радиальным, магистральным и смешанным схемам.

Радиальные схемы наиболее часто используются для питания отдельных относительно мощных ЭП (двигатели компрессорных и насосных установок, печи и т.д.), а также в случаях, когда мелкие по мощности ЭП распределяются по цеху неравномерно и сосредоточены группами на отдельных участках (ремонтные мастерские, отдельные участки с не поточным производством и т.п.). К достоинствам радиальных схем относятся: высокая надежность питания (выход из строя одной линии не сказывается на работе потребителей, питающихся от других линий), а также возможность автоматизации переключений и защиты.

Магистральные схемы применяются для питания ЭП, обслуживающих один агрегат и связанных единым технологическим процессом, когда прекращение питания любого из этих ЭП вызовет необходимость прекращения работы всего технологического агрегата. Магистральные схемы находят широкое применение для питания большого числа мелких ЭП, распределенных относительно равномерно по площади цеха (металлорежущие станки в цехах механической обработки металлов и другие потребители).

На практике наибольшее распространение находят смешанные схемы, сочетающие в себе элементы радиальных и магистральных схем. Смешанные схемы характерны для крупных цехов металлургических заводов, для литейных, кузнечных и механосборочных цехов машиностроительных заводов.

Конструктивное исполнение распределительной сети инструментального отдела выполнено по радиальной схемы.

2.3.2 Анализ, существующие проблемы, пути решения

На данный момент на предприятии имеется значительное количество морально и физически устаревшего оборудования, требующего замены. Однако предприятие не располагает достаточными средствами для полной замены устаревшего парка оборудования.

Одним из выходов из сложившейся ситуации может быть частичная модернизация имеющегося оборудования, в частности электрооборудования.

Модернизация электрооборудования предполагает внесение изменений в электрическую схему с целью улучшения технических и экономических показателей станка, что позволит предотвратить (ликвидировать) моральный износ оборудования.

При технической возможности и экономической целесообразности модернизация оборудования может осуществляться централизованно заводом -изготовителем и в единичных случаях может проводиться потребителями. Это позволяет при незначительных затратах увеличить годовые объемы производства, производительность оборудования и труда, снизить себестоимость продукции.

На предприятии имеется значительный парк металлорежущих (токарных, сверлильных, фрезерных и т.д.) станков, требующих модернизации. Поэтому выбранная тема дипломного проекта является актуальной и соответствует современным требованиям. Первоначально в станке 16А20Ф3 был использован привод асинхронный «Размер 2М-5-21». Этот привод использовался в токарных станках с ЧПУ для управлении электродвигателями двух механизмов подач и электродвигателем шпинделя.

В комплект электропривода входят:

–   шкаф электропреобразователей;

–       три асинхронные машины со встроенными датчиками положения и температуры и вентиляторами;

–       диагностические устройства сигнатурного контроля;

–       блок трансформаторов.

Электропривод обеспечивает работу во всех 4 квадрантах механической характеристики при изменении управляющего напряжения в пределах ±10 В.

Максимальная частота вращения 1000 или 1500 мин-1 в зависимости от типоразмера привода.

Типоразмеры привода охватывают ряд номинальных моментов двигателей от 7 до 70 Нм.

Электропривод вырабатывает импульсные сигналы перемещения, которые могут использоваться в устройстве ЧПУ для измерения перемещения механизмов подач.

Две серии импульсных сигналов Sin и Cos с фазовым сдвигом 90 эл. градусов несут информацию о величине и направлении перемещении. За один оборот вала двигателя выдается 2000 или 1000 импульсов в зависимости от исполнения привода. Сигнал нуль-метки НМ выдается два раза за один оборот вала двигателя и используется в УЧПУ для формирования меток начала отсчета.

Главный привод имеет частоту вращения от 45 до 4500 мни-1. Мощность привода 11 кВт. Электропривод реализован в соответствии с частотно-токовым способом управления. Привод обеспечивает двухзонное регулирование частоты вращения. Привода подачи выполнены по схеме подчиненного регулирования, с контурами регуляторов тока, скорости, частоты скольжения и положения. Контур положения замыкается через устройство ЧПУ. Традиционные для подобного оборудования 10-летней давности приводы переменного тока в настоящее время есть более современные асинхронные двигатели и преобразователи частоты. Это обусловлено высокой надежностью двигателей, низкой стоимостью асинхронных двигателей, их массовым выпуском и простыми требованиями к обслуживанию. Современные преобразователи частоты позволяют обеспечивать широкий диапазон регулирования скорости вращения и компенсировать снижение мощности двигателя на малых оборотах. Постоянное удешевление преобразователей частоты и реализация все более современных режимов управления способствуют широкому их применению.

Для повышения контроля линейного перемещения ходового винта исполнительного механизма необходимо заменить датчик измерительной системы обратной связи (круговые датчики типа ЛИР-158А) на конечном кинематическом звене. В отличие от разработанного свыше 30 лет назад BE-178, датчики серии ЛИР-158А выполнены на современной элементной базе и объективно качественно превосходят аналоги по сроку службы, надежности и стабильности работы

2.4 Требования, предъявляемые к электрооборудованию

Требования к электроприводам и системам управления станками определяются технологией обработки, конструктивными возможностями станка и режущего инструмента.

Основными технологическими требованиями согласно являются обеспечение:

– самого широкого круга технологических режимов обработки с использованием современного режущего инструмента;

–       максимальной производительности;

–       наибольшей точности обработки;

–       высокой чистоты обрабатываемой поверхности.

Удовлетворение всем этим и другим требованиям зависит от характеристик станка и режущего инструмента, мощности главного привода, и электромеханических свойств приводов подач и системы управления.

2.4.1 Требования к приводу механизма главного движения токарного станка

В современных станках с числовым программным управлением (ЧПУ) функции, выполняемые электроприводом главного движения, значительно усложнены. Помимо стабилизации частоты вращения, при силовых режимах резания требуются обеспечение режимов позиционирования шпинделя при автоматической смене инструмента, что неизбежно ведет к увеличению требуемого диапазона регулирования частоты вращения.

Частотный преобразователь должен обеспечивать двухзонное регулирование скорости электродвигателя.

Преобразователь должен использовать векторный алгоритм управления, позволяющий получить высокий стартовый момент и сохранить его до номинальной скорости асинхронного двигателя, обеспечивает высокое качество регулирования по скорости, при скачкообразном изменении момента сопротивления на валу.

Стабильность работы привода характеризуется перепадом частоты вращения при изменении нагрузки, напряжении.

Динамические характеристики электропривода по нагрузке практически определяют точность и чистоту обработки изделия, а также стойкость инструмента. Устойчивый процесс резания при необходимой точности и чистоте поверхности возможен, если параметры настройки привода обеспечивают при набросе номинального момента нагрузки максимальный провал скорости не более 40% при времени восстановления, не превышающем 0,25 с.

Отличительной особенностью главного привода станков с ЧПУ является необходимость применения реверсивного провода. Требование обеспечения эффективного торможения и подтормаживания при снижении частоты вращения и режимов поддержания постоянной скорости резания приводит к необходимости применения реверсивного привода с целью получения нужного качества переходных процессов.

Итак, главный привод в станках обладает рядом особенностей:

-   значительно большие мощности;

-       необходимость использования всей мощности двигателя в большом диапазоне частот вращения шпинделя станка;

-       работа большей части времени на постоянно заданной частоте вращения;

-       большие моменты инерции, во много раз превосходящие собственные моменты инерции двигателей на высших передачах коробки скоростей;

-       высокая точность позиционирования;

-       применение реверсивного электропривода для обеспечения эффективного торможения и подтормаживания при снижении частоты вращения и режимов поддержания постоянной скорости резания.

2.4.2 Требования к приводу механизма подачи токарного станка

В современных металлорежущих станках и автоматизированных обрабатывающих центрах устанавливаются два или более электроприводов. Один из них, именуемый главным, предназначен для вращения детали относительно режущего инструмента (токарные операции) или наоборот (фрезерные или сверлильные операции). Остальные приводы, именуемые приводами подач, выполняют функцию перемещения инструмента. Главный привод обладает большой мощностью, т.к. именно он преодолевает силы сопротивления резанию, приводы же подач по мощности на порядок и более могут уступать главному, но именно они обеспечивают точность и чистоту обработки детали и одновременно производительность оборудования, поскольку от них зависит как точность взаимного позиционирования инструмента и обрабатываемой детали, так и быстрота перемещения инструмента при смене операций. В связи с этим к двигателям, составляющим основу приводов подач, предъявляются высокие требования в плане широты диапазона регулирования частоты вращения, линейности регулировочных характеристик, быстродействия, способности выдерживать высокие перегрузки по току и моменту. Аналогичные требования предъявляются и к двигателям, устанавливаемым в приводах для промышленных роботов.

Необходимость сочетания всех указанных требований привели к тому, что до 70-х гг. монополистами в этой области были коллекторные двигатели постоянного тока. Они обладали всеми необходимыми свойствами, однако, в то же время, и всеми недостатками, привносимыми щеточно-коллекторным узлом: низкая надежность, необходимость периодического ухода, высокий уровень помех, вызванных искрением на коллекторе, малый срок службы. Выходом из создавшегося положения был переход в наиболее развитых странах на вентильные двигатели, который стал возможен в связи с прогрессом в области электроники (особенно силовой) и в области создания постоянных магнитов с высокими значениями остаточной индукции и коэрцитивной силы. Обладая практически теми же характеристиками, что и двигатели постоянного тока, они полностью лишены всех недостатков, обусловленных вращающимися контактами.

К электроприводу подач предъявляются следующие требования:

-  минимальные размеры электродвигателя при высоком вращательном моменте;