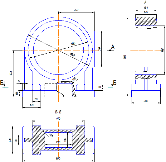
Рисунок 3.2 - Эскиз заготовки корпуса подшипника
Подставим данные значения в формулу (3.1) и определим стоимость заготовки:
С = 45·204·1·1,5+225·2042/3·1·1·1 = 21712 ,руб.
.1.5 Выбор структуры и плана технологического процесса
Технологический процесс обработки детали предусматривает несколько стадий. Если рассматривать данный процесс в укрупненном плане, то необходимо выделить черновую обработку и окончательную. Каждая из этих стадий разбивается на необходимое количество технологических операций [12].
В описании технологического процесса не указываются такие операции как смазка, упаковка, нанесение специальных покрытий и т.д.
Можно предложить следующий порядок операций:
. Заготовительная.
. Фрезерная.
. Расточная.
. Фрезерная.
. Расточная.
. Слесарная.
. Контрольная.
К окончательным технологическим операциям
следует отнести упаковочную операцию. В соответствии с порядком операций можно
предложить следующий технологический маршрут обработки, таблица 3.2.
Таблица 3.2 - Маршрут обработки детали
|
№ опер. |
Наименование операции или перехода |
Ориентирово-чная норма времени, мин. |
|
1 |
Заготовительная |
- |
|
2 |
Фрезерная |
|
|
|
Фрезерная - Ι опер |
10,2 |
|
2.1 |
Фрезеровать подошву 600х240 мм |
|
|
2.2 |
Фрезеровать паз 32х240 мм |
|
|
2.3 |
Фрезеровать плоскость 105х300 мм |
|
|
3 |
Расточная |
|
|
|
Расточная - Ι опер |
45 |
|
3.1 |
Подрезать торец Ø414 до Ø510 мм |
|
|
3.1 |
Расточить отверстие предварительно Ø414 до Ø418 на проход |
|
|
3.2 |
Расточить отверстие Ø418 до Ø419,7 на проход |
|
|
3.3 |
Расточить отверстие тонким точением от Ø419,7 до Ø420 на проход |
|
|
3.4 |
Точить фаску |
|
|
|
Расточная - ΙΙ опер |
2,2 |
|
3.1 |
Подрезать торец Ø420 до Ø510 мм |
|
|
3.2 |
Точить фаску |
|
|
4 |
Фрезерная |
|
|
|
Фрезерная - Ι опер |
4,9 |
|
4.1 |
Фрезеровать 2 паза 20х25 мм |
|
|
Продолжение таблицы 3.2 |
||
|
4.2 |
Фрезеровать 2 плоскости 55х70 мм |
|
|
|
Фрезерная - ΙΙ опер |
3,9 |
|
4.1 |
Фрезеровать паз 20х25 мм |
|
|
4.2 |
Фрезеровать 2 плоскости 55х70 мм |
|
|
5 |
Расточная |
|
|
|
Расточная - Ι опер |
18,3 |
|
5.1 |
Сверлить 10 отверстий Ø14,5 мм на L= 43 мм |
|
|
5.2 |
Зенковать 10 фасок 2х45 |
|
|
5.3 |
Нарезать резьбу М16 в 10-ти отв. на L= 35мм |
|
|
5.4 |
Сверлить отверстие Ø10 мм на L = 170 мм |
|
|
5.5 |
Сверлить предварительно 2 отверстия Ø14,5 мм на L = 246 мм |
|
|
5.6 |
Сверлить окончательно 2 отверстия Ø30 мм на L = 246 мм |
|
|
5.7 |
Зенковать 2 фаски 2х450 |
|
|
|
Расточная - ΙΙ опер |
8,8 |
|
5.1 |
Сверлить 10 отверстий Ø14,5 мм на L= 43 мм |
|
|
5.2 |
Зенковать 10 фасок 2х450 |
|
|
5.3 |
Нарезать резьбу М16 в 10-ти отв. на L= 35мм |
|
|
5.4 |
Зенковать 2 фаски 2х450 |
|
|
5.5 |
Сверлить отверстие Ø18 мм на L = 40 мм |
|
|
5.6 |
Зенковать фаску 2х450 |
|
|
5.7 |
Нарезать резьбу М20х1,5 на L= 30 мм |
|
|
|
Расточная - ΙΙΙ опер |
3,45 |
|
5.1 |
Сверлить 3 отверстия Ø18 мм на L= 60 мм |
|
|
5.2 |
Зенковать 3 фаски 2х450 |
|
|
5.3 |
Нарезать резьбу М20 в 3-х отв. на L= 50 мм |
|
|
|
Расточная - ΙV опер |
5,4 |
|
5.1 |
Сверлить предварительно 4 отверстия Ø10 мм на L = 55 мм |
|
|
5.2 |
Сверлить окончательно 4 отверстия Ø35 мм на L = 55 мм |
|
|
6 |
Слесарная - зачистить заусеницы |
- |
|
7 |
Контрольная |
- |
.1.6 Выбор типа производства
Тип производства по ГОСТ 3.1108 - 74 определяется по коэффициенту закрепления операций, выполняемых подразделением в течение месяца, к числу рабочих мест, загруженных этими операциями.
Кз.о =
,
мин, (3.2)
где τ - такт выпуска деталей, мин/шт;
- среднее штучное
время основных операций обработки, мин.
,мин.
Такт выпуска определим по формуле:
мин/шт, (3.3)
где N - годовая программа выпуска, шт; N = 10 ,шт;
Fд - действительный годовой фонд времени работы оборудования, ч;
Fд = 4015 ч.
= 24900 ,мин/шт.
По формуле (3.2) определим коэффициентом закрепления операций:
Кз.о =
=
2436 ,шт.
Так как коэффициент загрузки оборудования более
40, то тип производства - единичное.
.1.7 Расчёт припуска на обработку детали
Чем больше величина припуска, тем выше себестоимость изготовления детали, а при уменьшенной величине припуска также увеличивается себестоимость из-за повышения точности. Величина припусков на механическую обработку зависит от метода получения заготовки, марки материала заготовки, точности и шероховатости обрабатываемой поверхности, модели и типа оборудования, приспособления и инструмента.
На основе аналитического метода выполняется расчет припусков на обработку [13]. Припуск выберем учитывая форму заготовки и требования к качеству, внутреннюю поверхность диаметра детали Æ420мм. Технологический маршрут обработки поверхности состоит из 3-х операций:
расточить отверстие предварительно;
расточить отверстие начисто;
расточить отверстие окончательно тонким точением.
Суммарное значение пространственных отклонений
для заготовки данного типа определяется по формуле:
rо =
,
мкм, (3.4)
Коробление отверстия следует учитывать как в диаметральном, так и в осевом его сечении, поэтому
rкор =
=
321 ,мкм.
Удельное коробление отверстия находим по таблице 4.9 [2].
Учитывая, что суммарное смещение отверстия относительно наружной поверхности заготовки представляет геометрическую сумму в двух взаимно перпендикулярных плоскостях, получаем
rсм =
=
534 ,мкм,
где d1 и d2 - допуски на размеры, служащие базами для обработки отверстия.
Таким образом, суммарное значение пространственного отклонения заготовки определим по формуле (3.4).
rо =
=
623 ,мкм.
Остаточное пространственное отклонение после чернового растачивания:
rост = 0,04·rо = 0,04 · 623 = 25 ,мкм.
Остаточное пространственное отклонение после чистового растачивания:
rост = 0,02·rо = 0,02 · 623 = 13 ,мкм.
Погрешность установки при черновом растачивании
e1 =
,
мкм, (3.5)
Погрешность закрепления заготовки eз принимаем равной 80 мкм; eб = 0.
e1 =
=
80 ,мкм.
Остаточная погрешность установки при чистовом растачивании
e2 = 0,05 · e1 + eинд = 0,05 · 80 + 0 = 4 ,мкм.
Так как черновое и чистовое растачивание производится в одной установке, то eинд = 0.
Расчет минимальных значений припусков при
обработке внутренних поверхностей вращения производим по формуле:
(3.6)
Минимальный припуск под растачивание:
Черновое:
=
2128 ,мкм;
Чистовое:
=
825 ,мкм;
Тонкое точение:
=
74 ,мкм.
Расчетный размер dp считаем, начиная с конечного (чертежного) размера путем последовательного вычитания расчетного минимального припуска каждого технологического перехода:
= 420,063 - 0,074 =
419,989 ,мм;
= 419,989 - 0,825 =
419,164 ,мм;
= 419,164 - 2,128
= 417,036 ,мм.
Значения допусков каждого перехода принимаются по таблицам в соответствии с классом точности [13].
В графе «Предельный размер» значение
получается
по расчетным размерам, округленным до точности допуска соответствующего
перехода. Наименьшие предельные размеры
определяются
из наибольших предельных размеров вычитанием допуском соответствующих
переходов:
= 420,063 ,мм;
= 419,989 ,мм;
= 419,164 ,мм;
= 417,036 ,мм;
= 420,063 - 0,063 =
420,000 ,мм;
= 419,989 - 0,150 =
419,839 ,мм;
= 419,164 - 0,500 =
418,664 ,мм;
= 417,036 - 3,000 =
414,036 ,мм.
Предельные значения припусков.
Растачивание:
тонкое:
=
420,000 - 419,839 = 0,161 мм = 161 ,мкм;
= 420,063 -
419,989 = 0,074 мм = 74 ,мкм;
чистовое:
=
419,839 - 418,664 = 1,175 мм = 1175 ,мкм;
= 419,989 - 419,164
= 0,825 мм = 825 ,мкм;
черновое:
=
418,664 - 414,036 = 4,628 мм = 4628 ,мкм;
= 419,164 -
417,036 = 2,128 мм = 2128 ,мкм.
Общие припуски
и
определяем,
суммируя промежуточные:
= 74 + 825 + 2128
= 3027 ,мкм;
= 161 + 1175 +
4628 = 5964 ,мкм.
Общий номинальный припуск:
=
+
δз
- δд
= 3027 + 623 - 63 = 3587 ,мкм;
=
-
=
420,000 - 3,587 = 416,413 ,мм.
Проводим проверку правильности расчетов:
-
=
3000 - 63 = 2937 ,мкм;
-
=
5964 - 3027 = 2937 ,мкм.
Для наглядности и простоты определения промежуточных припусков и промежуточных размеров составляем таблицу 3.3.
Элементы припусков Rz и Т назначаем по таблицам [13] в зависимости от метода обработки поверхностей заготовки.
По полученным данным вычерчиваем схему расположения припусков и допусков на обработку размера Æ420 Н7 (рисунок. 3.3).
Таблица 3.3 - Припуски на обработку поверхности Æ420 Н7 (+0,063)
|
Технологические переходы обработки корпуса подшипникаÆ420Н7 |
Элементы припуска, мкм |
Расчетный припуск 2z min, мкм |
Расчетный размер dp, мм |
Допуск δ, мкм |
Предельный размер, мм |
Предельные значения допуска,мкм |
|||||
|
|
Rz |
T |
ρ |
ε |
|
|
|
d min |
d max |
2z min |
2z max |
|
Заготовка |
1500 |
623 |
|
|
417,036 |
3000 |
414,036 |
417,036 |
|
|
|
|
Растачивание черновое |
100 |
100 |
25 |
80 |
2128 |
419,164 |
500 |
418,664 |
419,164 |
2128 |
5128 |
|
Растачивание чистовое |
30 |
30 |
13 |
4 |
825 |
419,989 |
150 |
419,839 |
419,989 |
825 |
1325 |
|
Растачивание тонким точением |
5 |
5 |
|
4 |
74 |
420,063 |
63 |
420,000 |
420,063 |
74 |
224 |
Рисунок 3.3 - Схема графического расположения припусков и допусков на обработку Æ420 Н7
3.1.8 Выбор оборудования
Исходными данными для выбора оборудования
являются: характер технологических операций, форма и расположение
обрабатываемых поверхностей; размеры обрабатываемой детали, точность обработки;
количество используемых инструментов; тип производства. Выбор оборудования
выполнен по методике изложенной в [11]. Выбранное оборудование с краткой
технической характеристикой приведено в таблице 3.4.
Таблица 3.4 - Выбор оборудования
|
№ опер |
Операция |
Наименование и модель станка |
Краткая техническая характеристика |
|
2; 4 |
Фрезерная |
Широкоуниверсальный фрезерный станок FUV401 |
Размер рабочего стола 400х1600 мм. Расстояние от оси вертикального шпинделя до рабочей поверхности стола min\max 170\630 мм. Расстояние от оси горизонтального шпинделя до рабочей поверхности стола max 490 мм. Т-образные пазы 5 шт. Ширина Т-образных пазов 18 мм. Расстояние между Т-образными пазами 80 мм. Поворот стола влево и вправо 45o гр. Продольный ход стола при механизированной подачи 1230 мм. Поперечный ход стола при механизированной подачи 340 мм. Вертикальный ход стола при механизированной подачи 440 мм. Фрезерная головка: Вращение вертикальной фрезерной головки 360o; Вращение универсальной фрезерной головки относительно 2-х осей 360o. Привод: Мощность двигателя вертикального шпинделя 4 кВт; Мощность двигателя горизонтального шпинделя 7,5 кВт; Мощность двигателя подачи 2,2 кВт. Габаритные размеры: Вес 3575 кг; Длина 27,55 мм; Высота 2000мм; Длина станка с выдвинутом вперед хоботом 27,75 мм; Ширина 35,90 мм. |
|
3; 5 |
Расточная |
Горизонтально расточной станок TPX6111В |
Диаметр нормального выдвижного шпинделя 110 мм. Конус шпинделя: морзе № 6 (lSO 7:24 № 50 - опционально). Макс. крутящий момент выдвижного шпинделя 1225 Нм. Макс. момент на радиальном суппорте 1960 Нм. Макс. осевое усилие на шпинделе 12 250 Н. Продольное перемещение выдвижного шпинделя 600 мм. Количество ступеней скоростей шпинделя - 22. Пределы частоты вращения шпинделя 8 - 1000 об./мин. Радиальное перемещение суппорта 180 мм. Рабочая поверхность стола 1100х960 мм. Грузоподъемность поворотного стола 2500 кг. Пределы расстояния между продольной осью шпинделя и поверхностью стола 0 - 900 мм. Ускоренный ход по осям X, Y, Z, W, 2500 мм/мин. Продольное перемещение стола 1000 мм. Поперечное перемещение стола 900 мм. Пределы подачи шпинделя / шпиндельной бабки и стола за оборот шпинделя, 0.04 - 6 / 0.01 - 1.88 мм/об. Мощность электродвигателя главного привода, 7,5 кВт. Габаритные размеры станка (Д х Ш х В) 4910 х 2454 х 2750 мм. Масса станка 13000 кг. |
.1.9 Выбор режущего инструмента
Выбор режущего инструмента зависит от формы и
размер обрабатываемой поверхности, методе обработки, точности и шероховатости,
обрабатываемого материала, периода стойкости инструментов, и заданной
производительности. Режущих инструментов выбираем по методике [14]. Результаты
выбора сводим в табл. 3.5