Материал: Модернизация прессовой части бумагоделательной машины БДМ-10

Внимание! Если размещение файла нарушает Ваши авторские права, то обязательно сообщите нам

Двухвальный пресс может использоваться в качестве второго и последующих прессов машины, вырабатывающих почти все виды продукции.

Преимущества при модернизации прессового механизма БДМ-10 следующие: сухость полотна увеличивается, стоимость установки снижается, уменьшились расходы на эксплуатацию, на создание вакуума не требуются затраты, вырабатываемая бумаги равномерной влажности по всей ширине.

.2.3 Описание работы пресса

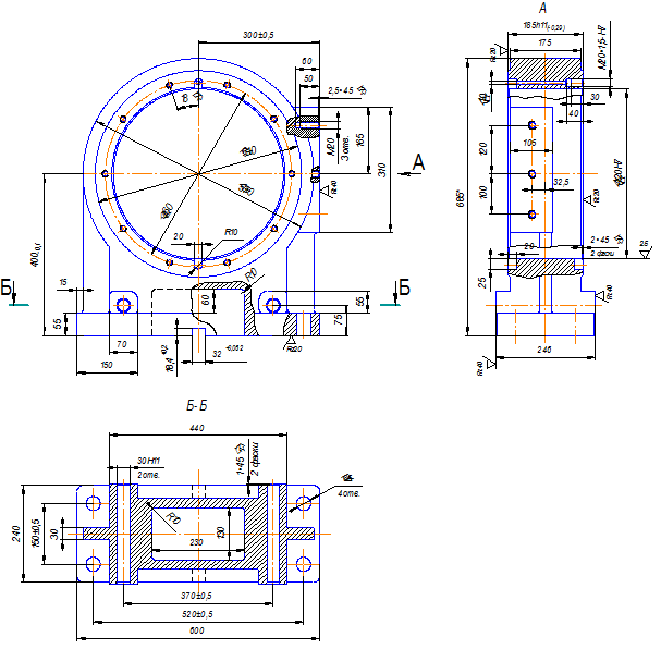
Обезвоживание на прессе происходит механическим отжимом под действием давления. При этом повышаются объёмная масса, прочностные свойства, прозрачность, снижаются пористость и впитывающая способность бумаги. Прессование выполняется между шерстяным сукном, которое предохраняет ещё слабую бумагу от разрушения, впитывает отжатую влагу и одновременно транспортирует полотно. Четыре периода или фазы прохождения бумаги через зону контакта прессвания приведены на рисунке 2.10.

Рисунок 2.10 - Фазы удаления воды на прессе:

- гранитный вал; 2 - полотно бумаги; 3 - сукно; 4 - обрезиненный вал; I - IV - фазы прессования

В I фазе проход полотна на сукне до касания с нижним валом до входа в зону контактов валов рисунок 2.7; во II фазе - от зоны контакта валов до ее середины; в III фазе - от середины зоны контакта до выхода из нее; в IV фазе - от места выхода из зоны контакта, до точки отрыва сукна от вала. При входе в зону контакта валов бумага и сукно сжимаются. Сукно испытывает деформацию сжатия. Отжимаемая вода образует перед входом в зону контакта валов водяной клин. Перед прессованием бумажное полотно дополнительно увлажняется. При повышенном давлении прессования на прессе при высокой скорости машины вызывает раздавливание полотна.

.3 Конструкторские расчеты

Рассмотрим более нагруженный узел. Это вал обрезиненный, который вращается на двух подшипниках. Скорость вращения составляет 350 об/мин. Испытывает статические нагрузки, когда вал неподвижно стоит и динамические, когда осуществляется вращение. Максимальные динамические нагрузки присутствуют, когда происходит прессование бумажного полотна [6].

.3.1 Проверка вала на выносливость

. Определение реакций в опорах

Определение силы от несооснасти валов:

 (2.1)

где Тп.в. - крутящий момент на приводном валу, Н·м;

Определение реакций в опорах:

Проверка:

Определим поперечные силы:

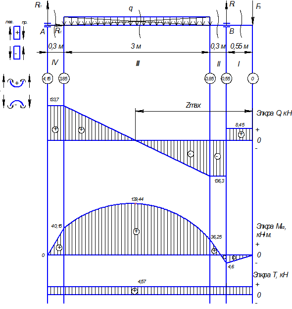
Z = 0,85 Q3 = 8,45 - 144,75 + 90(0,85 - 0,85) = - 136,3, кН·м.

Z = 3,85 Q3 = 8,45 - 144,75 + 90(3,85 - 0,85) = 133,7, кН·м.

FM - RA + q · Zmax - 0,85 · q = 0,

Определим изгибающие моменты:

Z = 0 МИ1 = 0.

Z = 0,55 МИ1 = - 8,45·0,55= - 4,6 ,кН·м.

Z = 0,55 МИ2 = - 8,45·0,55+144,75(0,55-0,55) = - 4,6 ,кН·м.

Z = 0,85 МИ2 = - 8,45·0,85+144,75(0,85-0,55) = 36,25 ,кН·м.

Z = 0,85 МИ3 = - 8,45·0,85+144,75(0,85-0,55) - 90(0,85 - 0,85) (0,85 - 0,85) / 2 = 36,25 ,кН·м.

Рисунок 2.11 - Расчётная схема

Z = 3,85 МИ3 = - 8,45·3,85+144,75(3,85-0,55) - 90(3,85 - 0,85) (3,85 - 0,85) / 2 = 40,15 ,кН·м.

Zmax = 2,35 МИ3 = - 8,45·2,35+144,75(2,35-0,55) - 90(2,35 - 0,85) (2,35 - 0,85) / 2 = 139,44 ,кН·м.

Z =3,85 МИ4 = -8,45·3,85+144,75(3,85-0,55) - 90·3(3,85 -2,35) = 40,15,кН·м.

Z = 4,15 МИ4 = - 8,45·4,15+144,75(4,15-0,55) - 90·3(4,15 - 2,35) = 0, кН·м.

По полученным данным построим расчётную схему рисунок 2.11. с эпюрами поперечных сил, изгибающих и крутящих моментов.

. Определение напряжений изгиба и кручения

Определяем осевой момент сопротивления сечения:

W = 0,1d3, мм3, (2.2)

Определение полярного момента сопротивления сечения:

Wр = 0,2d3, мм3, (2.3)

Определение напряжений изгиба:

 (2.4)

Определение напряжений кручения:

 (2.5)

где W - осевой момент сопротивления сечения вала, мм3;

WP - полярный момент сопротивления сечения вала, мм3;

σИ - напряжения изгиба, Н/мм3;

τК - напряжения кручения, Н/мм3.

Подставим значения в формулы: 2.2; 2.3; 2.4; 2.5.

W = 0,1·2003 = 800000 ,мм3.

Wр = 0,2·2003 = 1600000 ,мм3.


.3.2 Проверочный расчет подшипников

Подшипник 113640 роликовый радиальный сферический двухрядный ГОСТ 5721-75.

Проверяем пригодность подшипника в наиболее нагруженной опоре В, у которого базовая динамическая грузоподъемность Сr = 1730 кН, а статическая грузоподъемность С0r = 1510 кН.

Определяем отношение

 (2.6)

где Rа = Fк - осевая нагрузка на подшипник Rа = 4570 Н;

V - коэффициент вращения, V = 1 при вращении внутреннего кольца.

,Н.

Определяем отношение  и по таблице 9.2 [7] интерполированием находим = 0,22; Y = 1,99.

По соотношению < е выбираем формулу и определяем эквивалентную динамическую нагрузку RE:

RE = (XVRB + YRa) Kб Кт , Н, (2.7)

где Х - коэффициент радиальной нагрузки, Х = 0,56;

Y - коэффициент осевой нагрузки, Y = 1,99;

Кб - коэффициент безопасности, Кб = 1,4;

Кт - температурный коэффициент, Кт = 1

RE = (0,56·1·144750+1,99·4570) 1,3·1 = 117201 ,Н.

Определяем динамическую грузоподъемность Cгр:

 Н, (2.8)

где Lh - требуемая долговечность подшипников, Lh = 20000 ,ч;

n - частота вращения подшипника, n = 350 ,мин -1;

a1 - коэффициент надежности, a1 = 1;

a23 - коэффициент, учитывающий влияние качества подшипников и качества его эксплуатации, a23 = 0,8.

 < Сr = 1730000 ,Н.

Подшипник пригоден.

Определяем долговечность подшипника:

 (2.9)

 > Lh = 20000, ч.

.3.3 Выбор и расчет шпонки

Муфта передает крутящий момент на вал с помощью шпонки.

Основным для шпоночного соединения является условный расчёт на смятие (упругопластическое сжатие в зоне контакта).

Условие прочности:

 (2.10)

где [sсм] - допускаемое напряжение на смятие, [sсм] = 100 ,МПа;

Т - передаваемый крутящий момент, Т = 4570 ,Н∙м;

lр - рабочая длина шпонки, lр = 180 ,мм;

h - высота шпонки, мм;

d - диаметр вала, мм;

b- ширина шпонки, мм.

Определяем параметры призматической шпонки [8], исходя из посадочного диаметра равного 120 ,мм: h = 18ю,мм; b = 32 ,мм.

< [σсм] = 100 ,МПа.

Условное обозначение: Шпонка 32 ´ 18 ´ 180 ГОСТ 23360-78.

.3.4 Выбор муфты

Концевой участок вала обрезиненного соединяется с валом редуктора фланцевой муфтой. При помощи фланцевые муфты мы можем соединить отдельные части в одно целое. Фланцевые муфты просты в использовании, доказали свою надежность в работе, могут передавать большие крутящие моменты. Их широко используют в машиностроении.

Подбор муфты осуществляем в зависимости от передаваемого крутящего момента, предельной частоты, которую достигает муфта и по диаметру вала.

Назначаем фланцевую муфту [9]:

Муфта фланцевая 6300 - 120 - 21 - У3 ГОСТ 20761 - 96. Эскиз полумуфты приведен на рисунке 2.12.

Рисунок 2.12 - Эскиз полумуфты

3. Технологическая часть

Эффективность промышленности и технический процесс на прямую зависят, от внедрения новейшего оборудования, машин станков и аппаратов, от всемирного внедрения методов технико-экономического анализа, обеспечивающих решение технических вопросов и экономическую эффективность конструкторских и технологических разработок.

Механическая обработка является основным методом изготовления деталей в машиностроении. Использование типовых операций механической обработки в технологическом процессе (токарных, сверлильных, фрезерных и др.) наиболее характерно в изготовлении деталей машин.

Все вопросы технологии, и её организации, разрабатываемые в выпускной работе, должны отвечать реальным целям, стоящим перед производством. Необходимо показать сущность и значение организации труда, совершенствования технологии на основе использования новых достижений науки и техники и методы улучшения использования рабочего времени.

.1 Разработка технологического процесса изготовления корпуса

.1.1 Описание назначения и конструкции детали

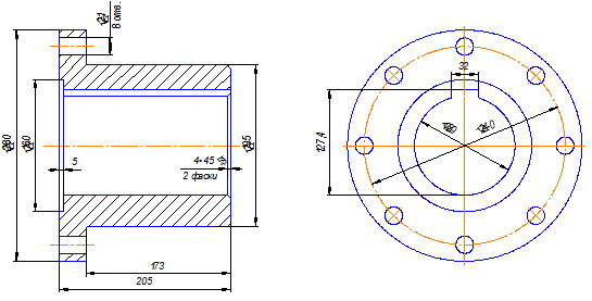
Деталь, разрабатываемая в выпускной квалификационной работе - корпус подшипника - является элементом конструкции прессового вала. Корпус служит для установки подшипниковых узлов и фиксирования положения вала в осевом направлении. Эскиз корпуса подшипника приведен на рисунке 3.1.

Данная деталь принадлежит к классу корпусных деталей с центральным сквозным отверстием. Наиболее точным является центральное отверстие Ø420 мм, для установки подшипника. На корпусе имеется 20 отверстий с резьбой М16 для крепления крышек корпуса. Для крепления корыта выполнены два сквозных отверстия Ø30 мм. С боковой стороны корпуса сделаны три отверстия с резьбой М20 для крепления бракетки сукноведущего валика. Установка и крепления корпуса подшипника выполняется за счёт шпоночного паза на подошве и четырёх отверстий Ø35 мм.

Рисунок 3.1 - Эскиз корпуса подшипника

Для изготовления детали используется чугун серый СЧ20 ГОСТ 1412-85. Этот материал используют для изготовления износостойких деталей, эксплуатируемых при больших нагрузках. Химический состав СЧ20 приведен в таблице 3.1. [10].

Таблица 3.1 - Химический состав в % материала СЧ 20

С

Si

Mn

S

P

3,3 - 3,5

1,4 - 2,4

0,7 - 1

до 0,15

до 0,2


.1.2 Технологический контроль чертежа детали

На чертеже детали указаны все необходимые сведения т. е. размеры, проекции, разрезы и сечения, требуемая шероховатость, размеры с необходимыми отклонениями, допускаемые отклонения от правильных геометрических форм.

Чертеж детали содержит необходимые сведения о материале детали, массе детали, неуказанных предельных отклонениях [11].

.1.3 Анализ технологичности конструкции детали

Анализ технологичности конструкции детали выполняется с целью уменьшения трудоемкости и металлоемкости при изготовлении детали, снизить себестоимость изготовления, в тоже время обеспечивая требуемое качество.

Технологический анализ конструкции обеспечивает улучшение технико-экономических показателей разрабатываемого технологического процесса.

При анализе технологичности конструкции детали выяснено следующее:

. Деталь имеет сложную форму, но может быть обработана на стандартном оборудовании, стандартным режущим инструментом с применением стандартных приспособлений.

. Геометрические погрешности станков позволяют получить требуемые допускаемые отклонения размеров, шероховатости, отклонения формы и расположения поверхностей на детали.

. К обрабатываемым поверхностям существует достаточно свободный доступ инструмента.

. Деталь имеет технологические базы, необходимые для получения заданной точности и шероховатости обрабатываемых поверхностей.

. На долбежной, резьбонарезной операциях нерационально применение высоко - производительных методов обработки.

. Все размеры могут быть проконтролированы стандартным измерительным инструментом.

По произведенной качественной оценке можно сделать вывод, что деталь вполне технологична.

.1.4 Выбор метода изготовления и формы заготовки

Для изготовления заготовок для детали необходимо учитывать назначение и конструкцию, количество и качество материала, технические требованиями, масштаб и серийностью выпуска, а также чтобы был экономичен в изготовлении.

отливка;

ковка в подкладном штампе;

штамповка;

металлургический прокат;

спеченные заготовки по методу порошковой металлургии.

Заготовку желательно выбирать с таким расчетом, чтобы ее форма была максимально приближена к форме готового изделия, поскольку это значительно облегчит ее последующую обработку. При этом необходимо учитывать масштабы производства. Вследствие того, что изготовляемая деталь имеет достаточно большие размеры и массу, для экономии материала и времени обработки принимаем изготовление заготовки литьём. Литьё - технологический процесс изготовления заготовок заключающийся в заполнении предварительно изготовленной литейной формы жидким материалом с последующим его затвердеванием. Выбираем метод литья в песчаные формы, метод литья металлов и сплавов, при котором расплавленный металл заливается в форму, сделанную из плотно утрамбованного песка. Для того, чтобы песчинки были крепко связаны между собой, песок смешивают с глиной, водой и другими связующими веществами.

Себестоимость заготовки можно рассчитать следующим способом:

 (3.1)

где A - себестоимость изготовления заготовки;

B - себестоимость механической обработки;- себестоимость изготовления заготовки средней сложности массой 1кг;- удельная стоимость механической обработки; b = (5 ÷ 10) · а- масса заготовки, кг; m = V · p- коэффициент сложности заготовки (1 для средней сложности);- коэффициент точности заготовки (1,5);- точность изготовления заготовки (1 для средней точности);- учет обрабатываемости материала (1);- учет точности размеров детали (1);

Среднюю стоимость СЧ20 примем 40-50 руб. за 1 кг

Выберем наиболее экономичную форму заготовки, полученную литьём рисунок 3.2.