Материал: Методика вивчення основ перетворення постійного електричного струму на уроках фізики та факультативних заняттях

Внимание! Если размещение файла нарушает Ваши авторские права, то обязательно сообщите нам

Існує почергове управління з характеристиками, аналогічними до звичайного несиметричного управління. При почерговому управління комутація транзисторів в парному та не парному періоді відбувається в різних стойках.

перетворювач постійний реверсивний зарядний

2.4.2 Робота реверсивного ППН на активно-індуктивне навантаження при симетричному управлінні

Аналіз проведемо при наступних припущеннях: всі вентилі та джерело живлення ідеальні, індуктивність в ланцюгу навантаження дуже велика, і, тому, струм навантаження неперервний.

При включенні транзисторів V1, V2 (див мал. 1.12 а) струм проходить по ланцюгу + джерела живлення, V1, Lн, Rн, V2, - джерела живлення. Після вимкнення транзисторів струм проходить по ланцюгу Lн, VD3, джерело живлення, VD4, Rн. Енергія збережена в індуктивності навантаження, повертається в джерело живлення. Потім знову вмикаються транзистори V1, V2.

Тим часові діаграми струму навантаження та напруги наведено на мал. 1.12 б. Видно, що в напрузі на навантаженні є негативні ділянки.

Рівняння регулюючих характеристик перетворювача у відносних одиницях для неперервного режиму, отримані на тимчасовій діаграмі (див мал. 1.11 б) для першого та четвертого квадратів (направлений вперед «В» та назад «Н»):

 (1.23)

де - відносний час ввімкнення транзисторів, а індекси вказують на номери ввімкнутих транзисторів.

При  неправильний режим при активно-індуктивному навантаженні неможливий. Регулюючі характеристики перетворювача побудовані за рівнянням (1.23), наведено на мал. 1.13 а.

Рівняння регулюючих характеристик системи управління при пилеподібній опорній напрузі мають наступний вигляд:

Якщо

Якщо  (1.24)

Регулюючі характеристики системи управління, перетворювача побудовані за рівнянням (1.24), наведені на мал. 1.13 б.

Мал. 1.13 Регулюючі характеристики реверсивного перетворювача (а), системи управління (б) і перетворювача з системою управління (в) при симетричному управлінні і активно-індуктивному навантаженні

Рівняння регулюючої характеристики перетворювача разом з системою управління має наступний вигляд

 (1.25)

Регулювальна характеристика перетворювача разом з системою управління, побудована на основі рівняння (1.25), показана на мал. 1.13 в. Ділянка характеристики, що відповідає напрямку вперед «В», знаходиться в першому квадраті, а відповідна напрямку назад «Н» - в третьому.

2.4.3 Робота регресивного ППН на активно-індуктивне навантаження при несиметричному управлінні

При роботі на активно-індуктивне навантаження та несиметричному управлінні весь час проводять один або два транзистори. Якщо в даний момент проводили транзистори V1, V2 (див мал. 1.12), то після вимкнення транзистора V1 струм проходить по ланцюгу Lн, V2, VD4, Rн, і енергія, збережена в індуктивності використовується в навантаженні. Тимчасові діаграми струму напруги на навантаженні наведено на мал. 1.12 в. На діаграмах видно, що нема негативних ділянок напруги.

Переваги несиметричного управління полягає в зменшенні пульсацій і втрат на навантаженні.

Рівняння регулюючих характеристик перетворювача у відносних одиницях, отримані на тимчасовій діаграмі (див. мал. 1.12 в), відповідно для додатного і негативної напруги на навантаженні:

 (1.26)

Регулюючі характеристики перетворювача, побудовані за рівнянням (1.26), показано на мал. 1.14а.

Рівняння регулюючих характеристик системи управління при пилеподібній опорній напрузі, відповідно для додатної і від’ємної напруги мають наступний вигляд:

 (1.27)

Регулюючі характеристики системи управління перетворювача, побудовані за рівняннями (1.27), показані на мал. 1.14б.

Рівняння регулюючої характеристики перетворювача разом з системою управління має наступний вигляд:

 (1.28)

Регулююча характеристика перетворювача разом з системою управління, побудовано за рівнянням (1.28), показано на мал. 1.14в.

Порівнявши мал. 1.13в та 1.14в, можна побачити, що регулююча характеристика перетворювача разом з системою управління не залежить від способу управління.

Мал. 1.14. Регулюючі характеристики реверсивного перетворювача (а), системи управління (б) і перетворювача з системою управління (в) при несиметричному управлінні та активно-індуктивному навантаженні.

2.4.4 Робота реверсивного ППН та ПЕДС при симетричному управлінні

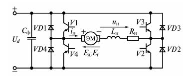
На мал. 1.15 приведено схему реверсивного ППН, що працює на якір двигуна. Тим часові діаграми, що ілюструють його роботу при симетричному управлінні, показані на мал. 1.16.

Мал. 1.15 Схема реверсивного ППН, що працює на якір двигуна

На мал. 1.16 а показано напругу на навантаженні, а на мал. 1.16 б - струм навантаження в рухаю чому режимі в напрямку «Вперед». В момент t1 при ввімкненні транзисторів V1, V2 струм зростає під дією напруги Ud в ланцюгу «+» джерела живлення, V1, ЕМ, Lн, Rн, V2, «-» джерела живлення. Полярність ПЕДС двигуна ЕД показано на мал. 1.15. В момент t2 при вимкненні транзисторів V1, V2 струм починає протікати за рахунок енергії, збереженої в індуктивності навантаження, по контуру Lн, Rн,, VD3, «+» джерела живлення, «-» джерела живлення, VD4, ЕМ.

При переході на гальмуванні ЕРС генератора EГ = ЕД,так як швидкість не може миттєво змінитися, а струм має змінити напрямок на протилежний. При подачі сигналу на гальмування знімаються керуючі імпульси з V1 та V2 і подаються на V3 та V4. Але транзистори не вмикаються, так як за рахунок енергії, збереженої в індуктивності, струм продовжує проходити через VD4, VD3. Індуктивність якоря мала, тому струм швидко прямує до нуля. Генератор не може віддавати енергію в джерело живлення, так як його ЕРС EГ нижча ніж ЕРС джерела живлення. Тому для рекуперації енергії необхідна додаткова ЕРС. Мал. 1.16 в ілюструє встановлений режим при гальмуванні. В момент t3 вмикаються транзистори V3 та V4 і струм швидко наростає, так як виникає контур короткого замикання в ланцюгу «+» джерела живлення, V3, Rн, Lн, ЕМ, V4, «-» джерела живлення. При цьому ЕРС джерела живлення та ЕРС електричної машини діють злагоджено. Струм в ланцюгу навантаження зростає в протилежному напрямку і прямує до значення струму встановленого короткого замикання. В момент t4 вимикаються транзистори V3, V4, але струм проходить в тому ж напрямку за рахунок погодженого ввімкнення ЕРС генератора та ЕРС самоіндукції по ланцюгу Lн, Lн, ЕМ, VD1, «+» джерела живлення, «-» джерела живлення, VD2, Rн. Енергія повертається в джерело живлення.

Мал. 1.16 Діаграми напруг та струмів, що ілюструють роботу ППН двигун при симетричному управлінні: напруга на навантаженні (а), струм в навантаженні в рухомому режимі (б), струм на навантаженні при гальмуванні (в), напруга на навантаженні та струм після реверса (г).

При симетричному управлінні під час рекуперації необхідно то вживати енергію від джерела, то повертати її назад, але в більшій кількості.

За рахунок рекуперації двигун гальмується, EГ зменшується до нуля, а  зростає. При  починається розгін двигуна в протилежному напрямку. Тим часові діаграми мал. 1.16г ілюструють напругу на навантаженні і струм в навантаженні після реверсу та розгону двигуна до тієї ж швидкості.

Рівняння регулюючих характеристик такі ж само, як і при роботі на активно-індуктивне навантаження, але знімається обмеження на величину . При  полярність напруги змінюється і починається рекуперація.

Регулюючі характеристики перетворювача, побудовані за рівняннями (1.23), наведені на мал. 1.17 а.

Регулюючі характеристики системи управління перетворювача, побудовані за рівняннями (1.24), приведено на мал. 1.17. б.

Регулююча характеристика перетворювача разом з системою управління, побудована за рівнянням (1.25), показано на мал. 1.17 в

Рис. 17

Розділ 3. Технологія виготовлення і застосування ППН

Перетворювач частоти - це пристрій, призначений для перетворення змінного струму (напруги) однієї частоти в змінний струм (напругу) іншої частоти.

Вихідна частота в сучасних перетворювачах може змінюватися в широкому діапазоні й бути як вище, так і нижче частоти живильної мережі.

Схема будь-якого перетворювача частоти складається з силової та керуючої частин. Силова частина перетворювачів зазвичай виконана на тиристорах або транзисторах, які працюють в режимі електронних ключів. Керуюча частина виконується на цифрових мікропроцесорах і забезпечує управління силовими електронними ключами, а також рішення великої кількості допоміжних завдань (контроль, діагностика, захист).

Перетворювачі частоти, застосовувані в регульованому електроприводі, залежно від структури й принципу роботи силової частини розділяються на два класи:

. Перетворювачі частоти з явно вираженим проміжною ланкою постійного струму.

. Перетворювачі частоти з безпосереднім зв'язком (без проміжної ланки постійного струму).

Кожен з існуючих класів перетворювачів має свої достоїнства й недоліки, які визначають область раціонального застосування кожного з них.

Рис. 18

Історично першими з'явилися перетворювачі з безпосереднім зв'язком (рис. 18.), В яких силова частина являє собою керований випрямляч і виконана на не замикаються тиристорах. Система управління черзі відмикає групи тиристорів і підключає статорні обмотки двигуна до живильної мережі.

Простий перетворювач частоти. Синусоїда перетворювача частоти

Таким чином, вихідна напруга перетворювача формується з вирізаних ділянок синусоїд вхідної напруги. На рис.5. показаний приклад формування вихідної напруги для однієї з фаз навантаження. На вході перетворювача діє трифазна синусоїдальна напруга uа, UВ, uс. Вихідна напруга Uвих має несинусоїдальну «пилкоподібну» форму, яку умовно можна апроксимувати синусоїдою (стовщена лінія). З малюнка видно, що частота вихідної напруги не може дорівнювати або бути вище частоти живильної мережі. Вона знаходиться в діапазоні від 0 до 30 Гц. Як наслідок малий діапазон управління частоти обертання двигуна (не більше 1: 10). Це обмеження не дозволяє застосовувати такі перетворювачі в сучасних частотно регульованих приводах із широким діапазоном регулювання технологічних параметрів.

Використання тиристорів, що не замикаються, вимагає відносно складних систем керування, які збільшують вартість перетворювача.

«Різана» синусоїда на виході перетворювача є джерелом вищих гармонік, які викликають додаткові втрати в електричному двигуні, перегрів електричної машини, зниження моменту, дуже сильні перешкоди в живильній мережі. Застосування компенсаторів, приводить до підвищення вартості, маси, габаритів, зниженню к.к.д. системи в цілому.

Поряд з перерахованими недоліками перетворювачів з безпосереднім зв'язком, вони мають певні достоїнства. До них відносяться:

Практично найвищий ККД щодо інших перетворювачів (98,5% і вище),

Здатність працювати з великими напругами і струмами, що робить можливим їх використання в потужних високовольтних приводах,

Відносна дешевизна, незважаючи на збільшення абсолютної вартості за рахунок схем керування і додаткового обладнання.

Подібні схеми перетворювачів використовуються в старих приводах і нові конструкції їх практично не розробляються.


Рис. 19

У перетворювачах цього класу використовується подвійне перетворення електричної енергії: вхідна синусоїдальна напруга з постійною амплітудою і частотою випрямляється у випрямлячі (В), фільтрується фільтром (Ф), згладжується, а потім знову перетвориться інвертором (І) у змінну напругу змінюваної частоти й амплітуди. Подвійне перетворення енергії приводить до зниження ККД і до деякого погіршення масогабаритних показників по відношенню до перетворювачів з безпосереднім зв'язком.

Для формування синусоїдальної змінної напруги використовуються автономні інвертори напруги і автономні інвертори струму.

В якості електронних ключів в інверторах застосовуються тиристори, що замикаються, GTO і їх вдосконалені модифікації GCT, IGCT, SGCT, і біполярні транзистори з ізольованим затвором IGBT.

Головним достоїнством тиристорних перетворювачів частоти, як і в схемі з безпосереднім зв'язком, є здатність працювати з великими струмами й напругами, витримуючи при цьому тривале навантаження й імпульсні впливи.

Вони мають більш високий ККД (до 98%) по відношенню до перетворювачів на IGBT транзисторах (95-98%).

Перетворювачі частоти на тиристорах в даний час займають домінуюче положення у високовольтному приводі в діапазоні потужностей від сотень кіловатів і до десятків мегават з вихідною напругою 3-10 кВ і вище. Однак їх ціна на один кВт вихідної потужності найбільша в класі високовольтних перетворювачів.

До недавнього минулого перетворювачі частоти на GTO становили основну частку й у низьковольтному частотно регульованому приводі. Але з появою IGBT транзисторів відбувся "природний добір" і сьогодні перетворювачі на їх базі загальновизнані лідери в області низьковольтного частотно регульованого приводу.

Тиристор є напівкерованим приладом: для його включення досить подати короткий імпульс на керуючий вивід, але для вимикання необхідно або прикласти до нього зворотну напругу, або знизити комутований струм до нуля. Для цього в тиристорних перетворювачів частоти потрібна складна і громіздка система управління.

Біполярні транзистори з ізольованим затвором IGBT відрізняють від тиристорів повна керованість, проста неенергоємна система управління, найвища робоча частота.

Внаслідок цього перетворювачі частоти на IGBT дозволяють розширити діапазон управління швидкості обертання двигуна, підвищити швидкодію приводу в цілому.

Для асинхронного електроприводу з векторним керуванням перетворювачі на IGBT дозволяють працювати на низьких швидкостях без датчика зворотного зв'язку.

Застосування IGBT з більш високою частотою перемикання в сукупності з мікропроцесорною системою управління в перетворювачах частоти знижує рівень вищих гармонік, характерних для тиристорних перетворювачів. Як наслідок менші додаткові втрати в обмотках і магнітопроводі електродвигуна, зменшення нагрівання електричної машини, зниження пульсацій моменту й виключення так званого «Крокування» ротора в області малих частот. Знижуються втрати в трансформаторах, конденсаторних батареях, збільшується їх термін служби й ізоляції проводів, зменшуються кількість помилкових спрацьовувань пристроїв захисту й погрішності індукційних вимірювальних приладів.

Перетворювачі на транзисторах IGBT в порівнянні з тиристорними перетворювачами при однаковій вихідній потужності відрізняються меншими габаритами, масою, підвищеною надійністю в силу модульного виконання електронних ключів, кращого тепловідводу з поверхні модуля і меншої кількості конструктивних елементів.

Вони дозволяють реалізувати більш повний захист від кидків струму і від перенапруги, що істотно знижує ймовірність відмов і пошкоджень електроприводу.

На даний момент низьковольтні перетворювачі на IGBT мають більш високу ціну на одиницю вихідної потужності, внаслідок відносної складності виготовлення транзисторних модулів. Однак за співвідношенням ціна / якість, виходячи з перерахованих достоїнств, вони явно виграють у тиристорних перетворювачів, крім того, протягом останніх років спостерігається неухильне зниження цін на IGBT модулі.