Материал: методичка по лабораторным

Внимание! Если размещение файла нарушает Ваши авторские права, то обязательно сообщите нам

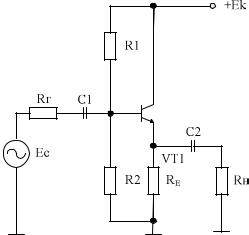
2.3 Підсилювальний каскад СК (емітерний повторювач)

Схема каскаду СК наведена на рисунку 8.

Рисунок 8 – Підсилювальний каскад СК (емітерний повторювач)

Значною різницею є високий вхідний опір (десятки – сотні кОм)

R

r

1

0,026

R

||R

 

||R

 

 

 

вх

 

б

 

IОE

E

H

б

 

 

 

 

 

 

 

 

 

і низький вихідний опір (одиниці-десятки Ом)

R

 

 

0,026

 

R R

 

 

 

 

 

 

г б

 

||R .

 

 

вих

 

IОE

 

1

E

 

 

 

 

 

 

Коефіцієнт підсилення за струмом підсилювального каскаду зі СК значно більше одиниці і дорівнює

K1

Rг

 

RE

.

R R

 

I

 

R

R

 

г вх

 

E

H

Коефіцієнт підсилення за напругою не набагато менше одиниці (0,9 0,95) і дорівнює

21

KCK

 

 

1 RE ||RH

 

 

.

 

 

 

 

 

 

 

 

U

 

1

0,026

 

 

 

 

R

r

R

||R

 

 

 

 

 

г

б

 

E

H

 

 

 

 

ICE

 

 

 

При цьому зі збільшенням вихідного опору каскаду він зменшується.

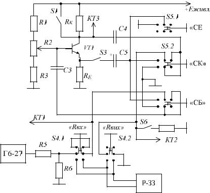
3 Лабораторна установка

До складу лабораторної установки входять: універсальний лабораторний стенд із модулем Д3, генератор типу Г6-27, магазин опорів типу Р-33, двоканальний осцилограф типу С1-83.

Спрощена схема лабораторної установки наведена на рисунку 9.

Рисунок 9 – Спрощена схема лабораторної установки

22

Її особливістю є те, що режим роботи транзистора за постійним струмом однаковий для всіх типів досліджуваних підсилювальних каскадів, що особливо важливо для проведення порівняльного аналізу.

Режим роботи транзистора за постійним струмом регулюється потенціометром R2 в ланцюзі базового подільника напруги. Резистори R1, R3 призначені для обмеження меж регулювання.

Вибір досліджуваного каскаду досягається натисканням відповідної кнопки перемикача S5.

При натиснутій кнопці «СЕ» вхідний сигнал через роздільний конденсатор С3 надходить на базу транзистора, а вихідний – знімається через конденсатор С4. Емітер транзистора в цьому випадку є спільною шиною вхідного і вихідного ланцюгів за змінним струмом (каскад СЕ). Каскад може працювати з від’ємним зворотним зв’язком як за постійним так і за змінним струмами (ключ S3 розімкнутий), так і з від’ємним зворотним зв’язком лише за постійним струмом (ключ S3 замкнутий).

При натиснутій кнопці «СК» колектор транзистора опиняється з’єднаним через роздільний конденсатор С4 зі спільною шиною. Вихідний сигнал знімається уже з емітера через роздільний конденсатор С5 (ключ S3 повинен бути замкнутим).

Вхідний сигнал подається через конденсатор С3 на базу транзистора, і таким чином реалізується підсилювальний каскад за схемою СК. Ключ S1 призначений для шунтування гасильного резистора RK в ланцюгу колектора, що дозволяє досліджувати вплив колекторної напруги на властивості і характеристики каскаду.

При натиснутій кнопці «СБ» база транзистора з’єднана через розділювальний конденсатор С3 зі спільною шиною. Вихідний сигнал знімається з колектора через С4. Вхідний сигнал подається через С5 на емітер транзистора (ключ S3 повинен бути замкнутий).

23

вх.max
вх.min

Для вимірювання вхідного і вихідного опорів підсилювальних каскадів на платі модуля передбачений кнопковий перемикач S4. При натисканні кнопки «Rвх »

послідовно з джерелом сигналу включається магазин опорів типу Р-33. При натиснутій кнопці «Rвих » магазин опорів через

конденсатор С4 (каскад зі СЕ) або через С5 (каскад із СК) підключається до виходу досліджуваного каскаду. На платі модуля є контрольні точки КТ1 - KT3 для спостереження форми сигналу в характерних точках схеми.

4 Порядок виконання роботи

4.1 Підготувати генератор Г6-27 до роботи, для чого необхідно:

-установити частоту сигналу 1 кГц;

-перемикач «Режим роботи» встановити в положення « »;

-установити ручку регулювання вихідного сигналу в крайнє ліве положення;

-включити тумблер «Мережа»;

-включити живлення лабораторного стенда.

4.2 Змінюючи величину вхідної напруги, зняти і побудувати графічно амплітудні характеристики Uвих f(Uвх )

таких підсилювальних каскадів:

-спільний емітер (СЕ) із зворотним зв’язком за змінним струмом (ключі S1 і S3 розімкнути);

-спільний емітер (СЕ) без зворотного зв’язку за змінним струмом (ключ S3 замкнути, S1 розімкнути);

-спільний колектор (СК) без опору в ланцюзі колектора (ключі S1 і S3 замкнути);

-спільна база (СБ) ключ S1 розімкнути, S3 замкнути. Примітка. Для зняття амплітудної характеристики каскаду

необхідно попередньо визначити інтервал зміни вхідного сигналу. Нижня межа U визначається рівнем відповідних шумів і наведень, верхня U – появою спотворень форми вихідного сигналу на екрані осцилографа.

24

Визначити динамічний діапазон підсилення каскадів за формулою

DU (дб ) 20lgUвих.max .

Uвих.min

4.3 На частоті 1 кГц при Uвх 20mB виміряти вхідний опір каскаду СБ, для чого необхідно:

-натиснути кнопку вибору каскаду СБ;

-розімкнути S1, замкнути S3;

-установити ручки магазину опорів Р-33 у положення

«0» Ом;

-включити магазин опорів послідовно з джерелом вхід-

ного сигналу, для чого натиснути кнопку «Rвх» перемикача S4;

-обертанням ручок магазину досягти зменшення амплітуди вхідного сигналу в 2 рази;

-зняти показники магазину опорів, що відповідають вхідному опору досліджуваного каскаду, і результат занести до таблиці 3.

Перенести перемикач S5 у положення «СК» (ключ S1 розімкнути, S3 замкнути), провести вимірювання вхідного опору.

Перевести перемикач S5 у положення «СЕ». Провести вимірювання вхідного опору для двох схем включення:

-зі зворотним зв’язком за змінним струмом (S1 розімкнутий, S3 розімкнутий);

-без зворотного зв’язку за змінним струмом (S1 розімкнутий, S3 замкнутий).

4.4 На частоті 1 кГц Uвх 20mB виміряти вхідний опір каскаду СБ. Для чого необхідно:

-перемикач S5 перевести в положення «СБ»;

-розімкнути S1, замкнути S3;

-установити ручки магазина опорів у положення

«99999» Ом;

-перемикач S4 перевести в положення «Rвих»;

-обертанням ручок магазина опорів досягти зменшення величини вихідної напруги в 2 рази;

25