|
Таблиця 3 – Результати розрахунків параметрів підсилювальних каскадів |
|
|
|||||||||||
|
|
|
|
|
|
СЕ |
|
|
|
СК |
СБ |
|||
|
Параметр каскаду |
|
Теор. |
|
|
|
Експ. |
|
Теор. |
Експ. |
Теор. |
Експ. |
||
|
|
R |
0 |
R |
1к |
|
R |
1к |
R |
0 |
||||
|
|
E |
|
E |
|
|
E |
|
E |
|
|
|
|
|
|
Вхідний опір Rвх |
|
|
|
|
|
|
|
|
|
|
|
|
|
16 |
Вихідний опір Rвх |
|
|
|
|
|
|
|
|
|
|
|
|
|
Коефіцієнт підсилення за |
|
|
|
|
|
|
|
|
|
|
|
|
|
|
|
напругою KU |
|
|
|
|
|
|
|
|
|
|
|
|
|
|
Коефіцієнт підсилення за |
|
|
|
|
|
|
|
|
|
|
|
|
|
|
струмом KI |
|
|
|
|
|
|
|
|
|
|
|
|
|
|
Коефіцієнт підсилення за |
|
|
|
|
|
|
|
|
|
|
|
|
|
|
потужністю KP |
|
|
|
|
|
|
|
|
|
|
|
|
|
2 Теоретичні відомості
Основними параметрами будь-якого підсилювального каскаду є:
- вхідний опір каскаду Rвх Uвх ;
Iвх
- вихідний опір каскаду Rвих Uвих ;
Iвих
- коефіцієнт підсилення за напругою KU Uвих ;
Uвх
- коефіцієнт підсилення за струмом KI Iвих ;
Iвх
-коефіцієнт підсилення за потужністю KP KU KI .
Узагальному випадку перелічені вище параметри залежать від частоти.
Під час аналізу підсилювальних каскадів на транзисторах використовується модель транзистора у фізичних параметрах
(рис. 5).
rk*
rб I0
C*k

re
Рисунок 5 – Модель транзистора у фізичних параметрах
17
Кожен елемент моделі має фізичний сенс: - rб – об’ємний опір бази (rб 20 200 Ом);
- rE 0,026 – динамічний опір базо-емітерного переходу,
ICE
де ICE струм спокою емітера;
|
* |
|
|
|
rk |
|
|
|
|
|
|
- |
r |
|
|
|
|
|
|
, де |
|
r – динамічний опір колекторного |
|
|
|
|
|
|
|
||||||
|
k |
|
|
|
1 |
|
k |
||||
переходу; |
|
|
|
|
|
|
|
|
|
||
- |
(h21E ) |
– статичний коефіцієнт передачі струму бази за |
|||||||||
схемою з СЕ; |
|
|
|
|
|
||||||
|
* |
|
|
|
Ck |
|
|
|
|
|
|
- |
C |
|
|
|
|
|
|
, де C |
|
– динамічна ємність колектора; |
|
|
|
|
|
|
|
||||||
|
k |
|
|
|
1 |
k |
|
||||
- |
I0 |
– еквівалентний генератор струму; |
|||||||||
- |
I0 Iб |
– у схемі включення зі СЕ, СК; |
|||||||||
- |
I0 IE |
– у схемі включення зі СБ; |
|||||||||
- ,(h21б ) – статичний коефіцієнт передачі струму емітера.
Оскільки параметри транзистора нелінійні й залежать від режиму роботи транзистора, то названа модель є справедливою лише при малих сигналах.
Через фізичні параметри можна визначити динамічні параметри підсилювального каскаду в будь-якій схемі включення.
2.1 Підсилювальний каскад зі спільною базою (СБ)
Робоча схема каскаду СБ наведена на рисунку 6. За змінним струмом спільною точкою вхідного (емітерно-базового) і вихідного (колекторно-базового) ланцюгів є база, яка заземлена через конденсатор Cб . Робочий режим за постійним
струмом задається за допомогою опорів R1, R2, RE .
18
Рисунок 6 – Підсилювальний каскад зі спільною базою
При включенні підсилювального каскаду за схемою СБ він має низький вхідний опір (десятки Ом)
RвхСБ 0,026 (1 )rб ,
IСЕ
і високий вихідний опір RвихСБ RK .
Коефіцієнт підсилення за струмом каскаду менше одиниці такий:
KIСБ Rг RгRвхСБ RKRKRH .
Коефіцієнт підсилення за напругою, головним чином, залежить від опору навантаження:
КCБ |
RK ||RH |
, |
U |
R RСБ |
|
|
г вх |
|
і в практичних випадках може бути більше 100.
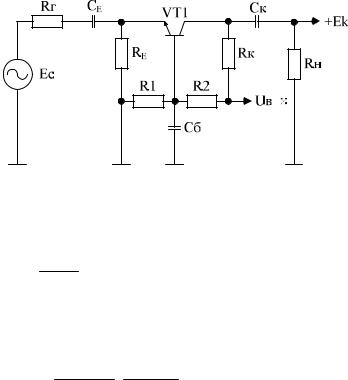
2.2 Підсилювальний каскад зі спільним емітером (СЕ)
Схема каскаду СЕ відрізняється лише тим, що сигнал генератора подається не в емітер, який через конденсатор CE
заземляється за змінним струмом, а в базу транзистора (рис. 7), тобто в цьому випадку емітер стає спільною точкою для вхідного і вихідного сигналів.
19
Рисунок 7 – Підсилювальний каскад зі спільним емітером
Вхідний опір підсилювального каскаду за схемою СЕ приблизно в разів більше, ніж за схемою СБ:
RCE |
r |
1 |
0,026 |
R |
|
||R . |
||
|
|
|
||||||
вх |
|
б |
|
ICE |
E |
б |
||
|
|
|
|
|
|
|
|
|
Вихідний опір дорівнює
RвихCE RK ||RH .
Коефіцієнт підсилення за струмом значно більший, ніж у схемі з СБ:
KICE Rг RгRвхCE RKRKRH .
Коефіцієнт підсилення за напругою також, як і у схемі з СБ, значно більший одиниці:
KCE |
RK ||RH |
. |
|
||
U |
R RCE |
|
|
г вх |
|
20