Материал: Методические указания к практическим работам по дисциплине «Интеллектуальные конструкторско-технологические системы». Турецкий А.В., Ципина Н.В

Внимание! Если размещение файла нарушает Ваши авторские права, то обязательно сообщите нам

Упражнение № 4 Использование привязок.

Задание: постройте три отрезка р1 – р2, р1 – р3 и р1 – р4 по образцу. Начальные точки отрезков лежат в центре окружности 01, а конечные в начале, в середине и в конце отрезка р2 – р4 соответственно, рис. 1.12.

 

Рис. 1.12. Использование привязок

1. Создайте новый документ-фрагмент.

2. Постройте окружность о1 и отрезок p2 - p4, как показано на рис. 1.12.

3. Активизируйте команду Отрезок инструментальной панели Геометрия .

4. В ответ на запрос системы Укажите начальную точку отрезка или введите ее координаты поместите курсор мышью приблизительно в центр окружности. После срабатывания привязки Ближайшая точка зафиксируйте точку щелчком левой клавиши мыши. О срабатывании привязки можно судить по появлению дополнительного, наклонного перекрестья или по появлению динамической подсказки.

5. Мышью переместите курсор в точку р2. После срабатывания привязки Ближайшая точка зафиксируйте точку щелчком левой клавиши мыши. Отрезок р1 – р2 построен.

6. Поместите курсор приблизительно в середину отрезка р2 – р4. Нажмите правую кнопку мыши, выберите команду Привязки/Середина. После срабатывания привязки Середина зафиксируйте точку щелчком левой клавиши мыши. Мышью переместите курсор в точку приблизительно в центр окружности. После срабатывания привязки Ближайшая точка зафиксируйте точку щелчком левой клавиши мыши. Отрезок р1 – р3 построен.

7. В настоящее время курсор находится в центре окружности. Здесь же начинается последний отрезок. Щелчком левой клавиши мыши зафиксируйте начальную точку отрезка р1 – р4. Мышью переместите курсор в точку р4. После срабатывания привязки Ближайшая точка зафиксируйте точку щелчком левой клавиши мыши. Отрезок р1 – р4 построен.

8. Завершите выполнение команды построения отрезков щелчком на кнопке Прервать команду.

9. Сохраните созданный документ в свою рабочую папку под именем Упр4.frw.

Упражнение № 5. Копия объектов по окружности.

Задание. Выполните чертеж, изображенный на рис. 1.13.

Рис. 1.13. Чертеж детали

1. Создайте новый документ типа фрагмент и сохраните его в своей папке.

2. Начертите две концентрические окружности: одна основной линией с отрисовкой осей радиусом 40 мм, другая окружность осевой линией без отрисовки осей радиусом 25 мм. Постройте окружность основной линией с осями радиусом 6 мм.

3. Выделите рамкой окружность с осями радиуса 6 мм.

4. Включите панель Редактирование . Воспользуйтесь панелью расширенных команд кнопки Копирование и активизируйте команду Копия по окружности, рис. 1.14

 

Рис. 1.14. Команда Копия по окружности

5. Установите параметры копирования по окружности (количество копий 6, равномерно по окружности (шаг 60). В ответ на запрос системы Укажите центр копирования по окружности зафиксируйте центр окружности (в данном случае – это начало координат). Нажмите Создать объект, затем Прервать команду.

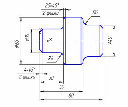
Задание. Постройте чертеж детали по заданным размерам, проставьте размеры, рис. 1.15.

Рис. 1.15. Чертеж детали

1. Создайте новый документ типа фрагмент и сохраните его под именем пр1.frw в папку своей лабораторной работы.

2. Активизируйте команду Непрерывный ввод объектов. Установите курсор в начало координат. Начальная точка зафиксирована. В данном случае проще строить, установив шаг курсора равный 5 (т.к. все линейные размеры кратны 5). Переместите вверх курсор 3 раза (15 мм), вправо 6 раз (30 мм), вверх 3 раза (15 мм), вправо 5 раз (25 мм), вниз 2 раза (10 мм), вправо 5 раз (25 мм); щелчком правой кнопки включите локальные привязки и выберите привязку Выравнивание, проведите линию вниз, рис. 1.16. Прервите команду.

Рис. 1.16. Ввод отрезков

3. Проведите осевую линию. Для этого активизируйте команду Ввод отрезка. Щелкните мышью на поле Стиль на строке параметров. Выберите текущий стиль линии – Осевая. Установите шаг курсора – 1. Установите курсор в начало координат. Переместите курсор на 3 шага влево и нажмите [Enter] (осевая линия выступает за контур детали не более 3 – 5 мм). Мышью переместите курсор в правую часть детали, переместите курсор на 3 шага вправо, нажмите [Enter] – осевая линия построена, рис. 15.

Рис. 1.17. Проведение осевой линии

4. Выполните фаски с катетом 4 мм. Для этого активизируйте команду Фаска, рис. 1.18. Установите величину катета равную 4 мм. Последовательно укажите вертикальную и горизонтальную линии. Фаски построены. Таким же образом постройте фаски с катетом 2,5 мм, рис. 1.19.

Рис. 1.18. Панель Фаска

Рис. 1.19. Выполнение фасок

5. Проведите вертикальные линии, рис. 18.

Рис. 1.20. Вертикальные линии к фаскам

6. Постройте скругления радиусом R4 между объектами самостоятельно. Нажмите кнопку Скругление. Обратите внимание на то обстоятельство, что при построении скруглений в данном случае вертикальный элемент перестраиваться не будет. Если при указании элементов вертикальный элемент будет первым, то необходимо включить дополнительную кнопку Усечение первого объекта. После построения скруглений изображение детали показано на рис. 19.

Рис. 1.21. Выполнение скруглений

7. Зеркально отобразите изображение относительно оси. Для этого выделите данное изображение, исключив ось.

Нажмите кнопку Редактирование, а затем Симметрия. Укажите последовательно две точки на оси (вторую точку можно указать в любом месте на оси, но координата Y должна быть в данном случае равна 0), прервите команду кнопкой Прервать команду и щелкните мышью на свободном поле чертежа, рис. 20.

Рис. 1.22. Зеркальное отображение

8. Проставьте размеры и сохраните документ.

Практическая работа №2. Построение скруглений, усечение кривой.

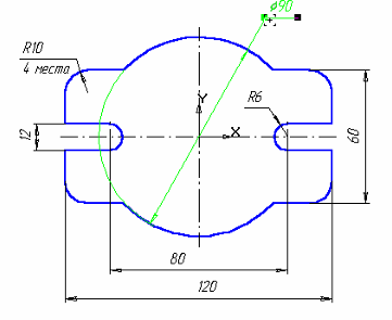
Задание. Постройте чертеж пластины, приведенный на рис. 1.23.

Рис. 1.23. Чертеж пластины

1. Создайте новый документ типа фрагмент и сохраните его на диске в своей рабочей папке под именем Пр2.frw.

2. Постройте прямоугольник. Оси, определяющие начало координат, должны располагаться в центре прямоугольника.

3. Постройте окружность радиусом 45 мм без отрисовки осей. Построенный чертеж приведен на рис. 1.24.

4. Выполните скругления с помощью инструмента Скругление на углах объекта, воспользовавшись Панелью расширенных команд, рис. 1.25. Установите радиус скругления равный 10 мм и включите кнопку Обработка углов контура на всех четырех углах, рис. 1.26. После установки параметров скруглений щелкните мышью на любой из сторон построенного прямоугольника.

Рис. 1.24. Построение фигур

Рис. 1.25. Панель скругление

Рис. 1.26. Панель свойств скругления

5. Построенный чертеж приведен на рис. 1.27. Удалите лишние линии. Активизируйте страницу Редактирование и нажмите клавишу Усечь кривую, рис. 1.28.

6. Устанавливайте курсор на удаляемые линии (рис. 1.29).

Рис. 1.27.

Рис. 1.28

7. Выполните пазы. Для этого постройте с помощью параллельных вспомогательных прямых параметры пазов – ширину паза и положение центров цилиндрической поверхности пазов, рис. 1.29.

Рис. 1.29

Командой Отрезок обведите горизонтальные линии, рис. 1.30. Командой Дуга по двум точкам, рис. 1.31, постройте необходимые дуги.

Рис. 1.30

Рис. 1.31. Панель построения дуг

8. Достройте осевые линии. Удалите лишние линии.

9. Проставьте необходимые размеры. В процессе простановки диаметра окружности равного 90 мм остается тонкая размерная дуга. Для ее удаления щелкните мышью на размерной линии, поместите курсор на узел, определяющий начало полки. Нажмите левую кнопку мыши и, не отпуская ее, переместите курсор немного выше, рис. 1.32.

Рис. 1.32. Полученная деталь

Практическая работа № 2 построение простых деталей в 3d

В работе необходимо построить простую деталь, внешний вид которой представлен на рис. 2.1.

Рис. 2.1. Деталь простой формы

Упражнение № 1. Создание простых деталей с использованием операций выдавливания, скругления ребер и выполнение оболочки.

1. Создайте новый документ Деталь. В открывшемся окне видны системные плоскости и слева панель Дерево модели (рис. 2.2). Для выполнения эскиза необходимо выбрать Плоскость XY и нажать кнопку Эскиз

Рис. 2.2. Панель Дерево модели

2. Построение эскиза дна. Для этого необходимо в произвольном месте построить прямоугольник. Затем с помощью панели Размеры и кнопки Линейный размер задайте размеры прямоугольника 10050 мм и привяжите его к центру плоскостей как на рис. 2.3.

Рис. 2.3. Прямоугольник

Выйдите из режима построения эскиза нажав опять на кнопку Эскиз . В дереве модели появится построенный эскиз. По умолчанию он называется Эскиз 1, однако его можно переименовать в соответствии с планом построения.

3. Необходимо в вкладке Редактирование детали выбрать кнопку Операция выдавливания как на рис. 2.4

Рис. 2.4. Выбор кнопки Операция выдавливания

В панели свойств задайте высоту выдавливания 50 мм. Как показано на рис. 2.5.

Рис. 2.5. Операция выдавливания

Нажмите на кнопку Создать объект.

С помощью колесика мыши можно уменьшать/увеличивать деталь. Нажав на колесико мыши и двигая ее можно вращать деталь. А нажав на колесико и кнопку Shift и двигая мышь можно перемещать деталь. Аналогичные кнопки есть в верхней панели .