Материал: Метода 3

Внимание! Если размещение файла нарушает Ваши авторские права, то обязательно сообщите нам

ЦЕЛЬ И ПРАКТИЧЕСКОЕ СОДЕРЖАНИЕ МЕТОДИЧЕСКИХ УКАЗАНИЙ Цель работы

Данная лабораторная работа направлена на изучение методики расчета параметров схем активных фильтров (Саллена и Кея), режимов их работы путём моделирования с помощью программного пакета Simulink и закрепления теоретического материала по разделу «Активные фильтры».

Краткое содержание

Внастоящих указаниях приводятся описание активных фильтров (Саллена

иКея), принципов их работы и методики расчета параметров схем.

ЗАДАНИЕ 1. Исследовать активный фильтр нижних частот второго порядка

Рассчитать параметры элементов фильтра Саллена и Кея по прилагаемой ниже методике.

Построить схему активного фильтра нижних частот, установив расчётные параметры элементов.

Построить АЧХ смоделированного фильтра.

Из полученных результатов определить:

коэффициент передачи фильтра в полосе пропускания (сравнить с расчётным);

частоту среза;

крутизну ската АЧХ.

Оценить чувствительность фильтра к погрешностям параметров каждого элемента фильтра.

ЗАДАНИЕ 2. Исследовать активный фильтр верхних частот второго порядка

Аналогично заданию 1

КРАТКИЕ ТЕОРЕТИЧЕСКИЕ СВЕДЕНИЯ Фильтры

Фильтры предназначены для изменения спектрального состава сигнала. Их называют также селективными (избирательными) устройствами.

Области применения фильтров:

уменьшение помех и шумов в аналоговых сигналах путем ограничения их спектров сверху и снизу, или вырезания узких полос,

2

ограничение спектров полезных сигналов с допустимой потерей информации для уменьшения объемов файлов при последующем преобразовании в цифровую форму,

уплотнение каналов передачи информации в радиосвязи,

обработка сигналов в аппаратуре записи и воспроизведения звука для улучшения верности воспроизведения.

Классификация фильтров

1. По использованию в структуре фильтра усилительных устройств и способу формирования частотной характеристики:

пассивные

активные

Сигнал на выходе пассивного фильтра можно усилить. Однако, в активных фильтрах используют не столько усиление, сколько свойства схем с обратными связями. Для этого частотно-зависимые цепи включаются как в цепь прямой передачи сигнала, так и в цепь обратной связи.

2. По виду частотной характеристики (см. рис.1): а) фильтр пропускания нижних частот (ФНЧ), б) фильтр пропускания верхних частот (ФВЧ), в) полосовой фильтр, г) режекторный (заграждающий) фильтр.

На рис.1. показаны амплитудно-частотные характеристики фильтров. Сплошными линиями показаны идеализированные характеристики, пунктирными – реальные.

Рис.1. Амплитудно-частотные характеристики фильтров.

3

Преимущества активных фильтров (в сравнении с пассивными)

из схемы исключаются индуктивности (катушки индуктивности имеют большие габариты и низкую температурную стабильность)

возможно получить большой коэффициент передачи в полосе пропускания

возможно минимизировать коэффициент передачи с выхода на вход фильтра (необходимо для обеспечения устойчивости системы, в которой установлен фильтр)

относительно простая настройка фильтра

для очень низких частот среза фильтры могут быть построены на сопротивлениях и ёмкостях, имеющих умеренные величины

имеют малые размеры и массу (могут иметь микроэлектронное исполнение)

Недостатки активных фильтров (в сравнении с пассивными)

требуют источник питания

имеют ограничение на амплитуды сигналов (из-за возможности насыщения усилителей)

верхняя граница рабочих частот фильтра ограничена частотными свойствами усилителя

требуется обеспечить устойчивость схемы

не могут использоваться в цепях питания

ФНЧ второго порядка

Существуют различные схемные реализации активных фильтров, например, в работе будем рассматривать схемы активных фильтров Саллена и Кея (см. рис.2,3).

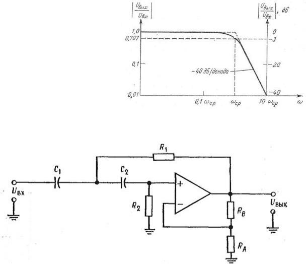
Рис.2. Схема ФНЧ второго порядка

Т.к. в схему включены две частото-зависимые цепи:

1)в цепь обратной связи включены C1 R2

2)в цепь прямой передачи сигнала включены R1 R2 C2.

4

такая схема называется фильтром второго порядка.

Каждая из RC-цепей вносит в АЧХ на переходном участке наклон в –20 дБ/дек (–6 дБ/октава). В итоге ФНЧ имеет общую крутизну ската АЧХ величиной– 40 дБ/дек.

ФВЧ второго порядка

Рис.4. Схема ФВЧ второго порядка

Всхему включены две частото-зависимые цепи:

1)в цепь обратной связи включены R1 C2

2)в цепь прямой передачи сигнала включены R2 C1 С2.

Эти схемы популярны и имеют малую стоимость, и их легко настраивать. Сопротивления RА и RВ составляют делитель выходного напряжения для цепи обратной связи. Глубину обратной связи и частотные характеристики

фильтра (в том числе и в схемах фильтров Саллена и Кея) определяет аппроксимирующий полином. Аппроксимирующие полиномы (Баттерворта, Бесселя, Чебышева) отвечают за крутизну ската АЧХ, неравномерность в полосе пропускания фильтра. Параметром, который позволяет построить фильтр с нужной характеристикой, является коэффициент α, с помощью которого производится расчёт значений сопротивлений RА и RВ. Однако эти значения не влияют на коэффициент передачи фильтра (как показано в расчетах ниже).

В ФНЧ все RC-цепи– интегрирующие, а в ФВЧ – дифференцирующие. Если R1=R2 и C1=C2 параметры таких фильтров легко рассчитать.

Методика расчета параметров элементов схемы

1) В ФНЧ с равными элементами (R1=R2 иC1=C2) расчет начинают с выбора типа фильтра: ФНЧ или ФВЧ.

5

2) Затем необходимо определить желаемый вид аппроксимирующего полинома для частотной характеристики и граничную частоту, при которой начинается (для ФНЧ) или заканчивается (для ФВЧ) полоса пропускания фильтра –частота среза fСР. В некоторых фильтрах эта частота не совпадает с частотой, при которой уровень выходного сигнала изменяется на –3дБ. Но в этом

случаеfСР определяется из отношенияαε = 3дБ .

СР

3)Значения R1=R2=R и C1=C2=C рассчитываются из соотношения СР = 2 1 . Возможно, этот шаг придётся повторить несколько раз, чтобы найти разумное

значение для R (в интервале не меньше1 кОм и не больше 50 кОм).

4)

Зададим значения RА(в интервале не меньше1 кОм и не больше 10 кОм), которое, например, удобно выбрать из условия равенства всех сопротивлений RА=R1=R2=R и рассчитаем значение RВ из соотношения:

RВ = (2 – α) ∙ RА.

Параметры разных типов фильтров приведены в табл. ниже.

Тип фильтра

α

ε

Баттерворта

1,414

1,000

Бесселя

1,732

0,785

Чебышева

 

 

неравномерность – 0,5 дБ

1,578

1,390

неравномерность – 1 дБ

1,059

1,218

 

 

 

неравномерность – 2 дБ

0,886

1,074

 

 

 

неравномерность – 3 дБ

0,766

1,000

 

 

 

ПОРЯДОК ВЫПОЛНЕНИЯ РАБОТЫ

1. Запустить программу

ЗАДАНИЕ 1. Исследовать активный ФНЧ второго порядка

2.Выбрать вид аппроксимирующего полинома для частотной характеристики

изадать частоту среза fСР(ок.1÷2 кГц), включить в отчет.

3.Рассчитать значения R и C (расчеты включить в отчет).

4.Задать значение RА, и рассчитать значение RВ (расчеты включить в отчет). 5.Рассчитать коэффициент передачи (расчеты включить в отчет).

6. Смоделировать в программе схему ФНЧ (скриншот включить в отчет).

6