Материал: Лабораторный практикум Ч 1

Внимание! Если размещение файла нарушает Ваши авторские права, то обязательно сообщите нам

Контрольные вопросы

1.Каковы физический смысл и единицы измерения коэффициента теплопередачи?

2.С какой целью в межтрубном пространстве теплообменника размещены сегментные перегородки?

3.Какие параметры исследуемого теплообменника влияют на величину коэффициента теплопередачи?

4.Термическое сопротивление какой стадии теплопередачи оказалось лимитирующим в выполненной Вами работе?

5.Каково максимальное значение (в теоретическом пределе) коэффициента теплопередачи для данного теплообменника?

6.Как изменится коэффициент теплопередачи в исследуемом Вами аппарате, если в нём стеклянные трубки заменить на медные такого же размера?

7.Изменится ли коэффициент теплопередачи в исследуемом теплообменнике, если из 19 трубок 9 будут заглушены (при прочих равных условиях)?

8.Как выполнить расчёт коэффициента теплопередачи по формуле (8.1),

если в эксперименте окажется, что Т1 = Т2?

9.Для чего предназначен ротаметр и каков принцип его действия?

10.Что означают буквы «F» и «I» на условном обозначении прибора на схеме установки?

81

Tср

ЛАБОРАТОРНАЯ РАБОТА 9

ИНТЕНСИВНОСТЬ ТЕПЛОПЕРЕДАЧИ В ПЛАСТИНЧАТОМ ТЕПЛООБМЕННИКЕ

Теплообменный аппарат из собранных в пакет гофрированных пластин имеет параллельные щелевые каналы, разграниченные пластинами.

Все каналы разделены на две группы. Условно назовём каналы одной группы как «чётные», а другой – «нечётные». По «чётным» каналам движется один теплоноситель, по «нечётным» – другой.

Перенос теплоты от более горячей жидкости к менее горячей в таком аппарате осуществляется через стенки пластин.

Интенсивность теплообмена между жидкостями определяется величиной коэффициента теплопередачи (KТ), который, согласно основному уравнению теплопередачи, равен:

KT эксп

Q

 

,

(9.1)

 

 

T

 

 

A

 

 

ср

 

 

 

где Q – количество теплоты, передаваемой в единицу времени от одного теплоносителя к другому, или тепловой поток; – средняя вдоль по-

верхности теплообмена разность температур теплоносителей; А – площадь поверхности теплообмена.

При заданных расходах теплоносителей и известных физических свойствах потоков, величина коэффициента теплопередачи может быть рассчитана по уравнению аддитивности термических сопротивлений. Без учёта термических сопротивлений загрязнений теплообменной поверхности это уравнение имеет вид:

 

1

 

ст

 

1

1

 

KT расч

 

 

 

,

(9.2)

1

ст

2

 

 

 

 

 

 

где 1 и 2 – коэффициенты теплоотдачи соответственно от горячего теплоносителя к стенке и от стенки к холодному теплоносителю; ст – толщина стенки (теплопередающей пластины); ст – теплопроводность материала

82

стенки (пластины).

Цель работы: экспериментальное определение коэффициента теплопередачи в пластинчатом теплообменнике; сравнение экспериментально полученного значения со значением, рассчитанным по уравнению аддитивности термических сопротивлений.

Описание установки

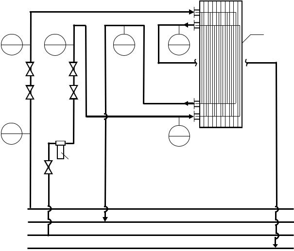
Схема лабораторной установки изображена на рис. 9.1.

ТО

FI

FI

T I

T I

2

3

4

5

В

В

 

 

К

К2

 

 

T I

 

 

T I

 

 

 

1

 

 

6

 

 

 

 

 

Ф

 

 

К3

 

 

 

 

 

Вода горячая прямая

 

 

 

Вода горячая обратная

 

 

 

Вода холодная

 

 

 

Канализация

Рис. 9.1. Схема лабораторной установки для определения коэффициента теплопередачи в пластинчатом теплообменнике

83

Основным элементом установки является вертикальный пластинчатый теплообменник ТО, собранный из 38 пластин толщиной ст = 0,6 мм и площадью поверхности 0,04 м2 каждая. Количество теплопередающих пластин – 37 шт.

Количество каналов: для горячего теплоносителя N1 = 19 шт.; для холодного теплоносителя N2 = 19 шт. Ширина каждого канала b = 95 мм, зазор между пластинами t = 2,9 мм.

Сталь марки AISI316, из которой выполнены пластины, имеет в рабочем интервале температур 20–50 °С теплопроводность

λст = 15,2 Вт/(м·К).

Теплообмен в аппарате осуществляется между горячей и холодной водой, движущимися противоточно.

Горячая вода поступает в теплообменник из автономной системы горячего водоснабжения. Её расход регулируется вентилем В1 и измеряется ротáметром (поз. 2).

Холодная вода поступает в теплообменник из водопровода, предварительно проходя через фильтр Ф. Её расход регулируется вентилем В2 и измеряется ротаметром (поз. 3).

Расходы воды через указанные ротаметры определяются по шкалам, нанесённым на стеклянные трубки приборов и имеющих градуировку в

«л/мин» («LPM»).

Температуры теплоносителей на входе в теплообменник и на выходе из него измеряются электронными термометрами (поз. 1, 4, 5, 6).

Методика выполнения работы

Перед подачей теплоносителей в теплообменник необходимо убедиться, что краны К1 и К2 на соответствующих линиях закрыты.

Далее рекомендуется выполнить следующие действия:

1.Включите электронные термометры (поз. 1, 4, 5, 6).

2.Включите насос подачи горячей воды из автономной системы горячего водоснабжения на установку.

3.Откройте кран К1. С помощью вентиля В1 установите по ротаметру (поз. 2) заданный расход горячей воды. Расход жидкости определяют по

84

отметке шкалы, обозначенной верхним краем поплавка.

4.Отслеживайте показания термометров (поз. 1) и (поз. 4). На стадии пуска установки значения температур воды, измеряемые этими приборами, будут увеличиваться от комнатной температуры до температуры в системе горячего водоснабжения. Следует дождаться момента стабилизации обеих температур во времени.

5.Откройте краны К3 и К2. С помощью вентиля В2 установите по ротаметру (поз. 3) заданный расход холодной воды.

6.Отслеживайте показания электронных термометров (поз. 1, 4, 5, 6) для каждой соответствующей точки контроля на установке.

Дождитесь стационарного режима теплообмена, характеризуемого постоянством во времени каждой фиксируемой температуры.

Отметьте расходы и температуры теплоносителей при стационарном теплообмене.

7.Закончив опыт, выключите насос, закройте вентиль В1 и кран К1, а спустя 1–2 мин – вентиль В2 и кран К2, а также кран К3.

Обработка экспериментальных данных

1. Рассчитайте экспериментальное значение коэффициента теплопередачи (KТ эксп) используя формулу (9.1). Для этого необходимо в первую очередь рассчитать тепловой поток в теплообменном аппарате.

Количество теплоты, отдаваемой в единицу времени горячим теплоносителем, определяется по формуле:

Q1 hhm1 hh1к 1н V,

(9.3)

а количество теплоты, воспринимаемой в единицу времени холодным теплоносителем, – по формуле:

Q2 h2 к h2 н m2 h2 к h2 н 2 н V2 н ,

(9.4)

где hи h– удельные энтальпии горячей воды при её температурах на входе в теплообменник и выходе из теплообменника соответственно, Дж/кг; hи h– удельные энтальпии холодной воды при её температурах на входе в теплообменник и выходе из теплообменника соответственно,

85