При данном суточном износе трансформатор оказался недогружен, то есть не использует свои возможности по полной. Необходимо дополнительно его нагрузить или при выборе трансформатора взять его меньшей мощности.
По значению коэффициента износа и следующим ограничениям можно определить вид графика нагрузки.
График нагрузки при
не
превышение приведенных ниже ограничений
следует относить к графикам допустимых
систематических нагрузок.

Рисунок
30 – Норма допустимых систематических
нагрузок трансформаторов


Рисунок 31 – Норма допустимых аварийных перегрузок
Для системы охлаждения Д и температуры
охлаждающей среды 10
,
значение допустимой нагрузки
и
аварийной перегрузки
в [1, табл.1.36].
Ограничения по температуре:




В ходе определения допустимых нагрузок и перегрузок было выявлено, что график нагрузки ТСН (ТРДНС-25000/10) относится к графикам допустимых систематических нагрузок и работа ТСН при таком графике нагрузки допустима.

Рисунок 32 – Тепловая электрическая
станция (рисунок общего вида)
Подготовка топлива:
Со склада угля топливо по ленточному транспортеру поступает в дробилку (12, рисунок 32), где размалывается до фракций 10-25 мм и поступает в бункер сырого угля (5, рисунок 32). Из бункера сырого угля дробленное топливо и первичный воздух подаются в шаровую барабанную мельницу (ШРБ), где уголь доводится до пылевидного состояния и затем пылевоздушная смесь поступает в сепаратор (7, рисунок 32). В сепараторе происходит отделение крупных фракций угля от пыли, которые вновь возвращаются на домол в ШРБ, а пылевоздушная смесь поступает в циклон (8, рисунок 32). Циклон применяется для отделения готовой угольной пыли от транспортирующего воздуха. Готовое топливо в виде угольной пыли далее поступает в бункер пыли (6, рисунок 32).
Сжигание топлива:
В топку котла через горелку вводится топливо (угольная пыль) и воздух. Здесь происходит преобразование химической энергии топлива в тепловую энергию продуктов сгорания. Часть этой энергии передается непосредственно рабочей среде. Остальная часть в виде теплоты продуктов сгорания покидает топку и используется в последующих конвективных поверхностях. После сгорания топлива получаются дымовые газы, зола шлак. Дымовые газы с помощью дымососов (17, рисунок 32) подаются в дымовую трубу и рассеиваются в верхних слоях атмосферы. Предварительно из дымовых газов с помощью золоуловителей (19, рисунок 32) удаляется зола. Шлак через сетку пола в топке котла посредством смывных устройств вместе с золой подается в самотечные каналы гидрозолоудаления (18, рисунок 32). Далее, багерными насосами по золопроводам смесь подается на золоотвал.
Пароводяной тракт:
Подогретый пар из котла (3, рисунок 33) поступает в цилиндр высокого давления (ЦВД, 5, рисунок 33) паровой турбины. На рис.2 элемент 4 – пароперегреватель. После ЦВД пар возвращается в котел и поступает в промежуточный пароперегреватель, в котором подогревается до температуры свежего пара и затем в цилиндр низкого давления паровой турбины (ЦНД, 6 на стр.33). Из турбины пар поступает в конденсатор турбины (11, рисунок 33). Далее конденсат прокачивается конденсатным насосом (12, рисунок 33) через подогреватель низкого давления (ПНД, 15, рисунок 33) в деаэратор (19, рисунок 33). В деаэраторе вода освобождается от растворенных в ней агрессивных газов и доводится до кипения. Деаэрированная питательная вода питательным насосом (20, рисунок 33) подается через подогреватель высокого давления (ПВД, 21, рисунок 33) в котел. Тем самым замыкается пароводяной тракт.
Система технологического водоснабжения:
Для охлаждения в конденсаторе отработавшего пара требуется большое количество охлаждающей технологической воды. При близком расположении реки или водоема применяется прямоточная система водоснабжения, когда технологическая вода с помощью циркуляционного насоса (13, рисунок 33) забирается непосредственно из этих источников и пройдя через конденсатор сбрасывается. При большом удалении источника водоснабжения применяется система оборотного водоснабжения. При такой системе отработавшая в конденсаторе вода не сбрасывается, а подается в градирню, где охлаждается и снова подается в конденсатор для охлаждения пара. Часть технологической воды после соответствующей очистки в водоподготовительной установке (16, рисунок 33) пополняет тракт питательной воды.

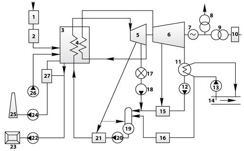
Рисунок 33 – Технологическая схема ТЭС
Топливное хозяйство; 2. Подготовка топлива; 3. Котел; 4. Промежуточный пароперегреватель; 5. Часть высокого давления паровой турбины (ЧВД или ЦВД); 6. Часть низкого давления паровой турбины (ЧНД или ЦНД); 7. Электрический генератор; 8. Трансформатор собственных нужд; 9. Трансформатор связи; 10. Главное распределительное устройство; 11. Конденсатор; 12. Конденсатный насос; 13. Циркуляционный насос; 14. Источник водоснабжения (например, река); 15. Подогреватель низкого давления (ПНД); 16. Водоподготовительная установка (ВПУ); 17. Потребитель тепловой энергии; 18. Насос обратного конденсата; 19. Деаэратор; 20. Питательный насос; 21. Подогреватель высокого давления (ПВД); 22. Шлакозолоудаление; 23. Золоотвал; 24. Дымосос (ДС); 25. Дымовая труба; 27. Дутьевой вентилятор (ДВ); 28. Золоуловитель.
Топливное хозяйство в зависимости от вида используемого на станции топлива включает приемно-разгрузочное устройство, транспортные механизмы, топливные склады твердого и жидкого топлива, устройства для предварительной подготовки топлива (дробильные установки для угля). В состав мазутного хозяйства входят также насосы для перекачки мазута, подогреватели мазута, фильтры.
Подготовка твердого топлива к сжиганию состоит из размола и сушки его в пылеприготовительной установке, а подготовка мазута заключается в его подогреве, очистке от механических примесей, иногда в обработке спецприсадками. С газовым топливом все проще. Подготовка газового топлива сводится в основном к регулированию давления газа перед горелками котла.
Необходимый для горения топлива воздух подается в топочное пространство котла дутьевыми вентиляторами (ДВ). Продукты сгорания топлива — дымовые газы — отсасываются дымососами (ДС) и отводятся через дымовые трубы в атмосферу. Совокупность каналов (воздуховодов и газоходов) и различных элементов оборудования, по которым проходит воздух и дымовые газы, образует газовоздушный тракт тепловой электростанции (теплоцентрали). Входящие в его состав дымососы, дымовая труба и дутьевые вентиляторы составляют тягодутьевую установку. В зоне горения топлива входящие в его состав негорючие (минеральные) примеси претерпевают химико-физические превращения и удаляются из котла частично в виде шлака, а значительная их часть выносится дымовыми газами в виде мелких частиц золы. Для защиты атмосферного воздуха от выбросов золы перед дымососами (для предотвращения их золового износа) устанавливают золоуловители.
Шлак и уловленная зола удаляются обычно гидравлическим способом на золоотвалы.
При сжигании мазута и газа золоуловители не устанавливаются.
При сжигании топлива химически связанная энергия превращается в тепловую. В результате образуются продукты сгорания, которые в поверхностях нагрева котла отдают теплоту воде и образующемуся из нее пару.
Совокупность оборудования, отдельных его элементов, трубопроводов, по которым движутся вода и пар, образуют пароводяной тракт станции.
В котле вода нагревается до температуры насыщения, испаряется, а образующийся из кипящей котловой воды насыщенный пар перегревается. Из котла перегретый пар направляется по трубопроводам в турбину, где его тепловая энергия превращается в механическую, передаваемую на вал турбины. Отработавший в турбине пар поступает в конденсатор, отдает теплоту охлаждающей воде и конденсируется.
В данном курсовом проекте были исследованы различные режимы работы электрооборудования собственных нужд электрической станции.
Сперва были рассчитаны установившиеся режимы в 2-х случаях: когда в работе трансформатор собственных нужд и отключен резервный, и когда в работе резервный, но отключен основной трансформатор собственных нужд.
Проведены мероприятия по регулировке напряжений установившегося режима, а именно изменение коэффициента трансформации ТСН и РТСН с помощью РПН. На ТСН выбрана 4 отпайка, на РТСН 2 отпайка.
Далее были рассчитаны различные аварийный режимы:
КЗ на одном маломощном АД, для исследования самозапуска ответственных мощных двигателей после ликвидации авариного режима. Самозапуск двигателей успешный.
КЗ на секции А с.н. с отключением низкой стороны трансформатора с.н. максимальной токовой защитой и исследование самозапуска двигателей на предмет времени самозапуска и возможное облегчение самозапуска превентивным отключением неответственных двигателей. Действие резервной защиты трансформатора увеличивает время действия КЗ на электрооборудование и усложняет самозапуск АД, но в данном случае самозапуск осуществился в полном объеме менее чем за 4 с.
КЗ на высокой стороне трансформатора с.н., срабатывание основной быстродействующей защиты (дифференциальной) и действие АВР с подключением отключенных секций к резервному трансформатору;
КЗ на высокой стороне тр-ра с.н., отказ основной защиты и срабатывание резервной защиты (МТЗ), исследование самозапуска двигателей в таком тяжелом режиме. Увеличение времени самозапуска АД. Полное время самозапуска АД не превышает 5 с.
Во всех проведенных КЗ самозапуск
успешен без проведения дополнительных
мероприятий по отключению неответственных
АД на шинах с.н. Самозапуск двигателей
с.н. во всех проведенных опытах
удовлетворяет условию
для ТЭС, применяющие котлы высокого
давления.
Отказ системы АВР с последующими действиями обслуживающего персонала станции. Отказ АВР привел к полной остановке всех двигателей по причине исчезновения питания на секциях шин с.н. Спустя 5 с после полной остановки всех АД рабочий персонал включил секцию А с.н. через резервный ТСН. Для облегчения самозапуска мощных ответственных АД были отключены менее мощные неответственные АД, затем после полного запуска ответственных АД были запущены неответственные. Полный запуск всех двигателей секции А с.н. был осуществлен через 222 с. Запуск АД Д оказался самым долгим из-за большой постоянной инерции двигателя. После запуска секции А с.н. была запущена секция Б с.н. с таким же порядком действий, как и секция А с.н. Полный запуск всех двигателей занял 290 с. Напряжение секции А с.н. при этом не удовлетворяло допустимому отклонению напряжения. Было предложено мероприятие по повышению напряжения на секции А с.н. – регулирование коэффициента трансформации с помощью автоматики. Таким образом, напряжение удалось повысить до допустимого предела, но при этом усложнился запуск АД РВ, но это не повлияло на запуск остальных двигателей, поэтому можно принять такой режим работы. Полное время запуска АД не изменилось.
В итоге в результате отказа АВР случилась серьезная технологическая авария. Время перерыва питания АД с.н. достигло недопустимых значений (около 75 с), поэтому рабочему персоналу пришлось вручную подключать секции с.н. по отдельности для успешного самозапуска всех двигателей с.н.
Неклепаев Б.Н., Крючков И.П. Электрическая часть электростанций и подстанций: Справочные материалы для курсового и дипломного проектирования: Учебное пособие для вузов. - М.: Энергоатомиздат, 1989. - 608 с.:ил.
Режимы работы и эксплуатации электрооборудования электрических станций: учебное пособие / Н.В.Коломиец, Н.Р.Пономарчук, Г.А.Елгина; Томский политехнический университет. – Томск: Изд-во Томского политехнического университета, 2015. – 80 с.
Собственные нужды тепловых электростанций / Э.М. Аббасова, Ю.М. Голоднов, В.А. Зильберман, А.Г. Мурзаков; под ред. Ю.М. Голоднова. – М.: Энергоатомиздат, 1991. – 272 с.: ил.