ИС реализует алгоритмы управления режимами эксперимента с целью контроля температурных характеристик.
ИС реализует алгоритмы управления режимами эксперимента с
целью контроля температурных характеристик, алгоритмы определения значений
температуры плавления и кристаллизации различных материалов, например, животных
жиров [23].
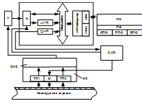
Рисунок 2.4 - Структурная схема измерительной системы
ИС позволяет неразрушающим способом определять температурные точки плавления жиров, что может служить признаком для решения вопроса о происхождении мяса, так как по точке плавления жира можно легко отличить конину от говядины или свинину от мяса собаки.
Разностные ЭДС, полученные на зажимах микротермопар 6,
поступают в усилитель ZET 410, а уже усиленные сигналы - на вход измерительно
управляющей платы.
.4 Порядок осуществления измерительных операций
При практическом использовании рассматриваемого метода измерительные операции осуществляют в следующем порядке:
. Калибровка ИС.
. ИЗ устанавливают контактной стороной на поверхность исследуемого двухслойного объекта. Для уменьшения влияния контактных термических сопротивлений необходимо обеспечить постоянную силу прижатия ИЗ к объекту исследования.
. Систему необходимо какое-то время выдержать при одинаковой температуре для выравнивания температуры исследуемого объекта и измерительного зонда.
. В момент времени, соответствующий началу активной стадии эксперимента, на нагреватель подают постоянную электрическую мощность, что позволяет с достаточной точностью задать постоянную во времени величину теплового потока q = const.
. На протяжении всей активной стадии эксперимента выполняют измерения во времени значений температуры в точках контроля (центре нагревателя и на расстоянии l от центра) и значений электрической мощности. Разностные ЭДС, полученные на термопарах, усиливаются усилителем. Полученные сигналы преобразуются в аналого-цифровом преобразователе и поступают на персональный компьютер для обработки информации в соответствии с математической моделью метода.
. Выделяют рабочий участок и определяют его продолжительность. Рабочий участок термограммы характеризуется регуляризацией тепловых потоков (тепловые потоки, проходящие через точки контроля, становятся практически постоянным). Этот участок термограммы будет описываться уравнением прямой.
. После завершения активной части эксперимента выключают нагреватель и производят обработку полученных данных.
. Производят вычисление коэффициентов модели, описывающей термограммы на рабочих участках.
. Определяют теплофизические свойства покрытия или h1 по соотношениям, полученным в результате анализа математической модели объекта исследования.
. Производят обработку экспериментальных термограмм а) Т1=f(τ), б) Т2=f(τ).
11. Делают заключение о показателях качества (наличии или
отсутствии дефекта) в исследуемом объекте.
2.5 Выводы по главе 2
Для повышения точности определения тепопроводности при НК определения двухслойных материалов исследуется система, состоящая из ограниченного и двух полуограниченных тел.
Для эксперимента была выбрана измерительная схема метода НК определения металлических изделий с ПВХ
покрытием. Данная измерительная система реализует алгоритмы управления режимами
эксперимента с целью контроля температурных характеристик полимера,
выполненного из ПВХ. Выбран для использования круглый плоский источник тепла
постоянной мощности, встроенный в измерительный зонд.
3. Свойства материалов, применяемых для изготовления
двухслойных полимерно-металлических изделий
Свойства поливинилхлорида.
Поливинилхлорид (ПВХ) относится к термопластичным синтетическим материалам. В зависимости от условий полимеризации образуются продукты различной степени полимеризации с различными физико-химическими свойствами.
Материалы на основе ПВХ вырабатываются двух видов:
с ПВХ совмещается со многими пластификаторами (например фталатами, себацинатами, фосфатами), стоек к окислению и практически не горюч. Поливинилхлорид обладает невысокой теплостойкостью, при нагревании выше 100 ºС заметно разлагается с выделением HCL. Для повышения теплостойкости и улучшения растворимости ПВХ подвергают хлорированию.
Поливинилхлорид является достаточно недорогим в экономическом отношении термопластом, пригодным для широкого применения. Для того чтобы сделать поливинилхлорид пригодным для переработки, обычно добавляют различные целевые применением пластификатора (пластифицированный ПВХ);
без применения пластификатора (не пластифицированный ПВХ).
По внешнему виду товарный ПВХ представляет собой порошок белого цвета, без вкуса и запаха. ПВХ достаточно прочен, обладает хорошими диэлектрическими свойствами.
ПВХ не растворим в воде, устойчив к действию кислот, щелочей, спиртов, минеральных масел, набухает и растворяется в эфирах, кетонах, хлорированных и ароматических углеводородахдобавки (стабилизаторы, смазки, пигменты, модификаторы и т.п.)
Для получения защитных лакокрасочных покрытий используют порошкообразный поливинилхлорид и дисперсии поливинилхлорида в пластификаторе (пластизоли) или смеси пластификатора с органическими растворителями (органозоли). Растворителями служат уайт-спирит, ксилол, толуол, ацетон, бутилацетат [18].
Основное различие поливинилхлорида различных марок состоит в величине средней молекулярной массы, которая характеризуется величиной К - константой Фикентчера.
Наиболее распространенный поливинилхлорид, полученный методами суспензионной или эмульсионной полимеризации, имеет молекулярную массу в пределах 5·104-10·104 (n=800-1600). Он отличается высокой химической стойкостью, устойчив к окислению и практически не горюч, что предопределяет широкое применение в различных областях промышленности [19].
Известный поливинилхлорид имеет константу Фикентчера K=63-65, содержание влаги и летучих веществ 0,4-0,5% по масcе, насыпную плотность 600-700 кг/м3 [32].
Суспензионный поливинилхлорид получают в водной среде в виде суспензии с размером частиц 75-150 мкм. Растворимость поливинилхлорида в органических растворителях при обычной температуре очень ограничена.
4. Имитационное исследование метода неразрушающего контроля
Важнейшим этапом моделирования тепловых процессов является исследование математической модели. От полноты этого исследования во многом зависит эффективность применения математической модели к изучению явления, и, вообще говоря, ее практический смысл.
Создание задачи
Произведем имитационное исследование с помощью пакета программ Еlcut Student [6].
Программный пакет Elcut - это компьютерная программа для проведения инженерного анализа и двумерного моделирования методом конечных элементов. Компьютерное моделирование и численный анализ в промышленности позволяет избежать дорогостоящих и длительных натурных испытаний, ускоряет, дополняет и иллюстрирует процесс проектирования и разработки, способствует развитию инженерной интуиции. Еlcut может выполнять линейный и нелинейный стационарный тепловой анализ в плоской и осесимметричной постановке. Формулировка задачи основывается на стационарном уравнении теплопроводности с граничными условиями радиационного и конвективного теплообмена.
Для создания задачи и дальнейших расчетов будем руководствоваться следующей последовательностью действий.
Создаем новую задачу (рисунок 4.1).
В диалоговом окне выбираем тип задачи - теплопередача нестационар-ная, класс модели - осесимметричная, расчет - обычный, система координат - декартовая, единицы длины - миллиметры.
Задаем временные параметры решения задачи (рисунок 4.2).
Рисунок 4.1 - Создание задачи.
Рисунок 4.2 - Временные параметры.
Задаем в диалоговом окне интегрирование по времени до 600 с, шаг интегрирования 10 с, вывод решения в файл - каждые 10 с.
Открываем окно основной программы в двухмерном пространстве. Мы видим рабочую область с координатными осями и кнопками для рисования геометрии (рисунок 4.3). Также в верхней части экрана есть стандартные кнопки для выполнения операций с файлом и буфером обмена; и кнопки управляющие параметрами решения задачи.
Приступим к заданию геометрии задачи, с помощью команд (рисования) в открывшемся поле.
Выстраиваем геометрию задачи, исходя из размеров объектов
исследования и подложки и нагревателя ИЗ, в дальнейшем планируемых
использоваться в проведении эксперимента. Следует отметить, что модель задается
симметричной относительно горизонтальной оси (рисунок 4.4.)
Рисунок 4.3 - Рабочая область создания геометрии.
Рисунок 4.4 - Построение геометрии задачи.
Размер подложки ИЗ: высота 20 мм, радиус 25 мм. Размеры объекта: толщина полимера 1 мм, толщина металлического основания 10 мм. Нагреватель радиусом 10 мм, высотой 1 мм.
Исходя из выстроенных блоков в модели, создаем каждому блоку
задачи свою метку (рисунок 4.5: полимер, нагреватель, подложка зонда, сталь
40).
Рисунок 4.5 - Задатчик метки блоков.
Таблица 4.1 - Теплофизические свойства объектов
|
Метка блока |
Теплопроводность λ, Вт/(м∙К) |
Теплоемкость c, Дж/(кг∙К) |
Плотность ρ, кг/м3 |
|
1. Полимер |
0,12 |
1260 |
125 |
|
2. Нагреватель |
400 |
385 |
8890 |
|
3 Подложка зонда |
0,028 |
1270 |
50 |
|
4. Сталь 40 |
47 |
462 |
7800 |
Задаем теплофизические свойства каждой метки блока (табл. 4.1, рисунки 4.6 - 4.9).
Выбираем свойства метки блока - полимер (рисунок 4.6).
Выбираем свойства метки блока - нагреватель (рисунок 4.7).
Рисунок 4.6 - Задание свойств метки блока «полимер».
Рисунок 4.7 - Задание свойств метки блока «нагреватель».
Выбираем свойства метки блока - подложка зонда (рисунок 4.8).
Выбираем свойства метки блока - сталь 40 (рисунок 4.9).
Рисунок 4.8 - Задание свойств метки блока «подложка зонда».
Рисунок 4.9 - Задание свойств метки блока «сталь 40».
Переходим к заданию граничных условий. Открываем вкладку
«метки ребер» и задаем параметры граничных условий на каждой метке ребра:
внешние, идеальный тепловой контакт, нагреватель, ось симметрии (рисунки 4.10 -
4.16).
Рисунок 4.10 - Создание меток ребёр.
Выбираем свойства метки ребра - внешние (рисунок 4.11).
Выбираем свойства метки ребра - идеальный тепловой контакт
(рисунок 4.12).
Рисунок 4.11 - Свойства метки ребра «внешние».
Рисунок 4.12 - Свойства метки ребра «идеальный тепловой
контакт».
Выбираем свойства метки ребра - нагреватель (рисунок 4.13).
Рисунок 4.13 - Свойства метки ребра «нагреватель».
Рисунок 4.14 - Свойства метки ребра «ось симметрии»
Выбираем свойства метки ребра - ось симметрии (рисунок 4.14.)
После задания всех свойств и граничных условий производим
построение сетки конечных элементов, распределение узлов которой представлено
на рисунке 4.15.
Рисунок 4.15 - Распределение сетки конечных элементов.
Далее нажимаем кнопку «Решить». После работы решателя, в главном окне будет выведено распределение температуры по толщине объекта для момента времени 600 секунд. Для большей наглядности протекания процесса выведем несколько изображений (рисунок 4.16 а, б).
Рисунок 4.16 а - Распределение сетки конечных элементов (при
![]()
с).
Изображение сетки конечных элементов (рисунок 4.16 а).
Рисунок 4.16 а - Распределение сетки конечных элементов (при
![]()
с).
Рисунок 4.17 б - Отображение тепловых векторов и изотерм.
Выведем температурные поля в разный момент времени: τ1=50с; τ2=100с; τ3=200с; τ4=300с; τ5=400с; τ6=500с; τ7=600с. (рисунок 4.17)
а)
б)
в)
г)
д)
е)
ё)
Таблица
4.2 ‒ Значения ![]()
в
сечениях с координатой ![]()
на
момент времени ![]()
.
|
|
|
|
|
|
|
|
|
|
|
1 |
2 |
3 |
4 |
5 |
6 |
7 |
8 |
9 |
|
0 |
0 |
0 |
0 |
0 |
0 |
0 |
0 |
0 |
|
10 |
6,62 |
5,98 |
4,66 |
3,34 |
2,02 |
1,04 |
0,38 |
0,09 |
|
20 |
11,90 |
10,80 |
8,42 |
6,05 |
1,90 |
0,72 |
0,20 |
|
|
30 |
16,23 |
14,69 |
11,47 |
8,25 |
5,03 |
2,62 |
1,01 |
0,29 |
|
40 |
19,72 |
17,86 |
13,95 |
10,04 |
6,14 |
3,20 |
1,25 |
0,38 |
|
50 |
22,57 |
20,44 |
15,97 |
11,58 |
7,04 |
3,69 |
1,46 |
0,46 |
|
60 |
24,89 |
22,55 |
17,63 |
12,70 |
7,78 |
4,09 |
1,63 |
0,53 |
|
70 |
26,79 |
24,27 |
18,98 |
13,69 |
8,40 |
4,43 |
1,78 |
0,59 |
|
80 |
28,35 |
25,68 |
20,09 |
14,50 |
8,90 |
4,71 |
1,91 |
0,65 |
|
90 |
29,63 |
26,85 |
21,01 |
15,16 |
9,32 |
4,94 |
2,02 |
0,71 |
|
100 |
30,68 |
27,81 |
21,76 |
15,72 |
9,67 |
5,14 |
2,12 |
0,76 |
|
110 |
31,55 |
28,60 |
22,39 |
16,18 |
10,00 |
5,31 |
2,20 |
0,80 |
|
120 |
32,27 |
29,25 |
22,91 |
16,56 |
10,21 |
5,45 |
2,28 |
0,85 |
|
130 |
32,87 |
29,80 |
23,34 |
16,88 |
10,41 |
5,57 |
2,34 |
0,89 |
|
140 |
33,37 |
30,25 |
23,70 |
17,15 |
10,59 |
5,68 |
2,40 |
0,93 |
|
150 |
33,79 |
30,64 |
24,01 |
17,38 |
10,74 |
5,77 |
2,46 |
0,97 |
|
160 |
34,14 |
30,96 |
24,26 |
17,57 |
10,87 |
5,85 |
2,51 |
1,01 |
|
170 |
34,43 |
31,23 |
24,48 |
17,74 |
10,99 |
5,93 |
2,56 |
1,04 |
|
180 |
34,68 |
31,45 |
24,67 |
17,88 |
11,09 |
6,00 |
2,60 |
1,08 |
|
190 |
34,89 |
31,65 |
24,83 |
18,00 |
11,18 |
6,06 |
2,65 |
1,11 |
|
200 |
35,08 |
31,82 |
24,96 |
18,11 |
11,23 |
6,12 |
2,69 |
1,15 |
|
210 |
35,23 |
31,96 |
25,09 |
18,21 |
11,34 |
6,17 |
2,73 |
1,18 |
|
220 |
35,37 |
32,09 |
25,19 |
18,29 |
11,40 |
6,22 |
2,77 |
1,21 |
|
230 |
35,49 |
32,20 |
25,29 |
18,37 |
11,45 |
6,26 |
2,80 |
1,25 |
|
240 |
35,60 |
32,30 |
25,37 |
18,44 |
11,50 |
6,31 |
2,84 |
1,28 |
|
250 |
35,69 |
32,39 |
25,45 |
18,50 |
11,55 |
6,35 |
2,87 |
1,31 |
|
260 |
35,77 |
32,47 |
25,52 |
18,56 |
11,56 |
6,39 |
2,91 |
1,35 |
|
270 |
35,85 |
32,54 |
25,58 |
18,61 |
11,68 |
6,43 |
2,95 |
1,38 |
|
280 |
35,92 |
32,61 |
25,64 |
18,67 |
11,73 |
6,47 |
2,98 |
1,41 |
|
290 |
35,99 |
32,67 |
25,69 |
18,71 |
11,78 |
6,50 |
3,01 |
1,44 |
|
300 |
36,05 |
32,73 |
25,74 |
18,76 |
11,82 |
6,54 |
3,05 |
1,48 |
|
1 |
2 |
3 |
4 |
5 |
6 |
7 |
8 |
9 |
|
310 |
36,10 |
32,78 |
25,79 |
18,81 |
11,84 |
6,58 |
3,08 |
1,51 |
|
320 |
36,16 |
32,83 |
25,84 |
18,85 |
11,86 |
6,61 |
3,11 |
1,54 |
|
330 |
36,21 |
32,88 |
25,89 |
18,89 |
11,87 |
6,65 |
3,15 |
1,58 |
|
340 |
36,25 |
32,93 |
25,93 |
18,93 |
11,92 |
6,68 |
3,18 |
1,61 |
|
350 |
36,30 |
32,97 |
25,97 |
18,97 |
11,95 |
6,71 |
3,21 |
1,64 |
|
360 |
36,35 |
33,02 |
26,01 |
19,01 |
12,00 |
6,75 |
3,25 |
1,67 |
|
370 |
36,39 |
33,06 |
26,05 |
19,05 |
12,04 |
6,78 |
3,28 |
1,70 |
|
380 |
36,43 |
33,10 |
26,09 |
19,08 |
12,07 |
6,82 |
3,31 |
1,73 |
|
390 |
36,47 |
33,14 |
26,13 |
19,12 |
12,11 |
6,85 |
3,34 |
1,77 |
|
400 |
36,51 |
33,18 |
26,17 |
19,16 |
6,88 |
3,38 |
1,80 |
|
|
410 |
36,56 |
33,22 |
26,21 |
19,19 |
12,18 |
6,92 |
3,41 |
1,83 |
|
420 |
36,59 |
33,26 |
26,24 |
19,23 |
12,20 |
6,95 |
3,44 |
1,86 |
|
430 |
36,63 |
33,30 |
26,28 |
19,26 |
12,24 |
6,98 |
3,47 |
1,90 |
|
440 |
36,67 |
33,34 |
26,32 |
19,30 |
12,28 |
7,02 |
3,51 |
1,93 |
|
450 |
36,71 |
33,38 |
26,35 |
19,33 |
12,31 |
7,05 |
3,54 |
1,96 |
|
460 |
36,75 |
33,41 |
26,39 |
19,37 |
12,34 |
7,08 |
3,57 |
1,99 |
|
470 |
36,79 |
33,45 |
26,43 |
19,40 |
12,38 |
7,12 |
3,60 |
2,02 |
|
480 |
36,82 |
33,49 |
26,46 |
19,44 |
12,41 |
7,15 |
3,64 |
2,06 |
|
490 |
36,86 |
33,52 |
26,50 |
19,47 |
12,44 |
7,18 |
3,67 |
2,09 |
|
500 |
36,90 |
33,56 |
26,53 |
19,51 |
12,48 |
7,21 |
3,70 |
2,12 |
|
510 |
36,93 |
33,60 |
26,57 |
19,54 |
12,51 |
7,25 |
3,73 |
2,15 |
|
520 |
36,97 |
33,63 |
26,60 |
19,58 |
12,55 |
7,28 |
3,77 |
2,19 |
|
530 |
37,01 |
33,67 |
26,64 |
19,61 |
12,58 |
7,31 |
3,80 |
2,22 |
|
540 |
37,04 |
33,70 |
26,67 |
19,65 |
12,61 |
7,35 |
3,83 |
2,25 |
|
550 |
37,08 |
33,74 |
26,71 |
19,68 |
12,65 |
7,38 |
3,86 |
2,28 |
|
560 |
37,11 |
33,77 |
26,74 |
19,71 |
12,68 |
7,41 |
3,90 |
2,31 |
|
570 |
37,15 |
33,81 |
26,78 |
19,75 |
12,71 |
7,44 |
3,93 |
2,35 |
|
580 |
37,19 |
33,84 |
26,81 |
19,78 |
12,75 |
7,48 |
3,96 |
2,38 |
|
590 |
37,22 |
33,88 |
26,85 |
19,82 |
12,78 |
7,51 |
3,99 |
2,41 |
|
600 |
37,26 |
33,92 |
26,88 |
19,85 |
12,82 |
7,54 |
4,03 |
2,44 |