Материал: Исследование метода неразрушающего определения теплопроводности защитного покрытия их ПВХ на стальном изделии

Внимание! Если размещение файла нарушает Ваши авторские права, то обязательно сообщите нам

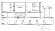
Рисунок 1.1 - Схема компьютерного устройства измерительной системы для определения ТФС веществ. Обозначения блоков представлены в тексте

На схеме (рисунок 1.1) представлены следующие обозначения:

ИУ - измерительное устройство; УЗТВ - устройство задания тепловых воздействий на образец, обеспечивающее управление начальными условиями (НУ), граничными условиями (ГУ) и внутренними источниками тепла (ВИТ); БИП - блок измерительных преобразователей, включающий в себя преобразователи температуры (ПТ), преобразователи теплового потока (ПТП), преобразователи других величин (ПДВ); У - усилитель; АЦП - аналого-цифровой преобразователь; УРО и СКД - устройство для размещения образца и создания контактного давления; УБЗО - устройство боковой защиты образца от теплообмена с окружающей средой; ПК - персональный компьютер, включаю-щий в себя: П - процессор; Кл - клавиатуру; ЦОУ - цифровое отсчетное устройство; Пр - принтер; СА - системный адаптер; ЗУ - запоминающее устройство.

1.3 Полимерные покрытия различного назначения на металлических изделиях

Лакокрасочные покрытия являются наиболее доступным и эффективным способом защиты металлических изделий от коррозии. Выгодно отличаясь от других видов защитных покрытий своей дешевизной, простотой нанесения и надежностью, лакокрасочные покрытия нашли широкое применение в промышленности и других отраслях народного хозяйства. В настоящее время более 80 % всех металлических изделий защищают от коррозии лакокрасочными покрытиями [10].

Для получения лакокрасочного покрытия, обладающего одновременно надежными защитными свойствами и хорошим внешний видом, применяют способ многослойного нанесения лакокрасочных материалов. Подбирая лакокрасочные материалы с хорошей адгезней (сцеплением), используя в системах одновременно защитные свойства одного материала и декоративные качества другого, можно получить многослойные комбинированные системы лакокрасочных покрытий, превышающие по стойкости металлические, химические и другие виды защитных покрытий.

Главной составной частью всего лакокрасочного покрытия является пленкообразующее вещество. Защитные свойства лакокрасочного покрытия обусловлены тем, что на поверхности защищаемого материала образуется сплошная пленка, которая, изолируя поверхность от материала окружающей среды, препятствует проникновению к ней агрессивных агентов и тем самым предохраняет материал от разрушения [10, стр.5].

В последние годы распространяются покрытия на основе полимерных материалов (полиэтилена, поливинилхлорида, полиамида, нейлона, капрона и др.). Полимерные покрытия имеют ряд преимуществ перед лакокрасочными: они более долговечны, обладают механической и химической стойкостью, дают возможность обойтись без применения органических растворителей и

позволяют сократить технологический цикл окрашивания заменой многослойных покрытий однослойными необходимой толщины. Но они значительно дороже последних, поэтому пока имеют ограниченное применение [15].

Отработанная и применявшаяся ранее технология нанесения антикоррозионной защиты на мостовые конструкции включала два этапа. На первом этапе на заводах-изготовителях мостовых металлоконструкций производилась подготовка поверхности и нанесение грунтовочного слоя. Затем загрунтованные металлоконструкции доставлялись заказчику. Второй этап нанесения антикоррозионной защиты включал нанесение промежуточного и финишного слоев уже в условиях строительной площадки. При этом промежуток времени между нанесением грунтовки на заводах-изготовителях и нанесением остальных слоев краски мог составлять от нескольких дней до нескольких лет.

В последние годы в отрасли мостостроения появилась мода или скорее тенденция на нанесение полной схемы антикоррозионной защиты металлических мостовых конструкций на заводах-изготовителях этих конструкций.

Как показала практика, при транспортировке металлических конструкций с завода-изготовителя до строительной площадки и при монтаже этих конструкций площадь разрушения лакокрасочных покрытий на изделиях достигает 10 - 25 процентов от общей площади лакокрасочного покрытия. Кроме того, что восстановление всех слоев покрытия представляется сложной и дорогой операцией с точки зрения технологии производства работ, в том числе и восстановление внешнего вида, ибо одно дело восстановить самый дешевый слой - грунтовку, нанесенную на заводе, и другое дело восстанавливать все слои лакокрасочного покрытия, из которых промежуточный и покрывной слои гораздо дороже грунтовочного слоя.

Следует также отметить, что внеклассные мосты, для которых изготавливаются металлоконструкции, строятся много лет, иногда десять и более, а срок службы системы антикоррозионной защиты (лакокрасочного покрытия) исчисляется с момента нанесения финишного слоя, поэтому в случае нанесения полной схемы лакокрасочного покрытия на заводе-изготовителе конструкций, срок службы лакокрасочного покрытия начинается с момента нанесения этого покрытия на заводе. При этом, с момента нанесения на заводе лакокрасочного покрытия до ввода в эксплуатацию мостового сооружения может пройти 3 - 5 лет и, следова-тельно, срок службы покрытия с момента ввода моста в эксплуатацию сокращается на эти 3 - 5 лет.

В случае, когда последний финишный слой лакокрасочного покрытия наносится на строительной площадке в год сдачи моста в эксплуатацию, срок службы покрытия начинает исчисляться с этого времени и будет на те же 3 - 5 лет дольше, чем в случае нанесения лакокрасочного покрытия по полной схеме на заводе изготовителе металлоконструкций моста.

При восстановлении разрушенных трех слоев покрытия на границе разрушения получится покрытие толщиной 4, 5 или 6 слоев вместо трех слоев по проекту ввиду нахлеста краски на разрушенное покрытие и в этих местах срок службы лакокрасочного покрытия будет меньше, чем в местах с 3 слоями покрытия, предусмотренных проектом [19].

Выводы по главе 1

. Тепловые методы неразрушающего контроля качества изделий и материалов занимают особое место среди всех видов НК.

. Особый интерес представляет тепловой метод контроля качества, основанный на определении ТФС материалов на начальной стадии нестационарного теплообмена.

. Преимущественное распространение получили тепловые методы, в которых поверхностный источник тепла постоянной мощности воздействует на испытуемый образец на ограниченной области.

. Двухслойные и полимерно-металлические изделия находят широкое применение в промышленности и машиностроении из-за своих физико-химических характеристик.

2. Теоретическое обоснование и аппаратурное оформление неразрушающего теплового метода

.1 Физическая модель метода

Рассмотрим следующую задачу.

На металлической пластине с низкотеплопроводным покрытием толщиной h1 расположен измерительный зонд, включающий в себя плоский круглый нагреватель, теплоизолирующую подложку и термоприёмники (рисунок 2.1).

Рисунок 2.1 - Измерительная схема.

Исследуемое тело представляет собой конструкцию, состоящую из двух слоев: первый - низкотеплопроводный с теплофизическими свойствами λ1, с1, ρ1; второй - высокотеплопроводный с теплофизическими свойствами λ2, с2, ρ2. Толщина первого слоя - h1, второго - h2. Температура в точках контроля измеряется с помощью термоприёмников (ТП1, ТП2) [5].

Тепловое воздействие на систему с равномерным начальным температурным распределением осуществляется с помощью нагревателя постоянной мощности, выполненного в виде тонкого диска радиусом RН, встроенного в подложку измерительного зонда радиусом RИЗ [9].

Размеры подложки измерительного зонда и металлической пластины (L1 , L2 , h2) подобраны так, что их можно считать полуограниченными. Для упрощения тепловой схемы и расчётов пренебрегаем теплоёмкостью и оттоками тепла по проводам теплоприёмников.

Тепловая схема многослойной системы, включающей в себя теплоизолирующий слой (подложка измерительного зонда), нагреватель, низкотеплопроводное покрытие толщиной h1 и металлическое основание, представлена на рисунке 2.2.

Рисунок 2.2 - Тепловая схема многослойной системы

.2 Математическая модель нестационарного теплопереноса для двухслойной системы

Применение в методах неразрушающего контроля теплофизических свойств материалов теплового воздействия постоянной мощности от круглого плоского нагревателя в виде диска, встроенного в подложку измерительного зонда, достаточно обосновано и полно представлено в работах [5, 6, 9].

С целью повышения точности определения теплофизических свойств при неразрушающем контроле двухслойных материалов в данной работе рассматривается система, состоящая из ограниченного и двух полуограниченных тел (рисунок 2.3).

Для решения задач, связанных с нахождением температурного поля, необходимо иметь дифференциальное уравнение теплопроводности. Под дифференциальным уравнением обычно понимают математическую зависимость, выражаемую дифференциальным уравнением между физическими величинами, характеризующими изучаемое явление, причем эти физические величины являются функциями пространства и времени. Такое уравнение характеризует протекание физического явления в любой точке тела в любой момент времени [3].

Дифференциальное уравнение теплопроводности дает зависимость между температурой, временем и координатами элементарного объема [3].

Теоретическое обоснование теплового метода неразрушающего контроля двухслойных изделий, сформулированное в работе [21], распространяется на полуограниченные тела и не учитывает оттоки тепла в материал подложки измерительного зонда. Полученное в работе [21] решение краевой задачи теплопроводности не позволяет с достаточной точностью определять теплофизические свойства слоев двухслойных объектов.

Ограниченный стержень толщиной h1 приведен в соприкосновение с двумя полуограниченными стержнями. Теплофизические свойства стержней различны. В начальный момент времени на свободном конце ограниченного стержня начинает действовать источник тепла постоянной мощности q, который действует на протяжении всего процесса нагрева.

Рисунок 2.3 - Тепловая схема метода при воздействии плоского бесконечного источника тепла на двухслойное изделие

Требуется найти распределение температуры по длине стержней в любой момент времени. Можно сформулировать краевую задачу теплопроводности следующим образом:

 (2.1)

 (2.2)

 (2.3)

 (2.4)

 (2.5)

 (2.6)

 (2.7)

После ряда преобразований и упрощений при больших :

 (2.8)

Решение (2.8) представляет собой линейную зависимость и может быть применено при регуляризации теплового процесса в определенной области тела:

 (2.9)

 (2.10, 2.11)

Полученное решение (2.8) в форме, пригодной для использования на рабочем участке термограммы (при регуляризации тепловых потоков), было использовано для получения математических выражений для расчета толщины защитных покрытий на металлических основаниях.

Так как первый слой объекта (рисунок 2.3) низкотеплопроводный, а второй - высокотеплопроводный, т.е. , тогда . Следовательно,

 и . (2.12, 2.13)

Данное решение возможно использовать для нахождения ТФС первого тела, если известна толщина h1 и ТФС подложки зонда (εп) или для нахождения толщины первого тела при известных ТФС.

2.3 Измерительная система, реализующая метод неразрушающего контроля

В основе принципа действия данного прибора использованы закономерности регулярного теплового режима [20].

Измерительная система (ИС) состоит из персонального компьютера (ПК), измерительно-управляющей платы, усилителя сигналов (У), измерительного зонда (ИЗ), регулируемого блока питания (БП). ИЗ обеспечивает создание теплового воздействия на исследуемый объект с помощью нагревателя (Н) [5, 9].

Фиксирование температуры в заданной точке контроля осуществляется термоэлектрическим преобразователем (ТП).

При измерениях ИЗ устанавливают контактной стороной на поверхность исследуемого объекта.

Схема ИЗ представлена на рисунке 2.4.

Мощность и длительность теплового воздействия встроенного в подложку ИЗ нагревателя (Н) задаются программно. Регулирующий сигнал поступает на вход операционного усилителя (ОУ), включенного по неинвертирующей схеме. Сигнал с выхода ОУ подается на базу силового транзистора. ОУ поддерживает на выходе блока питания напряжение, равное напряжению регулирующего сигнала.

Распределение температуры на поверхности исследуемого объекта контролируется ТП.

Сигнал с термического преобразователя поступает на вход измерительно-управляющего устройства E14-140-MD, при этом сигнал предварительно проходит через усилитель ZET 410 (У).

Устройство E14-140-MD содержит следующие основные блоки:

. ARM-контроллер (тип AT91SAM7S256) осуществляет не только управление E14-140-MD, но и поддерживает интерфейсы USB.

. Коммутатор (К) предназначен для коммутации сигналов c аналоговых входов.

. АЦП LTC1416 - 14-ти битный АЦП последовательного приближения. Буфер АЦП, хранящий один 14 битный отсчет АЦП в формате 8 + 8 бит с расширенным знаком дополнительного кода.

. Двухканальный ЦАП (16 бит) работает не только в асинхронном, но и в синхронном режиме (до 200 кГц), имеет большой рабочий выходной ток и нормированные характеристики при воспроизведении переменного напряжения.

ИЗ с круглым плоским нагревателем (рисунок 2.4). Зонд состоит из двух основных узлов: из ячейки 1 и корпуса 2. Ячейка, в свою очередь, состоит из основания 3, разъема 9. С контактной стороны ячейки на поверхности теплоизолятора 4 размещены микротермопары 6, сваренных встык. Нагреватель 5 изготовлен в виде диска. Разъем 9 предназначен для коммутации сенсора с измерительно-управляющей платой E14-140-MD. Между ячейкой и крышкой 10 корпуса расположена пружина 8, которая обеспечивает одинаковое усилие прижима ячейки к поверхности исследуемого изделия, что обуславливает равенство контактных тепловых сопротивлений при каждом измерении. После выравнивания температуры исследуемого изделия и подложки зонда, через нагреватель в течение заданного времени протекает ток, что обеспечивает нагрев исследуемого изделия.