Материал: Железобетонные конструкции

Внимание! Если размещение файла нарушает Ваши авторские права, то обязательно сообщите нам

Максимальные поперечные силы на опорах:

 = 0,43(g+ν)lp1 = 0,43∙83,4∙6,873 = 246,48 кН

= -0,57(g+ν)lp1 = -0,57∙83,4∙6,873 = -326,73 кН

= 0,5(g+ν)lp2 = 0,5∙83,4∙6,8 = 283,56 кН

= -0,5(g+ν)lp2 = -0,5∙83,4∙6,8 = -283,56 кН


.3 Расчёт прочности ригеля по сечениям, нормальным к продольной оси

2.3.1 Определение высоты сечения ригеля

Высоту сечения подбираем по опорному моменту у оси Б при ξ=0,35 и am=0,289, приложение 3 МУ.

Рабочая высота сечения:

hр = = = 47 см = hр + 60 = 514 + 60 = 574 мм

Принимаем сечение ригеля: h x b = 600 x 200 мм

2.3.2 Расчёт сечения арматуры по поперечным изгибающим моментам

В первом пролёте:

Максимальный положительный момент = 358,51 кНм

аm = == 0,336; ζ = 0,785(по приложению 3)= == 22,34 см2

По приложению 5 МУ принимаем 4Ø28 с площадью As=24,63 см2

Во втором пролёте:

Максимальный положительный момент = 241,03 кНм

аm = == 0,226; ζ = 0,87

As = == 13,55 см2

Принимаем 4Ø22 с площадью As=15,20 см2

Расчёт арматуры для восприятия отрицательных моментов

На опоре Блев:

Максимальный отрицательный момент = 281,69 кНм

аm = == 0,264; ζ = 0,845

As = == 16,31 см2

Принимаем 2Ø36 с As=20,36 см2

На опоре Бправ:

Максимальный отрицательный момент = 275,73 кНм

аm = == 0,259; ζ = 0,847

As = == 15,93 см2

Принимаем 2Ø32 с As=16,09 см2

На опоре Влев:

Максимальный отрицательный момент = 241,03 кНм

аm = == 0,226; ζ = 0,87

As = == 13,55 см2

Принимаем 2Ø32 с As=16,09 см2


.4 Расчёт прочности ригеля по сечениям, наклонным к продольной оси

Максимальная поперечная сила = 326,73 кН

Диаметр поперечных стержней устанавливается, из условия сварки с продольной арматурой

dsw ≥ d/4; d=36 мм, dsw=9 мм, следовательно, принимаем Ø10 А240

Asw=0,785 см2 (по приложению 5МУ)

Число каркасов 2, при этом 2Asw=2∙0,785=1,57 см2.

Шаг поперечной арматуры:

в приопорных участках sоп=h/3=18,7 см, принимаем sоп=15 см

в средней части sср=(2…3) sоп = 2∙15 = 30 см

Усилие, воспринимаемое одним поперечным каркасом:

qsw===1831,7 H/см

где Rsw=175 МПа; (по приложению 2)

Поперечная сила, воспринимаемая бетоном:

Qb=φb3Rbtbho=0,6∙1,2(100)∙20∙56=80640 Н

Проверяем условие qsw >; ==720 Н/см ˂ qsw=1831,7 H/см

Условие выполняется, сечение подобрано правильно.

Максимальный допустимый шаг арматуры:

smax===34,55 см

smax=34,55 см > sоп=15 см - условие выполняется.

2.4.1 Расчёт по наклонному сечению

Прочность обеспечивается из условия (Qb+Qsw) ≥ Q; = qswco - поперечная сила, воспринимаемая всей поперечной арматурой;

Находим длину проекции наиболее опасного наклонного сечения

со = == 90,65 см

Тогда Qsw = 1831,7∙90,65 = 166,043 кН

Поперечная сила, воспринимаемая бетоном

Qb=  =  = 166,054 кН

Qb+Qsw = 166,043+166,054 = 332 кН > Q = 326,73 кН

Условие (Qb+Qsw) ≥ Q выполняется.

Прочность по cжатой полосе между наклонными трещинами проверяем из условия:

Q ≤ 0,3φw1φb1Rbbho ; Q=326,73 кН

где φw1 = 1+5νμw = 1+5∙6,9∙0,00523 = 1,18

φb1 = 1 - 0,01Rb = 1 - 0,01∙17 = 0,83

ν = == 6,9

μw = == 0,00523

0,3φw1φb1Rbbho = 0,3∙1,18∙0,83∙17(100)∙20∙56 = 559,43 кН

,73 кН ˂ 559,43 кН - условие выполняется.

2.5 Конструирование арматуры ригеля

Для построения эпюры материалов определяем изгибающие моменты, воспринимаемые сечениями ригеля.

В первом пролёте

По максимальному положительному моменту = 297,79 кНм принята арматура 4Ø28 с площадью As=24,63 см2

Определяем коэффициент армирования продольной рабочей арматурой:

μ = ==0,02199

ξ =  =  = 0,472; ζ = 0,764

Изгибающий момент, воспринимаемый сечением, армированным 4Ø28

M = RsAsζho = 365(100)∙24,63∙0,764∙56 = 384,63 кНм

В месте теоретического обрыва двух стержней:

μ = 0,011; ξ = 0,236; ζ = 0,882;

M = 365(100)∙12,32∙0,882∙56 = 222,11 кНм

По эпюре материалов определяем Q графически: Q = 147 кН

Поперечные стержни Ø10 A240 в месте теоретического обрыва стержней 2Ø28 сохраняем с шагом s=15 см

Длина анкеровки:

W1 = + 5d =+ 5∙2,8 =54,13 см ˂ 20∙2,8 = 56 см

W1 = 56 см

Значение поперечной силы справа Q = 136,3 кН

W2 = + 5d =+ 5∙2,8 =51,21 см ˂ 20∙2,8 = 56 см

W2 = 56 см

На опоре Блев:

Максимальный отрицательный момент = 281,69 кНм

Арматура 2Ø36 с As=20,36 см2

μ = ==0,01818; ξ =  =  = 0,39; ζ = 0,805= RsAsζho = 365(100)∙20,36∙0,805∙56 = 335,01 кНм

В месте теоретического обрыва арматура 2Ø16 A400 с As= 4,02 см2

μ ==0,00359; ξ = 0,077; ζ = 0,962

M = 365(100)∙4,02∙0,962∙56 = 79,05 кНм

Поперечная сила в этом сечении Q = 219,5 кН

Поперечные стержни Ø10 A240 в месте теоретического обрыва стержней 2Ø36 сохраняем с шагом s=15 см

Длина анкеровки:=+ 5∙3,6 =77,92 см > 20∙3,6 = 72 см= 78 см

Во втором пролёте

Максимальный положительный момент = 241,03 кНм

Принятая арматура 4Ø22 с As=15,20 см2

μ ==0,01357; ξ =  = 0,291; ζ = 0,855

M = RsAsζho = 365(100)∙15,20∙0,855∙56 = 265,64 кНм

Обрываем два стержня и определяем коэффициент армирования:

μ ==0,00679; ξ =  = 0,146; ζ = 0,923

M = 365(100)∙7,6∙0,923∙56 = 143,38 кНм

Значение поперечной силы слева и справа Q = 115,8 кН

Длина анкеровки:=+ 5∙2,2 =42,61 см ˂ 20∙2,2 = 44 см= 44 см

На опоре Бправ:

Максимальный отрицательный момент = 275,73 кНм

Арматура 2Ø32 с As=16,09 см2

μ = ==0,01437; ξ =  =  = 0,309; ζ = 0,845= RsAsζho = 365∙16,09∙0,845∙56 = 277,9 кНм

В месте теоретического обрыва арматура 2Ø25 A400 с As= 9,82 см2

μ ==0,00877; ξ = 0,188; ζ = 0,905

M = 365(100)∙9,82∙0,905∙56 = 181,65 кНм

Поперечная сила слева Q = 179,1 кН

Поперечные стержни Ø10 A240 в месте теоретического обрыва стержней 2Ø32 сохраняем с шагом s=15 см

Длина анкеровки:=+ 5∙3,2 =64,9 см > 20∙3,2 = 64 см= 65 см

На опоре Влев:

Максимальный отрицательный момент = 241,03 кНм

Арматура 2Ø32 с As=1609 мм2

μ = 0,01437; ξ = 0,309; ζ = 0,845; M = 277,9 кНм

В месте теоретического обрыва арматура 2Ø25 A-III с As= 9,82 см2= 181,65 кНм

Поперечная сила справа Q = 205,9 кН

Поперечные стержни Ø10 A240 в месте теоретического обрыва стержней 2Ø32 сохраняем с шагом s=15 см

Длина анкеровки:=+ 5∙3,2 = 72,2 см > 20∙3,2 = 64 см; W6 = 73 см

3. Расчёт колонны первого этажа

Характеристики прочности бетона и арматуры

Бетон тяжёлый класса В35, расчётные сопротивления: при сжатии Rb=19,5МПа, при растяжении Rbt=1,3МПа; модуль упругости Eb=31000 МПа.

Арматура продольная рабочая класса A400, расчётное сопротивление Rs=365 МПа, модуль упругости Es=200000 МПа

Поперечная арматура колонны - А240

По степени ответственности здание имеет класс II. Соответствующий коэффициент надёжности по назначению - γn =0,95

3.1 Определение нагрузок на колонну

Необходимо найти длительную расчётную нагрузку (N1) и полную расчётную нагрузку (N), в каждой из которых учитываются расчётные постоянные и расчётная временная длительная нагрузки; в полной нагрузке N ещё и расчётная временная кратковременная нагрузка.

Расчётная постоянная, расчётная временная длительная и расчётная временная кратковременная нагрузки на колонну первого этажа от перекрытий получаются умножением соответствующих значений нагрузки на 1м2 из расчёта плиты (таблица 1) на грузовую площадь колонны и число междуэтажных перекрытий в здании. Так как задано пятиэтажное здание, нагрузку собираем с 4 этажей.

Грузовая площадь колонны - площадь перекрытия, с которой нагрузка передаётся на колонну: l1 ∙ l2 = 7,2 ∙ 6 = 43,2 м2

Расчёт ведём для колонн первого этажа, расчётная длина колонны (lo) равна максимальному расстоянию между закреплёнными от смещения из её плоскости точками - от обреза фундамента (-0,15м) до верха плиты перекрытия (+4,70м). Соответственно lo=4,85м

Высота этажей - 4,8м

Высота от обреза фундамента до верха ригеля перекрытия под последним этажом - 19,25 м

Сечение ригеля 600мм х 200мм; удельный вес конструкции - 25 кН/м3

Сечение колонны предварительно принимаем 400мм х 400мм

Длительная расчётная нагрузка:=((3,56∙43,2+8,4∙43,2+0,6∙0,2∙25∙7,2∙1,1)∙4+0,4∙0,4∙19,25∙1,1)∙0,95=2134,69кН

Полная расчётная нагрузка: N1=Nld+1,8∙43,2∙4∙0,95=2430,18кН

3.2 Размеры сечения колонны

(hc и bc) предварительно вычисляются при φ=1 и μ = = 0,01 по формуле:

hc = bc = ==33,86см

Принимаем: hc = bc = 350мм

В соответствии со значениями = 0,878; = 12,125

по приложению 9 МУ определяем: φb = 0,865; φsb = 0,889

Находим: φ = φb+2(φsb - φb) = 0,865+2(0,889-0,865)  = 0,875

φ = 0,875 < φsb = 0,889

3.3 Определяем требуемую площадь сечения арматуры

As,tot =  - A =  - 122500= 1536мм2

где А = 350х350 = 122500мм2

Принимаем продольную арматуру 4Ø25 А400 с As=1963 мм2

Проверяем условие μ =  ≥ μmin = 0,004

μ =  = 0,016 > μmin = 0,004

Поперечная арматура принимается диаметром не менее d продольной арматуры. В сварных каркасах хомуты ставятся на расстояниях не более 15d

s ≤ 15d = 15∙25 = 375мм

Назначаем арматуру Ø8 А240 с шагом 300мм

Проверяем условие:

N1 ≤ φ(RbA+RscAs,tot)

N1=2430,18Н ˂ 0,875(19,5∙1225+365∙19,63) = 2436,4кН

Прочность колонны обеспечена.

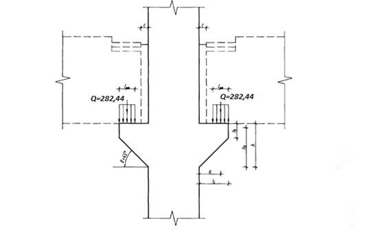
3.4 Расчёт консоли колонны


Минимальный вылет консоли, из условия смятия под опорной площадкой, с зазором в 50 мм для замоноличивания между торцом ригеля и гранью колонны:= l1+ 50мм, где l1 =

где b - ширина ригеля; α=0,9 для В35;

Опорная реакция ригеля Q = 0,95= 282,44 кН= = 107мм, lc = l1 + 50 = 157мм

Консоль колонны для опирания ригеля с учётом унификации проектируем с вылетом lс = 200мм

Требуемая рабочая высота сечения консоли по грани колонны определяется, как максимальная из двух условий:

ho ≥ = = 248,3мм≥ == 246,2мм