Материал: физических свойств пластовых флюидов

Внимание! Если размещение файла нарушает Ваши авторские права, то обязательно сообщите нам
– доля нефти в потоке, доли единицы.

СПБГУАП группа 4736

3. Текущие значения насыщенности образца двумя или тремя фазами при проведении испытания определять с помощью комплекса методов.

4. Водонасыщенность каждого режима испытания определять по замеренным значениям электрического сопротивления и калибровочной кривой, а также по балансу закаченных и вышедших жидкостей.

VПОР – объем пор образца, см3;

VТР – объем трубок (мертвый объем), см3;

5. На каждом режиме среднюю нефтенасыщенность рассчитать по уравнению материального баланса закаченного и вышедшего объемов нефти, с учетом "мертвых" объемов подводящих трубок

SНi SНi 1 VНЗ VНВ VТР fНi 100

VПОР

,

(11)

 

 

где SН1, SН1-1 – нефтенасыщенность 1-того и 1-1 режимов фильтрации, %; VНЗ – объем нефти, закаченной в образец, см3;

VНВ – объем нефти, вышедшей из образца, приведенный к условиям эксперимента, см3; fН1

6. Рассчитанные значения фазовых проницаемостей, относительных фазовых проницаемостей и соответствующих им насыщенностей поместить в таблице 7. Построить диаграмму относительных фазовых проницаемостей для нефти и воды в зависимости от нефте- и водонасыщенности

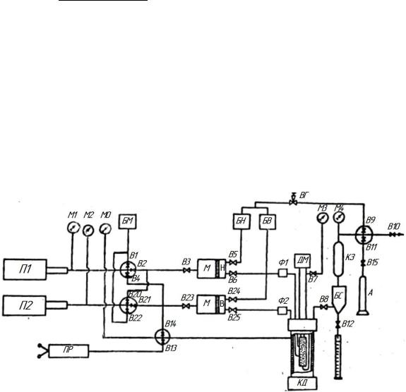
Принципиальная схема соединения узлов установки для определения фазовых проницаемостей при фильтрации нефти и воды рекомендуемая стандартом приведена на рис.1.9.

Рис.1.9

П1-П2 – прессы; ПР – пресс ручной; М0-М4 – манометры образцовые; В1-В25 – вентили; ВГ – газовый редуктор; К1-К3 – контейнеры жидкостные; БС – бюретка сборная; ДМ – дифференциальный манометр; БН, БВ – контейнеры с нефтью и водой; БМ - масляный бачок; Ф1-Ф2 – фильтры; М – масло; Н – нефть; В – вода; А – азот.

В основном блоке размещены: кернодержатель с электрическим ленточным нагревателем и термопарой регулятора пластовой температуры (кернодержатели больших диаметров располагаются перед основным блоком на подвижном столике), основная

26

СПБГУАП группа 4736

гидравли-ческая система, которая выполняет функции подачи пластовых жидкостей и определения их объёмов (основная система включает две подсистемы ОС1 и ОС2), вспомогательная гидравлическая система, которая выполняет функцию создания горного давления и система создания противодавления при фильтрации. Кроме того, в основном блоке размещены измерительные датчики контрольно-измерительной системы, портативный измеритель иммитанса и инфракрасный адаптер COM-порта, распределительные газовые гребёнки системы управления пневматическими клапанами, подключенные к воздушной линии на 4-5 бар, а также электрические ленточные нагревательные элементы и термопара, подключённые к регулятору температуры основного блока.

Далее электрические ленточные нагреватели, термопары и регуляторы температуры кернодержателя и основного блока выделены в систему регулирования температуры. В блоке электроники установлены: электронные блоки датчиков абсолютного и дифференциального давления, блоки (драйверы) управления шаговыми двигателями приводов насосов высокого давления, регуляторы температуры, стабилизаторы напряжения, усилитель системы управления пневматическими клапанами и коннекторные блоки, системный блок персонального компьютера и электронный блок для измерения времени распространения акустических волн в твёрдых средах (далее электронный блок ультразвука).В системном блоке персонального компьютера установлены две интерфейсные платы PCI-7334 для программного управления приводами насосов и пневматическими клапанами, а также интерфейсная плата АЦП PCI-6023E, плата расширения PCI-IO9835-2S-1 на два СОМ-порта и плата сбора данных ЛА-н10М6PCI.

Рис.1.9. Принципиальная схема установки УИК-4.

Ж1, Ж2 – рабочие жидкости; М – масло; Н1, Н2, Н3 – насосы; 2 – двухпозиционный клапан; 3 – трехпозиционный клапан; В – вентили высокого давления; ДМ – дифференциальный манометр; М1, М2, М3 – манометры; КД – кернодержатель; МЕ – мерная емкость; РД – регулятор давления; С – сканер для определения водонасыщенности

Коэффициент абсолютной газопроницаемости образцов определялся методом

27

СПБГУАП группа 4736

стацио-нарной фильтрации газа через образец горной породы в линейном направлении под действием разности давлений согласно ГОСТ 26450.2-85.

Коэффициент открытой пористости образцов определен методом жидкостенасыщения и гидростатического взвешивания согласно ГОСТ 26450.1-85.

При определении открытой пористости по результатам взвешивания вычислена объемная плотность пород, кажущаяся минералогическая плотность и объемная плотность насыщенных образцов по ГОСТ 26450.1-85. Объемная плотность пород - это отношение массы абсолютно сухого образца к объему образца (масса единицы объема породы с ненарушенной структурой). Объемная плотность насыщенных моделью пластовой воды образцов вычисляется как отношение массы насыщенного образца к объему образца.

28