рами Rб1 и Rб2 . Переменная, составляющая коллекторного напряжения, замыкается через конденсатор Cф и практически не оказывает влияния
на напряжение Uбэ транзистора, а следовательно, и на коэффициент усиления полезного сигнала.
|
|
Rб Rк |
Eк |
||
|
|
Iк0 |
С2 |
||
С1 |
|
VT1 |
|
|
|
Uвх |
|
Iб0 |
Uкэ0 |
Uвых |
|
|
|
||||
|
|
|
|
||
|
|
а |
Eк |
||
|
|
|
Rк |
Eк |
|
С1 |
Rб1 |
Rб2 |
С2 |
||
|
|||||
|
|
VT1 |
|
|
|
Uвх |
Сф |
|
|
Uвых |
|
|
|
б |
|
Eк |
|
|
|
|
|
||
Рис. 3.43. Схемы коллекторной стабилизации положения рабочей точки
3.13. Составной транзистор
Составным транзистором называется соединение двух и более транзисторов, эквивалентное одному транзистору, но с большим коэффициентом усиления или другими отличительными свойствами. Известно несколько схем составного транзистора.
1. Схема Дарлингтона. Она характеризуется тем, что входные цепи всех входящих в нее транзисторов соединены последовательно, а выходные цепи – параллельно (рис. 3.44). Транзисторы VT1 и VT 2 , входящие в состав составного транзистора, можно представить в виде одного транзистора с выводами эмиттера (Э), базы (Б) и коллектора (К). Коллекторный ток составного транзистора равен сумме коллекторных токов, входящих в него транзисторов:
131
|
|
|
Iк Iк1 Iк2. |
(3.61) |
||||||||||||
Коллекторный ток транзистора VT1 |
|
|
|
|||||||||||||
|
|
Iк1 β1Iб1 β1Iб, |
(3.62) |
|||||||||||||
где β1 – коэффициент усиления по току транзистора VT1. |
||||||||||||||||
|
|
Iб1VT |
1 |
|
|
|
|
|
|
|
|
|
|
|||
|
|
|
|
|
1 |
|
К |
|||||||||
|
|
|
|
|
|
Iк |
|
|||||||||
|
|
|
||||||||||||||
|
|
|
|
|
|
|
|
|
VT 2 |
|
Iк2 |
|||||
Б |
|
|
|
|
|
|||||||||||
|
|
|
|
|
|
Э |
||||||||||
|
|
|
||||||||||||||
|
|
|
|
|
|
|
|
|
|
|
|
|
|
|
||
|
|
|
|
|
|
|
|
|
|
|
|
|
|
|
||
|
|
|
|
|
|
|
|
|
|
|
|
|
|
|
||
|
|
|
|
|
|
|
|
Iб2 |
|
|
|
|||||
|
|
|
|
|
|
|||||||||||
|
|
|
|
|
|
|
|
|
||||||||
|
|
|
|
|
|
|
|
|
|
|
|
|
|
|
|
|
Рис. 3.44. Составной транзистор по схеме Дарлингтона |
||||||||||||||||
Коллекторный ток транзистора VT 2 |
|
|
|
|||||||||||||
|
|
|
Iк2 β2 Iб2 , |
(3.63) |
||||||||||||
где β2 – коэффициент усиления по току транзистора VT 2 , Iб2 – ток ба- |
||||||||||||||||
зы транзистора VT 2 . |
|
|
|
|
|
|
|
|
|
|
|
|
||||
Учитывая, что Iб2 Iк1 Iб , получаем: |
|
|
|
|||||||||||||
Iк2 β2 Iб Iк1 β2 Iб β1Iб . |
|
|||||||
Коэффициент усиления по току составного транзистора |
|
|||||||
β |
Iк |
|
Iк1 Iк2 |
. |
|
(3.64) |
||
|
|
|
||||||
|
Iб |
|
Iб |
|
||||
Подставляя сюда значения Iк1 и Iк2 , получаем: |
|
|||||||
β β1 β2 β1β2. |
(3.65) |
|||||||
Входное сопротивление составного транзистора: |
|
|||||||
Rвх Rвх1 Rвх2 β1 1 , |
(3.66) |
|||||||
где Rвх1 и Rвх2 – входные сопротивления транзисторов VT1 и VT 2 со- |
||||||||
ответственно. |
|
|
|
|
|
|
|
|
Выходное сопротивление составного транзистора |
|
|||||||
R |
|
Rвых1Rвых2 |
, |
(3.67) |
||||
|
||||||||
вых |
|
R |
|
R |
|
|||
|
|
|
вых1 |
вых2 |
|
|||
132
где Rвых1 и Rвых2 – выходные сопротивления транзисторов VT1 и VT 2
соответственно.
Очевидно, что мощность транзистора VT 2 должна быть больше мощности транзистора VT1, т. к. Iк2 Iк1.
Следует отметить, что в схему составного транзистора Дарлингтона может быть включено и большее количество отдельных транзисторов.
2.Составной транзистор на комплементарных транзисторах
(рис. 3.45) – транзисторах противоположных типов электропроводности p–n–p и n–p–n. Эта схема составного транзистора эквивалентна эмиттерному повторителю – транзистору, включенному по схеме с общим коллектором. Он имеет большое входное сопротивление и малое выходное, что очень важно во входных каскадах усиления.
3.Составной транзистор, выполненный по так называемой каскодной схеме (рис. 3.46). Она характеризуется тем, что транзистор VT1
включен по схеме с общим эмиттером, а транзистор VT 2 – по схеме с общей базой. Такой составной транзистор эквивалентен одиночному транзистору, включенному по схеме с общим эмиттером, но при этом он имеет гораздо лучшие частотные свойства и большую неискаженную мощность в нагрузке.
|
VT 2 |
К |
|
VT1 |
|
|
|
|
К |
||
|
VT1 |
|
|
||
|
|
|
VT 2 |
|
|
|
|
|
|
|
|
Б |
|
Э |
Б |
|
Э |
|
Рис. 3.45. Схема |
|
|
Рис. 3.46. Каскодная |
|
на комплементарных транзисторах |
|
схема |
|
||
Выводы
1.Соединение из двух или трех транзисторов – составной транзистор – позволяет получить существенное увеличение коэффициента усиления по току или другие отличительные свойства по сравнению с одиночным транзистором.
3.14. Усилители постоянного тока
Усилителями постоянного тока называют такие устройства, которые могут усиливать медленно изменяющиеся электрические сигналы, т. е. они способны усиливать и переменные, и постоянные составляющие
133
входного сигнала. Усилители постоянного тока имеют много разновидностей (дифференциальные, операционные, усилители с преобразованием входного сигнала и др.). Поскольку такие устройства пропускают наряду с переменной составляющей еще и постоянную, то отдельные каскады должны быть связаны между собой либо непосредственно, либо через резисторы, но не через разделительные конденсаторы или трансформаторы, которые не пропускают постоянную составляющую. Основную проблему усилителей постоянного тока представляет дрейф нуля – отклонение напряжения на выходе усилителя от начального (нулевого) значения при отсутствии входного сигнала. Основной причиной этого явления являются температурная и временная нестабильность параметров активных элементов схемы усилителя, резисторов, а также источников питания.
Одним из возможных путей уменьшения дрейфа нуля является ис-
пользование дифференциальных усилителей.
3.14.1. Дифференциальные усилители
Принцип работы дифференциального усилителя поясним на примере четырехплечевого моста (рис. 3.47), выполненного на резисторах R1, R2, R3, R4. В одну диагональ включен источник U , а в другую – сопротивление нагрузки Rн . Если выполняется условие
R1 |
|
R3 |
, |
(3.68) |
|
R2 |
R4 |
||||
|
|
|
то мост сбалансирован и ток в Rн будет равен нулю. Баланс не нару-
шится, если будут меняться напряжение U и сопротивления резисторов плеч моста, но при условии, что соотношение (3.68) сохранится.
R1 R3
Rн
U
R2 R4
Рис. 3.47. Схема четырехплечевого моста
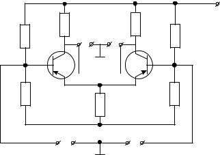
На рис. 3.48 представлена схема простейшего дифференциального усилителя. Очевидно, что она аналогична схеме моста на рис. 3.47, если
134
R2 и R4 заменить транзисторами VT1 и VT 2 и считать, что R1 Rк1 ,
R3 Rк2 .
Сопротивления Rк1 и Rк2 выбирают равными, а транзисторы VT1 и VT 2 – идентичными. Тогда при отсутствии входного сигнала Uвых12
также равно нулю. Температурное воздействие будет одинаковое на оба идентичных транзистора, поэтому хотя их параметры и изменятся, но одинаково и в одну сторону, что не отразится на выходном сигнале, т. к. разность Uвых1 и Uвых2 останется неизменной. Если на входы схемы
Uвх1 и Uвх2 подать одинаковые сигналы по величине и фазе, называе-
мые синфазными, то токи обоих транзисторов будут изменяться на одинаковую величину, соответственно будут изменяться напряжения Uвых1
и Uвых2 , а напряжение Uвых12 по-прежнему будет сохраняться равным нулю. Если на входы подать одинаковые по величине, но сдвинутые по
фазе на 180 сигналы, называемые дифференциальными, то возрастание тока в одном плече будет сопровождаться уменьшением тока в противоположном, вследствие чего появится напряжение на дифференциальном выходе Uвых12 . Изменение температуры, паразитные наводки, ста-
рение элементов и др. можно рассматривать как синфазные входные воздействия. Исходя из этого, дифференциальный каскад обладает очень высокой устойчивостью работы и малочувствителен к помехам.
Rк1 |
Rк2 |
Eк |
|
R3 |
|||
R1 |
Uвых1Uвых2 |
||
VT1 |
|
VT 2 |
|
|
Uвых12 |
|
|
R2 |
Rэ |
R4 |
|
|
|
Uвх1 Uвх2
Рис. 3.48. Схема дифференциального усилителя
Выводы
1.Дифференциальные усилители предназначены для усиления сколь угодно медленно изменяющихся во времени сигналов, частотный диапазон которых начинается от 0 Гц.
135