Материал: Еvdokimova10

Внимание! Если размещение файла нарушает Ваши авторские права, то обязательно сообщите нам

Общее теплосодержание углеводородов с ВСГ с учётом массового расхода рассчитаем по (2.7)

Q ?с=218,342·3877,379+1521,183·7,755= 858,389 МДж/ч.

Для определения правильности выбранной температуры определим расхождение теплосодержания сырья реактора, рассчитанного по тепловому балансу (Q?с), и теплосодержания сырья, рассчитанного по принятой температуре t0 на входе в реактор (Q ?с).

Q=100% · (Q?с - Q ?с )/Q?с (2.9)Q=(858,463-858,389)·100/858,463 0,01%.

Таким образом, температура t0 принята с достаточной точностью и может использоваться для дальнейших расчётов.

2.2.3 Геометрические размеры реактора

Для расчёта размеров реактора зададимся некоторыми технологическими параметрами и определим характеристики принятого катализатора СИ-2 (таблица 2.6).

Таблица 2.6 – Технологические параметры процесса и характеристика катализатора

Параметр, размерность

Значение

 

 

Давление на входе в реактор, МПа

2,5

 

 

Объёмная скорость подачи сырья, ч-1

2,5

Средняя температура процесса, оС

(130+93,7)/2 = 111,85

Кажущаяся плотность катализатора, кг/м3

1300

Насыпная плотность катализатора, кг/м3

1520

Средний диаметр частиц катализатора, мм

2,8

 

 

Определим объём поступающего сырья без учёта ВСГ. Среднее значение плотности углеводородов сырья и их массовый расход указаны в таблице 2.5. Объёмный расход составит

Gvсыр=Gсыр/ сыр,

(2.10)

Gvсыр= 3877,379/623,5=6,218 м3/ч.

компонентным

Для определения объёмного расхода ВСГ зададимся

составом газа (таблица 2.7) и рассчитаем его плотность при нормальных условиях.

Таблица 2.7 – Компонентный состав водородсодержащего газа

Компонент

Водород

Метан

Этан

Пропан

Бутан

 

 

 

 

 

 

% масс.

29,4

19,4

26

15,2

10

 

 

 

 

 

 

Плотность ВСГ при нормальных условиях составит

5

xi Мi

 

 

ВСГ (н.у.)

,

(2.11)

22,4

i 1

 

 

26

 

 

 

где i – индекс компонента в ВСГ; xi – массовая доля i-го компонента в ВСГ; Mi

молекулярная масса i-го компонента в ВСГ;

ρANA(i.o.) 1,071 ea/i 3.

Найдём плотность ВСГ при давлении и температуре процесса для определения его объёмного расхода через реактор

ВСГ ВСГ(н.у.)

273,15

Р1

,

 

 

 

 

 

(2.12)

0,1

tср 273,15

 

 

 

 

где Р1 – давление на входе в реактор, МПа; tср – средняя температура процесса,

оС.

 

ВСГ ВСГ (н.у.) 17,737 18,988

кг/ м3 .

 

 

По (2.10) определяем объём ВСГ,

проходящий через реактор

 

 

 

GvВСГ=7,755/18,988=0,414 м3/ч.

 

 

Общий объём сырьевой смеси с учётом ВСГ определяется как сумма

 

Gvс=Gvсыр+ GvВСГ,

 

 

(2.13)

 

Gvс=6,218+0,414=6,632 м3/ч.

 

 

Объём реакционного пространства определится как

 

 

 

Vr= Gvс/vo,

 

 

(2.14)

где vo – объёмная скорость подачи сырья в реактор, ч-1,

 

 

 

 

Vr=6,632/2,5=2,653 м3.

 

 

 

Требуемая масса катализатора составит

 

 

 

 

mк= Vr· ,

 

 

(2.15)

где – насыпная плотность принятого катализатора,

 

 

 

 

mк=1300·2,653=3448,697 кг.

 

 

Принимаем диаметр реактора изомеризации, исходя из полученного

реакционного объёма 2,653 м3

 

 

 

 

 

Dr=0,8 м.

 

 

 

Площадь поперечного сечения составит

 

 

 

 

S=0.25· · Dr2,

 

 

(2.16)

 

S=0,503 м2.

 

 

 

Полезная высота реактора составит

 

 

 

 

H0=Vr/S,

 

 

(2.17)

 

H0=2,653/0,503=5,278 м.

 

 

 

Верхнее

надкатализаторное

пространство

1)

и

нижнее

подкатализаторное пространство (Н2), необходимое для качественного проведения процесса, определяется по диаметру реактора следующими зависимости:

Н1=0,5·Dr,

(2.18)

Н1=0,4 м.

 

Н2=0,667·Dr,

(2.19)

Н2=0,533 м.

 

Общая высота реактора составит

 

Н =Н012,

(2.20)

Н =5,278+0,4+0,533=6,211 м.

 

27

 

Для определения правильности принятых и рассчитанных параметров реактора произведём расчёт линейной скорости паров (u) проходящих через его сечение. Расчётное значение линейной скорости паров не должно превышать допустимое (0,1 м/с).

 

u=Gvс/(S·3600),

(2.21)

u=6,632/(0,503·3600) 0,004 м/с.

 

Расчётное значение

u не превышает допустимой, следовательно,

геометрические параметры

выбраны и рассчитаны верно.

 

2.4 Расчёт потери напора в слое катализатора

Потерю напора в слое катализатора вычисляют по формуле

Р

1500 (1 )2

0,1 u

17,5 (1 )

г

u2

 

 

 

 

 

 

 

 

 

,

(2.22)

Н

3 d2

3 d g

 

 

 

 

 

 

 

 

где

Р

– потеря напора на 1

м катализатора, Па/м; – порозность слоя; –

 

 

Н

 

динамическая вязкость смеси, (принимаем 1,87·10-6 Па·с); d – диаметр частиц катализатора, м; г – плотность реакционной смеси, кг/м3; g – ускорение свободного падения, 9,81 м/с2.

Порозность слоя вычисляем по формуле

=1 - / , (2.23)

где – кажущаяся плотность катализатора, кг/м3; – насыпная плотность катализатора, кг/м3.

= 1- 1300/1520 = 0,145.

Для расчёта плотности реакционной смеси найдём среднюю плотность смеси ВСГ и жидких углеводородов в сырье реактора исходя из их массовых долей (таблица 2.8). Значение г составит 622,337 кг/м3.

Таблица 2.8 – Расчёт плотности реакционной смеси

 

 

Продукт

кг/ч

 

Массовые доли

Плотность относительная

 

 

 

 

 

 

 

 

 

 

 

 

 

Сырьё

3877,379

 

0,998

 

623,5435

 

 

 

 

 

 

 

 

 

 

 

 

 

 

ВСГ

7,755

 

19,96·10-4

18,988

 

 

 

Всего

3885,134

 

1,000

 

622,337

 

 

 

 

 

 

 

 

 

 

 

 

 

Потеря напора на 1 м катализатора по формуле (2.22) составит

 

 

?

 

1500 (1 0,145)2 0,1 1,87 10 6

0,004

 

17,5 (1 0,145) 622,337 0,0042

 

 

 

 

 

0,1453 0,0028 9,81

 

I

0,1453 0,00282

 

 

 

1533,93Ia/i.

Общий перепад давления на выходе из реактора составит:

Р· Н =1533,93·6,211 0,01 МПа.

Н

28

Величина перепада давления меньше допустимой 0,2 МПа. Таким образом, все параметры выбраны и рассчитаны верно. Давление на выходе из реактора (P2) составит

P2=P1- P,

(2.24)

P2=2,5-0,01=2,49 МПа.

3 РАСЧЕТ ПРОЦЕССА СИНТЕЗА МЕТИЛ-ТРЕТ-БУТИЛОВОГО ЭФИРА (МТБЭ) [14-18]

Первая промышленная установка синтеза МТБЭ производительностью 100 тыс. т/год по МТБЭ была пущена в 1973 г. в Италии. Затем аналогичные установки были введены в эксплуатацию в ФРГ в 1976 г. и США в 1980 г. С тех пор мировое производство МТБЭ непрерывно возрастало, особенно интенсивно

вСША, нефтепереработка которой характеризуется исключительно высокой насыщенностью процессами каталитического крекинга.

Производство МТБЭ в 1990 г. составило в мире 7,5 млн. т, в том числе в США - около 1,5 млн. т.

На данный момент его мировое производство составляет более 35 млн. т

вгод. МТБЭ характеризуется высокой детонационной стойкостью и имеет дорожное ОЧ = 108-110. Присутствие его в бензинах способствует снижению содержания оксидов углерода, углеводородов и циклических ароматических соединений в отработавших газах.

Основной реакцией процесса является присоединение изобутилена к метанолу по следующей реакции:

Важными оперативными параметрами, влияющими на материальный баланс процесса и качество продуктов О-алкилирования, являются: давление, температура, объемная скорость сырья, соотношение метанол:изобутен.

При жидкофазном О-алкилировании изменение давления не оказывает существенного влияния на процесс. Давление должно ненамного превышать упругость паров углеводородов сырья при температуре катализа. Обычно в реакторах с внутренней системой охлаждения при О-алкилировании метанола изобутиленом давление поддерживают 0,7-0,75 МПа.

При повышении температуры снижается вязкость метанола и углеводородов, и создаются условия более благоприятные для их контактирования и диспергирования. Это обусловливает большую скорость всех протекающих реакций. При этом снижаются затраты энергии, что улучшает экономические показатели процесса.

29

Однако чрезмерное повышение температуры интенсифицирует побочные реакции в большей степени, чем целевую реакцию. При этом снижается избирательность реакций О-алкилирования и ухудшается качество получаемого эфира.

Снижение температуры в определенных пределах оказывает благоприятное влияние на селективность реакций, выход и качество МТБЭ. Лимитирующим фактором при снижении температуры реакции является чрезмерное снижение скорости основной реакции.

На практике оптимальный интервал температур при О-алкилировании метанола изобутиленом составляет 60-70 °С.

Соотношение метанол:олефин является одним из важнейших параметров О-алкилирования. Избыток метанола интенсифицирует целевую и подавляет побочные реакции О-алкилирования. Чрезмерное повышение этого соотношения увеличивает капитальные и эксплуатационные затраты, поэтому поддерживать его выше 10:1 нерентабельно.

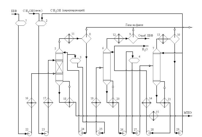
На рисунке 3.1 представлена принципиальная технологическая схема производства МТБЭ.

1, 2, 3, 4 – емкости; 5 – реактор; 6 – экстрактор; 7 - ректификационная колонна; 8, 9, 10 – сепараторы; 11, 12, 13 - конденсаторы-холодильники; 14 – 21 – теплообменники; 22-29

– насосы

Рисунок 3.1 – Принципиальная схема производства МТБЭ

30